|
|
(21), (22) Заявка: 2005119682/09, 24.06.2005
(24) Дата начала отсчета срока действия патента:
24.06.2005
(46) Опубликовано: 20.04.2007
(56) Список документов, цитированных в отчете о поиске:
UA 72122 А, 15.01.2005. SU 447802 А, 25.10.1974. RU 2116897 C1, 10.08.1998. ЕР 1393950 А2, 03.03.2004.
Адрес для переписки:
111250, Москва, ул. Красноказарменная, 14, ГОУВПО “МЭИ (ТУ)”, НИЧ, Патентный отдел
|
(72) Автор(ы):
Глушенков Владимир Александрович (RU), Смердов Григорий Андреевич (UA), Хмарский Владислав Николаевич (UA), Филин Юрий Иванович (RU)
(73) Патентообладатель(и):
Государственное образовательное учреждение высшего профессионального образования “Московский энергетический институт (технический университет)” (ГОУВПО “МЭИ (ТУ)”) (RU)
|
(54) УСТРОЙСТВО РЕГУЛИРОВАНИЯ ТЯГОВОГО ЭЛЕКТРОПРИВОДА ПОСТОЯННОГО ТОКА
(57) Реферат:
Изобретение относится к области транспортного машиностроения. Предлагаемое устройство регулирования тягового электропривода содержит электродвигатель постоянного тока, якорная обмотка которого и обмотка возбуждения которого подключены посредством элементов фильтра и преобразователя напряжения к контактной сети, и тормозной резистор. Преобразователь напряжения выполнен в виде электрического моста, в первые два смежных плеча которого включены последовательно по два транзистора, шунтированных обратными диодами, а во вторые два смежных плеча – по одному. Якорная обмотка электродвигателя включена между средними точками первых двух смежных плеч моста, а обмотка возбуждения – между выводами выходной диагонали моста. Тормозной резистор подключен посредством транзистора, шунтированного обратным диодом, к якорной обмотке электродвигателя. Технический результат – расширение функциональных возможностей устройства за счет повышение КПД и надежности входящего в данное устройство преобразователя. 1 ил.
Изобретение относится к области транспортного машиностроения и может быть использовано в тяговых электроприводах транспортных средств, например троллейбусов, трамваев и метрополитена.
Известно устройство регулирования тягового электропривода (Патент Украины №72122. Официальный бюллетень “Промышленная собственность”. Книга 1 “Изобретения, полезные модели, топографии интегральных микросхем”, 2005, №1, 15.01.2005. Государственный департамент интеллектуальной собственности Министерства образования и науки Украины), содержащее тяговый электродвигатель постоянного тока, якорная обмотка и обмотка возбуждения которого подключены к контактной сети посредством элементов фильтра и преобразователя напряжения, представляющего собой электрический мост, образованный двумя, состоящими из транзисторов и диодов, параллельными цепями. При этом в каждое плечо моста последовательно включены шунтированный обратным диодом транзистор и диод, соединенный при этом одним выводом с разноименным выводом указанного обратного диода, а другим выводом соединенный с разноименным выводом аналогичного диода смежного плеча моста. Якорная обмотка электродвигателя включена в выходную диагональ моста, тормозной резистор включен между промежуточными выводами первых двух смежных плеч моста, а обмотка возбуждения электродвигателя – между промежуточными выводами вторых двух смежных плеч моста. В этом устройстве регулирование напряжения якорной обмотки электродвигателя в процессе разгона транспортного средства осуществляется изменением скважности регулирования транзистора, включенного в то или иное, в зависимости от направления движения, плечо моста. Ослабление магнитного потока электродвигателя для обеспечения его работы в диапазоне высоких скоростей движения осуществляется изменением скважности регулирования дополнительного транзистора, установленного параллельно обмотке возбуждения электродвигателя.
Определенным достоинством рассматриваемого устройства является возможность движения в режиме выбега при потреблении из контактной сети определенного тока (для управления переключением стрелок контактной сети).
Основной недостаток рассматриваемого устройства регулирования заключается в большом количестве полупроводниковых элементов (5 элементов), по которым протекает ток как в тяговом режиме, так и в режиме электрического торможения. Это вызывает повышение тепловых потерь в элементах преобразователя, их нагрева и, соответственно, снижения КПД преобразователя и его надежности.
Технической задачей, решаемой в заявляемом устройстве, является повышение КПД и надежности преобразователя, входящего в состав устройства, и расширение функциональных возможностей последнего. Указанная задача в заявляемом устройстве регулирования тягового электропривода, содержащем электродвигатель постоянного тока, якорная обмотка и обмотка возбуждения которого подключены к контактной сети посредством элементов фильтра и преобразователя напряжения, представляющего собой электрический мост, образованный двумя, состоящими из транзисторов и диодов, параллельными цепями, каждая из которых при этом включает в себя два смежных плеча указанного моста, в каждое из смежных плеч первой параллельной цепи включены соответственно, первый и второй, шунтированные обратными диодами, транзисторы, соединенные с соответствующими первым и вторым диодами последовательно и встречно последним, причем первый и второй диоды соединены между собой разноименными выводами, а в каждое из смежных плеч моста второй параллельной цепи соответственно, третий и четвертый, шунтированные обратными диодами, транзисторы, тормозной резистор, подключенный к общей точке второго транзистора и первого диода и соединенный при этом с пятым, шунтированным обратным диодом, транзистором, решается за счет того, что устройство снабжено шестым и седьмым транзисторами, причем шестой транзистор включен последовательно с первым транзистором и параллельно первому диоду в обратном направлении, седьмой – последовательно со вторым транзистором и параллельно второму диоду в обратном направлении, якорная обмотка электродвигателя включена между точкой соединения первого транзистора с первым диодом и точкой соединения второго транзистора со вторым диодом, обмотка возбуждения – между выводами выходной диагонали моста, а тормозной резистор шунтирован обратным диодом и включен посредством пятого транзистора между общей точкой первого и шестого транзисторов и общей точкой второго и четвертого транзисторов.
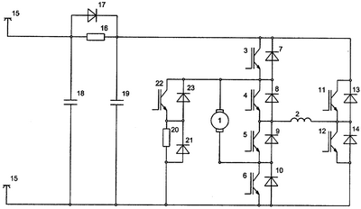
На чертеже представлена электрическая схема предлагаемого устройства.
Тяговый электропривод содержит тяговый электродвигатель постоянного тока, якорная обмотка 1 и обмотка возбуждения 2 которого подключены к элементам преобразователя напряжения, схема которого представляет собой электрический мост, в первые два смежных плеча которого включены первый 3, шестой 4, седьмой 5 и второй 6 транзисторы, шунтированных обратными диодами 7, 8, 9 и 10, а во вторые два смежных плеча моста включены третий 11 и четвертый 12 транзисторы, шунтированных обратными диодами 13 и 14. Входная диагональ моста подключена к контактной сети 15 посредством элементов П-образного R-C фильтра, включающего в себя дополнительный резистор 16, шунтированный диодом 17, и два конденсатора 18 и 19. Тормозной резистор 20 шунтирован обратным диодом 21 и посредством транзистора 22, шунтированного обратным диодом 23, включен между точкой соединения первого 3 и шестого 4 транзисторов и точкой соединения 6 второго и четвертого 12 транзисторов.
Электропривод работает следующим образом.
В тяговом режиме при движении вперед в режиме полного магнитного потока первый транзистор 3 постоянно включен, а четвертым транзистором 12 осуществляется регулирование напряжения, прикладываемого к последовательно соединенным, посредством диода 9, якорной обмотке 1 и обмотке 2 возбуждения. При включенном состоянии четвертого транзистора 12 ток протекает по цепи: “контактная сеть 15 – диод 17 – первый транзистор 3 – якорная обмотка 1 – диод 9 – обмотка 2 возбуждения – четвертый транзистор 12 – контактная сеть 15”. При выключенном состоянии четвертого транзистора 12 ток якорной обмотки 1 и обмотки 2 возбуждения протекает по цепи: “якорная обмотка 1 – диод 9 – обмотка 2 возбуждения – диод 13 – первый транзистор 3 – якорная обмотка 1”. Следует отметить, что, кроме указанных цепей, переменная составляющая тока якорной обмотки 1, обусловленная коммутацией транзистора, осуществляющего регулирование, протекает и по цепям конденсаторов 18 и 19. Это относится и ко всем рассматриваемым ниже режимам работы электропривода.
При постоянстве заданного значения тока в цепи якорной обмотки 1 скважность регулирования четвертого транзистора 12 с увеличением скорости движения транспортного средства также увеличивается, и при определенной скорости четвертый транзистор 12 открывается полностью. Дальнейшее поддержание заданной величины тока якорной обмотки 1 осуществляется ослаблением магнитного потока электродвигателя посредством изменения скважности регулирования второго транзистора 6. При включенном состоянии второго транзистора 6 ток якорной обмотки 1 замыкается по цепи: “контактная сеть 15 – диод 17 – первый транзистор 3 – якорная обмотка 1 – второй транзистор 6 – контактная сеть 15”, а ток в обмотке 2 возбуждения замыкается по цепи: “обмотка 2 возбуждения – четвертый транзистор 12 – второй транзистор 6 – диод 9 – обмотка 2 возбуждения”, при этом уменьшаясь с постоянной времени этой цепи. При выключенном состоянии второго транзистора 6 составляющая тока якорной обмотки 1, равная току обмотки 2 возбуждения, протекает по цепи: “контактная сеть 15 – диод 17 – первый транзистор 3 – якорная обмотка 1 – диод 9 – обмотка 2 возбуждения – четвертый транзистор 12 – контактная сеть 15”, а составляющая, равная разности между током якорной обмотки 1 и током обмотки 2 возбуждения протекает по цепи: “якорная обмотка 1 – диод 9 – диод 8 – якорная обмотка 1”.
При работе в рассматриваемом режиме величина отношения среднего значения тока обмотки 2 возбуждения электродвигателя к среднему значению тока якорной обмотки 1 при увеличении скважности регулирования второго транзистора 6 уменьшается.
При движении вперед в тормозном режиме постоянно включен шестой транзистор 4, а регулированием скважности работы четвертого транзистора 12 обеспечивается величина тока в обмотке 2 возбуждения, требуемая для обеспечения заданной величины тока в якорной обмотке 1. При этом в диапазоне скоростей, где величина тока возбуждения меньше величины тока якоря, при выключенном четвертом транзисторе 12 и наличии подключенного к контактной сети 15 потребителя электроэнергии составляющая тока якорной обмотки 1, равная току обмотки 2 возбуждения, протекает по цепи: “якорная обмотка 1 – шестой транзистор 4 – обмотка 2 возбуждения – диод 13 – дополнительный резистор 16 – контактная сеть 15 – диод 10 – якорная обмотка 1”. Составляющая тока якоря, равная разности между током якорной обмотки 1 и током обмотки 2 возбуждения, замыкается по цепи: “якорная обмотка 1 – диод 7 – дополнительный резистор 16 – контактная сеть 15 – диод 10 – якорная обмотка 1”.
При включенном четвертом транзисторе 12 по цепи: “якорная обмотка 1 – шестой транзистор 4 – обмотка 2 возбуждения – четвертый транзистор 12 – диод 10 – якорная обмотка 1” замыкается составляющая тока якорной обмотки 1, равная току обмотки 2 возбуждения, а составляющая, равная разности между током якоря и током возбуждения замыкается по цепи: “якорная обмотка 1 – диод 7 – дополнительный резистор 16 – контактная сеть 15 – диод 10 – якорная обмотка 1”.
Следует отметить, что в рассматриваемом режиме работы устройства возможно включение седьмого транзистора 5 во время включенного состояния четвертого транзистора 12, что может способствовать улучшению качества регулирования.
В рассматриваемом режиме величина отношения среднего значения тока обмотки 2 возбуждения электродвигателя к среднему значению тока якорной обмотки 1 при увеличении скважности регулирования четвертого транзистора 12 увеличивается.
С уменьшением скорости движения транспортного средства и постоянном значении тока в цепи якорной обмотки 1, регулируемом посредством изменения тока в обмотке 2 возбуждения, последний увеличивается и при определенной скорости становится равным току в якорной обмотке 1. В этом режиме работы электропривода и режимах, соответствующим меньшим значениям скоростей ток якорной обмотки 1 равен току обмотки 2 возбуждения независимо от состояния транзистора 12. Цепь замыкания этих токов при включенном транзисторе 12: “якорная обмотка 1 – шестой транзистор 4 – обмотка 2 возбуждения – четвертый транзистор 12 – диод 10 – якорная обмотка 1”, а при выключенном – “якорная обмотка 1 – шестой транзистор 4 – обмотка 2 возбуждения – диод 13 – дополнительный резистор 16 – контактная сеть 15 – диод 10 – якорная обмотка 1”.
При дальнейшем уменьшении скорости скважность регулирования четвертого транзистора 12 увеличивается и при определенной скорости, при которой ЭДС якорной обмотки 1 становится равной суммарному падению напряжения на элементах цепи: “якорная обмотка 1 – шестой транзистор 4 – обмотка 2 возбуждения – четвертый транзистор 12 – диод 10 – якорная обмотка 1”, четвертый транзистор 12 открывается полностью. При этом мощность, вырабатываемая электродвигателем в этом режиме, не передается в контактную сеть, а гасится на активных сопротивлениях внутренних электрических цепей электродвигателя. При дальнейшем снижении скорости токи якорной обмотки 1 и обмотки 2 возбуждения уменьшаются пропорционально уменьшению скорости.
При отсутствии подключенного к контактной сети потребителя электроэнергии система автоматического регулирования по определенному сигналу, например, сигналу датчика напряжения контактной сети, включает транзистор 22, посредством которого обеспечивается цепь замыкания тока якорной обмотки 1 через тормозной резистор 20 и, тем самым, передача электроэнергии, вырабатываемой электродвигателем в процессе торможения, в тормозной резистор 20. При подключении к контактной сети потребителя электроэнергии и снижении, в связи с этим, напряжения контактной сети до определенной величины, транзистор 22 выключается по соответствующей команде системы автоматического регулирования, и электропривод переходит в режим рекуперативного торможения.
При движении назад работа устройства аналогична его работе при движении вперед с той лишь разницей, что в тяговом режиме постоянно включен второй транзистор 6, а регулирование напряжения осуществляется третьим транзистором 11. При движении назад в режиме торможения постоянно включен второй транзистор 5, а регулирование тока обмотки 2 возбуждения осуществляется третьим транзистором 11.
Следует отметить, что при указанном подключении тормозного резистора 20 обеспечивается, как и в прототипе, возможность потребления тока из контактной сети в режиме выбега (при включении первого 3 и пятого 22 транзисторов) для управления переключением стрелок.
Расширение функциональных возможностей предлагаемого устройства обеспечивается за счет того, что в предлагаемом устройстве, наряду с рассмотренным способом регулирования тока в обмотке 3 возбуждения, обеспечивающим работу электродвигателя в режиме последовательного возбуждения, возможна реализация способа, обеспечивающего работу электродвигателя в режиме независимого возбуждения. Так, работа электродвигателя в пусковом режиме при независимом регулировании тока возбуждения может быть обеспечена, например, при регулировании тока якорной обмотки 1 изменением скважности регулирования первого транзистора 3 и регулировании тока обмотки 2 возбуждения изменением скважности работы шестого транзистора 4. Такой способ регулирования может иметь определенные преимущества в сравнении со способом регулирования электродвигателя в режиме последовательного возбуждения, например, при эксплуатации транспортного средства в условиях ограниченного сцепления его колес с опорной поверхностью. Это также выгодно отличает предлагаемое устройство от прототипа.
Таким образом, заявляемое устройство регулирования обеспечивает работу электропривода в тяговом и тормозном режимах, причем в любой момент работы преобразователя количество полупроводниковых элементов, по которым протекают ток якорной обмотки и ток обмотки возбуждения электродвигателя не превышает трех, что способствует повышению КПД и надежности заявляемого электропривода в сравнении с прототипом.
Формула изобретения
Устройство регулирования тягового электропривода, содержащее тяговый электродвигатель постоянного тока, якорная обмотка и обмотка возбуждения которого подключены к контактной сети посредством элементов фильтра и преобразователя напряжения, представляющего собой электрический мост, образованный двумя состоящими из транзисторов и диодов параллельными цепями, каждая из которых при этом включает в себя два смежных плеча указанного моста, в каждое из смежных плеч первой параллельной цепи включены, соответственно, первый и второй шунтированные обратными диодами транзисторы, соединенные с соответствующими первым и вторым диодами последовательно и встречно последним, причем первый и второй диоды соединены между собой разноименными выводами, а в каждое из смежных плеч второй параллельной цепи – соответственно, третий и четвертый шунтированные обратными диодами транзисторы, тормозной резистор, подключенный к общей точке второго транзистора и первого диода и соединенный при этом с пятым шунтированным обратным диодом транзистором, отличающееся тем, что в него дополнительно введены шестой и седьмой транзисторы, причем шестой транзистор включен последовательно с первым транзистором и параллельно первому диоду в обратном направлении, седьмой – последовательно со вторым транзистором и параллельно второму диоду в обратном направлении, якорная обмотка электродвигателя включена между точкой соединения первого транзистора с первым диодом и точкой соединения второго транзистора со вторым диодом, обмотка возбуждения – между выводами выходной диагонали моста, а тормозной резистор шунтирован обратным диодом и включен между общей точкой первого и шестого транзисторов и общей точкой второго и четвертого транзисторов посредством пятого транзистора.
РИСУНКИ
|
|