|
|
(21), (22) Заявка: 2005121360/09, 07.07.2005
(24) Дата начала отсчета срока действия патента:
07.07.2005
(43) Дата публикации заявки: 20.01.2007
(46) Опубликовано: 20.04.2007
(56) Список документов, цитированных в отчете о поиске:
JP 7-46846 А, 14.02.1995. SU 144894, 01.01.1962. SU 645240, 30.01.1979. JP 7-46847 А, 14.02.1995. JP 2002-44953 А, 08.02.2002.
Адрес для переписки:
630092, г.Новосибирск, пр. К. Маркса, 20, НГТУ
|
(72) Автор(ы):
Зиновьев Геннадий Степанович (RU), Лопаткин Николай Николаевич (RU)
(73) Патентообладатель(и):
Новосибирский государственный технический университет (RU)
|
(54) ВЫПРЯМИТЕЛЬ ТРЕХФАЗНОГО ТОКА
(57) Реферат:
Выпрямитель трехфазного тока относится к электротехнике и необходим для питания многоуровневых инверторов напряжения, а также многоуровневых преобразователей постоянного напряжения в постоянное. Технический результат заключается в повышении качества уровней выпрямленного напряжения. Выпрямитель трехфазного тока содержит два входных трансформатора (Т) (1, 2) и шесть однофазных мостовых выпрямительных ячеек (В) (3-8), каждая из которых состоит из четырех неуправляемых вентилей, при этом однофазные мостовые выпрямительные ячейки по выходу соединены последовательно, а входные трансформаторы выполнены трехфазными и подсоединены параллельно друг другу по входу, причем первичные обмотки первого Т (1) соединены по схеме звезда, а первичные обмотки второго Т (2) – по схеме треугольник, при этом второй Т (2) выполнен так, что его коэффициент трансформации в раз больше коэффициента трансформации первого Т (1). 1 з.п. ф-лы, 6 ил.
Предлагаемое изобретение относится к электротехнике, а именно к области полупроводниковой преобразовательной техники (силовой электроники), и может быть использовано при питании от трехфазной сети как для получения двенадцатипульсного выпрямленного напряжения, так и для получения трех четырехпульсных или шести (двенадцати) двухпульсных выпрямленных напряжений для питания многоуровневого автономного инвертора. Для питания различных потребителей энергии постоянного тока, таким образом, может быть предоставлено многоуровневое выпрямленное напряжение.
Известен выпрямитель трехфазного тока, содержащий два входных трансформатора и две соединенные последовательно ячейки трехфазных мостовых выпрямителей по схеме Ларионова (См. Зиновьев Г.С. Основы силовой электроники, Новосибирск, 2003 – с.158-160).
Однако указанный выпрямитель обеспечивает возможность получения на выходе только двух уровней выпрямленного напряжения и не может быть использован для питания современных многоуровневых инверторов при числе уровней более двух.
Однако указанный выпрямитель не дает возможность получения на выходе трех одинаковых по среднему значению и по качеству уровней выпрямленного напряжения, кроме того, он содержит в своем составе нестандартные однофазные трансформаторы, что усложняет и делает более дорогим процесс его изготовления.
Задачей предлагаемого изобретения является создание выпрямителя трехфазного тока с числом уровней выпрямленного напряжения, кратным трем, с одинаковыми по среднему значению и по качеству уровнями выпрямленного напряжения, который может быть использован для питания многоуровневых инверторов. Кроме того, предлагаемый выпрямитель белее прост в изготовлении и менее дорогостоящий.
Это достигается тем, что в выпрямителе трехфазного тока, содержащем два входных трансформатора и шесть однофазных мостовых выпрямительных ячеек, каждая из которых состоит из четырех неуправляемых вентилей, выпрямительные ячейки соединены по выходу последовательно, а входные трансформаторы выполнены трехфазными и подсоединены параллельно друг другу по входу, причем первичные обмотки первого трансформатора соединены по схеме звезда, а первичные обмотки второго трансформатора – по схеме треугольник, при этом второй трансформатор выполнен с коэффициентом трансформации в раз больше коэффициента трансформации первого трансформатора, вторичные обмотки первого трансформатора, магнитосвязанные с первичными обмотками, соединенными с соответствующими тремя фазами питающей сети, подсоединены, соответственно, к входам первой, третьей и пятой из следующих друг за другом по порядку последовательно соединенных по выходу выпрямительных ячеек, а вторичные обмотки второго трансформатора, магнитосвязанные с первичными обмотками, соединенными с соответствующими тремя фазами питающей сети, подсоединены, соответственно, к входам шестой, второй и четвертой выпрямительных ячеек.
Также поставленная задача решается за счет того, что в предлагаемое устройство дополнительно введены шесть фильтровых реакторов, шесть однофазных мостовых ячеек на полностью управляемых вентилях (транзисторах или тиристорах с полным управлением), шесть сглаживающих конденсаторов, причем фильтровые реакторы включены последовательно с вторичными обмотками трансформаторов, однофазные мостовые ячейки на полностью управляемых вентилях включены встречно-параллельно однофазным мостовым выпрямительным ячейкам на диодах, а сглаживающие конденсаторы включены параллельно каждому из шести выходов однофазных мостовых выпрямительных ячеек.
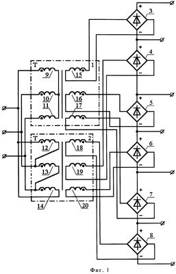
На фиг.1 представлена схема предлагаемого выпрямителя трехфазного тока с шестью однофазными мостовыми выпрямительными ячейками, состоящими из неуправляемых вентилей (диодов), на фиг.2 представлена схема предлагаемого выпрямителя трехфазного тока, дополненная шестью однофазными мостовыми ячейками на полностью управляемых вентилях, шестью реакторами и шестью конденсаторами, на фиг.3 представлена отдельно схема ячейки инвертора напряжения в обращенном режиме, называемая еще активным выпрямителем, на фиг.4 – диаграммы, поясняющие принцип работы предлагаемого выпрямителя трехфазного тока, выполненного по схеме фиг.1, на фиг.5 – векторная диаграмма, поясняющая принцип работы предлагаемого выпрямителя трехфазного тока, выполненного по схеме фиг.2, на фиг.6 – векторная диаграмма, поясняющая принцип работы в режиме рекуперации предлагаемого выпрямителя трехфазного тока, выполненного по схеме фиг.2.
Первый предлагаемый выпрямитель трехфазного тока (фиг.1) содержит два входных трансформатора Т-1 и Т-2 и шесть однофазных мостовых выпрямительных ячеек 3-8 на диодах.
Входные трансформаторы Т-1 и Т-2 выполнены трехфазными стандартной конструкции и имеют по три первичные обмотки (трансформатор Т-1 – обмотки 9-11 и трансформатор Т-2 – обмотки 12-14) и по три соответствующие им (соответственно магнитосвязанные с ними) вторичные обмотки (трансформатор Т-1 – обмотки 15-17 и трансформатор Т-2 – обмотки 18-20).
Трансформаторы подсоединены параллельно друг другу по входу питающей сети, причем первичные обмотки трансформатора Т-1 соединены по схеме звезда, а первичные обмотки трансформатора Т-2 – по схеме треугольник. При этом трансформатор Т-2 выполнен с коэффициентом трансформации в раз больше коэффициента трансформации трансформатора Т-1.
Однофазные мостовые выпрямительные ячейки 3-8 соединены по выходу последовательно, то есть второй выходной (отрицательный) вывод ячейки 3 соединен с первым выходным (положительным) выводом ячейки 4, второй выходной (отрицательный) вывод ячейки 4 соединен с первым выходным (положительным) выводом ячейки 5, второй выходной (отрицательный) вывод ячейки 5 соединен с первым выходным (положительным) выводом ячейки 6, второй выходной (отрицательный) вывод ячейки 6 соединен с первым выходным (положительным) выводом ячейки 7, второй выходной (отрицательный) вывод ячейки 7 соединен с первым выходным (положительным) выводом ячейки 8. Места соединения выходных выводов однофазных мостовых выпрямительных ячеек служат выходными зажимами для различных уровней выпрямленного напряжения (три уровня четырехпульсного или шесть уровней двухпульсного выпрямленного напряжения). Двенадцатипульсное выпрямленное напряжение, максимальное по величине, снимается с первого выходного (положительного) вывода ячейки 3 относительно второго выходного (отрицательного) вывода ячейки 8.
Вторичные обмотки трансформаторов непосредственно друг с другом не связаны. Выводы обмоток 15-20 (магнитосвязанных, соответственно, с первичными обмотками 9-14) соединены с входами, соответственно, выпрямительных ячеек 3, 5, 7, 8, 4 и 6.
Также в выпрямитель трехфазного тока (фиг.2) могут быть дополнительно введены шесть однофазных мостовых ячеек на полностью управляемых вентилях 21-26, шесть фильтровых реакторов 27-32 и шесть сглаживающих конденсаторов 33-38. При этом фильтровые реакторы включены последовательно с вторичными обмотками трансформаторов, однофазные мостовые ячейки на полностью управляемых вентилях включены встречно-параллельно однофазным мостовым выпрямительным ячейкам 3-8 на неуправляемых вентилях, а сглаживающие конденсаторы включены параллельно каждому из шести выходов однофазных мостовых выпрямительных ячеек 3-8. На фиг.3 представлена результирующая схема одной 39 из шести 39-44 однофазной мостовой ячейки на полностью управляемых вентилях – ОМЯПУВ, образованной встречно-параллельным соединением однофазной мостовой выпрямительной ячейки 3 и однофазной мостовой ячейки на полностью управляемых вентилях 21, с последовательно включенным на входе фильтровым реактором 27 и параллельно включенным на выходе сглаживающим конденсатором 33.
Предлагаемый выпрямитель трехфазного тока (фиг.1) работает следующим образом. Во вторичных обмотках трансформаторов наводятся шесть ЭДС одинаковой амплитуды. При этом имеется три пары ортогональных ЭДС, т.е. сдвинутых относительно друг друга по фазе на девяносто электрических градусов – ЭДС обмоток 15 и 19, 16 и 20, 17 и 18. Данные пары ЭДС выпрямляются парами следующих друг за другом однофазных мостовых выпрямительных ячеек 3 и 4, 5 и 6, 7 и 8. В результате суммарное выпрямленное напряжение каждой из трех пар однофазных мостовых выпрямительных ячеек имеет четырехкратную пульсацию, а суммарное выпрямленное напряжение всех шести ячеек благодаря фазовому сдвигу в сто двадцать электрических градусов между соответствующими ЭДС трех различных пар ЭДС имеет двенадцатикратную пульсацию. На фиг.4 показана пара ортогональных напряжений обмоток 15 и 19 u15 и u19 на входах выпрямительных ячеек 3 и 4, выпрямленное напряжение u3 ячейки 3 (выходное напряжение одного из шести уровней), суммарное выпрямленное напряжение u34 пары ячеек 3 и 4 (выходное напряжение одного из трех уровней) и суммарное выпрямленное напряжение всех шести ячеек ud, снимаемое с первого выходного (положительного) вывода ячейки 3 относительно второго выходного (отрицательного) вывода ячейки 8. Все напряжения ux показаны на эпюрах в относительных единицах: ux *=ux/uб, где uб=U2m, U2m – амплитуда напряжения любой из вторичных обмоток 15-20 трансформаторов Т-1 и Т-2. Время также принято безразмерным: t*=t/T, где Т – период сетевого напряжения.
Можно сказать, что из вторичных напряжений двух указанных трехфазных трансформаторов образованы три пары двухфазных ортогональных напряжений, которые имеют между собой фазовые сдвиги, как в трехфазной системе. Их генерация с помощью трансформаторов Скотта потребовала бы применения трех пар таких трансформаторов.
Для улучшения качества постоянного напряжения на выходе каждого из уровней может быть установлен сглаживающий емкостный или индуктивно-емкостный фильтр, который, как правило, требуется для питания инвертора напряжения от выпрямителя.
На фиг.4 также показана форма входного тока одной из трех фаз IA предлагаемого выпрямителя для случая активно-индуктивной нагрузки при Ld (т.е. для случая идеально сглаженного выходного тока), в предположении одинаковой для всех ячеек 3-8 величины выходного тока, равной Id. Значения iA показаны также в относительных единицах: IA *=iA·(Id/KT1), где КT1 – коэффициент трансформации (отношение чисел витков первичных обмоток к числам витков вторичных обмоток) трансформатора Т-1. Форма и качество входного тока совпадает с формой и качеством входного тока аналога.
Предлагаемый выпрямитель трехфазного тока (фиг.2) с дополнительно введенными шестью фильтровыми реакторами, шестью однофазными мостовыми ячейками на полностью управляемых вентилях, шестью сглаживающими конденсаторами работает следующим образом. Любым известным методом синусоидальной широтно-импульсной модуляции формируется напряжение на входе переменного тока вентильного комплекта активного выпрямителя, первая гармоника которого обозначена как UBK на фиг.5 на векторной диаграмме напряжений и токов, действующих в цепи любой вторичной обмотки трансформаторов Т-1 и Т-2. Величина и фаза вектора этого напряжения по отношению к вектору напряжения вторичной обмотки трансформатора U2 устанавливаются такими, чтобы вектор первой гармоники широтно-модулированного тока IBK во вторичной обмотке трансформатора, ортогональный вектору напряжения первой гармоники напряжения UL на фильтровом реакторе, совпадал по фазе с вектором напряжения вторичной обмотки трансформатора U2, как показано на фиг.5. Тогда каждый активный выпрямитель будет работать практически с синусоидальным входным током и постоянным выходным напряжением, сглаженным сглаживающим конденсатором на выходе активного выпрямителя. При опережающей фазе формируемого вектора напряжения UBK на входе переменного тока вентильного комплекта активного выпрямителя, как показано на фиг.6, активный выпрямитель переходит в режим рекуперации, т.е. в режим автономного инвертора напряжения. В результате предлагаемый выпрямитель трехфазного тока также будет работать с практически синусоидальными токами во всех трех фазах как в режиме выпрямления, так и в режиме рекуперации.
Одинаковость всех ячеек, посредством которых формируются отдельные уровни выходного напряжения предлагаемого выпрямителя трехфазного тока, гарантирует их одинаковость по среднему значению и по качеству выпрямленного напряжения. Использование стандартных трансформаторов трехфазного тока не требует изготовления специальных трансформаторов, необходимых в схеме Скотта. Это упрощает и удешевляет их производство, а значит, и выпрямителя в целом.
Таким образом, предлагаемый выпрямитель трехфазного тока по сравнению с прототипом обладает возможностью получения числа уровней выпрямленного напряжения, кратного трем, с одинаковым средним значением и одинаковым качеством напряжения на всех уровнях, может быть собран из стандартных компонентов и применен для питания многоуровневых инверторов.
Кроме того, за счет дополнительного введения шести однофазных мостовых ячеек на полностью управляемых вентилях, шести фильтровых реакторов и шести сглаживающих конденсаторов, входящих в состав предлагаемого на фиг.2 выпрямителя трехфазного тока. обеспечивается дополнительное улучшение качества выпрямителя в целом и возможность получения нового режима по сравнению с предлагаемым выпрямителем на фиг.1, т.е. режима рекуперации.
Формула изобретения
1. Выпрямитель трехфазного тока, содержащий два входных трансформатора и шесть однофазных мостовых выпрямительных ячеек, каждая из которых состоит из четырех неуправляемых вентилей, отличающийся тем, что однофазные мостовые выпрямительные ячейки по выходу соединены последовательно, а входные трансформаторы выполнены трехфазными и подсоединены параллельно друг другу по входу, причем первичные обмотки первого трансформатора соединены по схеме звезда, а первичные обмотки второго трансформатора по схеме треугольник, при этом второй трансформатор выполнен с коэффициентом трансформации в раз больше коэффициента трансформации первого трансформатора, вторичные обмотки первого трансформатора, магнитосвязанные с первичными обмотками, подсоединены соответственно к входам первой, третьей и пятой следующих друг за другом по порядку последовательно соединенных по выходу однофазных мостовых выпрямительных ячеек, а вторичные обмотки второго трансформатора, магнитосвязанные с первичными обмотками второго трансформатора, подсоединены соответственно к входам шестой, второй и четвертой однофазных мостовых выпрямительных ячеек.
2. Выпрямитель трехфазного тока по п.1, отличающийся тем, что в него дополнительно введены шесть фильтровых реакторов, шесть однофазных мостовых ячеек на полностью управляемых вентилях, шесть сглаживающих конденсаторов, причем фильтровые реакторы включены последовательно с вторичными обмотками трансформаторов и входами однофазных мостовых выпрямительных ячеек на диодах, однофазные мостовые ячейки на полностью управляемых вентилях включены встречно-параллельно однофазным мостовым выпрямительным ячейкам на неуправляемых вентилях, а сглаживающие конденсаторы включены параллельно каждому из шести выходов однофазных мостовых выпрямительных ячеек на неуправляемых вентилях.
РИСУНКИ
|
|