|
(21), (22) Заявка: 2005122828/09, 18.07.2005
(24) Дата начала отсчета срока действия патента:
18.07.2005
(46) Опубликовано: 20.04.2007
(56) Список документов, цитированных в отчете о поиске:
L.Croci, P.Galantini, C.Marana. A POWER SUBSYSTEM FOR A TELECOMUNICATION SATELLITE. (Proceedings of the European Space Power Conference held in Graz, Austria, 23-27 August 1993 /ESA WPP – 054, August 1993/. RU 2101831 A1, 10.01.1998. FR 2686434 A, 23.07.1993. US 6204645 A, 20.03.2001. JP 2002-017862, 28.01.2002.
Адрес для переписки:
662972, Красноярский край, г. Железногорск, ЗАТО Железногорск, ул. Ленина, 52, ФГУП НПО ПМ, Р.П. Туркеничу
|
(72) Автор(ы):
Кудряшов Виктор Спиридонович (RU), Эльман Виктор Олегович (RU)
(73) Патентообладатель(и):
ФЕДЕРАЛЬНОЕ ГОСУДАРСТВЕННОЕ УНИТАРНОЕ ПРЕДПРИЯТИЕ “Научно-производственное объединение прикладной механики им. акад. М.Ф. Решетнева” (RU)
|
(54) СИСТЕМА ЭЛЕКТРОПИТАНИЯ ИСЗ
(57) Реферат:
Изобретение относится к области космической энергетики. Предлагается система электропитания, в которой устранены недостатки перечисленных выше систем. В системе применена секционированная солнечная батарея; на входе каждой секции установлен индивидуальный последовательный стабилизатор напряжения с экстремальным регулятором мощности. На входе стабилизатора (на выходе секции батареи) устанавливается напряжение, равное оптимальному напряжению ВАХ секции, а на выходе – стабилизированное напряжение, равное напряжению на нагрузке. Все выходы стабилизаторов подключены к сборной шине нагрузки. В системе при любых текущих изменениях ВАХ секций обеспечивается 100%-ный съем мощности составных частей батареи. Техническим результатом является повышение мощности солнечной батареи. 8 ил.
Предлагаемое изобретение относится к области космической энергетики, конкретнее к бортовым системам электропитания (СЭП) искусственного спутника Земли (ИСЗ) с солнечными батареями (БС).
Известны СЭП с последовательными стабилизаторами напряжения (СН) в цепи БС – нагрузка, оснащенными экстремальными регуляторами мощности (ЭРМ), например, по патентам Франции №2684434, США №5609430 или патенту РФ №2101831 от 21.11.95 г. Принцип действия стабилизатора с экстремальным регулированием мощности БС заключается в том, что напряжение на его входе, значит, и на солнечной батарее устанавливается в точке вольт-амперной характеристики (ВАХ), соответствующей ее максимальной мощности в текущий момент времени (РБС ОПТ), а выходное напряжение поддерживается стабильным и соответствует заданному стабильному напряжению на нагрузке (UСТАБ).
UВХ СН=UБС ОПТ
UВЫХ СН=UСТАБ
Регулирование напряжения на БС в оптимальной точке ее ВАХ осуществляется за счет изменения токов заряда или разряда аккумуляторной батареи.
В этой системе обеспечиваются условия для съема с БС максимальной мощности в изменяющихся условиях работы БС по освещенности, температуре, ресурсной деградации, увеличивая тем самым энергетические возможности СЭП.
Как правило, солнечная батарея конструктивно состоит из отдельных частей, на которых располагаются электрические секции в составе одного или нескольких электрических генераторов. Для ориентированных на Солнце БС это могут быть одно или два крыла, состоящих из отдельных панелей, складываемых в пакеты при выведении ИСЗ на орбиту. Для неориентированных БС это могут быть плоские или криволинейные поверхности, определенным образом ориентированные относительно корпуса спутника, и при проектировании такой БС стремятся к тому, чтобы фотопреобразователи в пределах одного генератора по возможности равномерно освещались Солнцем и имели одинаковую температуру. В этих условиях теоретически возможно достижение соотношения:

Здесь РБС – суммарная мощность БС;
РБС i ОПТ – мощность i-той секции БС в оптимальной рабочей точке ее ВАХ;
n – количество секций БС.
Однако для выполнения этого соотношения необходимо, чтобы все составные части БС имели одинаковые значения оптимального напряжения. Кроме того, необходимо также выполнение еще одного условия: все составные части БС должны иметь одинаковую ресурсную деградацию, т.е. чтобы их вольт-амперные характеристики изменялись синхронно. Однако в реальных условиях этого добиться не удается, поэтому всегда эффект от экстремального регулирования общей шины БС будет не 100%-ный, т.е.

Для иллюстрации этого в качестве примера на фиг.1 приведены соотношения параметров двухсекционной БС, в которой в рассматриваемый момент времени секции 1 (ВАХ БС1) и 2 (ВАХ БС2) имеют различные значения оптимального напряжения (U опт БС1 и U опт БС2 соответственно), например, из-за различной освещенности или неодинаковой ресурсной деградации. Здесь же показаны кривые 1 и 2 соответствующего изменения мощности БС1 и БС2, а также кривая 3 суммарной мощности БС1 и БС2, когда секции подключены к общей шине БС на входе стабилизатора. Максимальное значение мощности БС соответствует точке А на кривой 3 при U опт БС, в то время как энергетические возможности составных частей БС позволяют обеспечить значение:
РБС МАКС=РОПТ БС 1+РОПТ БС2
Видно, что РБС ОПТ<РБС МАКС, причем разницу между ними можно выразить приблизительно как:
РБС МАКС-РБС ОПТ=IБС2(UБС2 ОПТ-UБC1 ОПТ)
Наиболее близко согласование РБС МАКС и РБС ОПТ достигается для ориентированных БС на геостационарных КА, где условия функционирования составных частей БС достаточно стабильны и прогнозируемы, а наибольшее расхождение – для неориентированных БС, где в любой момент времени составные части БС находятся в различных условиях по освещенности и температуре. Отсюда можно заключить, что принцип экстремального регулирования мощности солнечной батареи не является универсальным, и для большинства случаев экстремум мощности РБС ОПТ меньше ее максимума.
Известны также системы электропитания, в которых солнечная батарея электрически разбивается на ряд секций, и регулирование напряжения осуществляется индивидуально для каждой секции. Примером такой СЭП является система, описанная в статье L.Croci, P.Galantini, С.Marana. A POWER SUBSYSTEM FOR A TELECOMUNICATION SATELLITE. (Proceedings of the European Space Power Conferece held in Graz, Austria, 23-27 August 1993 /ESA WPP – 054, August 1993/.
Указанная СЭП взята за прототип.
В системе используются секционированные солнечные батареи (SA5-SA16), подключенные через развязывающие диоды к главной (сборной) шине системы (Main Bus), причем параллельно каждой секции батареи подключены шунтовые стабилизаторы напряжения (Shunt5-Shunt10), к сборной шине подключены через разрядные устройства (BDR) аккумуляторные батареи (BTR), к ним же через зарядные устройства (BCRE) подключены специальные (зарядные) секции солнечной батареи (SA1-SA4).
Шунтовые стабилизаторы и разрядные устройства в комплексе обеспечивают необходимую стабилизацию напряжения на сборной шине, к которой подключены потребители, во всех режимах работы, как при питании от солнечной батареи, так и при разряде аккумуляторных батарей при нахождении ИСЗ в тени Земли или в других случаях, когда мощности солнечной батареи недостаточно для питания нагрузки, например при маневрах ИСЗ. Во всех режимах работы на сборной шине поддерживается стабилизированное напряжение.
В стационарных условиях работы, в частности, на высокоорбитальных ИСЗ с ориентированными на Солнце панелями батарей, когда параметры секций БС стабильны во времени и близки к их расчетным значениям, СЭП имеет достаточно высокие энергетические характеристики, а именно:
– сравнительно незначительные потери энергии солнечной батареи, обусловленные только потерями напряжения на развязывающих диодах (D) и затратами мощности на управление ключами шунтовых стабилизаторов;
– высокий КПД преобразования энергии аккумуляторных батарей, достигаемый за счет использования в BCRE и BDR современных радиоэлектронных элементов и оптимальных схемных решений.
Однако, с другой стороны, рассматриваемая система имеет недостаток, заключающийся в том, что она ограничивает использование потенциальных возможностей солнечной батареи. Это ограничение обусловлено тем, что неотъемлемым свойством шунтового регулирования напряжения БС является принудительное поддержание на выходе батареи напряжения, равного величине стабильного напряжения на шине питания нагрузки (UСТАБ).
Поясним это подробнее.
При проектировании солнечной батареи ее параметры рассчитываются таким образом, чтобы в расчетный период времени, после воздействия на БС всех факторов космического пространства, вызывающих деградацию характеристик фотопреобразователей (радиация, ультрафиолет, микрометеориты и пр.) и наихудших условиях эксплуатации (ориентация, температура) напряжение на шинах БС, поддерживаемое шунтовым стабилизатором, совпало с напряжением, соответствующим оптимальной рабочей точке ВАХ БС:
UБС ОПТ=UСТАБ
Поскольку на всех секциях БС поддерживается одно и то же напряжение, указанное условие должно выполняться для каждой секции.
Это равенство может быть достигнуто только теоретически и только в единственный момент времени существования ИСЗ и в реальной практике не обеспечивается. Как правило, разработчики БС предусматривают некоторый страховочный запас напряжения на непредвиденные случаи, чтобы для наихудшего расчетного случая гарантированно обеспечивать соотношение:
UОПТ UСТАБ
А это означает, что во всех случаях система не позволяет отбирать от БС ее максимальную мощность.
В еще большей степени несоответствие будет иметь место для неориентированных БС из-за различных условий освещенности и температуры составных частей.
Предлагаемое решение устраняет недостатки аналогов и прототипа и суть его заключается в следующем:
– БС разбивается на n секций таким образом, что в пределах одной секции выполняются условия постоянства освещенности и температуры для всех фотопреобразователей;
– каждая секция оснащается стабилизатором напряжения с экстремальным регулированием мощности секции за счет установления на ней напряжения, соответствующего оптимальному напряжению ее ВАХ, а на выходе стабилизатора поддерживается стабильное напряжение, равное требуемому напряжению на сборной шине.
– выходы регуляторов подключены к сборной шине, напряжение на которой равно напряжению на выходе регуляторов.
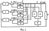
Блок – схема предлагаемой СЭП приведена на фиг.2.
СЭП состоит из n секций 1 солнечной батареи (БС1-БСn), подключенных через n датчиков тока 2 и n последовательных стабилизаторов напряжения 3 с экстремальными регуляторами мощности 4 к сборной шине 5, аккумуляторной батареи 6, подключенной к зарядному устройству 7 и разрядному устройству 8, которые другими входами подключены к сборной шине 5, а к сборной шине подключена нагрузка 9. Каждый экстремальный регулятор мощности 4 соединен с соответствующим датчиком тока 2 и стабилизатором 3, а также с зарядным 7 и разрядным 8 устройствами. Общим выходом все секции БС соединены между собой, аккумуляторной батареей и нагрузкой. На схеме показаны напряжения на выходе секций БС (UБС1-UБСn) и напряжение на сборной шине UСТАБ.
СЭП работает следующим образом.
При полностью заряженной АБ напряжение на каждой секции БС устанавливается исходя из фактического соотношения мощностей нагрузки и БС, т.е. стабилизаторы СНi ограничивают напряжения на секциях БС до уровня, при котором обеспечивается соотношение:

где CHi – КПД стабилизатора.
При малой нагрузке напряжение на секциях приближается к значениям напряжения холостого хода (UXXi); а при ее увеличении – к UОПТ i. В случае необходимости заряда (включение ЗУ) или при увеличении мощности нагрузки сверх предельной суммарной мощности секций БС и разряде АБ включаются в работу экстремальные регуляторы мощности секций БС (ЭРМi), и каждый из них устанавливает на входе своей секции напряжение, соответствующее РБСi ОПТ. Т.о. ток заряда АБ увеличивается и устанавливается на максимальном уровне, определяемом зарядной мощностью из соотношения:

При разряде АБ (включение РУ) значение разрядного тока устанавливается на минимальном уровне, определяемом разрядной мощностью из соотношения:

В предлагаемой системе при любых текущих изменениях ВАХ отдельных секций БС всегда выполняется условие:

В качестве примера на фиг.6-8 приведены результаты расчета изменения параметров БС на витке для низкоорбитального КА, ориентированного одной осью на Землю. Расчет выполнен для варианта использования кремниевых фотопреобразователей с известными температурными зависимостями параметров от температуры и для наиболее критичного случая нахождения ИСЗ на орбите с максимальной длительностью теневого участка, т.е. когда направление на Солнце совпадает с плоскостью орбиты. БС выполнена в виде 4-х откидных панелей, установленных под углом 45 градусов к продольной оси – X КА, см. фиг.3-5. Здесь на фиг.3 показан вид КА с панелями БС сбоку, на фиг.4 – сверху. Цифрами обозначены номера панелей БС. На фиг.5 показано положение КА на орбите по отношению к Земле и солнечному потоку (показан стрелками). Заштрихованная часть – затененная зона орбиты. На фиг.6 приведено изменение температуры панелей в течение витка (цифры соответствуют обозначениям номеров панелей на фиг.3, 4), а на фиг.7 – изменение суммарной мощности 4-х панелей. Расчеты выполнены для 3-х вариантов регулирования напряжения БС:
1. БС работает в точке съема максимальной мощности общей ВАХ БС (аналог СЭП)
2. БС секционная, работает при стабильном напряжении 30 В (прототип СЭП)
3. Каждая панель секционной БС регулируется в точке оптимальной мощности ее ВАХ (по предлагаемому изобретению)
На фиг.8 дополнительно поясняется формирование ВАХ панелей БС для одного, фиксированного момента времени, а именно, соответствующего угловому положению ИСЗ на орбите =160 град. Для этого момента времени значения мощности БС, соответствующие указанным выше случаям применения, равны:
1) 82,5 ед; 2) 78,5 ед; 3) 89 ед.
Здесь значения тока и мощности указаны в условных единицах. Одна условная единица равна току или, соответственно, мощности, снятым с одной панели при перпендикулярном падении солнечных лучей и температуре панели 40°С. Значения средней по освещенной части витка мощности БС (фиг.5) составили соответственно:
1. В СЭП, выполненной по аналогу (БС несекционная, при оптимальном напряжении на общей шине БС) 48,2 ед.
2. В СЭП, выполненной по прототипу (БС секционная, стабильное напряжение на каждой секции) 45 ед.
3. В СЭП по предлагаемому варианту (БС секционная, при оптимальном напряжении на каждой секции) 55,5 ед
Таким образом, для рассмотренного варианта конструкции БС и типа КА эффект от предлагаемого решения выражается в повышении средней за виток мощности БС на 15% по сравнению с аналогом и на 23% – с прототипом.
Предполагается использование предложенной системы электропитания на разрабатываемых в НПО ПМ КА.
Формула изобретения
Система электропитания ИСЗ, состоящая из секционированной солнечной батареи, сборной шины с подключенной к ней нагрузкой, аккумуляторной батареи, подключенной к сборной шине через зарядное и разрядное устройства, отличающаяся тем, что каждая секция солнечной батареи подключена к сборной шине через автономный датчик тока, автономный стабилизатор напряжения, снабженный экстремальным регулятором мощности, соединенным с упомянутым датчиком тока, зарядным и разрядным устройствами, а выходы стабилизаторов подключены к сборной шине.
РИСУНКИ
|