|
|
(21), (22) Заявка: 2005125127/09, 08.08.2005
(24) Дата начала отсчета срока действия патента:
08.08.2005
(46) Опубликовано: 20.04.2007
(56) Список документов, цитированных в отчете о поиске:
ФЕДОСЕЕВ А.М., Релейная защита электрических систем, Москва, Энергия, 1976, с.365. RU 2071624 C1, 10.01.1997. RU 2157038 C1, 27.09.2000. SU 1277283 A1, 15.12.1986. SU 1275622 A1, 07.12.1986.
Адрес для переписки:
630092, г.Новосибирск, пр. Карла Маркса, 20, НГТУ
|
(72) Автор(ы):
Шалин Алексей Иванович (RU), Хабаров Андрей Михайлович (RU)
(73) Патентообладатель(и):
НОВОСИБИРСКИЙ ГОСУДАРСТВЕННЫЙ ТЕХНИЧЕСКИЙ УНИВЕРСИТЕТ (RU)
|
(54) УСТРОЙСТВО ДЛЯ ЗАЩИТЫ ОТ ЗАМЫКАНИЙ НА ЗЕМЛЮ В СЕТЯХ 3-10 кВ
(57) Реферат:
Изобретение относится к области электротехники. Технический результат заключается в эффективности функционирования. Для этого устройство содержит силовой выключатель, кабельные трансформаторы тока нулевой последовательности по числу N кабелей в пучке, реагирующий орган, первый орган выдержки времени, первый элемент сигнализации, первый выходной орган, блок питания, сборные шины, дополнительно введены N токовых органов, логический элемент ИЛИ, логический элемент И-НЕ, блок памяти, второй орган выдержки времени, второй элемент сигнализации и второй выходной орган. 9 ил.
Предлагаемое устройство относится к области электротехники и предназначено для выявления присоединения с замыканием на землю в сетях 3-10 киловольт.
В таких сетях селективное выявление присоединения, в котором произошло замыкание на землю, часто оказывается непростой задачей, особенно в тех случаях, когда защищаемое присоединение выполнено пучком кабелей. Из-за ухудшения состояния контактного соединения, например, в фазе одного из кабелей токораспределение в кабелях изменяется. Ток в фазе кабеля с увеличившимся сопротивлением контакта уменьшается, а токи в той же фазе остальных кабелей увеличиваются. Поскольку сумма фазных токов в каждом кабельном трансформаторе тока нулевой последовательности становится отличной от нуля, на вторичных обмотках этих трансформаторов появляются противоположные по величине сигналы. За счет нелинейности характеристик кабельных трансформаторов тока суммарный сигнал в реагирующем органе защиты не равен нулю, то есть появляется небаланс, который способен в некоторых случаях привести к несрабатыванию защиты при замыканиях на землю на защищаемом присоединении. В других случаях (при росте его значения) этот небаланс может вызвать ложное или излишнее срабатывание защиты.
Известно [Бухтояров В.Ф., Маврицын A.M. Защита от замыканий на землю электроустановок карьеров. – М.: Недра, 1986 (страницы 83…99)] устройство для выявления присоединения с замыканием на землю, содержащее фильтры тока нулевой последовательности, включенные в цепь каждого присоединения, измерительный трансформатор напряжения, содержащий вторичную обмотку, соединенную в разомкнутый треугольник, логический элемент И, цепочку из последовательно включенного элемента выдержки времени, элемента сигнализации и исполнительного органа, реле тока и реле направления мощности, последовательно соединенные токовые обмотки которых присоединены к выходам соответствующих фильтров тока нулевой последовательности, причем входы напряжения реле направления мощности подключены к выводам обмотки измерительного трансформатора напряжения, соединенной в разомкнутый треугольник, входы логического элемента И присоединены к выходам реле тока и реле направления мощности, вход цепочки из последовательно включенного элемента выдержки времени, элемента сигнализации и исполнительного органа присоединен к выходу логического элемента И, а выход служит выходом сигнала о замыкании на землю.
Недостатком рассматриваемого устройства является то, что при использовании в качестве фильтров тока нулевой последовательности на пучке кабелей группы кабельных трансформаторов тока нулевой последовательности, вторичные обмотки которых включены последовательно или параллельно, это устройство может отказать в срабатывании, а также излишне и ложно срабатывать при нарушении контактных соединений хотя бы одной фазы одного из кабелей.
Это объясняется тем, что из-за ухудшения состояния контактного соединения, например, в фазе одного из кабелей токораспределение в кабелях изменяется. Ток в фазе кабеля с увеличившимся сопротивлением контакта уменьшается, а токи в той же фазе остальных кабелей увеличиваются. Поскольку сумма фазных токов в каждом кабельном трансформаторе тока нулевой последовательности становится отличной от нуля, на вторичных обмотках этих трансформаторов появляются противоположные по величине сигналы. За счет нелинейности характеристик кабельных трансформаторов тока суммарный сигнал в реагирующем органе защиты не равен нулю, то есть появляется небаланс, который способен в некоторых случаях привести к несрабатыванию защиты при замыканиях на землю на защищаемом присоединении. В других случаях (при росте его значения) этот небаланс может вызвать ложное (при отсутствии в сети замыкания на землю) или излишнее (при замыкании на землю на “соседнем” присоединении) срабатывание защиты.
Еще одним недостатком рассматриваемого устройства является то, что оно может не сработать при замыкании на защищаемой линии, если замыкание происходит через перемежающуюся дугу. Это объясняется тем, что в процессе горения перемежающейся дуги ток то появляется, то пропадает, например, на несколько периодов промышленной частоты. При появлении тока реагирующий орган срабатывает и запускает орган выдержки времени, но из-за малой продолжительности протекания тока орган выдержки времени не успевает сработать. После погасания дуги и исчезновения тока реагирующий орган возвращается в не сработавшее состояние, в результате чего орган выдержки времени также возвращается в не сработавшее состояние, так и не выдав сигнала на выходной орган 13. Это повторяется несколько раз, но защита так и не срабатывает на отключение.
Известно централизованное устройство для направленной защиты от замыкания на землю в сети с изолированной или компенсированной нейтралью [Авторское свидетельство СССР №1275622. Централизованное устройство для направленной защиты от замыкания на землю в сети с изолированной или компенсированной нейтралью, Кл. Н02Н 3/16 / Лебедев О.В., Шуин В.А., Чухин A.M., Полковников А.К., БИ №45, 1986 г.], содержащее последовательно соединенные подключенный к трансформатору напряжения нулевой последовательности сети фазосдвигающий блок и первый формирователь прямоугольных импульсов, последовательно соединенные подключенный к трансформатору тока нулевой последовательности защищаемого присоединения фильтр основной частоты и второй формирователь прямоугольных импульсов, последовательно соединенные подключенный к выходу фильтра основной частоты усилитель, компаратор, преобразователь импульсов в напряжение постоянного уровня и первый логический элемент И, блок задания уставки, выход которого соединен с вторым входом компаратора, последовательно соединенные подключенный к трансформатору напряжения нулевой последовательности сети преобразователь переменного напряжения в напряжение постоянного тока с уставкой по напряжению и первый блок времени, выход которого соединен с вторым входом первого логического элемента И исполнительный орган, шесть блоков времени, второй и третий логические элементы И, интегратор и ключ, причем выход первого формирователя прямоугольных импульсов соединен с двумя входами второго логического элемента И соответственно через второй и третий блоки времени, выход второго формирователя прямоугольных импульсов соединен с двумя входами третьего логического элемента И соответственно через четвертый и пятый блоки времени, выходы второго и третьего логических элементов И соединены соответственно с третьим и четвертым входами первого логического элемента И, выход которого через интегратор подключен к исполнительному органу, выход интегратора через ключ соединен со вторым входом, а первый вход интегратора через шестой блок времени с управляющим входом ключа, выход первого блока времени через седьмой блок времени соединен со вторым входом преобразователя переменного напряжения в напряжение постоянного уровня с уставкой по напряжению.
Недостатком рассматриваемого устройства, как и предыдущего, является то, что при использовании в качестве фильтров тока нулевой последовательности на пучке кабелей группы кабельных трансформаторов тока нулевой последовательности, вторичные обмотки которых включены последовательно или параллельно, это устройство может отказать в срабатывании при нарушении контактных соединений хотя бы одной фазы одного из кабелей, а также срабатывать ложно или излишне.
Это объясняется тем, что из-за ухудшения состояния контактного соединения, например, в фазе одного из кабелей токораспределение в кабелях изменяется. Ток в фазе кабеля с увеличившимся сопротивлением контакта уменьшается, а токи в той же фазе остальных кабелей увеличиваются. Поскольку сумма фазных токов в каждом кабельном трансформаторе тока нулевой последовательности становится отличной от нуля, на вторичных обмотках этих трансформаторов появляются противоположные по величине сигналы. За счет нелинейности характеристик кабельных трансформаторов тока суммарный сигнал в реагирующем органе защиты не равен нулю, то есть появляется небаланс, который способен в некоторых случаях привести к несрабатыванию защиты при замыканиях на землю на защищаемом присоединении. В других случаях (при росте его значения) этот небаланс может вызвать ложное (при отсутствии в сети замыкания на землю) или излишнее (при замыкании на землю на «соседнем» присоединении) срабатывание защиты.
Известно устройство для централизованной защиты от замыканий на землю в сети с изолированной или компенсированной нейтралью [Авторское свидетельство СССР №1277283. Устройство для централизованной защиты от замыканий на землю в сети с изолированной или компенсированной нейтралью, Кл. Н02Н 3/16, 3/26 / Лебедев О.В., Чухин A.M., Шуин В.А. БИ №46, 1986], содержащее общие для всех n присоединений фильтр напряжения нулевой последовательности, подключенный своим выходом к входу пускового органа, включающего в себя пороговый элемент и элемент задержки на срабатывание, и к входу формирователя сигналов опорного напряжения, блок автоматического стирания информации, выход которого подключен к стирающим входам элементов оперативной памяти, и на каждое из n присоединений фильтр тока нулевой последовательности, подключенный через формирователь сигналов тока к датчикам знака мгновенных значений тока нулевой последовательности, выходы которых подключены к первым входам элементов И, вторые входы которых присоединены к выходам соответствующих датчиков знака мгновенных значений опорного напряжения, а выходы упомянутых элементов И подключены через последовательно соединенные элемент ИЛИ, элементы оперативной и долговременной памяти к исполнительному органу, быстродействующий токовый пусковой орган с 2n входами, блок автоматического изменения порога срабатывания, блок синхронизации записи информации в элементы оперативной памяти, блок дифференцирования сигнала и элемент ИЛИ на 2 входа, при этом 2n входов быстродействующего токового пускового органа подключены к выходам всех упомянутых датчиков знака мгновенных значений тока, выход – к входу блока автоматического изменения порога срабатывания и через элемент ИЛИ, второй вход которого присоединен к выходу порогового элемента пускового органа напряжения, к входам блока автоматического стирания информации оперативной памяти и введенного блока синхронизации записи информации в элементы оперативной памяти, выход которого подключен к синхронизирующим входам элементов оперативной памяти, а блок дифференцирования сигнала подключен своим входом к выходу формирователя сигналов опорного напряжения, а выходом – к входам датчиков знака мгновенных значений опорного напряжения, причем выход блока автоматического изменения порога срабатывания соединен с управляющими входами упомянутых датчиков знака мгновенных значений тока.
Недостатком рассматриваемого устройства, как и предыдущего, является то, что при использовании в качестве фильтров тока нулевой последовательности на пучке кабелей группы кабельных трансформаторов тока нулевой последовательности, вторичные обмотки которых включены последовательно или параллельно, это устройство может отказать в срабатывании при нарушении контактных соединений хотя бы одной фазы одного из кабелей.
Это объясняется тем, что из-за ухудшения состояния контактного соединения, например, в фазе одного из кабелей токораспределение в кабелях изменяется. Ток в фазе кабеля с увеличившимся сопротивлением контакта уменьшается, а токи в той же фазе остальных кабелей увеличиваются. Поскольку сумма фазных токов в каждом кабельном трансформаторе тока нулевой последовательности становится отличной от нуля, на вторичных обмотках этих трансформаторов появляются противоположные по величине сигналы. За счет нелинейности характеристик кабельных трансформаторов тока суммарный сигнал в реагирующем органе защиты не равен нулю, то есть появляется небаланс, который способен в некоторых случаях привести к несрабатыванию защиты при замыканиях на землю на защищаемом присоединении. В других случаях (при росте его значения) этот небаланс может вызвать ложное (при отсутствии в сети замыкания на землю) или излишнее (при замыкании на землю на «соседнем» присоединении) срабатывание защиты.
Известно [Бухтояров В.Ф., Маврицын A.M. Защита от замыканий на землю электроустановок карьеров. – М.: Недра, 1986. (страницы 56…59)] устройство для выявления присоединения с замыканием на землю, содержащее фильтры тока нулевой последовательности, включенные в цепь каждого присоединения, реле тока, присоединенные к выходам соответствующих фильтров тока нулевой последовательности, цепочку из последовательно включенного элемента выдержки времени, элемента сигнализации и выходного органа, вход которой присоединен к выходу реле тока через последовательную цепочку из элемента сигнализации и элемента выдержки времени, а выход служит выходом сигнала о замыкании на землю.
Недостатком рассматриваемого устройства, как и предыдущего, является то, что при использовании в качестве фильтров тока нулевой последовательности на пучке кабелей группы кабельных трансформаторов тока нулевой последовательности, вторичные обмотки которых включены последовательно или параллельно, это устройство может отказать в срабатывании при нарушении контактных соединений хотя бы одной фазы одного из кабелей.
Это объясняется тем, что из-за ухудшения состояния контактного соединения, например, в фазе одного из кабелей токораспределение в кабелях изменяется. Ток в фазе кабеля с увеличившимся сопротивлением контакта уменьшается, а токи в той же фазе остальных кабелей увеличиваются. Поскольку сумма фазных токов в каждом кабельном трансформаторе тока нулевой последовательности становится отличной от нуля, на вторичных обмотках этих трансформаторов появляются противоположные по величине сигналы. За счет нелинейности характеристик кабельных трансформаторов тока суммарный сигнал в реагирующем органе защиты не равен нулю, то есть появляется небаланс, который способен в некоторых случаях привести к несрабатыванию защиты при замыканиях на землю на защищаемом присоединении. В других случаях (при росте его значения) этот небаланс может вызвать ложное (при отсутствии в сети замыкания на землю) или излишнее (при замыкании на землю на «соседнем» присоединении) срабатывание защиты.
Еще одним недостатком рассматриваемого устройства является то, что оно может не сработать при замыкании на защищаемой линии, если замыкание происходит через перемежающуюся дугу. Это объясняется тем, что в процессе горения перемежающейся дуги ток то появляется, то пропадает, например, на несколько периодов промышленной частоты. При появлении тока реагирующий орган срабатывает и запускает орган выдержки времени, но из-за малой продолжительности протекания тока орган выдержки времени не успевает сработать. После погасания дуги и исчезновения тока реагирующий орган возвращается в не сработавшее состояние, в результате чего орган выдержки времени также возвращается в не сработавшее состояние, так и не выдав сигнала на отключение защищаемого присоединения. Это повторяется несколько раз, но защита так и не срабатывает на отключение.
Известно [Федосеев A.M. Релейная защита электрических систем. – М.: Энергия, 1976 (страница 365)] устройство для защиты от замыканий на землю в сети 3-10 киловольт, содержащее N кабельных трансформаторов тока по числу кабелей в пучке, реагирующий орган, орган выдержки времени, элемент сигнализации и выходной орган, причем первый вывод вторичной обмотки каждого кабельного трансформатора тока соединен с первым входом реагирующего органа, второй вывод вторичной обмотки каждого кабельного трансформатора тока соединен со вторым входом реагирующего органа, вход выходного органа соединен с выходом реагирующего органа через цепочку из последовательно соединенных элемента сигнализации и органа выдержки времени, а выход служит выходом сигнала о замыкании на землю.
Прототипом предлагаемого устройства для защиты от замыканий на землю в сети 3-10 киловольт является последнее из описанных устройств.
Недостатком прототипа, как и предыдущих устройств, является то, что при использовании в качестве фильтров тока нулевой последовательности на пучке кабелей группы кабельных трансформаторов тока нулевой последовательности, вторичные обмотки которых включены последовательно или параллельно, это устройство может отказать в срабатывании при нарушении контактных соединений хотя бы одной фазы одного из кабелей.
Это объясняется тем, что из-за ухудшения состояния контактного соединения, например, в фазе одного из кабелей токораспределение в кабелях изменяется. Ток в фазе кабеля с увеличившимся сопротивлением контакта уменьшается, а токи в той же фазе остальных кабелей увеличиваются. Поскольку сумма фазных токов в каждом кабельном трансформаторе тока нулевой последовательности становится отличной от нуля, на вторичных обмотках этих трансформаторов появляются противоположные по величине сигналы. За счет нелинейности характеристик кабельных трансформаторов тока суммарный сигнал в реагирующем органе защиты не равен нулю, то есть появляется небаланс, который способен в некоторых случаях привести к несрабатыванию защиты при замыканиях на землю на защищаемом присоединении. В других случаях (при росте его значения) этот небаланс может вызвать ложное (при отсутствии в сети замыкания на землю) или излишнее (при замыкании на землю на “соседнем” присоединении) срабатывание защиты.
Еще одним недостатком прототипа является то, что он может не сработать при замыкании на защищаемой линии, если замыкание происходит через перемежающуюся дугу. Это объясняется тем, что в процессе горения перемежающейся дуги ток то появляется, то пропадает, например, на несколько периодов промышленной частоты. При появлении тока реагирующий орган срабатывает и запускает орган выдержки времени, но из-за малой продолжительности протекания тока орган выдержки времени не успевает сработать. После погасания дуги и исчезновения тока реагирующий орган возвращается в не сработавшее состояние, в результате чего орган выдержки времени также возвращается в не сработавшее состояние, так и не выдав сигнала на выходной орган 13. Это повторяется несколько раз, но защита так и не срабатывает на отключение.
Описанные недостатки свидетельствуют о недостаточной эффективности защиты у прототипа.
Задачей предлагаемого изобретения является повышение эффективности защиты от замыканий на землю в сети 3-10 кВ путем создания устройства для защиты от замыканий на землю, способного выдавать сигнал, предупреждающий обслуживающий персонал о повреждении контактных соединений в кабельном пучке, а также срабатывающего при замыкании на землю на защищаемом присоединении даже если оно сопровождается перемежающейся дугой со значительными по продолжительности бестоковыми паузами.
Это достигается тем, что в известное устройство для защиты от замыканий на землю в сети 3-10 киловольт, содержащее кабельные трансформаторы тока нулевой последовательности по числу N кабелей в пучке, реагирующий орган, первый орган выдержки времени, первый элемент сигнализации, первый выходной орган и блок питания, причем первый вывод вторичной обмотки каждого кабельного трансформатора тока нулевой последовательности соединен с первым входом реагирующего органа, вход первого выходного органа соединен с выходом первого органа выдержки времени, выходы блока питания соединены с входами питания соответствующих блоков, выход первого выходного органа служит выходом отключающего сигнала защиты, дополнительно введены N токовых органов, логический элемент ИЛИ, логический элемент И-НЕ, блок памяти, второй орган выдержки времени, второй элемент сигнализации и второй выходной орган, причем первые входы токовых органов присоединены ко вторым выводам вторичных обмоток соответствующих кабельных трансформаторов тока нулевой последовательности, а вторые входы токовых органов соединены со вторым входом реагирующего органа, вход блока памяти присоединен к выходу реагирующего органа, входы логического элемента ИЛИ присоединены к выходам соответствующих токовых органов, первый вход логического элемента И-НЕ присоединен к выходу логического элемента ИЛИ, а второй вход логического элемента И-НЕ присоединен к выходу блока памяти, вход первого органа выдержки времени соединен с выходом блока памяти, вход второго органа выдержки времени присоединен к выходу логического элемента И-НЕ, вход второго выходного органа присоединен к выходу второго органа выдержки времени, а его выход служит выходом сигнала о нарушении контактных соединений в кабельном пучке, вход первого элемента сигнализации присоединен к выходу блока памяти, вход второго элемента сигнализации присоединен к выходу логического элемента И-НЕ, а соответствующие входы токовых органов, логического элемента ИЛИ, логического элемента И-НЕ, блока памяти, второго органа выдержки времени, второго элемента сигнализации и второго выходного органа соединены с соответствующими выходами блока питания.
Сущность предлагаемого изобретения поясняется нижеследующим описанием и чертежами.
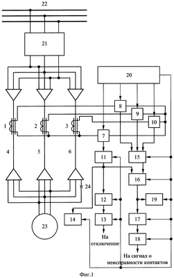
На фиг.1 приведена структурная схема предлагаемого устройства для защиты от замыканий на землю в сетях 3-10 киловольт, на фиг.2 – схема реагирующего органа, на фиг.3 – схема токового органа, на фиг.4 – схема блока памяти, на фиг.5 – схема органа выдержки времени, на фиг.6 – схема выходного органа, на фиг.7 – схема элемента сигнализации, на фиг.8, а и фиг.8, б – осциллограммы сигналов, поясняющих работу блока памяти, на фиг.9 – векторные диаграммы токов, поясняющие принцип работы предлагаемого устройства для защиты.
Предлагаемое устройство для защиты от замыканий на землю в сетях 3-10 киловольт (фиг.1) содержит кабельные трансформаторы тока нулевой последовательности 1, 2, 3, установленные на соответствующих кабелях 4, 5, 6, входящих в состав кабельного пучка. Кабельные трансформаторы тока нулевой последовательности предназначены для того, чтобы формировать токи в своих вторичных обмотках, пропорциональные токам нулевой последовательности в соответствующих кабелях. Эти кабельные трансформаторы тока нулевой последовательности взяты без изменений из прототипа.
Первый вывод вторичной обмотки каждого трансформатора тока нулевой последовательности соединен с первым входом реагирующего органа 7, предназначенного для формирования выходного единичного сигнала в том случае, когда протекающий по нему ток превышает его ток срабатывания. Реагирующий орган 7 может быть выполнен, например, по схеме изображенной на фиг.2.
Первые входы токовых органов 8, 9, 10 присоединены ко вторым выводам вторичных обмоток трансформаторов тока нулевой последовательности 1, 2, 3 соответственно, а вторые входы токовых органов 8, 9, 10 соединены со вторым входом реагирующего органа 7. Токовые органы 8, 9, 10 предназначены для формирования выходных единичных сигналов в том случае, когда протекающие по ним токи превышают их токи срабатывания. Возможное исполнение токовых органов 8, 9, 10 показано на фиг.3.
Вход блока памяти 11 присоединен к выходу реагирующего органа 7. Блок памяти 11 предназначен для запоминания факта срабатывания реагирующего органа 7 на время, например, равное 250-300 миллисекунд. Его возможное исполнение показано на фиг.4.
Вход первого органа выдержки времени 12 присоединен к выходу блока памяти 11. Первый орган выдержки времени 12 предназначен для задержки поступающего на него сигнала на соответствующее время. Его возможное исполнение показано на фиг.5.
Вход первого выходного органа 13 присоединен к выходу первого органа выдержки времени 12, а его выход служит выходом отключающего сигнала защиты. Первый выходной орган 13 предназначен для формирования сигнала на отключение выключателя 21 и может быть выполнен, например, в соответствии с фиг.6.
Вход первого элемента сигнализации 14 присоединен к выходу блока памяти 11. Первый элемент сигнализации 14 предназначен для сигнализации появления нулевого сигнала на выходе блока памяти 11 и может быть выполнен, например, по схеме фиг.7.
Основные входы логического элемента ИЛИ 15 присоединены к выходам соответствующих токовых органов 8, 9, 10. Логический элемент ИЛИ 15 предназначен для формирования единичного выходного сигнала в том случае, если хотя бы на один из его входов поступает единичный сигнал с выхода соответствующего токового органа 8, 9, 10. Логический элемент ИЛИ 15 выполнен по любой стандартной схеме, приведенной, например, в [Опадчий Ю.Ф., Глудкин О.П., Гуров А.И. Аналоговая и цифровая электроника. М.: Горячая Линия – Телеком, 2000].
Первый вход логического элемента И-НЕ 16 присоединен к выходу логического элемента ИЛИ 15, а его второй вход – к выходу блока памяти 11. Логический элемент И-НЕ 16 предназначен для формирования нулевого выходного сигнала в том случае, если на его первый вход поступает единичный сигнал с логического элемента ИЛИ 15, а на второй вход – единичный сигнал с блока памяти 11. Логический элемент И-НЕ 16 выполнен по любой стандартной схеме, приведенной, например, в [Опадчий Ю.Ф., Глудкин О.П., Гуров А.И. Аналоговая и цифровая электроника. М.: Горячая Линия – Телеком, 2000].
Вход второго органа выдержки времени 17 присоединен к выходу логического элемента И-НЕ 16. Назначение и исполнение второго органа выдержки времени 17 аналогично назначению и исполнению первого органа выдержки времени 12. Второй орган выдержки времени 17 предназначен для задержки поступающего на него сигнала на соответствующее время. Его возможное исполнение показано на фиг.5.
Вход второго выходного органа 18 присоединен к выходу второго органа выдержки времени 17, а его выход служит выходом сигнала о нарушении контактных соединений. Второй выходной орган 18 предназначен для формирования сигнала о нарушении контактных соединений в кабельном пучке, а его исполнение аналогично исполнению первого выходного органа 13 (фиг.6).
Вход второго элемента сигнализации 19 присоединен к выходу логического элемента И-НЕ 16. Второй элемент сигнализации 19 предназначен для сигнализации появления нулевого сигнала на выходе логического элемента И-НЕ 16. Исполнение этого элемента аналогично исполнению первого элемента сигнализации 14 (фиг.7).
Выходы блока питания 20 соединены с соответствующими входами питания блоков, органов и элементов 7, 8, 9, 10, 11, 12, 13, 14, 15, 16, 17, 18, 19. Блок питания предназначен для формирования стабилизированных напряжений питания устройства защиты оперативным постоянным током и может быть выполнен по стандартной схеме, используемой в современных панелях и шкафах релейной защиты. Могут быть использованы схемы, описанные, например, в [Опадчий Ю.Ф., Глудкин О.П., Гуров А.И. Аналоговая и цифровая электроника. М.: Горячая Линия – Телеком, 2000].
Защищаемый пучок кабелей 4, 5, 6 через силовой выключатель 21, предназначенный для включения и отключения защищаемого присоединения, присоединен к сборным шинам распределительного устройства 22. От защищаемого пучка кабелей питается, например, потребитель 23. Поврежденное контактное соединение 24 размещается на разделке кабеля 6.
На фиг.2 приведен пример схемы, по которой может быть реализован реагирующий орган 7. Реагирующий орган 7 предназначен для формирования выходного единичного сигнала в том случае, когда протекающий по нему ток превышает его ток срабатывания. Здесь 25 и 26 – соответственно первый и второй входы реагирующего органа 7, а 27 – его выход. Первый вход реагирующего органа 7 присоединен к первым выводам вторичных обмоток всех кабельных трансформаторов тока нулевой последовательности 1, 2, 3, а второй вход реагирующего органа 7 присоединен ко вторым входам токовых органов 8, 9, 10. Входы 25 и 26 реагирующего органа служат входами датчика тока 28, предназначенного для преобразования входного тока нулевой последовательности в сигнал, удобный для обработки в последующих элементах. Датчик тока 28 может быть выполнен, например, в виде трансреактора в соответствии с описанным в [Федосеев A.M. Релейная защита электрических систем. – М.: Энергия, 1976]. Первый вывод вторичной обмотки датчика тока 28 соединен с общим проводом, а второй его вывод присоединен к первому выводу резистора 29. Резистор 29, второй вывод которого через конденсатор 30 присоединен к общему проводу, и конденсатор 30 предназначены для фильтрации из входного сигнала высших гармонических составляющих, возникающих в токе нулевой последовательности при замыканиях на землю. Через балластный резистор 31, предназначенный для ограничения тока, поступающего на инвертирующий вход операционного усилителя 32, второй вывод резистора 29 присоединен к инвертирующему входу операционного усилителя 32, не инвертирующий вход которого соединен непосредственно с общим проводом. Операционный усилитель 32 предназначен для формирования на его выходе положительного единичного сигнала в том случае, когда сигнал, поступающий на его инвертирующий вход, имеет отрицательную полярность. Диоды 33, 34, включенные между общим проводом и инвертирующим входом операционного усилителя 32, предназначены для защиты последнего от пробоя при поступлении сигнала опасно большой величины на его инвертирующий вход. Шина отрицательного потенциала источника питания через электрическую кнопку 35, предназначенную для осуществления тестовой диагностики и резистор 36, предназначенный для ограничения контрольного сигнала, соединена с инвертирующим входом операционного усилителя 32. Через резистор 37, предназначенный для ограничения тока, инвертирующий вход операционного усилителя 32 соединен с регулировочным выводом регулировочного резистора 38, один основной вывод которого соединен с общим проводом, а второй основной вывод через резистор 39 – с шиной положительного потенциала источника питания. Регулировочный резистор 38 предназначен для регулирования величины снимаемого с него сигнала, а резистор 39 – для обеспечения плавности регулировки. Выход операционного усилителя 32 соединен с выходом 27 реагирующего органа 7 через балластный резистор 40, предназначенный для ограничения тока, протекающего к выходу реагирующего органа 7. Между общим проводом и выходом реагирующего органа 7 включен диод 41, который предназначен для ограничения величины сигнала, поступающего с выхода операционного усилителя 32 через резистор 40 к выходу 27 реагирующего органа 7, в том случае, если он имеет отрицательную полярность.
На фиг.3 приведен пример схемы, по которой может быть реализован токовый орган 10. Токовые органы 8, 9 могут быть реализованы аналогично. Токовый орган 10 предназначен для формирования выходного единичного сигнала в том случае, когда протекающий по нему ток превышает его ток срабатывания. Первые входы токовых органов 8, 9, 10 присоединены к выводам вторичных обмоток соответствующих кабельных трансформаторов тока нулевой последовательности 1, 2, 3, а вторые входы токовых органов 8, 9, 10 объединены и соединены со вторым входом реагирующего органа 7.
На фиг.3 42 и 43 – соответственно первый и второй входы токового органа, а 44 – его выход. Входы 42 и 43 токового органа служат входами датчика тока 45, предназначенного для преобразования входного тока нулевой последовательности в сигнал, удобный для обработки в последующих элементах. Датчик тока 45 может быть выполнен, например, в виде трансреактора в соответствии с описанным в [Федосеев A.M. Релейная защита электрических систем. – М.: Энергия, 1976]. Первый вывод вторичной обмотки датчика тока 45 соединен с общим проводом, а второй его вывод присоединен к первому выводу резистора 46. Резистор 46, второй вывод которого через конденсатор 47 присоединен к общему проводу, и конденсатор 47 предназначены для фильтрации из входного сигнала высших гармонических составляющих, возникающих в токе нулевой последовательности при замыкании на землю. Через балластный резистор 48, предназначенный для ограничения тока, поступающего на инвертирующий вход операционного усилителя 49, второй вывод резистора 46 присоединен к инвертирующему входу операционного усилителя 49, не инвертирующий вход которого соединен непосредственно с общим проводом. Операционный усилитель 49 предназначен для формирования на его выходе положительного единичного сигнала в том случае, когда сигнал, поступающий на его инвертирующий вход, имеет отрицательную полярность. Диоды 50, 51, включенные между общим проводом и инвертирующим входом операционного усилителя 49, предназначены для защиты последнего от пробоя при поступлении сигнала большой величины на его инвертирующий вход. Шина отрицательного потенциала источника питания через электрическую кнопку 52, предназначенную для осуществления тестовой диагностики и резистор 53, предназначенный для ограничения контрольного сигнала, соединена с инвертирующим входом операционного усилителя 49. Через резистор 54, предназначенный для ограничения тока, инвертирующий вход операционного усилителя 49 соединен с регулировочным выводом регулировочного резистора 55, один основной вывод которого соединен с общим проводом, а второй основной вывод через резистор 56 – с шиной положительного потенциала источника питания. Регулировочный резистор 55 предназначен для регулирования величины снимаемого с него сигнала, а резистор 56 – для обеспечения плавности регулировки. Выход операционного усилителя 49 соединен с выходом 44 токового органа 10 через цепочку из последовательно соединенных диода 57 и резистора 58. Диод 57 предназначен для того, чтобы пропускать сигналы положительной полярности и не пропускать сигналы отрицательной полярности, поступающие с выхода операционного усилителя 49. Резистор 58 предназначен для ограничения величины выходного сигнала операционного усилителя 49. Между общим проводом и выходом 44 токового органа 10 включены конденсатор 59 и резистор 60, предназначенные для получения на выходе токового органа 10 непрерывного сигнала при срабатывании этого токового органа.
На фиг.4 приведен пример исполнения блока памяти 11. Блок памяти 11 предназначен для запоминания факта срабатывания реагирующего органа 7 на время, например, равное 250-300 миллисекунд. Вход блока памяти 11 присоединен к выходу реагирующего органа 7. Входом блока памяти служит база транзистора 61, предназначенного для работы в режиме эмиттерного повторителя. Коллектор транзистора 61 соединен с шиной положительного потенциала источника питания через резистор 62, предназначенный для ограничения тока. Эмиттер транзистора 61 через диод 63 соединен со входом логического элемента НЕ 64, выход которого служит выходом блока памяти 11. Логический элемент НЕ 64 предназначен для формирования единичного сигнала положительной полярности на его выходе в том случае, когда сигнал на его входе отсутствует. Между катодом диода 63 и общим проводом включены резистор 65 и конденсатор 66, предназначенные для «запоминания» поступившего на них импульса на определенное время.
На фиг.5 приведен пример схемы, по которой может быть реализован первый орган выдержки времени 12. Второй орган выдержки времени 17 может быть реализован аналогично. Первый орган выдержки времени 12 предназначен для задержки поступающего на него сигнала на соответствующее время. Вход первого органа выдержки времени 12 присоединен к выходу блока памяти 11. Первый вывод резистора 67 служит входом первого органа выдержки времени 12. Второй вывод резистора 67 через диод 68 присоединен к первому выводу конденсатора 69, второй вывод которого соединен с общим проводом. Первый вывод конденсатора 69 через делитель из последовательно включенных резисторов 70, 71 соединен с общим проводом. Делитель 70, 71 соединен с инвертирующим входом операционного усилителя 72 и предназначен для снижения поступающего на него сигнала до определенного уровня. Резистор 67, диод 68 и конденсатор 69 предназначены для получения изменяющегося по определенному закону сигнала (в зависимости от изменения сигнала на входе первого органа выдержки времени 12), поступающего на инвертирующий вход операционного усилителя 72 через делитель из резисторов 70, 71. Операционный усилитель 72 предназначен для формирования на его выходе положительного единичного сигнала в том случае, когда величина сигнала на его не инвертирующем входе больше, чем на инвертирующем. Не инвертирующий вход операционного усилителя 72 соединен с регулировочным выводом регулировочного резистора 73, один основной вывод которого соединен с общим проводом, а второй – с первым выводом резистора 74. Второй вывод резистора 74 соединен с первым выводом резистора 75, второй вывод которого соединен с шиной положительного потенциала источника питания. Второй вывод резистора 74 присоединен также к первому выводу конденсатора 76, второй вывод которого соединен с общим проводом. Регулировочный резистор 73 предназначен для регулирования величины сигнала, поступающего на не инвертирующий вход операционного усилителя 72. Резисторы 74, 75 и конденсатор 76 предназначены для получения изменяющегося по определенному закону сигнала, поступающего на не инвертирующий вход операционного усилителя 72 с регулировочного резистора 73, в момент подачи или снятия питания с защиты (в момент появления или исчезновения положительного напряжения на втором выводе резистора 75). Выход операционного усилителя 72 служит выходом первого органа выдержки времени 12.
На фиг.6 приведен пример исполнения первого выходного органа 13. Второй выходной орган 18 может быть реализован аналогично. Первый выходной орган 13 предназначен для формирования сигнала на отключение выключателя 21. Вход первого выходного органа 13 присоединен к выходу первого органа выдержки времени 12. Входом первого выходного органа 13 служит база транзистора 77, предназначенного для работы в режиме эмиттерного повторителя. Коллектор транзистора 77 соединен с шиной положительного потенциала источника питания через резистор 78, предназначенный для ограничения тока. Между эмиттером транзистора 77 и шиной отрицательного потенциала источника питания включены обмотка малогабаритного реле 79 и диод 80, предназначенный для защиты транзистора 77 от пробоя при закрытии транзистора 77. Малогабаритное реле 79 предназначено для формирования достаточно мощного выходного сигнала, необходимого на выходе предлагаемого устройства. Один вывод замыкающих контактов 81 реле 79 присоединен к шине положительного потенциала источника питания, а второй служит выходом отключающего сигнала защиты.
На фиг.7 приведен пример схемы, по которой может быть реализован первый элемент сигнализации 14. Второй элемент сигнализации 19 может быть реализован аналогично. Первый элемент сигнализации 14 предназначен для сигнализации появления нулевого сигнала на его входе. Вход первого элемента сигнализации 14 присоединен к выходу блока памяти 11. К входу первого элемента сигнализации 14 присоединен первый вывод резистора 82, второй вывод которого через светодиод 83 соединен с шиной положительного потенциала источника питания. Резистор 82 предназначен для ограничения тока через светодиод 83, а светодиод 83 – для световой сигнализации нулевого потенциала на входе первого элемента сигнализации 14.
На фиг.8, а приведены осциллограммы сигналов, поясняющих работу блока памяти 11 в режиме горения на защищаемом присоединении перемежающейся дуги со значительным временем бестоковой паузы. На фиг.8, б приведены осциллограммы сигналов, поясняющих работу блока памяти 11 в режиме однократного возникновения дуги с последующим ее длительным погасанием.
На фиг.9 приведены векторные диаграммы токов у потребителя 23 и в кабелях 4, 5, 6, входящих в состав пучка, в нормальном режиме работы при исправной схеме и при нарушении одного из контактных соединений.
Предлагаемое устройство для защиты от замыканий на землю в сети 3-10 киловольт работает следующим образом.
Рассмотрим сначала нормальный режим работы исправной схемы без замыканий на землю в первичной сети.
Потребитель 23 через пучок из трех кабелей 4, 5, 6 и силовой выключатель 21 получает питание от секции сборных шин 22 (фиг.1). В нормальном режиме работы токи в фазах потребителя 23 равны по величине и сдвинуты по фазе друг относительно друга на 120 электрических градусов (фиг.9, а). Суммарный ток нагрузки, значение которого зависит от режима работы потребителя 23, при исправных контактных соединениях примерно равномерно распределяется по всем кабелям пучка. Векторная диаграмма первичных токов, протекающих по каждому кабелю, аналогична изображенной на фиг.9, а, но величина каждого из этих токов в N раз меньше суммарного тока потребителя, где N – число кабелей в пучке. В результате этого суммарный магнитный поток в каждом из кабельных трансформаторов тока нулевой последовательности 1, 2, 3 примерно равен нулю и токи в их вторичных цепях отсутствуют, за исключением возможных токов небаланса, которые, как правило, очень невелики.
Эти токи небаланса обусловлены несимметрией расположения жил кабеля внутри окна магнитопровода соответствующего кабельного трансформатора тока, некоторым (неопасным) неравенством токов в фазных проводниках кабелей, обусловленным фактическим неравенством сопротивлений контактных соединений, близостью кабельной разделки, где фазные проводники расходятся друг от друга и оказывают повышенное влияние на ток небаланса и т.д. Если, например, токи небаланса присутствуют во вторичных обмотках всех кабельных трансформаторов тока нулевой последовательности, то они протекают и по первичным обмоткам датчиков тока 28 и 45 (фиг.2, 3), принадлежащих соответственно реагирующему органу 7 и токовым органам 8, 9, 10 (фиг.1). Поскольку исполнение токовых органов 8, 9, 10 одинаково, то в дальнейшем работа этих органов будет рассматриваться на примере токового органа 10 (фиг.3).
Рассмотрим вначале работу реагирующего органа 7. При протекании тока по первичной обмотке его датчика тока 28 на верхнем выводе его вторичной обмотки появится напряжение, обусловленное током небаланса. Это напряжение поступает на вход фильтра, состоящего из резистора 29 и конденсатора 30, предназначенных для выделения из входного сигнала составляющей частотой 50 Гц. Затем через балластный резистор 31 этот сигнал подается на инвертирующий вход операционного усилителя 32. С нижнего вывода резистора 37 к инвертирующему входу операционного усилителя 32 также поступает сигнал, величина которого с помощью регулировочного резистора 38 подобрана так, что превышает значение сигнала, вызванного током небаланса и поступающего со стороны датчика тока 28. В результате суммарный сигнал, подводящийся к инвертирующему входу операционного усилителя 32, имеет положительную полярность, что приводит к появлению на его выходе сигнала отрицательной полярности. Сигнал отрицательной полярности с выхода операционного усилителя 32 (фиг.2) проходит через резистор 40 и шунтируется диодом 41 на общий провод. Таким образом, на выходе 27 реагирующего органа 7 присутствует сигнал отрицательной полярности незначительной величины, равной падению напряжения на диоде 41.
Необходимость такого уменьшения сигнала отрицательной полярности на выходе реагирующего органа 7 связана с тем, что этот же сигнал является входным для блока памяти 11 (фиг.1) и поступает на базу транзистора 61 (фиг.4), для которого существует опасность пробоя при поступлении сигнала отрицательной полярности большой величины. Поскольку полярность этого сигнала отрицательная, то транзистор 61 закрыт, конденсатор 66 полностью разряжен и на вход логического элемента НЕ 64 сигнал не поступает, что обуславливает появление на выходе этого логического элемента единичного сигнала положительной полярности. Этот единичный сигнал появляется на выходе логического элемента НЕ 64 практически мгновенно после подачи напряжения питания на соответствующие входы питания блоков предлагаемого устройства защиты.
С выхода блока памяти 11 этот единичный сигнал поступает на вход первого элемента сигнализации 14 и на второй вход логического элемента И-НЕ 16 (фиг.1). Поскольку полярность этого сигнала положительная и величина приблизительно равна величине напряжения питания, то светодиод 83 (фиг.7), входящий в состав первого элемента сигнализации 14, находится в закрытом состоянии (ток через него не протекает) и сигнализация о срабатывании защиты от замыканий на землю отсутствует.
С выхода органа памяти 11 единичный сигнал поступает также на вход первого органа выдержки времени 12 (фиг.5), а затем через резистор 67 и диод 68 он начинает заряжать конденсатор 69, что приводит к росту напряжения на первом выводе этого конденсатора. Сопротивление резистора 67 принимается примерно в 10-15 раз меньшим суммарного сопротивления последовательно соединенных резисторов 70, 71. Поэтому конденсатор 69 заряжается значительно быстрее, чем разряжается через делитель 70, 71 и напряжение на его первом выводе при наличии сигнала на входе блока продолжает расти до тех пор, пока оно не станет равным напряжению, поступающему с диода 68. Одновременно с приходом единичного сигнала на вход первого органа выдержки времени 12 на второй вывод резистора 75 подается питающее напряжение положительной полярности от источника питания и одновременно с конденсатором 69 начинает заряжаться конденсатор 76 через резистор 75. Сопротивление резистора 75 и емкость конденсатора 76 принимаются такими, чтобы заряд конденсатора 76 происходил медленнее, чем заряд конденсатора 69. Этим обеспечивается постоянное превышение сигнала, поступающего на инвертирующий вход операционного усилителя 72 над сигналом на его не инвертирующем входе, что приводит к появлению на выходе операционного усилителя сигнала отрицательной полярности и обеспечивает несрабатывание защиты в нормальном режиме. Резисторы 74 и 75 обеспечивают также плавность регулировки сигнала, поступающего на не инвертирующий вход операционного усилителя 72, с помощью регулировочного резистора 73. Таким образом, после подачи питания на устройство защиты практически мгновенно на выходе операционного усилителя 72, а значит, и на выходе первого органа выдержки времени 12 появляется единичный сигнал отрицательной полярности.
С выхода первого органа выдержки времени 12 этот сигнал поступает на вход первого выходного органа 13 (фиг.1), а значит на базу транзистора 77 (фиг.6). Поскольку полярность этого сигнала отрицательная, то транзистор 77 закрыт и обмотка малогабаритного реле 79 не обтекается током. Следовательно, замыкающий контакт 81 реле 79 остается разомкнутым, и формирования сигнала на отключение выключателя 21 не происходит.
Рассмотрим теперь работу токового органа 10. При протекании тока по первичной обмотке его датчика тока 45 на верхнем выводе его вторичной обмотки появится напряжение, обусловленное током небаланса. Это напряжение поступает на вход фильтра, состоящего из резистора 46 и конденсатора 47, предназначенных для выделения из входного сигнала составляющей частотой 50 Гц. Затем через балластный резистор 48 этот сигнал подается на инвертирующий вход операционного усилителя 49. С нижнего вывода резистора 54 к инвертирующему входу операционного усилителя 49 также поступает сигнал, величина которого с помощью регулировочного резистора 55 подобрана так, что превышает значение сигнала, вызванного током небаланса и поступающего со стороны датчика тока 45. В результате суммарный сигнал, подводящийся к инвертирующему входу операционного усилителя 49, имеет положительную полярность, что приводит к появлению на его выходе сигнала отрицательной полярности.
Сигнал отрицательной полярности с выхода операционного усилителя 49 (фиг.3) поступает на анод диода 57 и дальше не проходит. Конденсатор 59 разряжен и на выходе 44 реагирующего органа 10 сигнала нет. Аналогично отсутствуют сигналы на выходах реагирующих органов 8, 9. С выходов реагирующих органов 8, 9, 10 (фиг.1) на соответствующие входы логического элемента ИЛИ 15 ни одного сигнала не поступает, что обуславливает отсутствие сигнала на выходе логического элемента ИЛИ 15, а следовательно, и на первом входе логического элемента И-НЕ 16, на второй вход которого поступает единичный сигнал положительной полярности с выхода органа памяти 11. Поскольку на один вход логического элемента И-НЕ 16 сигнал приходит, а на другой – нет, то на его выходе присутствует единичный сигнал положительной полярности. Этот сигнал поступает на вход второго элемента сигнализации 19 (фиг.1). Поскольку полярность этого сигнала положительная и величина приблизительно равна величине напряжения питания, то соответствующий светодиод находится в закрытом состоянии (ток через него не протекает) и сигнализации о нарушении контактных соединений не происходит. Этот же сигнал поступает с выхода логического элемента И-НЕ 16 на вход второго органа выдержки времени 17, на выходе которого (по аналогии с первым органом выдержки времени 12) появляется единичный сигнал отрицательный полярности. Далее с выхода второго органа выдержки времени 17 этот сигнал отрицательной полярности поступает на вход второго выходного органа 18 (фиг.1), который не срабатывает и не формирует сигнала о нарушении контактных соединений в пучке кабелей.
Для проверки исправности реагирующего органа 7 и последующих блоков предлагаемого устройства необходимо нажать электрическую кнопку 35, входящую в состав реагирующего органа 7 (фиг.2). При этом сигнал отрицательной полярности поступает на инвертирующий вход операционного усилителя 32, вызывая появление единичного положительного сигнала на его выходе и выходе реагирующего органа 7. Этот сигнал поступает на вход блока памяти 11, в результате чего единичный сигнал с его выхода снимается. Начинает светиться светодиод, входящий в состав первого элемента сигнализации 14. Если продолжать удерживать кнопку 35 в нажатом состоянии, то с соответствующей выдержкой времени сработает первый орган выдержки времени 12, а затем – первый выходной орган 13, формируя сигнал на отключение выключателя 21. Если проверка ведется на работающем оборудовании, то перед нажатием электрической кнопки 35 необходимо, например, снять оперативный ток с привода выключателя или «заблокировать» защиту любым другим известным способом.
Для проверки исправности токового органа 10 и последующих блоков предлагаемого устройства необходимо нажать электрическую кнопку 52, входящую в состав токового органа 10 (фиг.3). При этом сигнал отрицательной полярности поступает на инвертирующий вход операционного усилителя 49, вызывая появление единичного положительного сигнала на его выходе и выходе токового органа 10. Этот сигнал, пройдя через логические элементы ИЛИ 15 и И-НЕ 16, приводит к срабатыванию второго элемента сигнализации 19, в результате чего начинает светиться светодиод, входящий в его состав. Если продолжать удерживать кнопку 52 в нажатом состоянии, то с соответствующей выдержкой времени сработает второй орган выдержки времени 17, а затем – второй выходной орган 18, формируя сигнал о нарушении контактных соединений в кабельном пучке. Исправность токовых органов 8 и 9 проверяется аналогично.
Если при нажатии электрических кнопок 35 и 52 поведение предлагаемого устройства для защиты от замыканий на землю не соответствует описанному выше, его следует считать неисправным, вывести из работы и отремонтировать.
Рассмотрим работу предлагаемого устройства защиты при внешнем замыкании на землю, то есть при замыкании на землю на одном из «соседних» присоединений.
В этом случае по каждому из кабелей 4, 5, 6 (фиг.1) протекают примерно одинаковые токи нулевой последовательности – их собственные емкостные токи и часть емкостного тока нагрузки. Во вторичных обмотках кабельных трансформаторов тока нулевой последовательности 1, 2, 3, установленных на этих кабелях, возникают одинаково направленные и приблизительно равные по величине электродвижущие силы и токи. Эти токи от вторичных обмоток кабельных трансформаторов тока нулевой последовательности 1, 2, 3 протекают через соответствующие токовые органы 8, 9, 10, затем суммируются, и суммарный ток протекает через реагирующий орган 7.
Ток, протекающий по реагирующему органу 7 (фиг.1), протекает одновременно и по первичной обмотке датчика тока 28 (фиг.2), принадлежащего этому реагирующему органу. На верхнем выводе вторичной обмотки этого датчика тока появляется соответствующее напряжение. Это напряжение поступает на вход фильтра, состоящего из резистора 29 и конденсатора 30, и предназначенного для выделения из входного сигнала составляющей частотой 50 Гц. Затем через балластный резистор 31 этот сигнал подается на инвертирующий вход операционного усилителя 32. Но, поскольку на инвертирующем входе операционного усилителя 32 уже присутствует сигнал положительной полярности, поступающий с нижнего вывода резистора 37, то суммарный сигнал на инвертирующем входе этого операционного усилителя будет определяться их суммой. Величина сигнала, поступающего с нижнего вывода резистора 37, определяет ток срабатывания защиты и регулируется с помощью регулировочного резистора 38. Так как предлагаемое устройство для защиты от замыканий на землю является ненаправленным, то оно должно быть отстроено по току срабатывания от собственного емкостного тока защищаемого присоединения и от токов небаланса. Эта отстройка достигается тем, что величина постоянного сигнала, поступающего на инвертирующий вход операционного усилителя 32 с нижнего вывода резистора 37, устанавливается большей амплитудного значения синусоидального сигнала, поступающего со стороны балластного резистора 31 в режиме внешнего замыкания на землю. Таким образом, полярность суммарного сигнала на инвертирующем входе операционного усилителя 32 остается положительной, как и в нормальном режиме работы схемы без замыканий на землю. Сигнал на выходе операционного усилителя 32 имеет по-прежнему отрицательную полярность, что обуславливает на выходе 27 реагирующего органа 7 наличие сигнала отрицательной полярности незначительной величины, равной падению напряжения на диоде 41.
С выхода реагирующего органа 7 этот сигнал поступает на вход блока памяти 11, а значит и на базу транзистора 61 (фиг.4). Поскольку полярность этого сигнала отрицательная, то транзистор 61 закрыт, конденсатор 66 полностью разряжен и на вход логического элемента НЕ 64 сигнал не поступает, что обуславливает наличие на выходе этого логического элемента единичного сигнала положительной полярности.
С выхода блока памяти 11 этот единичный сигнал поступает на вход первого элемента сигнализации 14 и на второй вход логического элемента И-НЕ 16 (фиг.1). Поскольку полярность этого сигнала положительная и величина приблизительно равна величине напряжения питания, то светодиод 83 (фиг.7), входящий в состав первого элемента сигнализации 14, находится в закрытом состоянии (ток через него не протекает) и сигнализации о срабатывании защиты от замыканий на землю не происходит.
С выхода блока памяти 11 единичный сигнал поступает также на вход первого органа выдержки времени 12 (фиг.5). Поскольку перед тем, как произошло внешнее замыкание на землю был нормальный режим работы, то конденсатор 69 по-прежнему находится в заряженном состоянии и на инвертирующий вход операционного усилителя 72 с первого вывода конденсатора 69 через делитель 70, 71 поступает напряжение положительной полярности, которое по величине превышает напряжение, поступающее на не инвертирующий вход операционного усилителя 72. Поэтому на выходе операционного усилителя 72 присутствует единичный сигнал отрицательной полярности.
Далее с выхода первого органа выдержки времени 12 этот сигнал поступает на вход первого выходного органа 13 (фиг.1), а значит на базу транзистора 77 (фиг.6). Поскольку полярность этого сигнала отрицательная, то транзистор 77 закрыт и обмотка малогабаритного реле 79 не обтекается током. Следовательно, замыкающий контакт 81 реле 79 остается разомкнутым, и формирования сигнала на отключение выключателя 21 не происходит.
Рассмотрим теперь работу токовых органов 8, 9, 10 в режиме внешнего замыкания на землю. Через эти токовые органы также протекают токи нулевой последовательности, только их величина приблизительно в три раза меньше тока через реагирующий орган 7. Поскольку исполнение токовых органов 8, 9, 10 одинаково и токи, протекающие через них, имеют примерно одинаковую величину, то работу этих органов рассмотрим на примере токового органа 10 (фиг.3).
Ток, протекающий по токовому органу 10, течет по первичной обмотке датчика тока 45 (фиг.3), принадлежащего этому токовому органу. На верхнем выводе вторичной обмотки этого датчика тока появляется соответствующее напряжение. Это напряжение поступает на вход фильтра, состоящего из резистора 46 и конденсатора 47, и предназначенного для выделения из входного сигнала составляющей частотой 50 Гц. Затем через балластный резистор 48 этот сигнал подается на инвертирующий вход операционного усилителя 49. Но поскольку на инвертирующем входе операционного усилителя 49 уже присутствует постоянный сигнал положительной полярности, поступающий с нижнего вывода резистора 54, то суммарный сигнал на инвертирующем входе этого операционного усилителя будет определяться их суммой. Токовый орган 10 так же как и реагирующий орган 7 не должен срабатывать при внешнем замыкании на землю. Для этого с помощью регулировочного резистора 55 устанавливают такую величину постоянного сигнала, поступающего на инвертирующий вход операционного усилителя 49 с нижнего вывода резистора 54, которая превышает амплитудное значение синусоидального сигнала, поступающего со стороны балластного резистора 48 в режиме внешнего замыкания на землю. Таким образом, полярность суммарного сигнала на инвертирующем входе операционного усилителя 49 остается положительной, как и в нормальном режиме работы схемы без замыканий на землю. Поэтому на выходе операционного усилителя 49 по-прежнему присутствует сигнал отрицательной полярности, который поступает на анод диода 57 и дальше не проходит. Конденсатор 59 разряжен и на выходе 44 токового органа 10 сигнала нет.
Аналогично отсутствуют сигналы на выходах токовых органов 8, 9. С выходов токовых органов 8, 9, 10 (фиг.1) на соответствующие входы логического элемента ИЛИ 15 ни одного единичного сигнала не поступает, что обуславливает отсутствие сигнала на выходе логического элемента ИЛИ 15, а следовательно, и на первом входе логического элемента И-НЕ 16, на второй вход которого поступает единичный сигнал положительной полярности с выхода блока памяти 11. Поскольку на один вход логического элемента И-НЕ 16 сигнал приходит, а на другой – нет, то на его выходе присутствует единичный сигнал положительной полярности. Этот сигнал поступает на вход второго элемента сигнализации 19 (фиг.1). Поскольку полярность этого сигнала положительная и величина приблизительно равна величине напряжения питания, то соответствующий светодиод находится в закрытом состоянии (ток через него не протекает) и сигнализации о нарушении контактных соединений не происходит. Этот же сигнал поступает с выхода логического элемента И-НЕ 16 на вход второго органа выдержки времени 17, на выходе которого (по аналогии с первым органом выдержки времени 12) присутствует единичный сигнал отрицательный полярности. Далее с выхода второго органа выдержки времени 17 этот сигнал отрицательной полярности поступает на вход второго выходного органа 18 (фиг.1), который не срабатывает и не формирует сигнала о нарушении контактных соединений в пучке кабелей.
Рассмотрим теперь работу схемы защиты при внутреннем замыкании на землю, то есть при замыкании на землю на одном из кабелей, входящих в пучок, или на кабеле, от которого непосредственно питается нагрузка 23 (фиг.1). При этом будем считать, что ток в месте замыкания имеет непрерывный характер.
Если замыкание на землю произойдет непосредственно на шинах потребителя 23, то емкостный ток других присоединений, протекающий со стороны секции сборных шин 22 к месту замыкания, примерно одинаково распределится по кабелям 4, 5, 6. Таким образом, токи нулевой последовательности, протекающие по кабелям 4, 5, 6 будут иметь приблизительно одинаковые значения. Следовательно, токи, возникшие во вторичных обмотках трансформаторов тока нулевой последовательности 1, 2, 3, будут иметь одинаковое направление и приблизительно одинаковые величины.
Если же замыкание на землю произойдет на одном из кабелей, входящем в пучок, то емкостный ток других присоединений, протекающий со стороны секции сборных шин 22 к месту замыкания, будет распределяться по кабелям в зависимости от месторасположения точки замыкания. Если, например, замыкание произойдет на кабеле 6 недалеко от секции сборных шин 22, то большая часть емкостного тока будет протекать к месту замыкания по кабелю 6, а оставшаяся часть тока потечет по кабелям 4, 5 и затем по кабелю 6 к месту замыкания. Токи, возникающие при этом во вторичных обмотках трансформаторов тока нулевой последовательности 1, 2, 3, будут иметь одинаковое направление, но разные величины.
В обоих случаях – как при замыкании на землю на одном из кабелей, входящих в пучок, так и при замыкании на шинах нагрузки 23, – токи, возникающие во вторичных обмотках трансформаторов тока нулевой последовательности 1, 2, 3 имеют одинаковое направление и протекают по соответствующим токовым органам 8, 9, 10, затем суммируются, и суммарный ток протекает через реагирующий орган 7, причем в обоих случаях этот ток будет иметь приблизительно одну и ту же величину.
Ток, протекающий по реагирующему органу 7 (фиг.1), протекает одновременно и по первичной обмотке датчика тока 28 (фиг.2), принадлежащего этому реагирующему органу. На верхнем выводе вторичной обмотки этого датчика тока появляется соответствующее напряжение. Это напряжение поступает на вход фильтра, состоящего из резистора 29 и конденсатора 30 и предназначенного для выделения из входного сигнала составляющей частотой 50 Гц. Затем через балластный резистор 31 этот сигнал подается на инвертирующий вход операционного усилителя 32. Но поскольку на инвертирующем входе операционного усилителя 32 уже присутствует постоянный сигнал положительной полярности, поступающий с нижнего вывода резистора 37, то теперь суммарный сигнал на инвертирующем входе этого операционного усилителя будет определяться их суммой.
Величина сигнала, поступающего с нижнего вывода резистора 37, определяет ток срабатывания защиты и регулируется с помощью регулировочного резистора 38. Так как предлагаемое устройство для защиты от замыканий на землю является ненаправленным, то оно должно быть отстроено по току срабатывания от собственного емкостного тока защищаемого присоединения. Эта отстройка достигается тем, что величина постоянного сигнала, поступающего на инвертирующий вход операционного усилителя 32 с нижнего вывода резистора 37, устанавливается большей амплитудного значения синусоидального сигнала, поступающего со стороны балластного резистора 31 в режиме внешнего замыкания на землю.
При внутреннем замыкании на землю суммарный ток нулевой последовательности, протекающий по кабелям, входящим в пучок, больше, чем при внешнем. При этом амплитудное значение синусоидального сигнала, поступающего на инвертирующий вход операционного усилителя 32, оказывается больше величины постоянного сигнала, поступающего с нижнего вывода резистора 37. Поэтому в те моменты времени, когда это превышение имеет место при отрицательной полуволне сигнала, поступающего со стороны балластного резистора 31, полярность суммарного сигнала на инвертирующем входе операционного усилителя 32 оказывается отрицательной, что приводит к формированию на его выходе единичного сигнала положительной полярности. Этот сигнал через резистор 40 поступает на выход 27 реагирующего органа 7. В те моменты времени, когда полярность суммарного сигнала на инвертирующем входе операционного усилителя 32 положительная, на его выходе формируется единичный сигнал отрицательной полярности. Этот сигнал проходит через резистор 40, шунтируется диодом 41 на общий провод и на выходе 27 реагирующего органа 7 появляется сигнал отрицательной полярности незначительной величины, равной падению напряжения на диоде 41. Таким образом, при срабатывании реагирующего органа 7 на его выходе появляется сигнал, представляющий собой последовательность импульсов положительной и отрицательной полярности, причем импульсы отрицательной полярности имеют незначительную величину.
Затем с выхода реагирующего органа 7 этот сигнал поступает на вход блока памяти 11 (фиг.1), одновременно попадая на базу транзистора 61 (фиг.4). При поступлении импульса положительной полярности на базу транзистора 61, он открывается и замыкает цепочку заряда конденсатора 66 (через диод 63 и резистор 62, величина сопротивления которого незначительна). Конденсатор 66 быстро заряжается. После импульса положительной полярности на базу транзистора 61 поступает импульс отрицательной полярности незначительной величины, что приводит к закрытию транзистора 61. Теперь конденсатор 66 начинает разряжаться через резистор 65. Но поскольку сопротивление резистора 65 принимается значительно большим сопротивления резистора 62, то разряд конденсатора 66 происходит значительно медленнее, чем его заряд при открытом транзисторе 61. При поступлении следующего импульса положительной полярности на базу транзистора 61, он вновь открывается, и напряжение на конденсаторе 66 увеличиваться.
Напряжение с конденсатора 66 подается на вход логического элемента НЕ 64. В нормальном режиме до возникновения замыкания на землю на вход логического элемента НЕ 64 напряжение не поступало, что обуславливало наличие единичного сигнала положительной полярности на его выходе. Теперь, после возникновения внутреннего замыкания на землю, напряжение на конденсаторе 66 и, следовательно, на входе логического элемента НЕ 64 быстро увеличивается и через незначительный промежуток времени достигает величины, при превышении которой единичный сигнал с выхода этого логического элемента исчезает. Таким образом, сигнал с выхода логического элемента НЕ 64 исчезает, и на выходе блока памяти 11 сигнала нет. Начинает светиться светодиод, входящий в состав первого элемента сигнализации 14.
Перестает поступать сигнал на вход первого органа выдержки времени 12 (фиг.1). Теперь напряжение на первом выводе конденсатора 69 (фиг.2) начинает уменьшаться, так как он разряжается через делитель из последовательно включенных резисторов 70, 71 и не подзаряжается со стороны входа блока. Величина напряжения, поступающего на инвертирующий вход операционного усилителя 72, начинает уменьшаться, и то время, за которое оно снизится до величины напряжения, поступающего на не инвертирующий вход операционного усилителя 72, определяет время срабатывания защиты. Время срабатывания защиты определяется величиной сигнала, поступающего на не инвертирующий вход операционного усилителя 72, и регулируется с помощью регулировочного резистора 73. После того, как величина напряжения на инвертирующем входе операционного усилителя 72 станет меньше величины напряжения на его не инвертирующем входе, полярность единичного сигнала на выходе операционного усилителя 72 изменится с отрицательной на положительную. Таким образом, после исчезновения сигнала со входа первого органа выдержки времени 12 через заранее заданное время на его выходе появится единичный сигнал положительной полярности.
Этот единичный сигнал с выхода первого органа выдержки времени 12 поступает на вход первого выходного органа 13 (фиг.1), а значит и на базу транзистора 77 (фиг.6), работающего в режиме эмиттерного повторителя. При этом сработает реле 79 и замкнет свой контакт 81, который подаст сигнал на отключение выключателя 21.
Рассмотрим теперь случай, когда при замыкании на землю возникает дуга, имеющая перемежающийся характер. Если при этом предлагаемое устройство по условию селективности должно работать с выдержкой времени, то возникает опасность его отказа при перемежающейся дуге в месте замыкания. При этом ток нулевой последовательности, протекающий по реагирующему органу 7, имеет прерывистый характер (фиг.8, а). Периоды времени, когда ток по защите протекает, сменяют бестоковые паузы, когда тока нет (фиг.8, а), причем бестоковые паузы могут длиться более десятка периодов промышленной частоты.
Пока ток протекает, с выхода реагирующего органа 7 выдаются импульсы положительной полярности на вход блока памяти 11, а значит и на базу транзистора 61 (фиг.4). Транзистор 61 открывается и замыкает цепочку заряда конденсатора 66 (через диод 63 и резистор 62, величина сопротивления которого незначительна). Конденсатор 66 быстро заряжается. Напряжение с конденсатора 66 подается на вход логического элемента НЕ 64. В нормальном режиме до возникновения замыкания на землю на вход логического элемента НЕ 64 напряжение не поступало, что обуславливало наличие единичного сигнала положительной полярности на его выходе. Теперь, после возникновения внутреннего замыкания на землю, напряжение на конденсаторе 66 и, следовательно, на входе логического элемента НЕ 64 быстро увеличивается (фиг.8, а) и через незначительный промежуток времени достигает величины, при превышении которой единичный сигнал с выхода этого логического элемента исчезает. Таким образом, практически сразу после возникновения замыкания на землю исчезает сигнал с выхода блока памяти 11. При этом начинает светиться светодиод, входящий в состав первого элемента сигнализации 14. Одновременно исчезает сигнал и со входа первого органа выдержки времени 12. Первый орган выдержки времени 12 начинает отсчитывать время в соответствии с выставленной на нем уставкой, по истечении которого единичный сигнал на его выходе должен изменить полярность с отрицательной на положительную. Если установленная на нем уставка окажется больше продолжительности протекания тока нулевой последовательности, то возникает опасность того, что во время бестоковой паузы первый орган выдержки времени 12 вернется в исходное состояние и «сбросит» набранный отсчет времени. Чтобы этого не произошло, как раз и нужен блок памяти 11 (фиг.1, фиг.4).
После погасания дуги в месте замыкания ток нулевой последовательности через реагирующий орган 7 перестанет протекать (фиг.8, а), и на вход блока памяти 11 (база транзистора 61) перестанут поступать импульсы положительной полярности. Конденсатор 66 начнет разряжаться через резистор 65. Но при этом на выходе логического элемента НЕ 64 единичный сигнал не появится, пока напряжение на входе этого логического элемента не снизится ниже определенного уровня. Сопротивление резистора 65 и емкость конденсатора 66 выбраны таким образом, чтобы на выходе логического элемента НЕ 64 сигнал отсутствовал примерно 250-300 миллисекунд после погасания дуги, то есть в бестоковую паузу (фиг.8, а). Все это время первый орган выдержки времени 12 продолжает отсчитывать время.
Если на протяжении этого времени дуга загорится вновь (фиг.8, а), то на вход блока памяти 11 с выхода реагирующего органа 7 снова начнут поступать положительные импульсы, напряжение на конденсаторе 66 вновь возрастет (фиг.8, а). После того как первый орган выдержки времени 12 отсчитает установленную на нем выдержку времени, полярность сигнала не его выходе изменится с отрицательной на положительную. С выхода первого органа выдержки времени 12 единичный сигнал положительной полярности поступит на вход первого выходного органа 13 (фиг.1), а значит и на базу транзистора 77 (фиг.6), работающего в режиме эмиттерного повторителя. При этом сработает реле 79 и замкнет свой контакт 81, который подаст сигнал на отключение выключателя 21.
Если же во второй раз дуга не загорается (фиг.8, б), то через 250-300 миллисекунд после ее погасания напряжение на конденсаторе 66 уменьшается до уровня, при котором на выходе логического элемента НЕ 64 появляется единичный сигнал положительной полярности. Первый орган выдержки времени 12 «сбрасывает» набранный отсчет времени (напряжение на конденсаторе 69 начинает вновь расти (фиг.5)) и в результате срабатывания защиты не происходит.
Рассмотрим теперь работу токовых органов 8, 9, 10 в режиме внутреннего замыкания на землю. В зависимости от того, в каком месте произойдет замыкание на землю, токи нулевой последовательности, протекающие к месту замыкания, распределятся по кабелям в разных пропорциях. Следовательно, вторичные токи трансформаторов тока нулевой последовательности 1, 2, 3, протекающие по соответствующим токовым органам 8, 9, 10, также будут отличаться друг от друга по величине. Поскольку исполнение токовых органов 8, 9, 10 одинаково, то их работу рассмотрим на примере токового органа 10 (фиг.3). При этом предполагаем, что через токовый орган 10 протекает достаточный для его срабатывания ток.
Ток, протекающий по токовому органу 10, будет протекать одновременно и по первичной обмотке датчика тока 45 (фиг.3), принадлежащего этому органу. На верхнем выводе вторичной обмотки этого датчика тока появляется соответствующее напряжение. Это напряжение поступает на вход фильтра, состоящего из резистора 46 и конденсатора 47, и предназначенного для выделения из входного сигнала составляющей частотой 50 Гц. Затем через балластный резистор 48 этот сигнал подается на инвертирующий вход операционного усилителя 49. Но поскольку на инвертирующем входе операционного усилителя 49 уже присутствует постоянный сигнал положительной полярности, поступающий с нижнего вывода резистора 54, то теперь суммарный сигнал на инвертирующем входе этого операционного усилителя будет определяться их суммой.
Амплитудное значение синусоидального сигнала, поступающего на инвертирующий вход операционного усилителя 49, больше величины постоянного сигнала, поступающего с нижнего вывода резистора 54. Поэтому в те моменты времени, когда это превышение имеет место при отрицательной полярности сигнала, поступающего со стороны балластного резистора 48, полярность суммарного сигнала на инвертирующем входе операционного усилителя 49 оказывается отрицательной, что приводит к формированию на его выходе единичного сигнала положительной полярности. Этот сигнал проходит через диод 57 и через резистор 58 заряжает конденсатор 59. На протяжении следующего времени, когда полярность суммарного сигнала на инвертирующем входе операционного усилителя 49 положительная и на его выходе соответственно присутствует сигнал отрицательной полярности, конденсатор 59 разряжается через резистор 60. При этом разряд конденсатора 59 происходит во много раз медленнее, чем его заряд, так как сопротивление резистора 60 принимается во много раз большим сопротивления резистора 58. Таким образом, на выходе 44 токового органа 10 формируется сигнал положительной полярности, который поступает затем на один из входов логического элемента ИЛИ 15, два других входа которого соединены с соответствующими выходами токовых органов 8, 9. Поскольку на один из входов логического элемента ИЛИ 15 поступил сигнал положительной полярности, то на его выходе также формируется единичный сигнал, в независимости от того, есть ли сигналы на других его входах. На выходах токовых органов 8, 9 также могут присутствовать сигналы положительной полярности, которые поступают затем на соответствующие входы логического элемента ИЛИ 15.
Таким образом, на выходе логического элемента ИЛИ 15 присутствует единичный сигнал, который затем поступает на первый вход логического элемента И-НЕ 16. Поскольку на второй вход логического элемента И-НЕ 16 с выхода блока памяти 11 сигнал не поступает, то вне зависимости от того, сколько токовых органов сработало, а также при несрабатывании ни одного из них, на выходе логического элемента И-НЕ 16 будет присутствовать единичный сигнал положительной полярности.
Этот сигнал поступает на вход второго элемента сигнализации 19 (фиг.1). Поскольку полярность этого сигнала положительная и величина приблизительно равна величине напряжения питания, то соответствующий светодиод находится в закрытом состоянии (ток через него не протекает) и сигнализации о нарушении контактных соединений не происходит. Этот же сигнал поступает с выхода логического элемента И-НЕ 16 на вход второго органа выдержки времени 17, на выходе которого (по аналогии с первым органом выдержки времени 12) присутствует единичный сигнал отрицательной полярности. Далее с выхода второго органа выдержки времени 17 этот сигнал отрицательной полярности поступает на вход второго выходного органа 18 (фиг.1), который не срабатывает и не формирует сигнала о нарушении контактных соединений в пучке кабелей.
Рассмотрим теперь работу схемы защиты при нарушении одного из контактных соединений в кабельном пучке.
При нарушении одного из контактных соединений в кабельном пучке (например, в фазе А кабеля 6 в точке 24) ток в соответствующей фазе кабеля уменьшается. Но, поскольку суммарный ток в фазе А потребителя 23 определяется, в основном, сопротивлением потребителя, а не кабеля (сопротивление кабеля чрезвычайно мало по сравнению с сопротивлением потребителя), суммарный ток в фазе А потребителя практически остается прежним, следовательно возрастают на соответствующую величину токи в фазе А оставшихся исправными кабелей 4 и 5. На фиг.9, б показана векторная диаграмма фазных токов в кабеле 6 в рассматриваемом режиме. Предполагается, что ток в фазе А продолжает протекать, но его величина уменьшилась по сравнению с токами в фазах В и С. Из фиг.9, б видно, что сумма токов в фазах кабеля 6 уже не равна нулю, она равна . Это эквивалентно появлению в кабеле 6 тока нулевой последовательности, причем этот ток может достигать весьма большой величины, соизмеримой с фазным током нагрузки. В результате во вторичной обмотке кабельного трансформатора тока нулевой последовательности 3 возникает электродвижущая сила и ток, путь протекания которого будет рассмотрен ниже.
Токи в фазе А неповрежденных кабелей 4 и 5 увеличились и стали больше токов в фазах В и С (фиг.9, в). В результате суммарные магнитные потоки в кабельных трансформаторах тока нулевой последовательности 1 и 2 тоже стали отличными от нуля. Во вторичных обмотках этих трансформаторов тока нулевой последовательности появились электродвижущие силы и токи, направленные противоположно соответствующим электродвижущей силе и току во вторичной обмотке трансформатора тока нулевой последовательности 3 и равные примерно их половине. Далее все эти токи от вторичных обмоток трансформаторов тока нулевой последовательности 1, 2, 3 протекают через соответствующие токовые органы 8, 9, 10 (фиг.1), затем суммируются с учетом знаков, и суммарный ток протекает через реагирующий орган 7. Если бы трансформаторы тока нулевой последовательности 1, 2, 3 обладали абсолютно идентичными характеристиками намагничивания, то их вторичные токи в сумме дали бы ноль и ток через реагирующий орган 7 равнялся бы нулю, так как первичный ток нулевой последовательности, появившийся в кабеле 6, равен сумме первичных токов нулевой последовательности в кабелях 4, 5 и имеет обратную им полярность. В действительности характеристики намагничивания кабельных трансформаторов тока нулевой последовательности отличаются друг от друга и при одинаковых первичных токах в их вторичных обмотках появляются разные по величине электродвижущие силы и токи, что приводит к появлению в реагирующем органе 7 тока небаланса. Величина этого тока небаланса будет зависеть от степени различия характеристик намагничивания, а также от величин первичных токов. Например, в [Сирота И.М. Трансформаторы и фильтры напряжения и тока нулевой последовательности. – Киев: Наукова думка, 1983. – 268 с.] указано, что при одинаковых первичных токах через трансформаторы тока нулевой последовательности их вторичные электродвижущие силы могут отличаться в два раза. Лабораторные эксперименты, проведенные на кафедре электрических станций в Новосибирском государственном техническом университете с кабельными трансформаторами тока нулевой последовательности типа ТЗЛМ и ТЗЛМ-1, показали, что действительно при одних и тех же первичных токах величины электродвижущих сил и токов, возникающих во вторичной обмотке, могут значительно отличаться для разных трансформаторов тока нулевой последовательности.
Поэтому через реагирующий орган 7 будет протекать ток небаланса, обусловленный различием в характеристиках намагничивания трансформаторов тока нулевой последовательности 1, 2, 3. Поскольку при нарушении контактного соединения сопротивление в месте подключения кабеля, как правило, не увеличивается сразу до большой величины, то появившиеся за счет этого токи нулевой последовательности в кабелях не очень велики, а следовательно, и ток небаланса, протекающий по реагирующему органу 7, будет небольшим.
Ток, протекающий по реагирующему органу 7 (фиг.1), протекает одновременно и по первичной обмотке датчика тока 28 (фиг.2), принадлежащего этому органу. На верхнем выводе вторичной обмотки этого датчика тока появляется соответствующее напряжение. Это напряжение поступает на вход фильтра, состоящего из резистора 29 и конденсатора 30 и предназначенного для выделения из входного сигнала составляющей частотой 50 Гц. Затем через балластный резистор 31 этот сигнал подается на инвертирующий вход операционного усилителя 32. Но поскольку на инвертирующем входе операционного усилителя 32 уже присутствовал постоянный сигнал положительной полярности, поступающий с нижнего вывода резистора 37, то теперь суммарный сигнал на инвертирующем входе этого операционного усилителя будет определяться их суммой. Величина сигнала, поступающего с нижнего вывода резистора 37, превышает амплитудное значение сигнала, поступающего с балластного резистора 31, поскольку последний обусловлен током небаланса небольшой величины. В результате полярность суммарного сигнала на инвертирующем входе операционного усилителя 32 остается положительной, как и в нормальном режиме работы схемы без нарушения контактных соединений. Сигнал на выходе операционного усилителя 32 имеет по-прежнему отрицательную полярность, что обуславливает на выходе 27 реагирующего органа 7 наличие сигнала отрицательной полярности незначительной величины, равной падению напряжения на диоде 41.
С выхода реагирующего органа 7 этот сигнал поступает на вход блока памяти 11, а значит и на базу транзистора 61 (фиг.4). Поскольку полярность этого сигнала отрицательная, то транзистор 61 закрыт, конденсатор 66 полностью разряжен и на вход логического элемента НЕ 64 сигнал не поступает, что обуславливает наличие на выходе этого логического элемента единичного сигнала положительной полярности.
С выхода блока памяти 11 этот единичный сигнал поступает на вход первого элемента сигнализации 14 и на второй вход логического элемента И-НЕ 16 (фиг.1). Поскольку полярность этого сигнала положительная и величина приблизительно равна величине напряжения питания, то светодиод 83 (фиг.7), входящий в состав первого элемента сигнализации 14, находится в закрытом состоянии (ток через него не протекает) и сигнализации о срабатывании защиты от замыканий на землю не происходит. С выхода блока памяти 11 единичный сигнал поступает также на вход первого органа выдержки времени 12 (фиг.5). Поскольку перед тем, как произошло нарушение контактных соединений был нормальный режим работы, то конденсатор 69 по-прежнему находится в заряженном состоянии и на инвертирующий вход операционного усилителя 72 с первого вывода конденсатора 69 через делитель 70, 71 поступает напряжение положительной полярности, которое по величине превышает напряжение, поступающее на не инвертирующий вход операционного усилителя 72. Поэтому на выходе операционного усилителя 72 присутствует единичный сигнал отрицательной полярности.
Далее с выхода первого органа выдержки времени 12 этот сигнал поступает на вход первого выходного органа 13 (фиг.1), а значит на базу транзистора 77 (фиг.6). Поскольку полярность этого сигнала отрицательная, то транзистор 77 закрыт и обмотка малогабаритного реле 79 не обтекается током. Следовательно, замыкающий контакт 81 реле 79 остается разомкнутым, и формирования сигнала на отключение выключателя 21 не происходит.
Вернемся теперь к описанию работы токовых органов 8, 9, 10 при нарушении контактного соединения фазы А кабеля 6 в точке 24 (фиг.1). Как уже было описано выше, величина тока нулевой последовательности, возникшего при этом в кабеле 6, будет приблизительно в два раза больше величин токов нулевой последовательности в кабелях 4 и 5, а следовательно, и вторичный ток трансформатора тока нулевой последовательности 3, протекающий через токовый орган 10, будет приблизительно в два раза превышать вторичные токи трансформаторов тока нулевой последовательности 1 и 2, протекающих через соответствующие токовые органы 8 и 9. Поэтому в случае постепенного ухудшения контактного соединения и, следовательно, при постепенном росте токов через токовые органы 8, 9, 10 первым сработает токовый орган 10.
Ток, протекающий по токовому органу 10 (фиг.1), будет протекать одновременно и по первичной обмотке датчика тока 45 (фиг.3), принадлежащего этому органу. На верхнем выводе вторичной обмотки этого датчика тока появляется соответствующее напряжение. Это напряжение поступает на вход фильтра, состоящего из резистора 46 и конденсатора 47 и предназначенного для выделения из входного сигнала составляющей частотой 50 Гц. Затем через балластный резистор 48 этот сигнал подается на инвертирующий вход операционного усилителя 49. Но поскольку на инвертирующем входе операционного усилителя 49 уже присутствовал постоянный сигнал положительной полярности, поступающий с нижнего вывода резистора 54, то теперь суммарный сигнал на инвертирующем входе этого операционного усилителя будет определяться их суммой.
Так как при нарушении контактного соединения амплитудное значение синусоидального сигнала, поступающего со стороны балластного резистора 48, уже превышает значение положительного постоянного сигнала, поступающего с нижнего вывода резистора 54, то в те моменты времени, когда это превышение имеет место при отрицательной полуволне сигнала, поступающего со стороны балластного резистора 48, полярность суммарного сигнала на инвертирующем входе операционного усилителя 49 оказывается отрицательной, что приводит к формированию на его выходе единичного сигнала положительной полярности.
Этот сигнал проходит через диод 57 и через резистор 58 заряжает конденсатор 59. На протяжении следующего периода времени, когда полярность суммарного сигнала на инвертирующем входе операционного усилителя 49 положительная и на его выходе соответственно присутствует сигнал отрицательной полярности, конденсатор 59 разряжается через резистор 60. При этом разряд конденсатора 59 происходит во много раз медленнее, чем его заряд, так как сопротивление резистора 60 принимается во много раз большим сопротивления резистора 58. Таким образом, на выходе 44 токового органа 10 формируется сигнал положительной полярности, который поступает затем на один из входов логического элемента ИЛИ 15, два других входа которого соединены с соответствующими выходами токовых органов 8, 9. Поскольку на один из входов логического элемента ИЛИ 15 поступил сигнал положительной полярности, то на его выходе также формируется единичный сигнал вне зависимости от того, есть ли сигналы на других его входах. На выходе токовых органов 8, 9 сигналы могут отсутствовать, так как токи, протекающие через эти органы, приблизительно в два раза меньше тока через токовый орган 10. Но в то же время, если сопротивление в месте нарушения контактного соединения увеличилось и через токовые органы 8, 9 протекают достаточно большие токи, превышающие их порог срабатывания, то и с их выходов на соответствующие входы логического элемента ИЛИ 15 поступят сигналы положительной полярности.
Таким образом, на выходе логического элемента ИЛИ 15 присутствует единичный сигнал, который затем поступает на первый вход логического элемента И-НЕ 16, на второй вход которого изначально поступает единичный сигнал с выхода блока памяти 11. Поскольку теперь на обоих входах логического элемента И-НЕ 16 присутствуют единичные сигналы, то сигнал с выхода этого элемента исчезает. Следовательно, исчезает сигнал и на входе второго элемента сигнализации 19, что вызывает свечение соответствующего светодиода (по аналогии с работой элемента сигнализации 14). Поскольку теперь нет сигнала и на входе второго органа выдержки времени 17, то он (аналогично первому органу выдержки времени 12 в режиме внутреннего замыкания на землю) начинает отсчет выставленной на нем уставки времени, спустя которое на его выходе появляется положительный единичный сигнал. Этот сигнал поступает на вход второго выходного органа 18, который формирует сигнал о нарушении контактных соединений в пучке кабелей.
Если же своевременно не обратить внимания на сигнализацию о нарушении контактного соединения и не принять соответствующих мер по восстановлению его исправности, то с течением времени сопротивление в месте нарушения контакта может возрасти очень существенно, что приведет к появлению в кабелях токов нулевой последовательности большой величины. В результате ток небаланса в дифференциальной цепи защиты может вырасти настолько, что превысит порог срабатывания реагирующего органа 7, что приведет к срабатыванию защиты и отключению защищаемого присоединения.
Предотвратить ложное срабатывание защиты можно, только восстановив исправность контактного соединения 24.
В прототипе нет средств для своевременного информирования обслуживающего персонала о том, что контактное соединение нарушено. Из описанного видно, что предлагаемое устройство, в отличие от прототипа, способно своевременно информировать обслуживающий персонал о нарушении контактных соединений в защищаемом кабельном пучке. По выданному предлагаемым устройством сигналу обслуживающий персонал должен при первой же возможности вывести в ремонт защищаемое присоединение и привести контактные соединения в порядок.
Кроме того, предлагаемое устройство способно отключать защищаемое присоединение при однофазном замыкании на землю, сопровождающемся перемежающейся дугой, даже если продолжительность бестоковых пауз достигает 200-250 миллисекунд.
Таким образом, эффективность предлагаемого устройства защиты выше, чем у прототипа.
Формула изобретения
Устройство для защиты от замыканий на землю в сети 3-10 кВ, содержащее силовой выключатель, кабельные трансформаторы тока нулевой последовательности по числу N кабелей в пучке, при этом пучок кабелей через силовой выключатель присоединен к сборным шинам, реагирующий орган, первый орган выдержки времени, первый элемент сигнализации, первый выходной орган и блок питания, причем первый вывод вторичной обмотки каждого кабельного трансформатора тока нулевой последовательности соединен с первым входом реагирующего органа, вход первого выходного органа соединен с выходом первого органа выдержки времени, выходы блока питания соединены с входами питания всех блоков, выход первого выходного органа служит выходом отключающего сигнала защиты, отличающееся тем, что в него введены N токовых органов, логический элемент ИЛИ, логический элемент И-НЕ, блок памяти, второй орган выдержки времени, второй элемент сигнализации и второй выходной орган, причем первые входы токовых органов присоединены ко вторым выводам вторичных обмоток соответствующих кабельных трансформаторов тока нулевой последовательности, а вторые входы токовых органов соединены со вторым входом реагирующего органа, вход блока памяти присоединен к выходу реагирующего органа, входы логического элемента ИЛИ присоединены к выходам соответствующих токовых органов, первый вход логического элемента И-НЕ присоединен к выходу логического элемента ИЛИ, а второй вход логического элемента И-НЕ присоединен к выходу блока памяти, вход первого органа выдержки времени соединен с выходом блока памяти, вход второго органа выдержки времени присоединен к выходу логического элемента И-НЕ, вход второго выходного органа присоединен к выходу второго органа выдержки времени, а его выход служит выходом сигнала о нарушении контактных соединений в кабельном пучке, вход первого элемента сигнализации присоединен к выходу блока памяти, вход второго элемента сигнализации присоединен к выходу логического элемента И-НЕ, а соответствующие входы токовых органов, логического элемента ИЛИ, логического элемента И-НЕ, блока памяти, второго органа выдержки времени, второго элемента сигнализации и второго выходного органа соединены с соответствующими выходами блока питания.
РИСУНКИ
MM4A – Досрочное прекращение действия патента СССР или патента Российской Федерации на изобретение из-за неуплаты в установленный срок пошлины за поддержание патента в силе
Дата прекращения действия патента: 09.08.2008
Извещение опубликовано: 10.07.2010 БИ: 19/2010
|
|