|
|
(21), (22) Заявка: 2005134440/09, 07.11.2005
(24) Дата начала отсчета срока действия патента:
07.11.2005
(46) Опубликовано: 20.04.2007
(56) Список документов, цитированных в отчете о поиске:
SU 1095292 A1, 30.05.1984. RU 2137276 C1, 10.09.1999. SU 493846 A1, 30.11.1975. SU 1141491 A1, 23.02.1985. US 3334272, 01.08.1967.
Адрес для переписки:
103735, Москва, ул. Ильинка, 5/2, ООО “Союзпатент”, пат.пов. Т.С.Фомичевой
|
(72) Автор(ы):
Никитин Анатолий Афанасьевич (RU), Уляхин Сергей Владимирович (RU), Яковлев Сергей Николаевич (RU)
(73) Патентообладатель(и):
Общество с ограниченной ответственностью “Опытное конструктоское бюро реле и технологий” (RU)
|
(54) УСТРОЙСТВО ДЛЯ МАКСИМАЛЬНОЙ ТОКОВОЙ ЗАЩИТЫ С ЗАВИСИМОЙ ХАРАКТЕРИСТИКОЙ СРАБАТЫВАНИЯ
(57) Реферат:
Изобретение относится к электротехнике. Технический результат заключается в уменьшении времени повторной готовности генератора тока, обусловливающего в конечном итоге время повторной готовности заявленного устройства. Для этого устройство содержит трансформатор тока, выпрямитель, балластный резистор и два стабилитрона, зашунтированные конденсатором, с первого по третий делители напряжения, исполнительный орган, измерительный преобразователь, который выполнен на двухвходовом интегрирующем генераторе тока, первый и второй элементы сравнения, схему разряда, схему коррекции потенциала, схему сброса, двоичный счетчик и двухвходовую схему ИЛИ-НЕ, причем оба элемента сравнения выполнены в виде триггеров Шмитта. 2 ил.
Изобретение относится к электротехнике, в частности к релейной защите, и предназначено для применения в схемах релейной защиты и автоматики.
Известно индукционное реле тока РТ-80 (В.С.Алексеев и др., Реле защиты, М., «Энергия», 1976, с.163), для функционирования которого нет необходимости в источнике оперативного напряжения питания. Реле тока РТ-80 – комбинированное и состоит из трех элементов: индукционного с зависящей от тока выдержкой времени, электромагнитного мгновенного действия и сигнального.
Недостатками известного устройства являются: сложность конструкции, обусловленная применением индукционной системы; значительная потребляемая мощность (при токе срабатывания она достигает 10 ВА); плохие массогабаритные показатели.
Наиболее близким по технической сущности к заявляемому устройству для максимальной токовой защиты с зависимой характеристикой срабатывания является устройство по авторскому свидетельству СССР №1095292, содержащее трансформатор тока 1, вторичная обмотка 2 которого через выпрямитель 3 подключена к последовательно включенным балластному резистору 4 и двум стабилитронам 5, а также делителям 6 и 7 напряжения; третий маломощный делитель 8 напряжения, включенный параллельно стабилитронам 5; измерительный преобразователь 9, выполненный в виде двухвходового интегрирующего генератора тока, один вход которого соединен со средней точкой делителя 6, другой – со средней точкой делителя 8, вывод подключения нагрузки соединен с интегрирующим конденсатором; элемент сравнения 10, вход которого подключен к выходу измерительного преобразователя 9, а выход соединен со средней точкой делителя 7 и входом выполненного на транзисторе другого измерительного преобразователя 13, выход которого соединен с входом исполнительного органа 11; конденсатор 12, включенный параллельно стабилитронам.
Если входной ток меньше тока срабатывания, то разность потенциалов между входами генератора тока отрицательна (потенциал средней точки делителя 6 меньше потенциала средней точки делителя 8) и генератор 9 генерирует отрицательный ток, открывающий диод, который шунтирует интегрирующий конденсатор, заряженный в этом случае до отрицательного напряжения (относительно точки соединения стабилитронов 5), равного падению напряжения на открытом диоде.
Если же входной ток превышает ток срабатывания, то разность потенциалов между входами генератора положительна, а генератор 9 генерирует положительный ток, который запирает диод и заряжает интегрирующий конденсатор. Напряжение на выходе генератора тока 9 пропорционально напряжению на интегрирующем конденсаторе. Время, за которое происходит нарастание выходного напряжения генератора тока 9 до порога срабатывания элемента сравнения 10, тем меньше, чем больше кратность входного тока по отношению к току срабатывания. Элемент сравнения 10 при срабатывании подает сигнал через второй измерительный преобразователь 13 на исполнительный орган 11.
Недостаток этого технического решения связан с тем, что время повторной готовности генератора тока 9 зависит от времени разряда интегрирующего конденсатора до момента, когда напряжение на выходе генератора тока 9 станет равным порогу возврата элемента сравнения 10. Особенно сильно этот недостаток проявляется, когда для получения больших выдержек времени (а это необходимо очень часто) требуется использовать интегрирующий конденсатор очень большой емкости (1…10 мкФ и более). Соответственно увеличивается время повторной готовности генератора 9 тока (если не принимать специальных мер по его сокращению, то время повторной готовности генератора 9 тока, а значит, и устройства в целом может составлять единицы и даже десятки секунд).
Задачей настоящего изобретения является уменьшение времени повторной готовности генератора тока, обусловливающего в конечном итоге время повторной готовности устройства для максимальной токовой защиты с зависимой характеристикой срабатывания.
Указанная задача решена за счет того, что в устройстве для максимальной токовой защиты с зависимой характеристикой срабатывания, содержащем последовательно соединенные трансформатор тока, к вторичной обмотке которого через выпрямитель параллельно включены делитель напряжения и последовательно соединенные балластный резистор и два стабилитрона, зашунтированные конденсатором; второй делитель напряжения, включенный параллельно стабилитронам; третий делитель напряжения, вывод которого соединен с анодом стабилитрона, соединенного с отрицательным выводом выпрямителя; исполнительный орган; элемент сравнения; измерительный преобразователь, который выполнен на двухвходовом интегрирующем генераторе тока, причем его первый вход подключен к средней точке второго делителя напряжения, второй вход подключен к средней точке первого делителя напряжения, а выход подключен к входу элемента сравнения; второй элемент сравнения, первый вход которого соединен со средней точкой третьего делителя напряжения, вторым выводом соединенного с катодом второго стабилитрона, второй вход соединен со вторым входом измерительного преобразователя; схему разряда, схему коррекции потенциала, схему сброса, двоичный счетчик и двухвходовую схему ИЛИ-НЕ, общая точка которой соединена с отрицательным выводом выпрямителя, усилительный выход соединен с входом исполнительного органа, первый вход соединен с выходом второго элемента сравнения, второй вход соединен с выходом счетчика, второй выход соединен с первым входом схемы коррекции потенциала и первым входом схемы разряда, второй вход которой соединен с выходом первого элемента сравнения и счетным входом двоичного счетчика, выход соединен с выводом подключения нагрузки генератора тока и выходом схемы коррекции потенциала, второй вход которой соединен с катодом второго стабилитрона, общие точки схемы коррекции потенциала и схемы разряда соединены с отрицательным выводом выпрямителя, а вход сброса двоичного счетчика соединен с выходом схемы сброса, вход которой соединен с входом первого элемента сравнения, причем оба элемента сравнения выполнены в виде триггеров Шмитта.
Такое выполнение устройства позволяет обеспечить технический результат, выражающийся в значительном уменьшении времени разряда интегрирующего конденсатора.
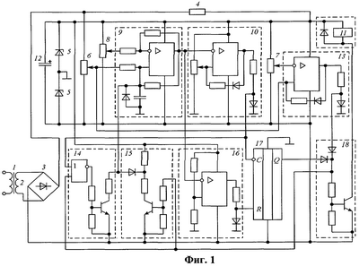
На фиг.1 приведена схема устройства для максимальной токовой защиты с зависимой выдержкой времени;
на фиг.2 приведена осциллограмма напряжения на выходе генератора тока в процессе набора выдержки времени.
Устройство содержит трансформатор 1 тока, вторичная обмотка 2 которого соединена с входом выпрямителя 3, на выходе которого параллельно включены делитель 6 напряжения и последовательно соединенные резистор 4 и два стабилитрона 5, зашунтированные конденсатором 12; второй делитель 8 напряжения, включенный параллельно стабилитронам 5; третий делитель 7 напряжения; измерительный преобразователь 9, который выполнен на двухвходовом интегрирующем генераторе тока, причем его первый вход подключен к средней точке делителя 8 напряжения, второй вход подключен к средней точке делителя 6 напряжения, а выход подключен к входу элемента 10 сравнения; исполнительный орган 11; второй элемент 13 сравнения, первый вход которого соединен со средней точкой делителя 7 напряжения, второй вход соединен со вторым входом измерительного преобразователя 9; схема 14 разряда; схема 15 коррекции потенциала; схема 16 сброса; двоичный счетчик 17; двухвходовая схема 18 ИЛИ-НЕ, общая точка которой соединена с отрицательным выводом выпрямителя 3, усилительный выход соединен с входом исполнительного органа 11, первый вход соединен с выходом второго элемента 13 сравнения, второй вход соединен с выходом счетчика 17, второй выход соединен с первым входом схемы 15 коррекции потенциала и первым входом схемы 14 разряда, второй вход которой соединен с выходом первого элемента 10 сравнения и счетным входом двоичного счетчика 17, выход соединен с выводом подключения нагрузки генератора 9 тока и выходом схемы 15 коррекции потенциала, второй вход которой соединен с катодом второго стабилитрона, общая точка так же как и общая точка схемы разряда соединена с отрицательным выводом выпрямителя 3, вход сброса двоичного счетчика 17 соединен с выходом схемы 16 сброса, вход которой соединен с входом первого элемента 10 сравнения, причем оба элемента сравнения выполнены в виде триггеров Шмитта.
Устройство для максимальной токовой защиты с зависимой характеристикой срабатывания работает следующим образом.
Ток, протекающий по вторичной обмотке 2 трансформатора 1 тока, выпрямляется выпрямителем 3. На стабилитронах 5 устанавливается напряжение питания. Делителем 6 задается порог, после превышения которого потенциалом средней точки делителя 8, пропорциональным входному току, генератор 9 тока осуществляет заряд интегрирующего конденсатора.
Если входной ток меньше тока срабатывания, то разность потенциалов входов генератора отрицательна (потенциал средней точки делителя 6 меньше потенциала средней точки делителя 8). В этом случае генератор 9 тока генерирует отрицательный ток, открывающий диод, который шунтирует интегрирующий конденсатор, заряженный в этом случае до отрицательного напряжения (относительно общей точки стабилитронов 5), равного падению напряжения на открытом диоде. Напряжение на выходе генератора 9 тока пропорционально напряжению на интегрирующем конденсаторе. С выхода генератора 9 тока напряжение подается на схему 16 сброса и на элемент 10 сравнения. Схема 16 сброса выполнена на операционном усилителе, включенном по схеме двухвходового компаратора, опорный потенциал которого задается делителем напряжения. Этот потенциал больше выходного напряжения генератора 9 тока, поэтому на входе сброса счетчика 17 напряжение равно падению напряжения на открытом диоде, т.е. счетчик 17 находится в сброшенном состоянии. На выходе счетчика 17 напряжение близко к отрицательному напряжению питания. Порог срабатывания второго элемента 13 сравнения задается делителем 7 напряжения всегда больше порога, задаваемого делителем 8. Элемент 13 сравнения находится в несработанном состоянии, на его выходе напряжение близко к отрицательному напряжению питания. Таким образом, на оба входа двухвходовой схемы 18 ИЛИ-НЕ подаются логические сигналы, обеспечивающие отсутствие напряжения на обмотке реле исполнительного органа 11. Устройство находится в несработанном состоянии.
Если входной ток больше тока срабатывания, разность потенциалов входов генератора 9 тока положительна, генератор генерирует положительный ток, заряжающий интегрирующий конденсатор. Порог срабатывания схемы 16 сброса задан таким, что сигнал сброса снимается после появления положительного потенциала на выходе генератора 9 тока (начало заряда конденсатора). Как только напряжение на выходе генератора 9 тока станет больше порога срабатывания элемента 10 сравнения (триггер Шмитта), он переключится в режим, когда на его выходе формируется напряжения низкого уровня (напряжение отрицательного насыщения операционного усилителя). На втором входе логического элемента ИЛИ-НЕ, являющегося вторым входом схемы 14 разряда, соединенном с выходом элемента 10 сравнения, отрицательное напряжение, а на первом входе элемента ИЛИ-НЕ, являющегося первым входом схемы 14 разряда, соединенном с выходом счетчика 17, также отрицательное напряжение, поэтому на выходе логического элемента ИЛИ-НЕ напряжение становится достаточным для открытия транзистора схемы 14 разряда, разряжающего интегрирующий конденсатор генератора 9 тока. Интегрирующий конденсатор генератора 9 тока разрядится до порога возврата элемента 10 сравнения, он переключится в режим, когда на его выходе формируется напряжения высокого уровня (напряжение положительного насыщения операционного усилителя), счетчик 17 отсчитает 1 цикл. На выходе логического элемента ИЛИ-НЕ схемы 14 разряда напряжение становится таким, что транзистор этой схемы закрывается, интегрирующий конденсатор вновь начнет заряжаться. Процесс повторяется до тех пор, пока счетчик не отсчитает заданное количество циклов, после чего на выходе счетчика 17 появляется потенциал высокого уровня, который воспринимается двухвходовой схемой 18 ИЛИ-НЕ как команда на подачу напряжения на обмотку реле исполнительного органа 11. Устройство при этом срабатывает с заданной выдержкой времени.
На приведенной на фиг.2 осциллограмме напряжения на выходе генератора тока 9 в процессе набора выдержки времени пунктиром показан процесс заряда конденсатора в случае отсутствия схемы 15 коррекции потенциала. При этом выходное напряжение логического элемента ИЛИ-НЕ схемы 14 разряда обеспечивает закрытие транзистора этой схемы.
Если потенциал средней точки делителя 6 превышает задаваемую делителем 7 установку срабатывания элемента сравнения 13, он срабатывает, и на его выходе появляется потенциал высокого уровня, который также воспринимается двухвходовой схемой 18 ИЛИ-НЕ как команда на подачу напряжения на обмотку реле исполнительного органа 11. Устройство при этом срабатывает без выдержки времени или с небольшой (20-30 мс) выдержкой времени.
Напряжение со второго выхода двухвходовой схемы 18 ИЛИ-НЕ одновременно подается на транзистор схемы 15 коррекции потенциала. Таким образом, конденсатор генератора 9 тока через диод подключается к средней точке делителя напряжения, потенциал которой выбран немногим более порога схемы 16 сброса, но много меньше напряжения положительного насыщения операционного усилителя. Тем самым обеспечивается низкий уровень напряжения, до которого конденсатор заряжен в ожидании команды на разряд в случае снижения входного тока ниже тока возврата реле.
Возврат схемы происходит после того, как входной ток становится меньше тока возврата (он меньше тока срабатывания соответственно коэффициенту возврата: порядка 0,9-0,95). Разность потенциалов входов генератора 9 тока при этом становится отрицательной, и генератор генерирует отрицательный ток, разряжающий интегрирующий конденсатор. При достижении потенциалом на выходе генератора 9 тока, соответствующего порогу срабатывания компаратора схемы 16 сброса, на вход сброса счетчика 17 подается сигнал, счетчик 17 сбрасывается, двухвходовая схема 18 ИЛИ-НЕ снимает напряжение с обмотки реле исполнительного органа 11. Устройство возвращается со временем не более 100 мс.
Все вышеописанные процессы подтверждены экспериментальными исследованиями.
Формула изобретения
Устройство для максимальной токовой защиты с зависимой характеристикой срабатывания, содержащее последовательно соединенные трансформатор тока, к вторичной обмотке которого через выпрямитель параллельно включены делитель напряжения и последовательно соединенные балластный резистор и два стабилитрона, зашунтированные конденсатором, второй делитель напряжения, включенный параллельно стабилитронам, третий делитель напряжения, вывод которого соединен с анодом стабилитрона, соединенного с отрицательным выводом выпрямителя, исполнительный орган, элемент сравнения, измерительный преобразователь, который выполнен на двухвходовом интегрирующем генераторе тока, причем его первый вход подключен к средней точке второго делителя напряжения, второй вход подключен к средней точке первого делителя напряжения, а выход подключен к входу элемента сравнения, отличающееся тем, что в схему введены второй элемент сравнения, первый вход которого соединен со средней точкой третьего делителя напряжения, вторым выводом соединенного с катодом второго стабилитрона, второй вход соединен со вторым входом измерительного преобразователя, схема разряда, схема коррекции потенциала, схема сброса, двоичный счетчик и двухвходовая схема ИЛИ-НЕ, общая точка которой соединена с отрицательным выводом выпрямителя, усилительный выход соединен с входом исполнительного органа, первый вход соединен с выходом второго элемента сравнения, второй вход соединен с выходом счетчика, второй выход соединен с первым входом схемы коррекции потенциала и первым входом схемы разряда, второй вход которой соединен с выходом первого элемента сравнения и счетным входом двоичного счетчика, выход соединен с выводом подключения нагрузки генератора тока и выходом схемы коррекции потенциала, второй вход которой соединен с катодом второго стабилитрона, общие точки схемы коррекции потенциала и схемы разряда соединены с отрицательным выводом выпрямителя, а вход сброса двоичного счетчика соединен с выходом схемы сброса, вход которой соединен с входом первого элемента сравнения, причем оба элемента сравнения выполнены в виде триггеров Шмитта.
РИСУНКИ
|
|