|
|
(21), (22) Заявка: 2004121717/28, 16.07.2004
(24) Дата начала отсчета срока действия патента:
16.07.2004
(43) Дата публикации заявки: 10.01.2006
(46) Опубликовано: 20.04.2007
(56) Список документов, цитированных в отчете о поиске:
RU 38236 U1, 27.05.2004. JP 2004163700, 10.06.2004. JP 2003262912, 19.09.2003. SU 149676 A, 01.01.1962. JP 2004029758, 29.01.2004.
Адрес для переписки:
121165, Москва, а/я 15, ООО “ППФ-ЮСТИС”
|
(72) Автор(ы):
Клочко Тимофей Владимирович (RU), Рожда Андрей Анатольевич (RU)
(73) Патентообладатель(и):
Клочко Тимофей Владимирович (RU)
|
(54) ФОТОСТАНЦИЯ
(57) Реферат:
Изобретение относится к фотографической технике, может быть использовано для редактирования и мгновенной печати цифровых фотографий при автоматизированном изготовлении фотографий. Фотостанция содержит блок управления, сенсорный видеомонитор, узел считывания информации, узел приема платежей. Фотостанция выполнена в виде модуля фотографирования, обработки и редактирования фотоизображения и модуля приема платежей и ввода-вывода фотоизображения на носитель информации, содержащего размещенные внутри него узел считывания информации о фотоснимках с носителя информации, узел регистрации информации о фотоснимках на компакт-диске, узел приема платежей. Модуль фотографирования содержит установленные внутри него блок управления, предназначенный для управления функциями фотостанции, и сенсорный видеомонитор, а также блок фотокамеры. Технический результат – расширение функциональных и эксплуатационных возможностей фотостанции, обеспечение высокого качества и производительности изготовления фотографий. 23 з.п. ф-лы, 5 ил.
Изобретение относится к фотографической технике, позволяет в автоматическом режиме обрабатывать фотоизображения и может быть использовано для редактирования и мгновенной печати цифровых фотографий при автоматизированном изготовлении фотографий.
Известно фотопечатающее устройство, включающее источник света, выполненный с возможностью излучения световых лучей на пленку; средство пленкодержателя, при этом оно содержит средство ввода сигнала информации, содержащейся на пленке, выполненное с возможностью обнаружения света, отфильтрованного через пленку; средство обработки изображений, выполненное с возможностью обработки сигнала информации, содержащейся на пленке, и использования встроенного алгоритма и формирования соответствующего сигнала управления; средство визуализации изображений, расположенное между источником света и пленкой и выполненное с возможностью визуализации изображений по сигналу управления; и средство формирования изображений на фотобумаге в соответствии со светом, отфильтрованным через пленку (см. заявку РФ на выдачу патента на изобретение №96121284, кл. G03В 1/00, 1998 г.).
Недостатками известного устройства являются невысокая эффективность его функционирования, а также невысокие функциональные возможности.
Наиболее близкой к предлагаемому изобретению является фотостанция, содержащая блок управления, соединенный соответствующими выводами с выводами сенсорного видеомонитора, узла считывания информации и печатающего блока, и узел приема платежей (см. патент РФ на полезную модель №38236, кл. G03B 17/00, 2004 г.).
Недостатками данной фотостанции также являются невысокая эффективность ее функционирования, а также невысокие функциональные возможности.
Технической задачей, на которую направлено предлагаемое изобретение, является устранение приведенных выше недостатков, а именно расширение функциональных возможностей фотостанции, а также ее эксплуатационных возможностей при одновременном обеспечении высокого качества и производительности изготовления фотографий.
Данный технический результат достигается за счет того, что фотостанция, содержащая блок управления, соединенный соответствующими выводами с выводами сенсорного видеомонитора и узла считывания информации, и узел приема платежей, согласно изобретению выполнена в виде модуля фотографирования, обработки и редактирования фотоизображения и модуля приема платежей и ввода-вывода фотоизображения на носитель информации, содержащего размещенные внутри него узел считывания информации о фотоснимках с носителя информации, узел регистрации информации о фотоснимках на компакт-диске и узел приема платежей, модуль фотографирования, обработки и редактирования фотоизображения содержит установленные внутри него блок управления, предназначенный для управления функциями фотостанции, и сенсорный видеомонитор, предназначенный для редактирования фотоизображений клиентом, а также блок фотокамеры, при этом выводы блока управления подключены соответственно к выводам узла регистрации информации и предназначены для подключения к выводам блока фотокамеры, который предназначен для подключения своими вторыми и третьими выводами к выводам узла приема платежей.
Кроме того, модуль фотографирования, обработки и редактирования фотоизображения может иметь корпус, на котором размещен сканер фотопленки, соединенный с выводами блока управления.
Кроме того, она может иметь размещенный в модуле фотографирования обработки и редактирования фотоизображения узел звукового сопровождения, соединенный с выводами блока управления, а также блок продажи компакт-дисков для записи на них фотографий, размещенный в модуле фотографирования, обработки и редактирования фотоизображений и соединенный с выводами блока управления.
Кроме того, узел регистрации информации может быть выполнен с возможностью считывания и записи информации на компакт-диск и считывания фотоизображения с удаленных носителей и/или источников информации.
Кроме того, узел регистрации информации, блок продажи компакт-дисков для записи на них фотографии и блок фотокамеры могут быть выполнены в виде консолей, устанавливаемых на заданных расстояниях относительно модулей, включающих их в свой состав.
Кроме того, узел приема платежей предпочтительно выполнен в виде монетоприемника и/или купюроприемника, выводы которых являются, соответственно, выводами данного узла.
Кроме того, блок управления имеет, по меньшей мере, один компьютер.
Кроме того, фотостанция может быть снабжена стойкой, на которой размещен печатающий блок, соединенный с блоком управления, а модуль фотографирования, обработки и редактирования фотоизображения и модуль приема платежей и ввода-вывода фотоизображения на носитель информации закреплены на корпусе стойки.
При этом модуль фотографирования, обработки и редактирования фотоизображения и модуль приема платежей и ввода-вывода фотоизображения на носитель информации закреплены на вертикальной стенке корпуса стойки, модуль фотографирования, обработки и редактирования фотоизображения и модуль приема платежей и ввода-вывода фотоизображения на носитель информации закреплены на горизонтальной плоскости стойки, а модуль фотографирования, обработки и редактирования фотоизображения и модуль приема платежей и ввода-вывода фотоизображения на носитель информации закреплены на столешнице и/или крышке стола.
Кроме того, сенсорный видеомонитор предпочтительно выполнен с экраном управления, а блок фотокамеры выполнен с возможностью регистрации присутствия клиента и/или субъекта.
Кроме того, по меньшей мере, один компьютер блока управления выполнен с возможностью приема и передачи информации по, по меньшей мере, одному каналу связи, и/или одному каналу радиосвязи, и/или одному каналу мобильной связи, и по меньшей мере, один компьютер блока управления выполнен с возможностью подключения к сети Интернет.
Кроме того, корпуса модуля фотографирования, обработки и редактирования фотоизображения, модуля приема платежей и ввода-вывода фотоизображения на носитель информации и стойки предпочтительно выполнены вандалоустойчивыми.
Кроме того, в корпусе модуля фотографирования, обработки и редактирования фотоизображения могут быть выполнены окна для выдачи компакт-дисков и фотографий.
Кроме того, печатающий блок имеет, по меньшей мере, один принтер.
Кроме того, по меньшей мере, один компьютер блока управления может быть выполнен с возможностью настройки технических характеристик фотоизображения, заключающейся в регулировании яркости, контраста и цветности или баланса цветов изображения.
Кроме того, по меньшей мере, один компьютер блока управления может быть выполнен с возможностью вставки текстового фрагмента фотоизображения.
Кроме того, по меньшей мере, один компьютер блока управления может быть выполнен с возможностью организации на его основе локальной информационно-вычислительной сети.
Кроме того, по меньшей мере, один компьютер блока управления выполнен с возможностью управления всей станцией по встроенной в его процессор программе и/или по командам клиента и/или субъекта посредством интерфейса пользователя, размещенного внутри указанного компьютера.
Кроме того, корпуса модулей и стойки могут быть выполнены с возможностью образования общего вандалоустойчивого корпуса при их соединении друг с другом.
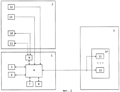
Сущность данного изобретения поясняется чертежами, при этом на фиг.1 представлена блок-схема системы для изготовления фотографий, на фиг.2 приведена общая компоновочная схема предлагаемой системы для изготовления фотографий, на фиг.3 изображены отдельные модули, входящие в систему для изготовления фотографий, на фиг.4 и 5 показаны настенный и настольный варианты внешнего вида и размещения системы для изготовления фотографий. На фигурах обозначены модуль 1 фотографирования, обработки и редактирования фотоизображения, модуль 2 приема платежей и ввода-вывода фотоизображения на носитель информации, а также стойка 3, на которую могут крепиться модули 1 и 2. В состав модуля 1 входят блок 4 управления, который может содержать соединенные между собой компьютеры, сенсорный видеомонитор 5, блок 6 продажи компакт-дисков для записи на них фотографий, сканер 7 фотопленки, узел 8 звукового сопровождения и блок 9 фотокамеры. Модуль 3 приема платежей и ввода-вывода фотоизображения на носитель информации включает в себя монетоприемник 10 и купюроприемник 11, а также узел 12 считывания информации (картридер) и узел 13 регистрации информации, при этом блок 9 фотокамеры соединен с монетоприемником 10 и купюроприемником 11. Стойка 3 включает в себя размещенный в ее корпусе печатающий блок 14, состоящий из принтеров 15. В корпусе модуля 1 выполнены окно 16 для выдачи компакт-дисков и окно 17 для выдачи фотографий (см. фиг.2). В модуле 2 монетоприемник 10 и купюроприемник 11 устанавливается снаружи или внутри его корпуса. Монетоприемник 10 и купюроприемник 11 образуют узел 18 приема платежей. Стойка 3 выполняется таким образом, что внутри ее корпуса устанавливаются принтеры 15, а на корпусе могут быть закреплены и модуль 1 и модуль 2. Следует также отметить, что существуют настенный и настольный варианты эксплуатации данной системы для изготовления фотографий. В настенном варианте эксплуатации модуль 1 системы фотографирования, обработки и редактирования фотоизображения и модуль 2 приема платежей и ввода-вывода фотоизображения на носитель информации закрепляются на вертикальной стенке корпуса стойки 3 или на любой другой стенке. В настольном варианте эксплуатации данной системы для изготовления фотографий основные ее модули 1 и 2 размещаются на столешнице стола или на горизонтальной поверхности или горизонтальной стенке корпуса стойки 3. Важно отметить, что блок 9 фотокамеры, который может функционировать в режиме цифровой фотографии, выполнен с возможностью регистрации присутствия клиента и/или субъекта в зоне осуществления фотографирования, в связи с чем данный блок можно рассматривать как устройство, выполняющее функцию датчика присутствия.
Принцип функционирования предлагаемой фотостанции заключается в следующем.
При появлении клиента и/или субъекта в зоне действия системы или зоне осуществления фотографирования или зоне видимости блока 9 фотокамеры последний срабатывает как датчик регистрации присутствия клиента и/или субъекта. При этом блок 9, осуществляющий посекундную фотосъемку и передающий полученную информацию в блок 4 управления для программной обработки фотоснимка, регистрирует изменение фотоизображения. Сигнал, изменяя фотоизображения, идет в блок 4 управления, который включает в работу узел 8 звукового сопровождения, после чего включается звуковое сопровождение процесса фотографирования на соответствующем языке (русском, английском, французском и т.д.), призывающее клиента вставить карту памяти фотокамеры блока 9 в узел 12 считывания информации (картридер), фотопленку в сканер 7 фотопленки, или компакт-диск в узел 13 регистрации информации.
Процесс работы фотостанции начинается после опускания первого жетона или достаточного для одного фотоснимка количества денежных купюр и может быть остановлен в любой момент клиентом касанием одного из полей сенсорного экрана управления видеомонитора 5.
В случае перезаписи снимков без печати достаточно опустить один жетон или определенное количество купюр для всей операции, независимо от количества фотоснимков.
После этого монетоприемник 10 или купюроприемник 11 через блок 9 фотокамеры передают в блок 4 управления (а точнее, на один или несколько компьютеров, входящих в его состав) соответствующие сигналы управления, которые приводят всю фотостанцию для изготовления фотографий в рабочее состояние. Теперь носитель информации (карточка памяти) из фотокамеры блока 9 вставляется в узел 12 считывания информации, предназначенный для основных носителей информации в формате SM, CF, XD, SD и MS. При этом на экране управления видеомонитора 5 появляются изображения всех фотоснимков, имеющихся на носителе информации (например, карточке памяти). Тот же самый процесс будет происходить, когда клиент вставит в соответствующее окно или отдельное отверстие модуля 2 компакт-диск со своими фотографиями. При вставке фотопленки – негатива клиента – в специально предусмотренное отверстие сканера 7 фотопленки последний оцифровывает изображения и передает их в блок 4 управления в виде кодированной информации. Блок 4 после обработки данной информации показывает данное изображение покадрово на сенсорном экране управления блока 5. В этом случае с помощью этого экрана видеомонитора 5 клиент имеет возможность редактировать все изображения и их компоненты. Также следует иметь в виду, что при проведении настройки мобильного телефона клиента на выдачу имеющихся на его карте фотографий на экране видеомонитора 5 появляются изображения этих фотоснимков.
При этом для эффективной работы клиента по обработке и печати фотографий на компьютере блока 4 используется сенсорный видеомонитор 5, позволяющий управлять касанием полей экрана видеомонитора 5.
Основные функции данной фотостанции выполняются под управлением блока 4 управления, в состав которого входят компьютеры, которые могут функционировать по заданным или адаптируемым для разных технических задач программам. Сущность каждой из таких программ заключается в том, что она позволяет выбрать для редактирования необходимые снимки и создать из них альбом в электронном виде. После чего открывается окно программы со списком тех действий по редактированию фотографий, которые доступны клиенту. При этом программа содержит следующие основные пункты редактирования:
– настройка изображения, позволяющая регулировать яркость, контраст и цветность (баланс цветов) изображения;
– исправление дефектов, вызванных неправильной освещенностью лица субъекта и приводящих к «эффекту красных глаз»;
– выделение фрагмента из всего снимка с удалением лишних полей;
– вставка текста в любом из полей снимка;
– вставка фотографии в одну из рамок из списка, имеющегося на жестком диске компьютера;
– вставка фото в один из бланков календарей, имеющихся на жестком диске; моделирование визиток с фотографией.
Каждая из указанных программ может реализовать режим IndexPrint-печать нескольких миниатюрных фотографий клиента на одном листе.
При этом созданный и отредактированный альбом может быть выведен одним из следующих способов:
– на печатающий блок, который состоит из нескольких принтеров, подключенных к USB-порту одного из компьютеров;
– на CD компакт-диск для последующего хранения, для этого диск следует вставить в соответствующее окно узла 13 регистрации информации.
В случае сетевой версии программы она инсталлируется на один из компьютеров блока 4 управления, который включен в локальную сеть фотостанции. В этом случае легко осуществляется сбор фотоснимков для последующей печати в фотолаборатории. Таким образом, важное место при реализации данной системы для изготовления фотографий отводится программе, при этом ее активация возможна не только после считывания принесенных клиентом источников информации, но и при касании одного из полей экрана управления блока 5, отвечающего за проведение фотосъемки. При этом на экране появляется предупреждение, адресованное клиенту и призывающее его занять удобную позу для фотосъемки. Через несколько секунд на экране начинают появляться посекундные снимки, из которых клиент может выбрать касанием один, который при этом становится в полный экран. После этого появляется возможность выхода в режим редактирования снимка. Все действия по редактированию и выводу фотографий сопровождаются звуковыми инструкциями на русском языке. Программа заканчивает работу после выемки карты памяти из узла 12, либо автоматически, при отсутствии касания полей сенсорного видеомонитора 5 в течение нескольких минут.
В случае если клиент и/или субъект вышел из зоны фотографирования и оставил свой носитель информации в картридере 12, блок 9 фотокамеры, функционирующий в режиме регистрации присутствия клиента или субъекта, через блок 4 управления дает команду в узел 8 звукового сопровождения, после чего появляется звуковое сопровождение, призывающее громким голосом клиента вернуться и забрать карту (носитель информации).
Использование предлагаемой системы для изготовления фотографий в режиме подключения к Интернет (всемирной электронной сети) дает возможность удаленному пользователю закачать файлы с фотографиями на жесткий диск автомата. При этом он получает пароль доступа, пользуясь которым можно отредактировать и распечатать эти фотографии.
Важно также отметить, что работа монетоприемника 10 и купюроприемника 11 также имеет важное значение для работы всей системы.
После запроса клиентом каждого из описанных режимов функционирования системы программа в блоке 4 призывает оплатить услугу одним из следующих способов:
– опустить жетоны в монетоприемник 10, входящий в комплект системы и подключенный к СОМ- или USB-порту компьютера блока 4 управления;
– опустить купюры в купюроприемник 11, входящий в состав системы и подключения к СОМ- или USB-порту компьютера блока 4 управления.
При этом следует иметь в виду, что в состав компьютера блока 4 может входить узел распознавания жетона, монеты, купюры, который электрически связывает узлы 10 и 11 с процессором действующего компьютера.
Вандалоустойчивый корпус, используемый данной фотостанцией, состоит из отдельных сегментов, соединенных воедино жесткими соединениями. Использование отдельных компонентов системы, в которые не войдут печатающие устройства, позволяет создать рабочую станцию для минифотолаборатории. Для такой фотостанции используется программное обеспечение, позволяющее отправлять папки с файлами снимков по локальной сети оператору мини-фотолаборатории для печати.
Входящие в систему для изготовления фотографий устройства можно охарактеризовать следующим образом.
Сканер фотопленки 7 может прилагаться как внешнее устройство либо быть встроенным в общий вандалоустойчивый корпус. В корпусе сканера 7 предусмотрены отверстия приемки и выдачи фотопленки.
В фотостанции может использоваться электронное устройство 19, присоединенное к USB-порту компьютера блока 4 управления и имеющее возможность поддержки радиосвязи и обмена информацией со всеми моделями сотовых телефонов (Bluetooth USB adaptor).
Выдача компакт-дисков в блоке 6 для последующей записи происходит с использованием пошагового электродвигателя и может быть дополнена выдачей флэшкарт, фотопленки и других сопутствующих товаров. Узел активируется с экрана управления блока 5 и срабатывает после опускания купюр, монет или жетонов в соответствующие платежные системы.
Преимущества предлагаемой полезной модели могут быть использованы в следующих целях:
– включение рекламных и звуковых заставок для привлечения клиента в случае его присутствия в зоне действия фотостанции;
– оповещение клиента, забывшего свою карту в отверстии картридера;
– оповещение персонала о наличии субъекта рядом с фотостанцией;
– один из вариантов компьютерной программы позволяет в 2 раза увеличить скорость печати снимков за счет поочередной отправки на одни из двух используемых принтеров;
– другой вариант программы оставляет той же скорость печати, но избавляет от простоя системы в случае, если закончилась бумага и краска. В этом случае любой принтер 15 выступает в роли запасного относительно основного принтера 15.
Таким образом, использование данной полезной модели позволяет повысить качество и производительность изготовления фотографий.
Кроме того, предложенная фотостанция обладает некоторой универсальностью, т.к. состоит из нескольких корпусных частей, которые могут работать автономно. При этом получается фотостанция с урезанными, по сравнению с полной версией, функциональными возможностями, с более низкой ценой. Если полная версия фотостанции может располагаться в любом помещении, независимо от профиля деятельности персонала организаций в нем находящихся, то урезанные версии могут располагаться в специализированных фотомагазинах, обладающих собственными цифровыми мини-фотолабораториями и не требующих наличия в едином корпусе фотостанции термосублимационных принтеров, устройств продажи CD, фотокамеры. Такая версия очень востребована такими специализированными магазинами, поскольку позволяет во многом освободить персонал от работы по корректированию и обработке снимков клиента, а также приема денег.
Формула изобретения
1. Фотостанция, содержащая блок управления, соединенный соответствующими выводами с выводами сенсорного видеомонитора и узла считывания информации, и узел приема платежей, отличающаяся тем, что она выполнена в виде модуля фотографирования, обработки и редактирования фотоизображения и модуля приема платежей и ввода-вывода фотоизображения на носитель информации, содержащего размещенные внутри него узел считывания информации о фотоснимках с носителя информации, узел регистрации информации о фотоснимках на компакт-диске и узел приема платежей, модуль фотографирования, обработки и редактирования фотоизображения содержит установленные внутри него блок управления, предназначенный для управления функциями фотостанции, и сенсорный видеомонитор, предназначенный для редактирования фотоизображений клиентом, а также блок фотокамеры, при этом выводы блока управления подключены соответственно к выводам узла регистрации информации и предназначены для подключения к выводам блока фотокамеры, который предназначен для подключения своими вторыми и третьими выводами к выводам узла приема платежей.
2. Фотостанция по п.1, отличающаяся тем, что модуль фотографирования, обработки и редактирования фотоизображения имеет корпус, на котором размещен сканер фотопленки, соединенный с выводами блока управления.
3. Фотостанция по п.1, отличающаяся тем, что она имеет размещенный в модуле фотографирования обработки и редактирования фотоизображения узел звукового сопровождения, соединенный с выводами блока управления.
4. Фотостанция по п.1, отличающаяся тем, что она имеет блок продажи компакт-дисков для записи на них фотографий, размещенный в модуле фотографирования, обработки и редактирования фотоизображений и соединенный с выводами блока управления.
5. Фотостанция по п.1, отличающаяся тем, что узел регистрации информации выполнен с возможностью считывания и записи информации на компакт-диск и считывания фотоизображения с удаленных носителей и/или источников информации.
6. Фотостанция по п.1, отличающаяся тем, что узел регистрации информации, блок продажи компакт-дисков для записи на них фотографии и блок фотокамеры выполнены в виде консолей, устанавливаемых на заданных расстояниях относительно модулей, включающих их в свой состав.
7. Фотостанция по п.1, отличающаяся тем, что узел приема платежей выполнен в виде монетоприемника и/или купюроприемника, выводы которых являются, соответственно, первыми и вторыми выводами данного узла.
8. Фотостанция по п.1, отличающаяся тем, что блок управления имеет, по меньшей мере, один компьютер.
9. Фотостанция по п.1, отличающаяся тем, что снабжена стойкой, на которой размещен печатающий блок, соединенный с блоком управления, а модуль фотографирования, обработки и редактирования фотоизображения и модуль приема платежей и ввода-вывода фотоизображения на носитель информации закреплены на корпусе стойки.
10. Фотостанция по п.9, отличающаяся тем, что модуль фотографирования, обработки и редактирования фотоизображения и модуль приема платежей и ввода-вывода фотоизображения на носитель информации закреплены на вертикальной стенке корпуса стойки.
11. Фотостанция по п.9 или 10, отличающаяся тем, что модуль фотографирования, обработки и редактирования фотоизображения и модуль приема платежей и ввода-вывода фотоизображения на носитель информации закреплены на горизонтальной плоскости стойки.
12. Фотостанция по п.1, отличающаяся тем, что модуль фотографирования, обработки и редактирования фотоизображения и модуль приема платежей и ввода-вывода фотоизображения на носитель информации закреплены на столешнице и/или крышке стола.
13. Фотостанция по п.1, отличающаяся тем, что сенсорный видеомонитор выполнен с экраном управления.
14. Фотостанция по п.1, отличающаяся тем, что блок фотокамеры выполнен с возможностью регистрации присутствия клиента и/или субъекта.
15. Фотостанция по п.8, отличающаяся тем, что, по меньшей мере, один компьютер блока управления выполнен с возможностью приема и передачи информации по, по меньшей мере, одному каналу связи, и/или одному каналу радиосвязи, и/или одному каналу мобильной связи.
16. Фотостанция по п.8, отличающаяся тем, что, по меньшей мере, один компьютер блока управления выполнен с возможностью подключения к сети Интернет.
17. Фотостанция по п.1, отличающаяся тем, что корпуса модуля фотографирования, обработки и редактирования фотоизображения, модуля приема платежей и ввода-вывода фотоизображения на носитель информации и стойки выполнены вандалоустойчивыми.
18. Фотостанция по п.1, отличающаяся тем, что в корпусе модуля фотографирования, обработки и редактирования фотоизображения выполнены окна для выдачи компакт-дисков и фотографий.
19. Фотостанция по п.1, отличающаяся тем, что печатающий блок имеет, по меньшей мере, один принтер.
20. Фотостанция по п.8, отличающаяся тем, что, по меньшей мере, один компьютер блока управления выполнен с возможностью настройки технических характеристик фотоизображения, заключающейся в регулировании яркости, контраста и цветности или баланса цветов изображения.
21. Фотостанция по п.8, отличающаяся тем, что, по меньшей мере, один компьютер блока управления выполнен с возможностью вставки текстового фрагмента фотоизображения.
22. Фотостанция по п.8, отличающаяся тем, что, по меньшей мере, один компьютер блока управления выполнен с возможностью организации на его основе локальной информационно-вычислительной сети.
23. Фотостанция по п.9, отличающаяся тем, что, по меньшей мере, один компьютер блока управления выполнен с возможностью управления всей станцией по встроенной в его процессор программе и/или по командам клиента и/или субъекта посредством интерфейса пользователя, размещенного внутри указанного компьютера.
24. Фотостанция по п.17, отличающаяся тем, что корпуса модулей и стойки выполнены с возможностью образования общего вандалоустойчивого корпуса при их соединении друг с другом.
РИСУНКИ
|
|