|
|
(21), (22) Заявка: 2005134085/28, 03.11.2005
(24) Дата начала отсчета срока действия патента:
03.11.2005
(46) Опубликовано: 20.04.2007
(56) Список документов, цитированных в отчете о поиске:
RU 2090896 C1, 20.09.1997. RU 2042042 C1, 20.08.1995. SU 1700741 A1, 23.12.1991. SU 1022620 A1, 27.09.2005. ЕР 0011359 A1, 28.05.1980. ЕР 0827266 А2, 04.03.1998.
Адрес для переписки:
390014, г.Рязань, Рязанский военный автомобильный институт, НИО, А.Д. Герасимову
|
(72) Автор(ы):
Дмитриев Владимир Владимирович (RU), Рогачев Владимир Дмитриевич (RU)
(73) Патентообладатель(и):
Рязанский военный автомобильный институт им. ген. армии В.П. Дубынина (RU)
|
(54) УСТРОЙСТВО ДЛЯ КОНТРОЛЯ СИСТЕМЫ ЭЛЕКТРОСНАБЖЕНИЯ АВТОМОБИЛЕЙ
(57) Реферат:
Предложенное изобретение относится к системе электроснабжения автомобилей, а именно к устройствам контроля работы генераторной установки и степени заряженности аккумуляторной батареи. Технический результат от реализации данного изобретения направлен на обеспечение нормальной работы генераторной установки при неисправности регулятора напряжения и определение реального состояния аккумуляторной батареи непосредственно при пуске двигателя автомобиля. Устройство для контроля системы электроснабжения автомобилей содержит три индикатора напряжения генераторной установки, два инвертора, усилитель и стабилизатор напряжения, делитель напряжения, индикатор включения устройства, ограничитель напряжения, четыре компаратора, индикатор разряженности аккумуляторной батареи, реле, индикатор неисправности регулятора напряжения, резистор цепи возбуждения генератора и делитель опорного напряжения, соответствующим образом соединенных между собой. 2 ил.
Изобретение относится к системе электроснабжения автомобилей, в частности к устройствам контроля работы генераторной установки и степени заряженности аккумуляторной батареи.
Известны бортовые системы диагностики различных параметров электрооборудования автомобилей [1]. Подобные системы являются микропроцессорными системами управления и с помощью дисплея информируют водителя о функционировании оборудования автомобиля и возникающих неисправностях.
Однако данные системы устанавливаются на новых марках автомобилей и имеют недостатки: высокую стоимость; необходимость наличия на оборудовании автомобиля большого количества специальных датчиков; отсутствие возможности установки одного типа микропроцессорной системы управления на любые как уже выпущенные и эксплуатируемые марки автомобилей, так и на вновь разрабатываемые.
Известно устройство для контроля напряжения бортовой сети и степени заряженности аккумуляторной батареи непосредственно на автомобиле, содержащее три индикатора напряжения генераторной установки, два инвертора, усилитель и стабилизатор напряжения, соединенный через включатель устройства с выводом питания бортовой сети автомобиля, к которому подключены один вывод делителя напряжения, другой вывод которого соединен с общим выводом питания бортовой сети автомобиля и вход стабилизатора напряжения, выход которого соединен с индикатором включения устройства [2, 3]. Данное устройство информирует водителя только о напряжении генератора после пуска двигателя и косвенно о степени заряженности аккумуляторной батареи перед пуском двигателя. Кроме того, оно не обеспечивает нормальной работы генераторной установки, например, при неисправности или отказе регулятора напряжения.
Технический результат направлен на расширение функциональных возможностей устройства, в том числе на обеспечение нормальной работы генераторной установки при неисправности регулятора напряжения и определение реального состояния аккумуляторной батареи непосредственно при пуске двигателя автомобиля.
Технический результат достигается тем, что в устройство, содержащее три индикатора напряжения генераторной установки, два инвертора, усилитель и стабилизатор напряжения, соединенный через включатель устройства с выводом питания бортовой сети автомобиля, к которому подключены один вывод делителя напряжения, другой вывод которого соединен с общим выводом питания бортовой сети автомобиля и вход стабилизатора напряжения, выход которого соединен с индикатором включения устройства, дополнительно введены ограничитель напряжения, четыре компаратора, индикатор разряженности аккумуляторной батареи, реле, индикатор неисправности регулятора напряжения, резистор цепи возбуждения генератора и делитель опорного напряжения, выход которого соединен с первыми входами всех компараторов, вторые входы которых подключены соответственно к четырем выходам делителя напряжения, а к выходам первого, второго и третьего компараторов подключены соответственно три индикатора напряжения, выходы первого и второго которых соединены с выходом стабилизатора напряжения, а выход третьего индикатора напряжения через усилитель подключен к обмотке реле, параллельно нормально замкнутым контактам которого подключены резистор цепи возбуждения генератора и индикатор неисправности регулятора напряжения автомобиля, один вывод которого соединен с выводом регулятора напряжения автомобиля, а другой вывод соединен с выводом обмотки возбуждения генератора, выход четвертого компаратора подключен к входам первого инвертора, выход которого соединен с вторым входом второго инвертора, первый вход которого подключен через ограничитель напряжения к выводу выключателя стартера автомобиля, а выход этого инвертора через индикатор разряженности аккумуляторной батареи соединен с выходом стабилизатора напряжения, который с делителем опорного напряжения включены в схему устройства для контроля системы электроснабжения автомобилей с возможностью совместного формирования постоянного напряжения на положительных входах компараторов.
Отличительными признаками от прототипа является то, что в устройство дополнительно введены ограничитель напряжения, четыре компаратора, индикатор разряженности аккумуляторной батареи, реле защиты, индикатор неисправности регулятора напряжения, резистор цепи возбуждения генератора, делитель опорного напряжения и предложена схема их включения, что позволяет сделать вывод о соответствии устройства для контроля системы электроснабжения автомобилей критерию “новизна”.
Введение в устройство новых элементов и их связей расширяет функциональные возможности и позволяет наглядно информировать водителя о работе генераторной установки автомобиля на всех режимах работы двигателя и о реальной (под нагрузкой) степени разряженности аккумуляторной батареи, а также обеспечивает автоматическое поддержание необходимого напряжения бортовой сети автомобиля при неисправности регулятора напряжения. При этом устройство является универсальным и может легко (без конструктивных изменений деталей, приборов и агрегатов автомобилей) устанавливаться на любые марки как уже выпускаемых, так и вновь разрабатываемых автомобилей. Это позволяет сделать вывод о соответствии заявляемого устройства для контроля системы электроснабжения автомобилей критерию “существенные отличия”.
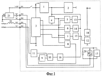
На Фиг.1 показана функциональная схема устройства для контроля системы электроснабжения автомобилей; на Фиг. 2 – реализованная принципиальная электрическая схема устройства.
В состав устройства входят: стабилизатор напряжения 1, индикатор включения устройства 2, делители напряжения 3 и делитель опорного напряжения 4, первый компаратор 5, второй компаратор 6, третий компаратор 7, четвертый компаратор 8, первый инвертор 9, второй инвертор 10, ограничитель напряжения 11, усилитель 12, первый индикатор напряжения 13, второй индикатор напряжения 14, третий индикатор напряжения 15, индикатор разряженности аккумуляторной батареи 16, индикатор неисправности регулятора напряжения 17, реле защиты 18 и его контакты 19, резистор цепи возбуждения генератора 20.
К пяти выводам устройства подключены: напряжение бортовой сети автомобиля +12 В (XS1), вывод “Ш” или “20” регулятора напряжения 21 (XS2), общий вывод “М” или “30” (XS3), вывод обмотки возбуждения 22 генератора OB (XS4), вывод “СТ” выключателя зажигания (XS5).
Обмотка возбуждения генератора подключена к выводу “Ш” регулятора напряжения через нормально замкнутые контакты реле защиты, параллельно которым подключены резистор цепи возбуждения генератора Rв и индикатор неисправности регулятора напряжения.
Устройство работает следующим образом.
Делитель опорного напряжения 4 совместно со стабилизатором напряжения 1 обеспечивает на положительных входах компараторов 5, 6, 7, 8 постоянное стабильное напряжение +2 В. Выходы делителя напряжения 3 подключены к соответствующим отрицательным входам компараторов.
При напряжении генераторной установки +13 В в компараторе 5 происходит сравнение напряжения с делителя с пороговым напряжением +2 В. Когда напряжение с делителя становится равным пороговому напряжению, компаратор 5 срабатывает, на его выходе появляется сигнал логического нуля (сигнал низкого уровня) и через индикатор 13 потечет ток. Индикатор 13 включается и информирует водителя о том, что напряжение генераторной установки достигло +13 В.
При дальнейшем увеличении напряжения генераторной установки срабатывает компаратор 6 и индикатор 14 отобразит информацию о номинальном напряжении генератора +14,2 В.
При дальнейшем повышении напряжения генераторной установки, например из-за пробоя силового транзистора в регуляторе напряжения 21, при достижении величины напряжения +16 В сработает компаратор 7 и через усилитель 12 включит реле защиты 18. Контакты 19 реле разомкнутся и в цепь обмотки возбуждения последовательно включится резистор 20. При этом индикатор 15 отобразит данное состояние устройства.
Ток через обмотку возбуждения генератора уменьшается и, соответственно, уменьшается напряжение генератора.
Как только напряжение генератора станет меньше +16 В, компаратор 7 переходит в исходное состояние и через усилитель 12 отключает реле защиты. Контакты реле 19 замыкаются и ток возбуждения генератора снова возрастает.
Таким образом, реле 18 и резистор 20 в цепи возбуждения генератора начинают выполнять функцию вышедшего из строя регулятора напряжения 21 и в бортовой сети будет поддерживаться постоянное напряжение, не превышающее 16В. Индикатор 17 информирует об этом водителя.
При пуске двигателя напряжение бортовой сети уменьшается. При заряженной аккумуляторной батарее напряжение не должно становиться ниже 7 В.
Если аккумуляторная батарея разряжена и при пуске двигателя напряжение стало меньше 7 В, то с делителя напряжения 3 поступает сигнал соответствующего уровня (логическая единица), который формируется в компараторе 4, проходит через инверторы 9 и 10 при условии включения выключателя зажигания автомобиля в положение “СТ” и инвертируется ими в сигнал низкого уровня (логический ноль). Ограничитель напряжения 11 поддерживает при этом на втором входе инвертора 10 соответствующее напряжение.
Вследствие этого индикатор 16 включается и информирует водителя о разряженности аккумуляторной батареи.
Реально стабилизатор напряжения 1 (реализованная принципиальная электрическая схема устройства представлена на фиг.2) выполнен на микросхеме 142 ЕН5А (DA 1) и обеспечивает формирование стабильного напряжения питания +5 В.
Делитель напряжения собран на резисторах R1-R5. В состав делителя опорного сигнала входят резисторы R8, R9. Компараторы DA 2.1, DA 2.2, DA 2.3, DA 2.4 входят в состав одной микросхемы 1401 УД2. Резисторы R10-R13 HR15-R18 обеспечивают формирование обратной связи в компараторах.
Инверторы DA 1.1 и DA 1.2 входят в состав одной микросхемы 561 ЛА7.
Ограничитель напряжения обеспечивает безопасную работу инвертора DA 1.2 (предохраняет его от перегрузки по напряжению) и собран на стабилитроне VD1 и резисторе R6.
В состав усилителя входят транзисторы VT1 и VT2, которые открываются при срабатывании компаратора DA 2.3 (при напряжении генератора 16 В).
Реле К1 включено в коллектор транзистора VT2. Резистор R24 ограничивает ток в обмотке возбуждения генератора при повышенном напряжении в бортовой сети (контакты К 1.1 реле в этом случае размыкаются). Лампочка HL6 информирует водителя о неисправности регулятора напряжения автомобиля.
Индикатор включения собран на светодиоде HL1 и резисторе R7 и обеспечивает индикацию работы устройства.
Таким образом, предлагаемое устройство позволяет наглядно информировать водителя о работе генераторной установки автомобиля на всех режимах работы двигателя и о реальной степени разряженности аккумуляторной батареи, обеспечивает автоматическое поддержание необходимого напряжения бортовой сети автомобиля при выходе из строя регулятора напряжения, что расширяет функциональные возможности устройства. Кроме того, устройство является универсальным, т.к. может быть легко, без конструктивных изменений систем автомобилей, устанавливаться на любые марки и типы машин, как уже находящиеся в эксплуатации, так и вновь разработанные.
Источники информации
1. Яковлев В.Ф. Диагностика электронных систем автомобиля. – М.: Солон – Пресс, 2003.
2. Литвиненко В.В. Электрооборудование автомобилей ВАЗ. – М.: Патриот, 1990 – с.116, 140, 164.
3. Литвиненко В.В. Электрооборудование автомобилей ВАЗ. – М.: ЗАО КЖИ “За рулем”, 1998.
Формула изобретения
Устройство для контроля системы электроснабжения автомобилей, содержащее три индикатора напряжения генераторной установки, два инвертора, усилитель и стабилизатор напряжения, соединенный через включатель устройства с выводом питания бортовой сети автомобиля, к которому подключены один вывод делителя напряжения, другой вывод которого соединен с общим выводом питания бортовой сети автомобиля, и вход стабилизатора напряжения, выход которого соединен с индикатором включения устройства, отличающееся тем, что в устройство дополнительно введены ограничитель напряжения, четыре компаратора, индикатор разряженности аккумуляторной батареи, реле, индикатор неисправности регулятора напряжения, резистор цепи возбуждения генератора и делитель опорного напряжения, выход которого соединен с первыми входами всех компараторов, вторые входы которых подключены соответственно к четырем выходам делителя напряжения, а к выходам первого, второго и третьего компараторов подключены соответственно три индикатора напряжения, выходы первого и второго которых соединены с выходом стабилизатора напряжения, а выход третьего индикатора напряжения через усилитель подключен к обмотке реле, параллельно нормально замкнутым контактам которого подключены резистор цепи возбуждения генератора и индикатор неисправности регулятора напряжения автомобиля, один вывод которого соединен с выводом регулятора напряжения автомобиля, а другой вывод соединен с выводом обмотки возбуждения генератора, выход четвертого компаратора подключен к входам первого инвертора, выход которого соединен со вторым входом второго инвертора, первый вход которого подключен через ограничитель напряжения к выводу выключателя стартера автомобиля, а выход этого инвертора через индикатор разряженности аккумуляторной батареи соединен с выходом стабилизатора напряжения, который с делителем опорного напряжения включены в схему устройства для контроля системы электроснабжения автомобилей с возможностью совместного формирования постоянного напряжения на положительных входах компараторов.
РИСУНКИ
MM4A – Досрочное прекращение действия патента СССР или патента Российской Федерации на изобретение из-за неуплаты в установленный срок пошлины за поддержание патента в силе
Дата прекращения действия патента: 04.11.2007
Извещение опубликовано: 10.07.2009 БИ: 19/2009
|
|