|
|
(21), (22) Заявка: 2004117547/06, 08.10.2002
(24) Дата начала отсчета срока действия патента:
08.10.2002
(30) Конвенционный приоритет:
06.11.2001 DE 10154422.7
(43) Дата публикации заявки: 10.10.2005
(46) Опубликовано: 20.04.2007
(56) Список документов, цитированных в отчете о поиске:
FR 2449798 А, 19.09.1980. ЕР 0281377 А, 07.09.1988. GB 2154657 А, 11.09.1985. US 5505176 А, 09.04.1996. RU 2078323 C1, 27.04.1997. RU 2130174 C1, 10.01.1999.
(85) Дата перевода заявки PCT на национальную фазу:
07.06.2004
(86) Заявка PCT:
DE 02/03792 (08.10.2002)
(87) Публикация PCT:
WO 03/040677 (15.05.2003)
Адрес для переписки:
101000, Москва, М.Златоустинский пер., 10, кв.15, “ЕВРОМАРКПАТ”, пат.пов. И.А.Веселицкой, рег. № 11
|
(72) Автор(ы):
ЗАУЛЕР Юрген (DE), БОЙЕРЛЕ Михаэль (DE)
(73) Патентообладатель(и):
РОБЕРТ БОШ ГМБХ (DE)
|
(54) СПОСОБ И УСТРОЙСТВО ДЛЯ ИСКЛЮЧЕНИЯ ВЛИЯНИЯ ПОСТОРОННИХ ШУМОВ ПРИ РАСПОЗНАВАНИИ ДЕТОНАЦИОННЫХ СТУКОВ В ДВИГАТЕЛЕ ВНУТРЕННЕГО СГОРАНИЯ
(57) Реферат:
Настоящее изобретение относится к способу и устройству для исключения влияния посторонних шумов при распознавании детонационных стуков в двигателе внутреннего сгорания. В настоящем изобретении предусмотрено выполнение следующих операций: формирование пропорционального сигналу датчика детонационного сгорания интегрального значения (KI) на протяжении временного интервала (MF) измерений, в течение которого регистрируется сигнал датчика детонационного сгорания, определение на основе постороннего шума, возникающего на протяжении временного интервала (MF) измерений, значения поправки (DKI), на которое необходимо скорректировать это пропорциональное сигналу датчика детонационного сгорания интегральное значение (KI), и вычитание значения поправки (DKI) из пропорционального сигналу датчика детонационного сгорания интегрального значения (KI) с получением скорректированного пропорционального сигналу датчика детонационного сгорания интегрального значения (KI’) с исключенной из него обусловленной посторонним шумом составляющей. Техническим результатом является обеспечение возможности распознавания детонационных стуков и регулирования по детонации с более высокой точностью. 2 н. и 8 з.п. ф-лы, 5 ил.
Настоящее изобретение относится к способу и устройству для исключения влияния посторонних шумов при распознавании детонационных стуков в двигателе внутреннего сгорания.
Одним из проявлений, свидетельствующих о нарушении происходящих в цилиндрах двигателя внутреннего сгорания процессов сгорания, является, как известно, детонация, приводящая к возникновению механических волн давления, соответственно, корпусного шума высокой частоты, которые при длительной работе двигателя с детонацией могут привести к его серьезным повреждениям.
Склонность двигателя к детонации можно уменьшить различными путями и, в частности, сокращением длины струи топлива с центральным расположением свечи зажигания, уменьшением размеров камеры сгорания, созданием интенсивных завихрений в камере сгорания, использованием топлива с более высоким октановым числом, предотвращением образования в камере сгорания локальных мест перегрева, уменьшением степени сжатия, снижением температуры впускаемой в цилиндры рабочей смеси и иными способами.
Поскольку двигатель для поддержания расхода потребляемого им топлива на оптимальном уровне всегда должен работать вблизи границы детонации, электронные системы управления двигателем обычно снабжают системой регулирования по детонации. Важным компонентом такой системы регулирования по детонации является датчик детонационного сгорания, который воспринимает передаваемые на него через стенку цилиндра высокочастотные детонационные вибрации и преобразует их в электрические колебания, проанализировав которые можно сделать вывод о наличии детонации.
С этой целью известные датчики детонационного сгорания через входной контур подключаются к интегральной схеме обработки их сигналов. В такой интегральной схеме обработки сигналов датчика детонационного сгорания высокочастотный сигнал датчика детонационного сгорания усиливается, фильтруется и интегрируется на протяжении промежутка времени наблюдения (временного интервала измерений). Полученный результат с выхода интегратора поступает в микроконтроллер, в котором он подвергается соответствующей обработке и используется для распознавания детонационных стуков. На основе такого обработанного выходного сигнала интегратора определяется скользящее среднее значение (опорный уровень), исходя из которого можно определить наличие или отсутствие детонации.
Однако датчики детонационного сгорания воспринимают не только создаваемые в процессе сгорания корпусные шумы, но и иные посторонние, т.е. не связанные непосредственно со сгоранием горючей смеси, корпусные шумы. Так, например, у 3- и 6-цилиндровых двигателей с непосредственным впрыскиванием топлива на временной интервал измерений, отведенный на определение наличия или отсутствия детонационных стуков в двигателе, может накладываться момент начала, соответственно окончания, впрыскивания топлива, т.е. соответствующий момент срабатывания клапанной форсунки.
При этом шумы, создаваемые клапанной форсункой при ее открытии, соответственно закрытии, передаются на корпус двигателя и обнаруживаются в воспринимаемом датчиком детонационного сгорания корпусном шуме.
Подобные посторонние шумы, когда они приходятся на временной интервал измерений детонационных стуков, могут ошибочно интерпретироваться как детонационные стуки. В результате система регулирования по детонации выдает без необходимости в этом команду на изменение момента зажигания в сторону позднего, что сопровождается напрасным уменьшением крутящего момента двигателя.
Когда момент открытия, соответственно закрытия, клапанной форсунки постоянно попадает во временной интервал измерений, отведенный на определение наличия или отсутствия детонационных стуков в двигателе, опорный уровень распознавания детонационных стуков вследствие этого повышается, в результате чего снижается эффективность распознавания детонационных стуков. По этой причине система регулирования по детонации в наихудшем случае может просто не распознать детонационные стуки, что в конечном итоге может привести к поломке двигателя.
Наряду с упомянутыми выше 3- и 6-цилиндровыми двигателями проблема взаимного перекрытия во времени процесса впрыскивания топлива и временного интервала измерений, отведенного на определение наличия или отсутствия детонационных стуков в двигателе, может возникать и в будущем в двигателях с каким-либо иным числом цилиндров и с многократным впрыскиванием топлива.
Лежащая в основе изобретения проблематика более подробно поясняется на примере показанной на фиг.4 временной характеристики временного интервала измерений, отведенного системе регулирования по детонации на определение наличия или отсутствия детонационных стуков, и временного интервала возникновения посторонних шумов, обусловленных, например, открытием, соответственно закрытием, клапанной форсунки.
На фиг.4 через MF обозначен временной интервал измерений, через EF обозначен временной интервал возникновения посторонних шумов, через t1-t4 обозначены различные моменты времени, а через t обозначена временная ось в целом.
В показанном на фиг.4 случае длительность временного интервала измерений занимает промежуток времени от первого момента t1 до второго момента t2. В пределах этого интервала времени выходной сигнал датчика детонационного сгорания, как известно, подвергается интегрированию с получением в результате пропорционального ему интегрального значения. Обычно длительность временного интервала MF измерений составляет несколько миллисекунд.
Временной интервал EF возникновения посторонних шумов длится с момента t3 по момент t4 и полностью попадает во временной интервал MF измерений. Регистрируемый на протяжении временного интервала EF возникновения посторонних шумов дополнительный корпусной шум приводит тем самым к искажению вычисленного пропорционального сигналу датчика детонационного сгорания интегрального значения.
На фиг.5 показана типичная характеристика I(t) изменения интенсивности, обусловленного, например, открытием, соответственно закрытием, клапанной форсунки паразитного сигнала на протяжении временного интервала EF возникновения посторонних шумов.
Как следует из приведенного на фиг.5 графика, длительность вносящего помехи (паразитного) сигнала обычно составляет 1 мс, при этом согласно приведенной на чертеже временной характеристики его интенсивность сначала резко возрастает до максимальной величины Im, а затем экспоненциально убывает до 0. Позициями IW и IW’ на графике обозначены интегральные значения, соответствующие площади под временной характеристикой изменения интенсивности паразитного сигнала, для промежутка времени от 0 до 0,5 мс, соответственно от 0,5 до 1 мс. Из приведенного на фиг.5 графика следует, что преобладающая часть интегральной интенсивности, а именно IW’, приходится на промежуток времени от 0 до 0,5 мс, т.е. на начало открытия, соответственно закрытия, клапанной форсунки.
Преимущество предлагаемых в изобретении способа и устройства состоит по сравнению с известными из уровня техники решениями в обеспечиваемой ими возможности распознавания детонационных стуков и регулирования по детонации с более высокой точностью.
Предлагаемый в изобретении способ исключения влияния посторонних шумов при распознавании детонационных стуков в двигателе внутреннего сгорания заключается в том, что на протяжении временного интервала измерений, в течение которого регистрируют сигнал датчика детонационного сгорания, формируют пропорциональное сигналу датчика детонационного сгорания интегральное значение, на основе постороннего шума, возникающего на протяжении временного интервала измерений, определяют значение поправки, на которое необходимо скорректировать это пропорциональное сигналу датчика детонационного сгорания интегральное значение, и из пропорционального сигналу датчика детонационного сгорания интегрального значения вычитают значение поправки с получением скорректированного пропорционального сигналу датчика детонационного сгорания интегрального значения с исключенной из него обусловленной посторонним шумом составляющей, при этом для определения значения поправки определяют максимальную интегральную составляющую, приходящуюся на долю паразитного сигнала, определяют продолжительность промежутка времени, в течение которого временной интервал возникновения посторонних шумов накладывается на временной интервал измерений, и максимальной интегральной составляющей, приходящейся на долю паразитного сигнала, присваивают весовой коэффициент, формируемый на основе продолжительности промежутка времени, в течение которого временной интервал возникновения посторонних шумов накладывается на временной интервал.
Лежащая в основе настоящего изобретения идея заключается в том, чтобы вычитать из пропорционального сигналу датчика детонационного сгорания интегрального значения интегральное значение, обусловленное корпусным шумом, создаваемым однозначно идентифицируемым источником помех, например клапанной форсункой, что позволяет как бы отфильтровывать посторонний корпусной шум от обусловленного детонацией корпусного шума и в последующем анализировать только его на наличие в двигателе детонационных стуков.
При возникновении посторонних шумов во временном интервале измерений описанные выше меры позволяют избежать ложного обнаружения детонационных стуков и тем самым изменения момента зажигания в сторону позднего без необходимости в этом. В установившемся режиме подобные меры позволяют избежать повышения опорного уровня и тем самым снижения эффективности распознавания детонационных стуков.
Предпочтительные варианты осуществления изобретения приведены в соответствующих зависимых пунктах формулы изобретения.
Так, в частности, согласно одному из предпочтительных вариантов максимальная длительность временного интервала возникновения посторонних шумов соответствует продолжительности временного интервала измерений. При этом для определения значения поправки предлагается определять максимальную интегральную составляющую, приходящуюся на долю паразитного сигнала, определять продолжительность промежутка времени, в течение которого временной интервал возникновения посторонних шумов накладывается на временной интервал измерений, и присваивать максимальной интегральной составляющей, приходящейся на долю паразитного сигнала, весовой коэффициент, формируемый на основе указанной продолжительности промежутка времени, в течение которого временной интервал возникновения посторонних шумов накладывается на временной интервал.
В соответствии с другим предпочтительным вариантом для формирования весового коэффициента предлагается определять временную характеристику изменения интенсивности всего постороннего шума и соотносить интегральное значение, определяемое по этой характеристике изменения интенсивности постороннего шума в пределах промежутка времени, в течение которого временной интервал возникновения посторонних шумов накладывается на временной интервал измерений, с общим интегральным значением, определяемым по этой характеристике изменения интенсивности постороннего шума.
В соответствии со следующим предпочтительным вариантом для определения максимальной интегральной составляющей, приходящейся на долю паразитного сигнала, предлагается обеспечивать такое относительное временное совмещение временного интервала возникновения посторонних шумов и временного интервала, при котором временной интервал возникновения посторонних шумов целиком попадает во временной интервал измерений, формировать первое пропорциональное сигналу датчика детонационного сгорания интегральное значение, обеспечивать такое относительное временное разнесение временного интервала возникновения посторонних шумов и временного интервала, при котором временной интервал возникновения посторонних шумов целиком лежит вне пределов временного интервала измерений, формировать второе пропорциональное сигналу датчика детонационного сгорания интегральное значение и вычитать это второе пропорциональное сигналу датчика детонационного сгорания интегральное значение из первого пропорционального сигналу датчика детонационного сгорания интегрального значения с получением в результате величины максимальной интегральной составляющей, приходящейся на долю паразитного сигнала.
Согласно еще одному предпочтительному варианту посторонним шумом является корпусный шум, возникающий при срабатывании клапанной форсунки для впрыскивания топлива.
В следующем предпочтительном варианте максимальную интегральную составляющую, приходящуюся на долю паразитного сигнала, предлагается определять в рабочей точке, в которой система регулирования по детонации не активна или в которой имеются все условия для возникновения детонации (например, при работе двигателя в диапазоне малых нагрузок или на богатой горючей смеси).
Согласно следующему предпочтительному варианту максимальную интегральную составляющую, приходящуюся на долю паразитного сигнала, предлагается определять заново при каждом пуске двигателя.
Предлагаемое в изобретении устройство для исключения влияния посторонних шумов при распознавании детонационных стуков в двигателе внутреннего сгорания имеет блок для формирования пропорционального сигналу датчика детонационного сгорания интегрального значения на протяжении временного интервала измерений, в течение которого регистрируется сигнал датчика детонационного сгорания, блок для определения на основе постороннего шума, возникающего на протяжении временного интервала измерений, значения поправки, на которое необходимо скорректировать пропорциональное сигналу датчика детонационного сгорания интегральное значение, и блок для вычитания значения поправки из пропорционального сигналу датчика детонационного сгорания интегрального значения с получением скорректированного пропорционального сигналу датчика детонационного сгорания интегрального значения с исключенной из него обусловленной посторонним шумом составляющей, при этом блок для определения значения поправки содержит блок для определения максимальной интегральной составляющей, приходящейся на долю паразитного сигнала, блок для определения продолжительности промежутка времени, в течение которого временной интервал возникновения посторонних шумов накладывается на временной интервал измерений, блок для формирования весового коэффициента на основе продолжительности промежутка времени, в течение которого временной интервал возникновения посторонних шумов накладывается на временной интервал, и блок для взвешивания максимальной интегральной составляющей, приходящейся на долю паразитного сигнала, путем ее умножения на весовой коэффициент.
Ниже изобретение более подробно рассмотрено на примере некоторых вариантов его осуществления со ссылкой на прилагаемые чертежи, на которых показано:
на фиг.1 – основные стадии процесса определения величины максимальной интегральной составляющей, приходящейся на паразитный сигнал, в соответствии с одним из вариантов осуществления изобретения,
на фиг.2 – диаграмма, иллюстрирующая ситуацию лишь с частичным наложением временного интервала возникновения посторонних шумов на временной интервал измерений в процессе исключения влияния паразитного сигнала на результаты распознавания детонационных стуков,
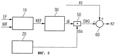
на фиг.3 – вариант выполнения предлагаемого в изобретении устройства для исключения влияния посторонних шумов при распознавании детонационных стуков в двигателе внутреннего сгорания,
на фиг.4 – диаграмма, иллюстрирующая лежащую в основе настоящего изобретения проблематику на примере временной характеристики временного интервала измерений, выделенного системе регулирования по детонации на определение наличия или отсутствия детонационных стуков, и временного интервала возникновения посторонних шумов, и
на фиг.5 – типичная характеристика I(t) изменения интенсивности обусловленного, например, открытием, соответственно закрытием, клапанной форсунки паразитного сигнала на протяжении временного интервала EF возникновения посторонних шумов.
На всех чертежах одинаковые или выполняющие одинаковую функцию элементы обозначены одними и теми же позициями.
В описанном ниже варианте осуществления изобретения предлагаемое в нем решение рассматривается на примере срабатывания (открытия, соответственно закрытия) клапанной форсунки.
На фиг.1 показаны основные стадии процесса определения максимальной интегральной составляющей, приходящейся на паразитный сигнал, в соответствии с одним из вариантов осуществления изобретения.
Согласно показанной на фиг.1 блок-схеме сначала на шаге S1 формируется первое пропорциональное сигналу датчика детонационного сгорания интегральное значение KI1. Это первое интегральное значение KI1 формируется в условиях взаимного временного наложения временного интервала EF возникновения посторонних шумов и временного интервала MF измерений, когда временной интервал EF возникновения посторонних шумов целиком попадает во временной интервал MF измерений. Иными словами, первое пропорциональное сигналу датчика детонационного сгорания интегральное значение KI1 соответствует максимально искаженному пропорциональному сигналу датчика детонационного сгорания интегральному значению.
На показанном на фиг.1 шаге S2 формируется второе пропорциональное сигналу датчика детонационного сгорания интегральное значение KI2 после полного разнесения во времени временного интервала EF возникновения посторонних шумов и временного интервала MF измерений, т.е. при полном отсутствии их взаимного временного наложения. Полученное в результате второе пропорциональное сигналу датчика детонационного сгорания интегральное значение KI2 соответствует тем самым неискаженному пропорциональному сигналу датчика детонационного сгорания интегральному значению.
Затем на показанном на фиг.1 шаге S3 путем вычитания второго пропорционального сигналу датчика детонационного сгорания интегрального значения KI2 из первого пропорционального сигналу датчика детонационного сгорания интегрального значения KI1 определяется максимальная интегральная составляющая dia, приходящаяся на паразитный сигнал, обусловленный наличием посторонних шумов. Тем самым значение dia соответствует интегральной составляющей помех в общем сигнале, когда временной интервал EF возникновения посторонних шумов полностью лежит в пределах временного интервала MF измерений.
В соответствии с этим пропорциональное сигналу датчика детонационного сгорания интегральное значение, определяемое интегральной схемой обработки сигнала датчика детонационного сгорания, всегда следует корректировать его уменьшением на величину dia, когда временной интервал возникновения посторонних шумов полностью попадает во временной интервал измерений.
Значение dia из-за отклонения рабочих характеристик клапанных форсунок и датчика детонационного сгорания от номинальных в пределах заданных допусков целесообразно определять адаптивно, например однократно при каждом пуске двигателя во время неактивной фазы работы системы регулирования по детонации.
На фиг.2 проиллюстрирована ситуация, когда при исключении влияния паразитного сигнала на результаты распознавания детонационных стуков в ДВС временной интервал EF возникновения посторонних шумов лишь частично перекрывается с временным интервалом MF измерений. Продолжительность промежутка времени, в течение которого имеет место подобное взаимное перекрытие или наложение двух указанных временных интервалов, обозначена на фиг.2 через UEF. В показанном на фиг.2 примере во временной интервал измерений попадает лишь вторая половина паразитного сигнала, характеристика которого показана на фиг.5, а именно та его половина, которая приходится на временной промежуток от 0,5 до 1 мс. В соответствии с этим, к пропорциональному сигналу датчика детонационного сгорания интегральному значению добавляется лишь обозначенное на фиг.5 через IW интегральное значение, пропорциональное интенсивности помех. Подобное лишь частичное наложение временного интервала EF возникновения посторонних шумов на временной интервал MF измерений учитывается в рассматриваемом варианте осуществления предлагаемого в изобретении способа.
В данном варианте осуществления предлагаемого в изобретении способа вычисленной в соответствии с показанной на фиг.1 блок-схемой максимальной интегральной составляющей dia, приходящейся на долю паразитного сигнала, присваивается весовой коэффициент di, формируемый на основе продолжительности промежутка времени UEF, в течение которого временной интервал возникновения посторонних шумов накладывается на временной интервал измерений, и функции распределения интенсивности I(t). Эту функцию можно при этом определять либо теоретически, либо эмпирическим путем.
Для формирования указанного выше весового коэффициента di интегральное значение IW, определяемое по характеристике I(t) изменения интенсивности в пределах промежутка времени UEF, в течение которого временной интервал возникновения посторонних шумов накладывается на временной интервал измерений, соотносят с общим интегральным значением IW+IW’, определяемым на основе этой характеристики I(t) изменения интенсивности. Умножением полученного таким путем весового коэффициента di на вычисленное на показанном на фиг.1 шаге S3 значение dia тем самым в зависимости от продолжительности промежутка времени UEF, в течение которого временной интервал возникновения посторонних шумов накладывается на временной интервал измерений, получают меньшее значение поправки, на которое для исключения влияния создаваемого в процессе впрыскивания топлива постороннего шума на пропорциональное сигналу датчика детонационного сгорания интегральное значение необходимо скорректировать это интегральное значение.
На фиг.3 показан один из вариантов выполнения предлагаемого в изобретении устройства для исключения влияния постороннего шума при распознавании детонационных стуков в ДВС, предназначенного для осуществления описанного выше со ссылкой на фиг.1, 2 и 5 способа.
На показанной на фиг.3 схеме позицией KI обозначено поступающее от датчика детонационного сгорания и интегральной схемы обработки его сигнала искаженное (зашумленное) пропорциональное сигналу датчика детонационного сгорания интегральное значение, формируемое на протяжении временного интервала MF измерений, в течение которого регистрируют сигнал датчика детонационного сгорания. Через KI’ на схеме обозначено скорректированное пропорциональное сигналу датчика детонационного сгорания интегральное значение, которое получают вычитанием поправки DKI, значение которой пропорционально интенсивности или уровню постороннего шума, возникшего на протяжении временного интервала MF измерений, из пропорционального сигналу датчика детонационного сгорания интегрального значения KI.
Показанный на фиг.3 блок 10 предназначен для определения обозначенной на фиг.2 продолжительности промежутка времени UEF, в течение которого временной интервал возникновения посторонних шумов накладывается на временной интервал измерений, на основе уже известных длительности временного интервала MF измерений и длительности временного интервала EF возникновения посторонних шумов, т.е. временного интервала, в течение которого происходит впрыскивание топлива за счет срабатывания клапанной форсунки. Длительность временного интервала возникновения посторонних шумов можно простым путем определить на основе заложенных в систему управления двигателем данных, а длительность временного интервала измерений – на основе данных, поступающих от интегральной схемы обработки сигнала датчика детонационного сгорания.
Значение продолжительности промежутка времени UEF, в течение которого временной интервал возникновения посторонних шумов накладывается на временной интервал измерений, передается в блок 30, который на основе этого значения формирует весовой коэффициент di, соотнося показанное на фиг.5 интегральное значение IW, определяемое по характеристике изменения интенсивности на протяжении промежутка времени UEF, в течение которого временной интервал возникновения посторонних шумов накладывается на временной интервал измерений, с общим интегральным значением IW+IW’. Этот весовой коэффициент di поступает затем в блок 50, представляющий собой умножитель.
В блок 50 поступает также значение, соответствующее максимальной интегральной составляющей dia, приходящейся на паразитный сигнал, и формируемое блоком 20 в соответствии с приведенным выше со ссылкой на фиг.1 описанием. В рассматриваемом варианте это значение, соответствующее максимальной интегральной составляющей dia, приходящейся на паразитный сигнал, целесообразно определять в рабочей точке, в которой система регулирования по детонации не активна, а именно при каждом пуске двигателя, с целью обеспечить соответствующую адаптацию этого значения к происходящим процессам старения физических элементов системы, соответственно к отклонению их рабочих характеристик от номинальных в пределах заданных допусков. В результате умножения в блоке 50 значения dia на значение di в конечном итоге определяется значение поправки DKI, на которую необходимо скорректировать пропорциональное сигналу датчика детонационного сгорания интегральное значение KI.
В отношении рассмотренного выше варианта осуществления изобретения следует отметить, что значение поправки необходимо определять отдельно, т.е. индивидуально, для каждого цилиндра. Скорректированное пропорциональное сигналу датчика детонационного сгорания интегральное значение KI’ используется в последующем системой регулирования по детонации для вычисления опорного уровня и для распознавания детонационных стуков традиционным методом.
Настоящее изобретение не ограничено предпочтительными вариантами его осуществления, на примере которых оно было рассмотрено выше, и предполагает возможность внесения в них различных модификаций.
Помимо этого настоящее изобретение не ограничено рассмотренным выше примером, в котором паразитный сигнал обусловлен шумами, создаваемыми при работе системы впрыскивания топлива, и может использоваться для исключения влияния любых, обладающих определенной конечной продолжительностью паразитных сигналов на процесс распознавания детонационных стуков.
Вместо сохранения характеристики изменения интенсивности в блоке для формирования весового коэффициента на основе продолжительности промежутка времени, в течение которого временной интервал возникновения посторонних шумов накладывается на временной интервал измерений, в нем изначально можно сохранить соответствующую таблицу, соответственно характеристику, из которой на основе начального и конечного значений продолжительности периода наложения временного интервала возникновения посторонних шумов на временной интервал измерений непосредственно считывается весовой коэффициент di. Помимо этого для взвешивания могут использоваться и иные коэффициенты.
Формула изобретения
1. Способ исключения влияния посторонних шумов при распознавании детонационных стуков в двигателе внутреннего сгорания, заключающийся в том, что на протяжении временного интервала (MF) измерений, в течение которого регистрируют сигнал датчика детонационного сгорания, формируют пропорциональное сигналу датчика детонационного сгорания интегральное значение (KI), на основе постороннего шума, возникающего на протяжении временного интервала (MF) измерений, определяют значение поправки (DKI), на которое необходимо скорректировать это пропорциональное сигналу датчика детонационного сгорания интегральное значение (KI), и из пропорционального сигналу датчика детонационного сгорания интегрального значения (KI) вычитают значение поправки (DKI) с получением скорректированного пропорционального сигналу датчика детонационного сгорания интегрального значения (KI’) с исключенной из него обусловленной посторонним шумом составляющей, при этом для определения значения поправки (DKI) определяют максимальную интегральную составляющую (dia), приходящуюся на долю паразитного сигнала, определяют продолжительность промежутка времени (UEF), в течение которого временной интервал (EF) возникновения посторонних шумов накладывается на временной интервал (MF) измерений, и максимальной интегральной составляющей (dia), приходящейся на долю паразитного сигнала, присваивают весовой коэффициент (di), формируемый на основе продолжительности промежутка времени (UEF), в течение которого временной интервал возникновения посторонних шумов накладывается на временной интервал.
2. Способ по п.1, отличающийся тем, что для формирования весового коэффициента (di) определяют временную характеристику (I(t)) изменения интенсивности всего постороннего шума и интегральное значение (IW), определяемое по этой характеристике (I(t)) изменения интенсивности постороннего шума в пределах промежутка времени (UEF), в течение которого временной интервал возникновения посторонних шумов накладывается на временной интервал измерений, соотносят с общим интегральным значением (IW+IW’), определяемым по этой характеристике (I(t)) изменения интенсивности постороннего шума.
3. Способ по п.1 или 2, отличающийся тем, что для определения максимальной интегральной составляющей (dia), приходящейся на долю паразитного сигнала, обеспечивают такое относительное временное совмещение временного интервала (EF) возникновения посторонних шумов и временного интервала (MF), при котором временной интервал (EF) возникновения посторонних шумов целиком попадает во временной интервал (MF) измерений, формируют первое пропорциональное сигналу датчика детонационного сгорания интегральное значение (KI1), обеспечивают такое относительное временное разнесение временного интервала (EF) возникновения посторонних шумов и временного интервала (MF), при котором временной интервал (EF) возникновения посторонних шумов целиком лежит вне пределов временного интервала (MF) измерений, формируют второе пропорциональное сигналу датчика детонационного сгорания интегральное значение (KI2) и второе пропорциональное сигналу датчика детонационного сгорания интегральное значение (KI2) вычитают из первого пропорционального сигналу датчика детонационного сгорания интегрального значения (KI1), получая в результате величину максимальной интегральной составляющей (dia), приходящейся на долю паразитного сигнала.
4. Способ по п.1 или 2, отличающийся тем, что посторонним шумом является корпусный шум, возникающий при срабатывании клапанной форсунки для впрыскивания топлива.
5. Способ по п.1 или 2, отличающийся тем, что максимальную интегральную составляющую (dia), приходящуюся на долю паразитного сигнала, определяют в рабочей точке, в которой система регулирования по детонации неактивна или в которой имеются все условия для возникновения детонации (например, при работе двигателя в диапазоне малых нагрузок или на богатой горючей смеси).
6. Способ по п.5, отличающийся тем, что максимальную интегральную составляющую (dia), приходящуюся на долю паразитного сигнала, определяют заново при каждом пуске двигателя.
7. Устройство для исключения влияния посторонних шумов при распознавании детонационных стуков в двигателе внутреннего сгорания, имеющее блок для формирования пропорционального сигналу датчика детонационного сгорания интегрального значения (KI) на протяжении временного интервала (MF) измерений, в течение которого регистрируется сигнал датчика детонационного сгорания, блок (10, 20, 30, 50) для определения на основе постороннего шума, возникающего на протяжении временного интервала (MF) измерений, значения поправки (DKI), на которое необходимо скорректировать пропорциональное сигналу датчика детонационного сгорания интегральное значение (KI), и блок (60) для вычитания значения поправки (DKI) из пропорционального сигналу датчика детонационного сгорания интегрального значения (KI) с получением скорректированного пропорционального сигналу датчика детонационного сгорания интегрального значения (KI’) с исключенной из него обусловленной посторонним шумом составляющей, при этом блок (10, 20, 30, 50) для определения значения поправки (DKI) содержит блок (20) для определения максимальной интегральной составляющей (dia), приходящейся на долю паразитного сигнала, блок (10) для определения продолжительности промежутка времени (UEF), в течение которого временной интервал (EF) возникновения посторонних шумов накладывается на временной интервал (MF) измерений, блок (30) для формирования весового коэффициента (di) на основе продолжительности промежутка времени (UEF), в течение которого временной интервал возникновения посторонних шумов накладывается на временной интервал, и блок (50) для взвешивания максимальной интегральной составляющей (dia), приходящейся на долю паразитного сигнала, путем ее умножения на весовой коэффициент (di).
8. Устройство по п.7, отличающееся тем, что в блоке (30) для формирования весового коэффициента (di) хранится временная характеристика (I(t)) изменения интенсивности всего постороннего шума и этот блок (30) соотносит интегральное значение (IW), определяемое по этой характеристике (I(t)) изменения интенсивности постороннего шума в пределах промежутка времени (UEF), в течение которого временной интервал возникновения посторонних шумов накладывается на временной интервал измерений, с общим интегральным значением (IW+IW’), определяемым по этой характеристике (I(t)) изменения интенсивности постороннего шума.
9. Устройство по п.7 или 8, отличающееся тем, что блок (20) для определения максимальной интегральной составляющей (dia), приходящейся на долю паразитного сигнала, позволяет выполнять следующие функции: обеспечение такого относительного временного совмещения временного интервала (EF) возникновения посторонних шумов и временного интервала (MF), при котором временной интервал (EF) возникновения посторонних шумов целиком попадает во временной интервал (MF) измерений, формирование первого пропорционального сигналу датчика детонационного сгорания интегрального значения (KI1), обеспечение такого относительного временного разнесения временного интервала (EF) возникновения посторонних шумов и временного интервала (MF), при котором временной интервал (EF) возникновения посторонних шумов целиком лежит вне пределов временного интервала (MF) измерений, формирование второго пропорционального сигналу датчика детонационного сгорания интегрального значения (KI2) и вычитание второго пропорционального сигналу датчика детонационного сгорания интегрального значения (KI2) из первого пропорционального сигналу датчика детонационного сгорания интегрального значения (KI1).
10. Устройство по п.7 или 8, отличающееся тем, что посторонним шумом является корпусный шум, возникающий при срабатывании клапанной форсунки для впрыскивания топлива.
РИСУНКИ
|
|