|
|
(21), (22) Заявка: 2005134457/28, 07.11.2005
(24) Дата начала отсчета срока действия патента:
07.11.2005
(46) Опубликовано: 20.04.2007
(56) Список документов, цитированных в отчете о поиске:
RU 2227902 С2, 27.04.2004. RU 2037770 C1, 19.06.2005. SU 1267154 A1, 30.10.1986. EP 1156299 A1, 21.11.2001.
Адрес для переписки:
440026, г.Пенза, ул. Красная, 40, Пензенский Государственный Университет
|
(72) Автор(ы):
Костоусов Максим Валерьевич (RU), Кулапин Валерий Ильич (RU), Светлов Анатолий Вильевич (RU)
(73) Патентообладатель(и):
Пензенский Государственный Университет (ПГУ) (RU)
|
(54) ИЗМЕРИТЕЛЬНЫЙ ПРЕОБРАЗОВАТЕЛЬ ПАРАМЕТРОВ РЕД С ЗАЗЕМЛЕННОЙ ЕМКОСТЬЮ СВЯЗИ
(57) Реферат:
Изобретение относится к измерительной технике и предназначено для преобразования неэлектрических параметров резистивно-емкостного датчика, включенного по схеме с заземленной емкостью связи (величины перемещения токосъемника), в напряжение. Устройство содержит опорный источник, формирователь импульса запоминания, резистивно-емкостной датчик (РЕД), опорный резистор R0, устройство выборки хранения (УВХ). Емкость связи РЕД шунтирована сопротивлением одного из плеч РЕД и заземлена, а выход опорного источника, имеющего выходное напряжение в виде прямоугольных импульсов, соединен с входом формирователя импульса запоминания и через опорный резистор – с одним из выводов РЕД и входом УВХ. Выход формирователя импульса запоминания соединен, в свою очередь, с управляющим входом УВХ, выходным сигналом служит выходное напряжение УВХ. Устройство функционирует таким образом, что напряжение на выходе УВХ пропорционально сопротивлению одного из плеч резистора резистивно-емкостного датчика. Технический результат – расширение функциональных возможностей, получение высокой точности преобразования из-за исключения влияния емкости связи резистивно-емкостного датчика. 3 ил.
Изобретение относится к измерительной технике и предназначено для преобразования неэлектрических параметров резистивно-емкостного датчика, включенного по схеме с заземленной емкостью связи (величины перемещения токосъемника), в напряжение. Известны несколько типов преобразователей параметров резистивно-емкостного датчика на основе релаксационных генераторов. Их недостатками являются низкие точность и надежность, обусловленные влиянием дестабилизирующих факторов окружающей среды (температуры, давления) на работу преобразователя. Большое влияние также оказывает величина емкости связи датчика.
Наиболее близким по технической сущности и решаемой задаче к предлагаемому решению является измерительный преобразователь параметров датчиков, предложенный в АС №2227902, опубликованном в БИ №12 за 2004 г., построенный по схеме, изображенной на фиг.1. В нем: 1 – опорный источник напряжений (ОИ), 2 – сравнивающее устройство (СУ), 3 – резистивно-емкостной датчик (РЕД), 4 – опорный резистор R0, 5 – инвертирующий источник управляемого напряжения (ИИУН).
Рассмотренное устройство невозможно применить в случае, когда заземлена емкость связи вследствие схемотехнического решения.
Задачей, на реализацию которой направлено предлагаемое изобретение, является применение РЕД при заземлении емкости связи, что расширяет функциональные возможности.
Это достигается тем, что измерительный преобразователь параметров датчиков, содержащий опорный источник напряжений, резистивно-емкостной датчик, опорный резистор R0, отличающийся тем, что в него дополнительно введены устройство выборки хранения и формирователь импульса запоминания, причем емкость связи РЕД шунтирована сопротивлением одного из плеч РЕД и заземлена, а выход опорного источника напряжения (ОИ), имеющего выходное напряжение в виде прямоугольных импульсов, соединен с входом формирователя импульса запоминания и через опорный резистор с одним из выводов РЕД и входом УВХ, выход формирователя импульса запоминания соединен, в свою очередь, с управляющим входом УВХ, выходным сигналом служит выходное напряжение УВХ.
Введение новых узлов и осуществление новых связей между ними позволяет получить более точный результат измерения при незначительном усложнении схемы построения.
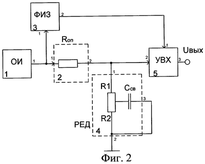
На фиг.2 изображена функциональная схема измерительного преобразователя. Позиции на фиг.2 обозначают: 1 – опорный источник (ОИ), 2 – опорный резистор R0, 3 – формирователь импульса запоминания (ФИЗ), 4 – резистивно-емкостной датчик с заземленной емкостью связи, 5 – устройство выборки хранения (УВХ).
На фиг.3 изображены временные диаграммы, поясняющие работу измерительного преобразователя параметров РЕД.
Работает предлагаемое устройство следующим образом (см. временные диаграммы фиг.3). Напряжение в виде прямоугольных импульсов с выхода ОИ 1 поступает на один вывод опорного резистора 2 и одновременно на вход формирователя импульса запоминания ФИЗ 3. С второго вывода опорного резистора 2 напряжение поступает на вход РЕД 4, при чем вывод емкости связи и второй вход РЕД заземлены, а также на вход устройства выборки хранения УВХ 5. Импульс с выхода ФИЗ 3 поступает на управляющий вход УВХ 5. В момент появления напряжения на выходе ОИ 1 (t0) начинается процесс зарядки емкости связи РЕД по цепи Ron, Rx, R0-Rx, и формируется импульс запоминания. Напряжение на входе РЕД в этот момент описывается выражением . УВХ 5 в момент действия импульса запоминания (t0) фиксирует значение напряжения на входе РЕД 4, пропорциональное сопротивлениям одного плеча РЕД и опорному сопротивлению.
Преобразователь содержит типовые узлы, описанные в книгах Б.И. Горошкова «Радиоэлектронные устройства», М., «Радио и связь», 1985, В.Н. Вениаминова и др. «Микросхемы и их применение», М., «Радио и связь», 1989, справочнике «Цифровые и аналоговые микросхемы» (авт. С.В.Якубовский и др.), М., «Радио и связь», 1990 и легко реализуются на практике.
Формула изобретения
Измерительный преобразователь параметров РЕД с заземленной емкостью связи, содержащий опорный источник напряжений, резистивно-емкостной датчик, опорный резистор R0, отличающийся тем, что в него дополнительно введены устройство выборки хранения и формирователь импульса запоминания, причем емкость связи РЕД шунтирована сопротивлением одного из плеч РЕД и заземлена, а выход опорного источника напряжения, имеющего выходное напряжение в виде прямоугольных импульсов, соединен с входом формирователя импульса запоминания и через опорный резистор с одним из выводов РЕД и входом УВХ, выход формирователя импульса запоминания соединен, в свою очередь, с управляющим входом УВХ, выходным сигналом служит выходное напряжение УВХ.
РИСУНКИ
MM4A – Досрочное прекращение действия патента СССР или патента Российской Федерации на изобретение из-за неуплаты в установленный срок пошлины за поддержание патента в силе
Дата прекращения действия патента: 08.11.2007
Извещение опубликовано: 10.05.2009 БИ: 13/2009
|
|