|
|
(21), (22) Заявка: 2005138816/28, 14.12.2005
(24) Дата начала отсчета срока действия патента:
14.12.2005
(46) Опубликовано: 20.04.2007
(56) Список документов, цитированных в отчете о поиске:
RU 2257543 C1, 27.07.2005. RU 2221220 C1, 10.01.2004. RU 2253837 C1, 10.06.2005. JP 3237310 A, 23.10.1991. US 5418830 A, 23.05.1995. DE 10012564 A1, 21.09.2000. US 5308987 A, 03.05.1994.
Адрес для переписки:
119048, Москва, ул. Усачева, 35, стр.1, ЗАО НИИИН МНПО “Спектр, В.Г. Запускалову
|
(72) Автор(ы):
Маслов Александр Иванович (RU), Запускалов Валерий Григорьевич (RU), Артемьев Борис Викторович (RU), Лукьяненко Эдуард Александрович (RU), Созонтов Александр Александрович (RU)
(73) Патентообладатель(и):
Закрытое акционерное общество Научно-исследовательский институт интроскопии Московского научно-производственого объединения “Спектр” (RU)
|
(54) РЕНТГЕНОВСКОЕ УСТРОЙСТВО КОНТРОЛЯ ТОЛЩИНЫ И ХИМИЧЕСКОГО СОСТАВА МАТЕРИАЛА ПРОКАТА
(57) Реферат:
Использование: для контроля толщины и химического состава материала проката. Сущность: заключается в том, что первая камера обращена к контролируемой ленте секцией, преобразующий элемент которой выполнен из материала с большим атомным номером, чем другая секция этой камеры, а вторая камера обращена к ленте секцией, преобразующий элемент которой выполнен из материала с меньшим атомным номером, чем другая секция второй камеры, при этом первая камера выполнена в форме сплошного диска, вторая камера – в форме полого диска, например шайбы, камеры расположены соосно и совмещены своими верхними, обращенными к излучателю, и нижними, обращенными к ленте, поверхностями в единых плоскостях, а рентгенозащитный экран выполнен в виде покрытия, нанесенного на внутреннюю образующую поверхность второй камеры и на ее верхнюю торцевую поверхность и, кроме того, камеры расположены так относительно излучателя и поверхности контролируемой ленты, чтобы максимально использовался энергетический потенциал отраженного рентгеновского потока. Технический результат: повышение достоверности и чувствительности контроля толщины и химического состава материала проката за счет максимального использования энергетического потенциала отраженного рентгеновского потока в контролируемой прокатной ленте, т.е. в использовании всей энергии рентгеновских потоков излучения. 1 ил.
Изобретение относится к области контрольно-измерительной техники, в частности к рентгеновским устройствам измерения толщины проката и химического состава его материала из металлического сплава, и может быть использовано при контроле листового, трубного и другого проката непосредственно на станах холодной и горячей прокатки в динамике.
Известны рентгеновские устройства контроля параметров проката из металлического сплава, содержащие источник рентгеновского излучения, преобразующую двухслойную камеру, размещенную в прямом потоке, и двухслойную камеру, размещенную в отраженном потоке, контролируемое изделие, контроллер и регистратор [Патенты РФ № 2179706, 2189008, 2221220, кл. G01В 15/02, US N5247560 A, 1993].
Недостатком известных рентгеновских измерителей является чрезвычайно слабая чувствительность и достоверность контроля толщины и химического состава материала проката из-за значительной потери отраженного рентгеновского потока излучения в результате того, что на камеры попадает часть потоков.
Наиболее близким техническим решением к заявляемому представляется рентгеновское устройство контроля толщины и химического состава материала проката из металлического сплава, содержащее источник направленного рентгеновского излучения, коллиматор, первую и вторую двухсекционные рентгеновские камеры, рентгенозащитный экран, контролируемое изделие, процессор и регистратор, причем первая камера размещена в прямом рентгеновском потоке излучения, вторая в отраженном [патент РФ №2257543, класс G01В 15/02 – прототип].
К недостатку этого технического решения относится недостаточная достоверность и чувствительность контроля вследствие большой потери энергии отраженного рентгеновского потока излучения.
Суть заявляемого технического решения состоит в том, что в рентгеновском устройстве контроля толщины и химического состава материала проката, содержащем источник рентгеновского излучения, коллиматор с окном, контролируемую прокатную ленту, первую двухсекционную камеру, размещенную между излучателем и контролируемой лентой нормально и симметрично прямому потоку излучения, вторую двухсекционную камеру, размещенную в отраженном потоке излучения, рентгенозащитный экран, первый и второй аналогово-цифровые преобразователи, процессор, входами связанный через первый и второй аналогово-цифровые преобразователи с выходами секций первой и второй камер, и регистратор, соединенный входом с выходом процессора, причем первая камера обращена к контролируемой ленте секцией, преобразующий элемент которой выполнен из материала с большим атомным номером Z, чем другая секция этой камеры, а вторая камера обращена к ленте секцией, преобразующий элемент которой выполнен из материала с меньшим атомным номером Z, чем другая секция второй камеры, первая камера выполнена в форме сплошного диска, вторая камера – в форме полого диска, например шайбы, расположены соосно одна в другой и совмещены своими верхними, обращенными к излучателю, и нижними, обращенными к ленте, поверхностями в единых плоскостях, а рентгенозащитный экран выполнен в виде покрытия, нанесенного на внутреннюю образующую поверхность второй камеры и на ее верхнюю торцевую поверхность, при этом расстояние h1 между торцевой поверхностью излучателя и верхней торцевой поверхностью первой и второй камер выбрано так, чтобы образующая телесного угла прямого потока излучения проходила через точки контакта наружной образующей поверхности первой камеры и внутренней образующей поверхности второй камеры в их нижней торцевой поверхности, а расстояние h2 между нижней торцевой поверхностью камер и поверхностью контролируемой ленты выбрано так, чтобы образующая отраженного потока рентгеновского излучения от структуры материала ленты по крайней мере не выходила за контур наружной образующей поверхности второй камеры.
Техническим преимуществом изобретения является повышение достоверности и чувствительности контроля толщины и химического состава материала проката за счет максимального использования энергетического потенциала отраженного рентгеновского потока в контролируемой прокатной ленте, т.е. в использовании всей энергии рентгеновских потоков излучения.
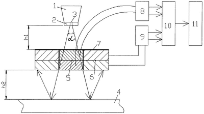
На чертеже приведена структурная блок-схема рентгеновского устройства. Оно содержит источник 1 рентгеновского излучения, коллиматор 2 с окном 3, закрепленный заподлицо к торцу излучателя 1, контролируемую прокатную ленту 4, первую двухсекционную камеру 5, размещенную между излучателем 1 и контролируемой лентой 4 нормально и симметрично прямому рентгеновскому потоку излучения, т.е. окну 3 коллиматора 2, вторую двухсекционную камеру 6, размещенную в отраженном от ленты 4 рентгеновском потоке. Первая камера 5 выполнена в форме сплошного диска, вторая камера 6 – в форме полого диска, например шайбы. Камеры 5, 6 расположены соосно одна в другой и совмещены своими верхними и нижними торцевыми поверхностями в единых плоскостях, при этом вторая камера 6 снабжена рентгенозащитным экраном 7, выполненным на ее внутренней образующей поверхности и на верхней торцевой поверхности, обращенной к излучателю 1, для защиты от попадания в нее прямого потока излучения со стороны первой камеры 5 и от попадания отраженного потока излучения в окружающую среду со стороны излучателя 1. В качестве материала рентгенозащитного экрана 7 лучше всего применять свинец, тантал и др., который наносят на поверхность камеры 6, например, методом напыления или другим. Первая камера 5 обращена к контролируемой ленте 4 секцией, преобразующий элемент которой выполнен из материала с большим значением атомного номера, чем другая секция этой камеры 5, обращенная к излучателю 1. Вторая камера 6 обращена к контролируемой ленте 4 секцией, преобразующий элемент которой выполнен из материала с меньшим значением атомного номера, чем другая секция второй камеры 6. Наружный размер первой камеры 5 назначается исходя из размера окна 3 коллиматора 2, который обеспечивает величину телесного угла прямого потока.
Кроме того, устройство включает в себя первый и второй аналогово-цифровые преобразователи 8 и 9, входами соединенные с выходами секций камер 5, 6, процессор 10 и регистратор 11. Входы процессора 10 соединены с выходами преобразователей 8, 9, а его выход подключен к регистратору 11. В качестве регистратора 11 может быть монитор.
Расстояние h1 между торцевой поверхностью излучателя 1 совместно с коллиматором 2 и верхней торцевой поверхностью первой и второй камер 5 и 6 выбрано так, чтобы образующая прямого потока в значении телесного угла проходила через точки контакта наружной образующей первой камеры 5 и внутренней образующей второй камеры 6 в их нижней торцевой плоскости, обращенной к контролируемой ленте 4. Расстояние h2 между нижней торцевой поверхностью камер 5 и 6 и поверхностью контролируемой ленты 4 выбрано так, чтобы образующая отраженного потока рентгеновского излучения от структуры материала ленты 4 по крайней мере не выходила за контур наружной образующей поверхности камеры 6. В данном случае толщиной ленты 4 можно пренебречь из-за низкого влияния изменения толщины контролируемой ленты на угловое распределение интенсивности отраженного потока.
Секции обеих камер 5, 6 выполнены из материалов, у которых в качестве малого атомного номера Z может быть использован материал с низким атомным номером, например Al (алюминий), а материал с высоким атомным номером типа Bi (висмут). Секции камер 5, 6 предназначены для преобразования рентгеновского излучения в аналоговые электрические сигналы, которые оцифровываются в аналогово-цифровых преобразователях 8, 9.
Разные по величине атомные числа Z материалов преобразующих элементов камер 5 и 6 обеспечивают высокое энергетическое разрешение, улучшающее достоверность и спектральную чувствительность устройству, и увеличивают значение отношения сигнал/шум и уменьшают искажения спектра излучения.
Процессор 10 выполняет функции обработки электрических сигналов детекторов 8, 9, их преобразование (сложение, вычитание, деление) в форму, удобную для воспроизведения на регистраторе 11 и запоминания информации, которая отображается на регистраторе 11.
Работа измерителя.
В процессе контроля протяжной ленты 4 для стабилизации метрологических характеристик излучателя 1 поддерживают постоянными эффективную энергию потока зондирующего излучения и его интенсивность. Эффективная энергия определяется как функции отношений токов первой и второй секций камер 5 и 6. Прямой поток рентгеновского излучения направляют через окно 3 коллиматора 2 в сторону первой камеры 5, который затем просвечивает ленту 4. Отраженный поток рентгеновского излучения от структуры материала контролируемой ленты 4 полностью попадает на секцию из материала с меньшим атомным номером Z в камеру 6. Электрические сигналы от секций камер 5 и 6 оцифровываются в блоках 8, 9 и поступают на входы процессора 10 для обработки, а затем на регистратор 11 в необходимой форме (например, в физических единицах) для оператора. Электрические сигналы с камеры 5 сравниваются в процессоре 10 и по изменению сравненного значения сигналов судят о стабильности эффективной энергии потока и его интенсивности. Одновременно с этой процедурой сравниваются в процессоре 10 электрические сигналы камеры 6, принимающей отраженный рентгеновский поток от материала контролируемой ленты 4, и по изменению сравненных сигналов этой камеры 6 судят о значении эффективного атомного номера Zэфф материала контролируемой ленты 4 и ее толщине.
Техническим результатом изобретения является повышение достоверности и чувствительности контроля толщины и химического состава материала проката за счет максимального использования энергетического потенциала прямого и отраженного рентгеновских потоков в контролируемой прокатной ленте, т.е. в использовании всей энергии рентгеновских потоков излучения.
Формула изобретения
Рентгеновское устройство контроля толщины и химического состава материала проката, содержащее источник рентгеновского излучения, коллиматор с окном, контролируемую прокатную ленту, первую двухсекционную камеру, размещенную между излучателем и контролируемой лентой нормально и симметрично прямому потоку излучения, вторую двухсекционную камеру, размещенную в отраженном потоке излучения, рентгенозащитный экран, первый и второй аналогово-цифровые преобразователи, процессор, входами связанный через первый и второй аналогово-цифровые преобразователи с выходами секций первой и второй камер, и регистратор, соединенный входом с выходом процессора, причем первая камера обращена к контролируемой ленте секцией, преобразующий элемент которой выполнен из материала с большим атомным номером, чем другая секция этой камеры, а вторая камера обращена к ленте секцией, преобразующий элемент которой выполнен из материала с меньшим атомным номером, чем другая секция второй камеры, отличающееся тем, что первая камера выполнена в форме сплошного диска, вторая камера – в форме полого диска, например шайбы, камеры расположены соосно и совмещены своими верхними, обращенными к излучателю, и нижними, обращенными к ленте поверхностями в единых плоскостях, а рентгенозащитный экран выполнен в виде покрытия, нанесенного на внутреннюю образующую поверхность второй камеры и на ее верхнюю торцевую поверхность, при этом расстояние h1 между торцевой поверхностью излучателя и верхней торцевой поверхностью первой и второй камер выбрано так, чтобы образующая телесного угла от прямого потока излучения проходила через точки контакта наружной образующей поверхности первой камеры и внутренней образующей поверхности второй камеры в их нижней торцевой поверхности, а расстояние h2 между нижней торцевой поверхностью камер и поверхностью контролируемой ленты выбрано так, чтобы образующая отраженного потока рентгеновского излучения от структуры материала ленты по крайней мере не выходила за контур наружной образующей поверхности второй камеры.
РИСУНКИ
MM4A – Досрочное прекращение действия патента СССР или патента Российской Федерации на изобретение из-за неуплаты в установленный срок пошлины за поддержание патента в силе
Дата прекращения действия патента: 15.12.2007
Извещение опубликовано: 27.07.2009 БИ: 21/2009
|
|