|
|
(21), (22) Заявка: 2005128794/12, 19.09.2005
(24) Дата начала отсчета срока действия патента:
19.09.2005
(46) Опубликовано: 20.04.2007
(56) Список документов, цитированных в отчете о поиске:
ЕА 4584, 24.06.2004. RU 2221123 C1, 10.01.2004. US 6155617 A, 05.12.2000. RU 2156389 C1, 20.09.2000. DE 4433250 A, 06.04.1995.
Адрес для переписки:
109004, Москва, Пестовский пер., стр.3, ООО “ТРАНС-ПЛОМБИР”, руководителю
|
(72) Автор(ы):
Акимов Владимир Ефимович (RU), Назаркин Сергей Владимирович (RU), Анненков Александр Васильевич (RU)
(73) Патентообладатель(и):
Общество с ограниченной ответственностью “ТРАНС-ПЛОМБИР” (RU)
|
(54) ГИБКОЕ ЗАПОРНО-ПЛОМБИРОВОЧНОЕ УСТРОЙСТВО
(57) Реферат:
Изобретение относится к области скобяных изделий и, в частности, к запорно-пломбировочным устройствам, в которых в качестве замыкателя используется гибкий элемент, например отрезок троса, и касается устройства, содержащего отрезок троса с жестко закрепленным пассивным концом и пропускаемый свободный конец отрезка троса через запирающий механизм, состоящий из корпуса, закрытого передней и задней крышками соответственно с входным и выходным отверстиями под отрезок троса, и с внутренней поверхностью, две противоположные грани которой выполнены параллельными, а две другие противоположные грани расположены под углом, подпружиненного сепаратора с осевым отверстием под отрезок троса и размещенных в посадочных гнездах сепаратора фиксирующих элементов, выполненных в виде двух роликов, взаимодействующих своей поверхностью при запирании с гранями, расположенными под углом, и отрезком троса. Устройство снабжено указывающим на манипуляции защитным элементом, выполненным в виде выступа, расположенным внутри, по меньшей мере, одной местной опрессовки, и ограничителем хода сепаратора в положении, подготовленным для запирания, выполненным в виде П-образной пластины с отверстием и с отбортовкой для совместного крепления с передней крышкой. При этом стабилизатор пружины выполнен заодно с задней крышкой, а выступ на задней стенке сепаратора снабжен буртиком для взаимодействия с одним концом пружины. Средство предотвращения несанкционированного вскрытия устройства обеспечено совокупным использованием входного отверстия в передней крышке, ограничителя хода сепаратора и выполнением конической поверхности в переднем буртике сепаратора. Техническим результатом является надежность защиты объекта, удобство в обращении. 4 з.п. ф-лы, 13 ил.
Область техники, к которой относится изобретение
Данное изобретение относится в целом к скобяным изделиям и, в частности, к устройствам для запирания с опломбированием дверей железнодорожных вагонов, грузовых контейнеров и автофургонов, люков цистерн, штурвалов хоппер-зерновозов, пакгаузов, складов, магазинов, торговых палаток и др. объектов.
Более конкретно изобретение относится к запорно-пломбировочным устройствам, в которых в качестве замыкателя используется гибкий элемент, например отрезок троса.
Уровень техники
Известно гибкое запорно-пломбировочное устройство, содержащее отрезок троса с жестко закрепленным пассивным концом и пропускаемый свободный конец отрезка троса через запирающий механизм, состоящий из корпуса, закрытого передней и задней крышками соответственно с входным и выходным отверстиями под отрезок троса, и с внутренней поверхностью, две противоположные грани которой выполнены параллельными, а две другие противоположные грани расположены под углом, подпружиненного пружиной сепаратора с осевым отверстием под отрезок троса и с передней и задней стенками и размещенных в посадочных гнездах сепаратора и выступающих из него фиксирующих элементов, выполненных в виде двух роликов, взаимодействующих своей поверхностью при запирании с гранями, расположенными под углом, и отрезком троса. При этом пружина одним концом надета на выступ, выполненный на задней стенке сепаратора, а вторым концом упирается на заднюю крышку, а пассивный конец отрезка троса закреплен в отверстии, выполненном в корпусе, посредством нескольких опрессовок на каждой стороне корпуса.
Устройство имеет средство предотвращения несанкционированного вскрытия.
Оно выполнено в виде симметричных диаметрально расположенных на передней стенке сепаратора выступов, повторяющих профиль троса. Выступы предотвращают проникновение каких-либо предметов небольшой толщины, но сравнительно достаточной жесткости к роликам для их отжима, и последующего высвобождения отрезка троса, то есть несанкционированного вскрытия пломбы и доступа к охраняемому объекту
(патент РФ на изобретение №2221123, Е05В 39/02, G09F 3/03, бюл. №1).
Однако наличие зазора между сопрягаемыми элементами, то есть отрезком троса и входным отверстием под него, не исключает возможность воздействия на запирающий механизм с помощью, например, «отмычки» с целью несанкционированного вскрытия устройства посредством вытягивания отрезка троса из корпуса.
Выполнение входного отверстия для отрезка троса жесткими допусками, обеспечивающими прохождение отрезка троса, уменьшает зазор между входным отверстием и поверхностью троса, однако сравнительно большой разброс допусков троса практически сводит на нет ужесточение допуска на входное отверстие.
Деление тросов по группам (селективная сборка) значительно усложняет и удорожает производство.
Недостатком указанного устройства является и то, что фиксирующие элементы в сепараторе под действием пружины на сепаратор в нерабочем состоянии практически соприкасаются своими поверхностями друг с другом. Вследствие этого в начальной стадии запирания необходимо приложить немалые усилия, мастерство, опыт, а также непроизводительно потратить на эту операцию время для того, чтобы раздвинуть фиксирующие элементы и заправить между ними свободный конец отрезка троса.
К недостаткам также следует отнести и неустойчивое положение пружины, надетой одним концом на цилиндрический выступ, выполненный на задней стенке сепаратора, а другим опирающимся на заднюю крышку.
В процессе завальцовки крышки в корпус по контуру не исключается вероятность смещения пружины относительно выходного отверстия в задней крышке и спада ее переднего конца с выступа на задней стенке сепаратора.
Кроме того, в указанном известном устройстве местные опрессовки, представляющие собой, как известно, углубление с ровной поверхностью в нижней части, могут быть вскрыты злоумышленниками с последующим высвобождением пассивного конца отрезка троса для несанкционированного доступа к охраняемому объекту и затем искусно заделаны. Причем проследить факт такого вскрытия не всегда представляется возможным.
И кроме того, поскольку выступы на сепараторе выполнены заодно с ним, то при первоначальном пропускании (проталкивании) троса при запирании устройства требуется прикладывать дополнительное усилие.
Известно гибкое запорно-пломбировочное устройство, содержащее отрезок троса с жестко закрепленным пассивным концом и пропускаемый свободный конец отрезка троса через запирающий механизм, состоящий из корпуса, закрытого передней и задней крышками соответственно с входным и выходным отверстиями под отрезок троса, и с внутренней поверхностью, две противоположные грани которой выполнены параллельными, а две другие противоположные грани расположены под углом, подпружиненного пружиной сепаратора с осевым отверстием под отрезок троса и с передней и задней стенками и размещенных в посадочных гнездах сепаратора и выступающих из него фиксирующих элементов, выполненных в виде двух роликов, взаимодействующих своей поверхностью при запирании с гранями, расположенными под углом, и отрезком троса. При этом пружина одним концом надета на выступ, выполненный на задней стенке сепаратора, а другим концом надета на стабилизатор пружины, выполненный в виде втулки, расположенной между сепаратором и задней крышкой корпуса. Причем сепаратор снабжен разделителем роликов, выполненных в виде упоров, симметрично расположенных относительно оси осевого отверстия, а пассивный конец отрезка троса закреплен в отверстии, выполненном в корпусе, посредством нескольких опрессовок на каждой стороне корпуса. Устройство имеет средство предотвращения несанкционированного вскрытия.
Оно выполнено в виде насадки-кольца с выступами, повторяющими профиль отрезка троса, и буртиком, которым оно надето на кольцевую проточку, выполненную на передней стенке сепаратора для его свободного вращения. Выступы предотвращают проникновение каких-либо предметов небольшой толщины, но сравнительно достаточной жесткости к роликам для их отжима и последующего высвобождения отрезка троса, то есть несанкционированного вскрытия пломбы и доступа к охраняемому объекту. Благодаря вращению насадки-кольца на сепараторе проталкивание отрезка троса не требует дополнительных усилий
(евразийский патент №004584, Е05В 39/02, G09F 3/03, 24.06.04).
В известном устройстве преодолены некоторые недостатки, присущие устройству по первому вышеприведенному патенту.
Так, например, до некоторой степени повышена устойчивость пружины относительно задней крышки благодаря выполнению стабилизатора пружины в виде втулки, свободно размещенной между сепаратором и задней крышкой; обеспечена легкость разделения роликов в начальной стадии запирания благодаря упорам-разделителям роликов, размещенных в посадочных гнездах сепаратора.
Однако другие недостатки, указанные выше, остались, в том числе:
– возможность высвобождения пассивного конца отрезка троса посредством вскрытия местной опрессовки с последующей заделкой после несанкционированного доступа к охраняемому объекту;
– возможность спада переднего конца пружины с выступа на сепараторе при завальцовке задней крышки;
– возможность воздействия на запирающий механизм через зазор между входным отверстием в передней крышке и поверхностью троса.
Кроме того, наличие втулки-стабилизатора из-за ее свободного размещения не гарантирует ее смещения при завальцовке задней крышки относительно осевого отверстия в сепараторе и отверстия в задней крышке, что представляет некоторые трудности при запирании устройства. Поскольку задняя крышка размещена с открытой стороны корпуса, т.е. со стороны выхода свободного конца отрезка троса, не исключается возможность ее вскрытия при злоумышленном воздействии через зазоры в выходном отверстии в крышке и отрезком троса, после чего возможно последующее запирание устройства.
И кроме того, хотя свободное вращение насадки-кольца на сепараторе облегчает пропускание (проталкивание) троса при запирании устройства и не требует дополнительных усилий, однако для легкого вращения кольца на буртике сепаратора требуется их точное изготовление, что следует отнести к недостаткам известного средства.
Техническим результатом, получаемым при использовании предлагаемого устройства, является простота конструкции, вместе с тем обеспечивающая при этом высокую надежность и максимальную защиту запираемых объектов от несанкционированного вскрытия.
Сущность изобретения
Обеспечение указанного технического результата достигается за счет того, что гибкое запорно-пломбировочное устройство, содержащее отрезок троса с жестко закрепленным пассивным концом и пропускаемый свободный конец троса через запирающий механизм, состоящий из корпуса, закрытого передней и задней крышками соответственно с входным и выходным отверстиями под отрезок троса, и с внутренней поверхностью, две противоположные грани которой выполнены параллельными, а две другие противоположные грани расположены под углом, подпружиненного пружиной сепаратора с осевым отверстием под отрезок троса и с передней и задней стенками и размещенных в посадочных гнездах сепаратора и выступающих из него фиксирующих элементов, выполненных в виде двух роликов, взаимодействующих своей поверхностью при запирании с гранями, расположенными под углом, и отрезком троса, при этом пружина одним концом надета на выступ, выполненный на задней стенке сепаратора, а другим концом надета на стабилизатор пружины, и средство предотвращения несанкционированного вскрытия устройства, причем сепаратор снабжен разделителем роликов, выполненных в виде упоров, симметрично расположенных относительно оси осевого отверстия, и передним буртиком, выполненным на передней стенке, а пассивный конец отрезка троса закреплен в отверстии, выполненном в корпусе, посредством нескольких опрессовок на каждой стороне корпуса, устройство снабжено указывающим на манипуляции защитным элементом, выполненным в виде выступа, расположенным внутри, по меньшей мере, одной местной опрессовки, и ограничителем хода сепаратора в положении, подготовленном для запирания, выполненным в виде тонкой П-образной пластины с центральным отверстием и с отбортовкой для совместного крепления с передней крышкой, при этом стабилизатор пружины выполнен заодно с задней крышкой, а выступ на задней стенке сепаратора снабжен задним буртиком для взаимодействия с одним концом пружины, причем средство предотвращения несанкционированного вскрытия устройства обеспечено совокупным использованием входного отверстия в передней крышке, ограничителя хода и выполнением конической поверхности в переднем буртике сепаратора.
Также тем, что выступ, расположенный внутри местной опрессовки, выполнен по форме или в виде конуса, или угловым, или полукруглым, или параллелепипеда, или цилиндра.
Также тем, что задний буртик снабжен фаской.
Также тем, что задняя крышка с нижней стороны по контуру снабжена фаской.
Также тем, что пломбировочная информация нанесена на внешнюю поверхность корпуса.
Краткое описание чертежей
На фиг.1 и 2 изображены соответственно общий вид и вид сбоку гибкого запорно-пломбировочного устройства с выступом по форме в виде конуса.
На фиг.3 и 4 – фрагментарно соответственно общий вид и вид сбоку устройства с выступом по форме угловым.
На фиг.5 и 6 – фрагментарно соответственно общий вид и вид сбоку устройства с выступом по форме полукруглым.
На фиг.7 и 8 – фрагментарно соответственно общий вид и вид сбоку устройства с выступом по форме в виде параллелограмма.
На фиг.9 и 10 – фрагментарно соответственно общий вид и вид сбоку устройства с выступом по форме в виде цилиндра.
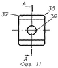
На фиг.11 – ограничитель хода сепаратора.
На фиг.12 – сечение по А-А на фиг.11.
На фиг.13 – сепаратор.
Предпочтительный вариант осуществления изобретения
Гибкое запорно-пломбировочное устройство содержит отрезок троса 1 с жестко закрепленным пассивным концом 2 и пропускаемый свободный конец 3 отрезка троса через запирающий механизм, состоящий из корпуса 4, закрытого передней 5 и задней 6 крышками соответственно с входным 7 и выходным 8 отверстиями под отрезок троса, и с внутренней поверхностью, две противоположные грани 9 которой выполнены параллельными, а две другие противоположные грани 10 расположены под углом (то есть внутренняя поверхность в поперечном сечении имеет форму прямоугольника), подпружиненного пружиной 11 сепаратора 12 с осевым отверстием 13 под отрезок троса и с передней 14 и задней 15 стенками и размещенных в посадочных гнездах 16 сепаратора 12 и выступающих из него фиксирующих элементов, выполненных в виде двух роликов 17, взаимодействующих своей поверхностью при запирании с гранями 10, расположенными под углом, и отрезком троса 1. Продольные оси роликов 17 при размещении в посадочных гнездах 16 сепаратора 12 параллельны друг другу, а плоскость, в которой они расположены, перпендикулярна осевому отверстию 13. При этом пружина 11 одним концом надета на выступ 18, выполненный на задней стенке 15 сепаратора 12 и который снабжен буртиком 19 с фаской. Другим концом пружина надета на стабилизатор 20 пружины, выполненный в виде втулки 21 заодно с задней крышкой 6, т.е. втулка 21, на которую надевается пружина, и задняя крышка 6 составляют единое целое – стабилизатор 20. При этом задняя крышка с нижней стороны по контуру снабжена фаской 22. Сепаратор 12 снабжен разделителем роликов, выполненных в виде упоров 23, симметрично расположенных относительно оси осевого отверстия 13, а пассивный конец 2 отрезка троса 1 закреплен в отверстии 24, выполненном в корпусе, посредством нескольких местных опрессовок 25 на каждой стороне корпуса 4. В отличие от прототипа устройство снабжено указывающим на манипуляции защитным элементом, выполненным в виде выступа 26 по форме в виде, например, конуса (фиг.1 и 2), расположенным внутри, по меньшей мере, одной местной опрессовки 25, при этом количество опрессовок предпочтительно выполнять три-пять. Причем две опрессовки на одной стороне 27 корпуса 4 целесообразно располагать в межопрессованном пространстве трех опрессовок, выполненных на другой стороне 28 корпуса 4 (для варианта с пятью опрессовками).
Выступ по форме может быть выполнен также или угловым 29, или полукруглым 30, или параллелепипед 31, цилиндр 32.
Таким образом, наличие по крайней мере в одной местной опрессовке выступа повышает охранные свойства устройства, т.к. вскрыть местные опрессовки с последующей незаметной заделкой вне заводских условий невозможно. То есть устройство имеет повышенную устойчивость к криминальному взлому.
Выступы могут быть расположены симметрично внутри опрессовки, при этом на корпусе возможна любая комбинация форм выступов. Например, на одной стороне корпуса выступы могут быть выполнены по форме в виде конуса, а на другой – по форме в виде цилиндра и т.д. То есть они могут быть выполнены в различных сочетаниях и комбинациях.
Кроме того, благодаря такому выполнению местных опрессовок глубина опрессовок уменьшилась с 2,8 до 2,5 мм. При этом усилие выдергивания пассивного конца отрезка троса осталось на нормированном для конкретного диаметра отрезка троса уровне.
Благодаря выполнению буртика 19 с фаской на выступе 18 задней стенки сепаратора 12 пружина 11 легко надевается и не спадает при завальцовке задней крышки 6, а благодаря выполнению фаски по контуру последней повышается надежность ее крепления в корпусе.
Выполнение же втулки 21 – стабилизатора за одно целое с задней крышкой 6 не только гарантирует его соосное размещение относительно осевого отверстия 13 в сепараторе 12, а потому и легкую заправку отрезка троса, но и исключает возможность вскрытия крышки при злоумышленном воздействии через зазоры в выходном отверстии 7 и отрезком троса. Последний для удобства заправки снабжен наконечником 33 (либо опаян с образованием конического конца, а его пассивный конец 2 либо снабжен втулкой 34, либо предварительно опаян.
Необходимая пломбировочная информация, например порядковый номер, код железной дороги и т.п., может быть нанесена на внешнюю поверхность корпуса.
Устройство снабжено ограничителем 35 хода сепаратора в положении, подготовленном для запирания, выполненном в виде тонкой П-образной пластины с центральным отверстием 36 и с отбортовкой 37 для совместного с передней крышкой 35 (например, посредством завальцовки по контуру).
Ограничитель хода сепаратора позволяет увеличить разделение (разведение) роликов до момента запирания на максимально возможную величину, например 3 мм и более. Это, во-первых, обеспечивает легкое пропускание отрезка троса при запирании устройства, а также позволяет использовать наконечник троса с менее острым кольцом (более технологичным в изготовлении).
Средство предотвращения несанкционированного вскрытия устройства обеспечено совокупным использованием входного отверстия передней крышки, ограничителя 35 хода сепаратора и выполнением конической поверхности 38 в переднем буртике 39 сепаратора 12. Благодаря этому воздействовать на механизм замыкания – фиксирующие ролики, расположенные за двумя “преградами-препятствиями” (крышкой и ограничителем) посредством каких-либо предметов, вводимых в зазор между тросом и отверстиями в крышке и ограничителе, и произвести перемещение фиксирующих элементов-роликов в противоположном замыканию направлении, т.е. освободить отрезок троса от заклинивания, практически невозможно. При этом ограничитель выполняет три функции:
– увеличивает зазор между фиксирующими элементами-роликами для более легкого (свободного) пропускания отрезка троса;
– служит наряду с другими элементами средством предотвращения несанкционированного вскрытия;
– служит указателем попытки несанкционированного вскрытия устройства силовым методом. О чем более подробно будет сказано ниже.
В случае проникновения какого-либо предмета в конструктивные зазоры между витками отрезка троса и отверстиями в передней крышке и ограничителе он будет отклоняться конической поверхностью 38, образованной в передней буртике 39 сепаратора 12, и направляться под фиксирующие элементы-ролики, где будет зажат (защемлен) между одним из роликов и отрезком троса. Что также не позволяет снять запорно-пломбировочное устройство без его разрушения и затем произвести повторное замыкание.
Гибкое запорно-пломбировочное устройство используется следующим образом.
Свободный конец 3 отрезка троса пропускается сквозь проушины узла запирания, и далее его свободный конец пропускается через запирающий механизм. Наконечник 33 отрезка троса 1 проходит через входное отверстие 7 в передней крышке 5 и в центральное отверстие 36 в ограничителе 35 и входит в осевое отверстие 13 в сепараторе 12. Благодаря гарантированному зазору между роликами 17, образованному разделителем роликов – упорами 23 – и ограничителем хода сепаратора, наконечник 33 легко входит между ними. Его дальнейшее продвижение требует лишь небольшого усилия. Сепаратор 12 с роликами 17 под действием этого усилия сжимает пружину 11 и перемещается во внутренней полости корпуса 4 из участка 40 с меньшим поперечным сечением в участок 41 с большим поперечным сечением. При этом сепаратор 12 боковыми гранями контактирует с параллельными гранями 9 внутренней поверхности корпуса. Ролики 17 выходят из осевого отверстия 13 в сепараторе, освобождая проход для отрезка троса. При этом ролики цилиндрическими боковыми поверхностями одновременно взаимодействуют с отрезком троса и с двумя противоположными, расположенными под углом, гранями 10 (рабочими гранями). Далее наконечник 33 входит во втулку 21 стабилизатора 20 и затем в выходное отверстие 8 в задней крышке 6. Поскольку стабилизатор выполнен как единое целое в виде втулки и задней крышки, его соосность с осевым отверстием 13 в сепараторе гарантируется. Учитывая то, что наконечник 33 это жесткое тело и имеет длину несколько большую, чем расстояние между торцом выступа 18 и передним торцом втулки 21 (фиг.1), он гарантированно западает во втулку 21.
После того как будет выбрана петля отрезка троса 1 и запирающий механизм подойдет к проушинам, предпочтительно запирающий механизм оттянуть слегка назад. Ролики 17, взаимодействующие цилиндрической боковой поверхностью с гранями 10, расположенными под углом, слегка погружаются в отрезок троса 1. При попытке силового извлечения отрезка троса 1 путем оттягивания назад запирающего механизма ролики 17 в сепараторе 12, перемещаясь в участок 40 с меньшим поперечным сечением, начинают с большей силой стопорить отрезок троса 1. Причем чем больше усилие, прикладываемые к запирающему механизму, тем дальше фиксирующие элементы-ролики 17 совместно с сепаратором 12 перемещаются в сторону участка 40 с меньшим поперечным сечением внутренней поверхности и тем ниже опускаются ролики 17 внутрь осевого отверстия 13 сепаратора 12, и тем сильнее стопорят отрезок троса 1.
В случае дальнейшего воздействия указанным выше способом происходит разрушение ограничителя (его третья функция – назначение), поскольку он выполнен из тонкой пластины, что впоследствии позволяет (при необходимости) установить факт несанкционированной попытки вскрытия устройства, при этом отверстие 36 в ограничителе 35 деформируется и проникновение каких-либо предметов внутрь корпуса блокируется, в результате чего нарушаются запирающие свойства устройства и его повторное использование исключается.
Фиксирующие элементы-ролики 17 могут быть снабжены либо кольцевой проточкой посередине, либо чередующимися кольцевыми выступами, и впадинами, и шипами в средней части, а также продольной накаткой на боковых сторонах образующей длины ролика. Это способствует повышению сопротивляемости высвобождения отрезка троса из запирающего механизма.
Санкционированное вскрытие устройства осуществляется перекусыванием отрезка троса известными средствами, например, тросорезом.
Предлагаемое нами гибкое запорно-пломбировочное устройство надежно защищает объект, удобно в обращении и просто в изготовлении.
Формула изобретения
1. Гибкое запорно-пломбировочное устройство, содержащее отрезок троса с жестко закрепленным пассивным концом и пропускаемый свободный конец троса через запирающий механизм, состоящий из корпуса, закрытого передней и задней крышками соответственно с входным и выходным отверстиями под отрезок троса, и с внутренней поверхностью, две противоположные грани которой выполнены параллельными, а две другие противоположные грани расположены под углом, подпружиненного пружиной сепаратора с осевым отверстием под отрезок троса и с передней и задней стенками и размещенных в посадочных гнездах сепаратора и выступающих из него фиксирующих элементов, выполненных в виде двух роликов, взаимодействующих своей поверхностью при запирании с гранями, расположенными под углом, и отрезком троса, при этом пружина одним концом надета на выступ, выполненный на задней стенке сепаратора, а другим концом надета на стабилизатор пружины, и средство предотвращения несанкционированного вскрытия устройства, причем сепаратор снабжен разделителем роликов, выполненных в виде упоров, симметрично расположенных относительно оси осевого отверстия, и передним буртиком, выполненным на передней стенке, а пассивный конец отрезка троса закреплен в отверстии, выполненном в корпусе, посредством нескольких опрессовок на каждой стороне корпуса, отличающееся тем, что устройство снабжено указывающим на манипуляции защитным элементом, выполненным в виде выступа, расположенным внутри, по меньшей мере, одной местной опрессовки, и ограничителем хода сепаратора в положении, подготовленном для запирания, выполненным в виде тонкой П-образной пластины с центральным отверстием и с отбортовкой для совместного крепления с передней крышкой, при этом стабилизатор пружины выполнен заодно с задней крышкой, а выступ на задней стенке сепаратора снабжен задним буртиком для взаимодействия с одним концом пружины, причем средство предотвращения несанкционированного вскрытия устройства обеспечено совокупным использованием входного отверстия в передней крышке, ограничителя хода сепаратора и выполнением конической поверхности в переднем буртике сепаратора.
2. Устройство по п.1, отличающееся тем, что выступ, расположенный внутри местной опрессовки, выполнен по форме или в виде конуса, или угловым, или полукруглым, или параллелепипеда, или цилиндра.
3. Устройство по п.1, отличающееся тем, что задний буртик снабжен фаской.
4. Устройство по п.1, отличающееся тем, что задняя крышка с нижней стороны по контуру снабжена фаской.
5. Устройство по п.1, отличающееся тем, что пломбировочная информация нанесена на внешнюю поверхность корпуса.
РИСУНКИ
|
|