|
|
(21), (22) Заявка: 2004127997/11, 20.09.2004
(24) Дата начала отсчета срока действия патента:
20.09.2004
(43) Дата публикации заявки: 20.02.2006
(46) Опубликовано: 20.04.2007
(56) Список документов, цитированных в отчете о поиске:
RU 35519 U1, 20.01.2004. SU 1333388 A1, 30.08.1987. DE 3533893 A1, 26.03.1987. EP 0358962 B2, 21.03.1990.
Адрес для переписки:
346413, Ростовская обл., г. Новочеркасск, ул. Машиностроителей, 3, ОАО ВЭлНИИ
|
(72) Автор(ы):
Головач Юлий Николаевич (RU), Сорин Леонид Наумович (RU), Кубил Виктор Оттович (RU), Свиридова Елена Юрьевна (RU), Федоренко Римма Ивановна (RU)
(73) Патентообладатель(и):
Открытое акционерное общество “Всероссийский научно-исследовательский и проектно-конструкторский институт электровозостроения” (ОАО “ВЭлНИИ”) (RU)
|
(54) АДСОРБЦИОННАЯ УСТАНОВКА ДЛЯ ЖЕЛЕЗНОДОРОЖНОГО ПОДВИЖНОГО СОСТАВА
(57) Реферат:
Изобретение относится к оборудованию, пневматической технике. Адсорбционная установка для железнодорожного подвижного состава содержит подключенные последовательно компрессор 1 с двигателем 2, управляемым реле давления, теплообменник 6, отсечной клапан с электромагнитным вентилем, адсорбер 14 с клапаном продувки, имеющим пневмопривод с камерой, обратный клапан, параллельно которому подсоединена магистраль продувки адсорбера с дросселем, и магистраль сухого воздуха с воздухосборником. Параллельно магистрали сухого воздуха подключена магистралью утильного воздуха, включающая в себя обратный клапан с дросселем, запорный клапан с пневмоприводом с камерой, и резервуар. Магистраль управления подключает к воздухопроводу электромагнитного вентиля камеру пневмопривода запорного клапана магистрали утильного воздуха и обратным клапаном с параллельно подключенным дросселем и последовательно установленным резервуаром подключает к воздухопроводу электромагнитного вентиля камеру пневмопривода клапана продувки. Изобретение повышает экономичность осушки воздуха и надежность. 1 ил.
Изобретение относится к железнодорожному транспорту и касается систем снабжения сжатым воздухом пневматического оборудования транспортного средства.
Известна адсорбционная установка для железнодорожного подвижного состава, содержащая компрессор с приводным двигателем, управляемым реле давления, подключенные последовательно к компрессору теплообменник, адсорбер с клапаном продувки, обратный клапан с дросселем, магистраль сухого воздуха с обратным клапаном и воздухосборником, параллельно который подсоединен резервуар-накопитель регенерационного воздуха (а.с. СССР №927286, М.Кл3 В01Д 53/26, 1982, Бюл. №18).
Недостатком этой установки является необходимость удаления воздуха в атмосферу из магистрали от компрессора до обратного клапана, установленного в магистрали сухого воздуха. После этого в адсорбере начинается регенерация адсорбента воздухом из резервуара-накопителя, отводимого через адсорбер в атмосферу. Этот непроизводительный расход ухудшает экономические показатели осушки воздуха.
Наиболее близким техническим решением, выбранным в качестве прототипа, является адсорбционная установка для железнодорожного подвижного состава, содержащая компрессор с приводным двигателем, управляемым реле давления, имеющим замыкающий и размыкающий контакты, подключенные последовательно к компрессору теплообменник, управляемый электромагнитным вентилем пневмоклапан, в корпусе которого размещен отсечной клапан и клапан продувки, адсорбер, обратный клапан, параллельно которому подсоединена магистраль продувки адсорбера с дросселем, магистраль сухого воздуха с воздухосборником (а.с. СССР №871812, М.Кл3 В01Д 53/26, 1981, Бюл. №38).
Недостатком установки является ее пониженная экономичность вследствие непроизводительной разрядки в атмосферу участка пневмомагистрали между отсечным и обратным клапанами, которая предшествует регенерации адсорбента после каждой остановки компрессора.
Задачей изобретения является повышение экономических показателей адсорбционной установки.
Поставленная задача решается тем, что адсорбционная установка для железнодорожного подвижного состава, содержащая компрессор с приводным двигателем, управляемым реле давления, имеющим замыкающий и размыкающий контакты, подключенные последовательно к компрессору теплообменник, отсечной клапан, имеющий электромагнитный вентиль с воздухопроводом и пневмопривод с камерой, соединенной с воздухопроводом электромагнитного вентиля, адсорбер с клапаном продувки, имеющим пневмопривод с камерой, обратный клапан, параллельно которому подсоединена магистраль продувки адсорбера с дросселем, магистраль сухого воздуха с воздухосборником, снабжена подключенной параллельно магистрали сухого воздуха магистралью утильного воздуха, включающей в себя обратный клапан с подсоединенным параллельно ему дросселем, запорный клапан, имеющий пневмопривод с камерой, и резервуар, а также магистраль управления. Магистраль управления состоит из двух параллельных ветвей, одна из которых является трубопроводом, а другая содержит последовательно установленные резервуар и обратный клапан с подключенным параллельно ему дросселем. Одной ветвью магистрали управления – трубопроводом к воздухопроводу электромагнитного вентиля подключена камера пневмопривода запорного клапана магистрали утильного воздуха, а другой ветвью со стороны обратного клапана магистрали управления к воздухопроводу электромагнитного вентиля отсечного клапана подключена камера пневмопривода клапана продувки.
В установку введены новые признаки: она снабжена подключенной параллельно магистрали сухого воздуха магистралью утильного воздуха, включающей в себя обратный клапан с подключенным параллельно ему дросселем, запорный клапан, имеющий пневмопривод с камерой, и резервуар, а также магистралью управления, состоящей из двух параллельных ветвей, одна из которых является трубопроводом, а другая содержит последовательно установленные резервуар и обратный клапан с подключенным параллельно ему дросселем, при этом одной ветвью магистрали управления – трубопроводом к воздухопроводу электромагнитного вентиля отсечного клапана подключена камера пневмопривода запорного клапана магистрали утильного воздуха, а другой ветвью со стороны обратного клапана магистрали управления подключена к воздухопроводу электромагнитного вентиля отсечного клапана камера пневмопривода клапана продувки.
В предложенной установке в момент остановки компрессора электромагнитный вентиль подает воздух в пневмопривод отсечного клапана, закрывает его, разобщая теплообменник с адсорбером. Одновременно через вентиль воздух поступает в магистраль управления, открывает запорный клапан утильной магистрали и заполняет ее резервуар воздухом из адсорбера. В это же время воздух из вентиля медленным темпом через дроссель и резервуар магистрали управления наполняет камеру пневмопривода клапана продувки. Через заданное время, определяемое продолжительностью заполнения резервуара утильной магистрали до равновесного давления с адсорбером, открывается клапан продувки, из адсорбера удаляется оставшийся воздух и в нем начинается процесс регенерации адсорбента. Для регенерации полностью используется воздух из резервуара утильной магистрали и часть воздуха из магистрали сухого воздуха. В прототипе для регенерации адсорбента используется только воздух из магистрали сухого воздуха. Использование утильного воздуха повышает экономичность осушки сжатого воздуха.
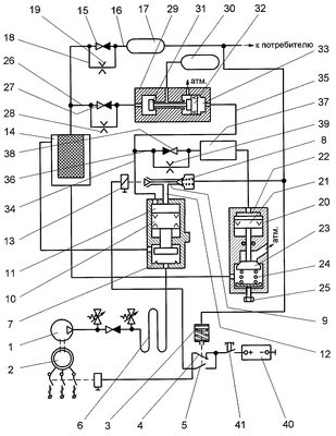
Изобретение поясняется чертежом, на котором представлена принципиальная электропневматическая схема адсорбционной установки для железнодорожного подвижного состава.
Установка содержит компрессор 1 с приводным двигателем 2, управляемым реле давления 3, имеющим размыкающий 4 и замыкающий 5 контакты, подключенные последовательно к компрессору 1 теплообменник 6, отсечной клапан 7, имеющий электромагнитный вентиль 8 с воздухопроводом 9 и пневмопровод 10 с камерой 11, соединенной каналом 12 с воздухопроводом 9. Катушка 13 вентиля 8 подключена к замыкающему контакту 5 реле давления 3. Далее в магистрали установлен адсорбер 14, обратный клапан 15, магистраль 16 сухого воздуха и воздухосборник 17. Параллельно обратному клапану 15 подсоединена магистраль 18 продувки адсорбера 14 с дросселем 19. В нижней части адсорбера 14 установлен клапан продувки 20, имеющий пневмопривод 21 с камерой 22, затвор 23, подрессоренный пружиной 24, усилие затяжки которой регулируется винтом 25. Параллельно магистрали 16 сухого воздуха между обратным клапаном 15 и адсорбером 14 подключена магистраль 26 утильного воздуха, включающая в себя обратный клапан 27 с подключенным параллельно ему дросселем 28, запорный клапан 29 и резервуар 30. Запорный клапан 29 имеет затвор 31, связанный с пневмоприводом 32, находящимся в камере 33. К каналу 12 отсечного клапана 7 подсоединена магистраль 34 управления, состоящая из двух параллельных ветвей, одна из которых – трубопровод 35, сообщающий камеру 33 запорного клапана 29 с воздухопроводом 9 через канал 12. Другая ветвь 36 содержит последовательно установленные резервуар 37 и обратный клапан 38 с подключенным параллельно ему дросселем 39. Ветвь 36 соединяет камеру 22 клапана продувки 20 через резервуар 37, обратный клапан 38, канал 12 с воздухопроводом 9. Приводной двигатель 2 получает управляющее питание от источника 40 через кнопку 41.
Установка работает следующим образом.
Нажатием кнопки 41 включается приводной двигатель 2, запускается компрессор 1 и сжатый воздух через теплообменник 6 поступает в отсечной клапан 7, открывает его и направляется в адсорбер 14. В адсорбере 14 воздух осушается в слое адсорбента и через обратный клапан 15 поступает в магистраль 16 сухого воздуха, воздухосборник 17 и далее к потребителю. При достижении в магистрали 16 максимального рабочего давления срабатывает реле давления 3, размыкается его контакт 4 и замыкается контакт 5. Компрессор 1 останавливается. Получает питание катушка 13 электромагнитного вентиля 8, который открывается и воздух из магистрали 16 поступает через воздухопровод 9 и канал 12 в камеру 11 отсечного клапана 7 и закрывает его, разобщая теплообменник 6 с адсорбером 14. Одновременно воздух по воздухопроводу 9 и каналу 12 проходит в магистраль 34 управления и распределяется по ветвям 35 и 36. По трубопроводу 35 воздух поступает в камеру 33, воздействует на пневмопривод 32, который открывает затвор 31 запорного клапана 29 и через обратный клапан 27 сообщает адсорбер 14 с резервуаром 30, заполняя его до равновесного с адсорбером 14 давления. Одновременно воздух по ветви 36 через дроссель 39 медленным темпом заполняет резервуар 37 и камеру 22. По истечении заданного времени, определяемого продолжительностью установления в резервуаре 30 и адсорбере 14 равновесного давления, пневмопривод 21 открывает затвор 23 клапана продувки 20, который сообщает адсорбер 14 с атмосферой. После удаления из адсорбера 14 воздуха в нем начинается процесс регенерации адсорбента, продолжающийся во время стоянки компрессора. Регенерационный воздух поступает в адсорбер 14 из двух магистралей: магистрали 16 сухого воздуха через дроссель 19 и магистрали 26 утильного воздуха из резервуара 30 через дроссель 28. Этот воздух регенерирует адсорбент и через открытый клапан продувки 20 удаляется в атмосферу. Подбором объема резервуара 30 и сечений дросселей 19 и 28 достигается требуемая степень регенерации адсорбента, а следовательно, и степень осушки сжатого воздуха. Подбором объема резервуара 37, сечения дросселя 39 и жесткости пружины 24 определяется время задержки открытия клапана продувки 20, достаточное для установления равновесного давления в адсорбере 14 и резервуаре 30.
При снижении в магистрали 16 давления воздуха до минимальной рабочей величины срабатывает реле давления 3, размыкается его контакт 5 и замыкается контакт 4. Катушка 13 вентиля 8 теряет питание. Из магистрали 34 управления через вентиль 8, воздухопровод 9 которого сообщается с атмосферой, удаляется воздух, клапан продувки 20 закрывается, прекращая в адсорбере 14 процесс регенерации адсорбента. Закрывается запорный клапан 29, резервуар 30 сообщается с атмосферой и из него удаляются остатки воздуха, которые могут быть не использованными при высоких продолжительностях включения компрессора. Одновременно включается компрессор 1 и цикл повторяется.
Предлагаемая адсорбционная установка более экономична. В ней в момент остановки компрессора отсечной клапан закрывается и разобщает теплообменник с адсорбером. Одновременно открывается запорный клапан утильной магистрали и воздухом из адсорбера заполняется ее резервуар. По истечении заданного времени адсорбер через клапан продувки сообщается с атмосферой и в нем начинается регенерация адсорбента. Для этого используется воздух из утильной магистрали и часть – из магистрали сухого воздуха. В прототипе регенерационный воздух берется только из магистрали сухого воздуха.
Формула изобретения
Адсорбционная установка для железнодорожного подвижного состава, содержащая компрессор с приводным двигателем, управляемым реле давления, имеющим замыкающий и размыкающий контакты, подключенные последовательно к компрессору теплообменник, отсечной клапан, имеющий электромагнитный вентиль с воздухопроводом и пневмопривод с камерой, соединенной с воздухопроводом электромагнитного вентиля, адсорбер с клапаном продувки, имеющим пневмопривод с камерой, обратный клапан, параллельно которому подсоединена магистраль продувки адсорбера с дросселем, магистраль сухого воздуха с воздухосборником, отличающаяся тем, что она снабжена подключенной параллельно магистрали сухого воздуха магистралью утильного воздуха, включающей в себя обратный клапан с подключенным параллельно ему дросселем, запорный клапан, имеющий пневмопривод с камерой, и резервуар, а также магистралью управления, состоящей из двух параллельных ветвей, одна из которых является трубопроводом, подключающим к воздухопроводу электромагнитного вентиля камеру пневмопривода запорного клапана магистрали утильного воздуха, а другая содержит последовательно установленные резервуар и обратный клапан с подключенным параллельно ему дросселем, при этом другой ветвью со стороны обратного клапана магистрали управления к воздухопроводу электромагнитного вентиля отсечного клапана подключена камера пневмопривода клапана продувки.
РИСУНКИ
MM4A – Досрочное прекращение действия патента СССР или патента Российской Федерации на изобретение из-за неуплаты в установленный срок пошлины за поддержание патента в силе
Извещение опубликовано: 27.04.2009 БИ: 12/2009
|
|