|
|
(21), (22) Заявка: 2004128049/11, 20.09.2004
(24) Дата начала отсчета срока действия патента:
20.09.2004
(43) Дата публикации заявки: 27.02.2006
(46) Опубликовано: 20.04.2007
(56) Список документов, цитированных в отчете о поиске:
RU 2200680 С2, 20.03.2003. ЕР 0358962 A1, 21.03.1990. ЕР 1452415 А1, 01.09.2004.
Адрес для переписки:
346413, Ростовская обл., г. Новочеркасск, ул. Машиностроителей, 3, ОАО ВЭлНИИ
|
(72) Автор(ы):
Головач Юлий Николаевич (RU), Сорин Леонид Наумович (RU), Кубил Виктор Оттович (RU), Свиридова Елена Юрьевна (RU), Федоренко Римма Ивановна (RU)
(73) Патентообладатель(и):
Открытое акционерное общество “Всероссийский научно-исследовательский и проектно-конструкторский институт электровозостроения” (ОАО “ВЭлНИИ”) (RU)
|
(54) ЛОКОМОТИВНАЯ АДСОРБЦИОННАЯ УСТАНОВКА
(57) Реферат:
Изобретение относится к железнодорожному транспорту и касается систем снабжения сжатым воздухом пневматического оборудования локомотива. Адсорбционная установка содержит компрессор (1) с приводным двигателем (2), управляемым реле давления (3), два адсорбера (6, 7) с нижним и верхним вертикальными патрубками и нижним и верхним боковыми горизонтальными патрубками. Напорная магистраль (5) соединяет через отсечные клапаны (8, 10) компрессор (1) с адсорберами (6, 7). Питательная магистраль (12) соединяет адсорберы (6, 7) с группой резервуаров (13), снабженных сепаратором-накопителем (14) с клапаном продувки (15). Магистраль (21) сухого воздуха подключена через другие отсечные клапаны (17, 19) к адсорберам (6, 7). Блок управления (22) регулирует подачу горячего воздуха от компрессора (1) в один из адсорберов в каждом цикле работы установки. Магистраль (21) сухого воздуха подключена к адсорберам (6, 7) через обратные клапаны (26, 27). К нижним вертикальным патрубкам адсорберов (6, 7) подсоединены через влагосборники (28, 30) клапаны продувки (29, 31) с электромагнитными вентилями (34, 35). К магистрали (21) сухого воздуха подсоединено второе реле давления (32), имеющее нормально-замкнутый контакт (33), запитывающий от источника питания (24) электромагнитные вентили (34, 35) клапанов продувки (29, 31) адсорберов (6, 7). Технический результат заключается в повышении эффективности осушки сжатого воздуха. 1 ил.
Изобретение относится к железнодорожному транспорту и касается систем снабжения сжатым воздухом пневматического оборудования транспортного средства.
Известна локомотивная адсорбционная установка, содержащая компрессор с приводным двигателем, управляемым реле давления, два адсорбера, вход каждого из которых связан с компрессором через отсечной клапан, напорную магистраль, магистраль сухого воздуха, блок управления, выполненная с возможностью подачи от компрессора в один из адсорберов горячего воздуха в каждом цикле работы устройства, при этом адсорберы связаны через группу резервуаров, служащих для естественного охлаждения воздуха. Система снабжена также сепаратором-накопителем с клапаном продувки, а в нижней части каждого адсорбера установлен другой отсечной клапан, через который внутренняя полость адсорбера связана с магистралью сухого воздуха (патент РФ №2200680, МПК 7 В 60 Т 17/02, 2003, Бюл. №8). В рассмотренной установке отсутствует расход воздуха на регенерацию адсорбента.
Недостатком установки является нерациональное распределение потоков. В данной установке воздух поступает на регенерацию в один из адсорберов через боковой патрубок, а выходит осушенным из второго адсорбера через нижний. При такой компоновке возможны случаи попадания влаги в магистраль сухого воздуха. Это бывает, когда по какой-либо причине нарушилась оптимальная технология сорбционных режимов (повышенная температура адсорбции вследствие длительной напряженной работы компрессора, низкая температура адсорбции и др.).
Наиболее близким техническим решением, выбранным в качестве прототипа, является локомотивная адсорбционная установка, содержащая компрессор с приводным двигателем, управляемым реле давления, два адсорбера с верхним, нижним и боковым входами, напорную магистраль, соединяющую через отсечные клапаны компрессор с адсорберами, питательную магистраль, соединяющую верхние входы в адсорберы с группой резервуаров, служащих для естественного охлаждения воздуха и снабженных сепаратором-накопителем конденсата с клапаном продувки, магистраль сухого воздуха, подключенную через другие отсечные клапаны к адсорберам, блок управления. Установка выполнена с возможностью подачи от компрессора горячего воздуха в один из адсорберов в каждом цикле работы установки, при этом магистраль сухого воздуха подключена через нормально открытые отсечные клапаны к боковым входам в адсорберы, а напорная магистраль соединяет компрессор с нижними входами в адсорберы через нормально закрытые отсечные клапаны (Заявка №2004103730 от 09.02.2004 г.).
Недостатками этой установки является следующее.
Во-первых, отсечные клапаны, соединяющие адсорберы с магистралью сухого воздуха, в процессе работы могут воздействовать друг на друга из-за соединения их выходных патрубков общим воздуховодом. Это может приводить к приоткрытию функционально закрытого клапана и некоторому перетеканию осушаемого воздуха в магистраль сухого воздуха, что приводит к ухудшению его качества.
Во-вторых, при стоянке локомотива, когда компрессоры работают с малой интенсивностью, либо после окончания рейса, и в других ситуациях пневмомагистраль остывает, в коммуникациях и адсорберах происходит интенсивная конденсация влаги с накоплением ее в нижней части адсорберов. При последующей работе компрессоров в рабочем режиме собравшаяся влага поступает в магистраль сухого воздуха и, хоть и временно, но увлажняет ее, чем снижает эффективность осушки.
Задачей изобретения является повышение эффективности осушки сжатого воздуха.
Поставленная задача решается тем, что локомотивная адсорбционная установка, содержащая компрессор с приводным двигателем, управляемым реле давления, два адсорбера с нижним и верхним боковыми горизонтальными патрубками, с нижним и верхним вертикальными патрубками, с подсоединенным к нижнему вертикальному патрубку каждого адсорбера влагосборника с отсечным клапаном, напорную магистраль, соединяющую через отсечные клапаны компрессор с адсорберами, питательную магистраль, соединяющую адсорберы верхними вертикальными патрубками с группой резервуаров, служащих для естественного охлаждения воздуха и снабженных сепаратором-накопителем конденсата с клапаном продувки, магистраль сухого воздуха, подключенную через обратные клапаны, другие отсечные клапаны и верхние боковые патрубки к адсорберам, подсоединенное к магистрали сухого воздуха второе реле давления, имеющее нормально замкнутый контакт, запитывающий от источника питания электромагнитные вентили клапанов продувки адсорберов, блок управления, выполнена с возможностью подачи от компрессора горячего воздуха в один из адсорберов в каждом цикле работы установки.
В установку введены новые признаки: магистраль сухого воздуха подключена к адсорберам через обратные клапаны; к нижним вертикальным патрубкам адсорберов подсоединены через влагосборники клапаны продувки; подсоединенное к магистрали сухого воздуха второе реле давления, имеющее нормально замкнутый контакт, запитывающий от источника питания электромагнитные вентили клапанов продувки адсорберов.
В предложенной установке при работе компрессора горячий сжатый воздух вначале проходит в один из адсорберов через его нижний боковой патрубок, регенерирует адсорбент воздухом, имеющим высокую температуру и низкую относительную влажность, и поступает в группу резервуаров. Здесь он охлаждается естественным путем до температуры, лишь на 20-25°С превышающей температуру окружающей среды с конденсацией водяных паров и последующим удалением конденсата. После этого сжатый воздух проходит через верхний вертикальный патрубок во второй адсорбер, осушается в слое адсорбента и через верхний боковой патрубок и обратный клапан адсорбера направляется в магистраль сухого воздуха для использования потребителем. После остановки компрессора и затем повторного его включения происходит переключение адсорберов на выполнение противоположных режимов и цикл повторяется.
В установке для исключения возможности взаимного воздействия в процессе работы размещенных на верхних боковых патрубках адсорберов отсечных клапанов они разделены обратными клапанами. Кроме того, установка снабжена клапанами продувки адсорберов, подсоединенными через воздухосборники к их вертикальным патрубкам. При первом цикле работы компрессоров на незаполненную магистраль сухого воздуха после отстоя локомотива или иных случаях отключения компрессоров и истощения его пневмосистем второе реле давления воздействует на клапаны продувки адсорберов, кратковременно сообщая их с атмосферой.
Таким образом, в заявляемой установке исключено нарушение работы отсечных клапанов, введена единовременная (предшествующая началу рейсовой работы локомотива) продувка адсорберов, что повышает эффективность осушки сжатого воздуха.
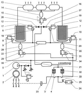
Изобретение поясняется чертежом, на котором представлена принципиальная электропневматическая схема локомотивной адсорбционной установки.
Схема содержит компрессор 1 с приводным двигателем 2, управляемым реле давления 3, имеющим контакт 4. Последовательно к компрессору 1 подключены через напорную магистраль 5 соединенные между собой параллельно адсорберы 6 и 7, заполненные адсорбентом. При этом нижним боковым входом адсорбер 6 подключен к компрессору 1 через нормально-закрытый отсечной клапан 8, управляемый электромагнитным вентилем 9, в адсорбер 7 – через отсечной клапан 10, управляемый электромагнитным вентилем 11. Адсорберы 6 и 7 соединены через питательную магистраль 12 группой резервуаров 13, снабженных сепаратором-накопителем 14 с клапаном продувки 15, управляемым электромагнитным вентилем 16. К верхнему боковому входу адсорбера 6 подключен отсечной клапан 17, управляемый электромагнитным вентилем 18, к верхнему боковому входу адсорбера 7 – отсечной клапан 19, управляемый электромагнитным вентилем 20. Отсечные клапаны 17 и 19 сообщают внутренние полости соответственно адсорберов 6 и 7 магистралью сухого воздуха 21. Работой отсечных клапанов 8, 10, 17 и 19, а также клапаном продувки 15 группы резервуаров 13 управляет блок управления 22. Приводной двигатель 2 включается контактором 23, получающим питание от источника 24 через кнопку 25. Отсечной клапан 17 соединен с магистралью сухого воздуха через обратный клапан 26, а отсечной клапан 19 – через обратный клапан 27. К нижней части адсорбера 6 через влагосборник 28 подсоединен клапан продувки 29, а адсорбера 7 – через влагосборник 30 подсоединен клапан продувки 31. К магистрали сухого воздуха 21 подключено реле давления 32, которое через свои контакты 33 связывает через кнопку 25 источник питания 24 с электромагнитными вентилями 34 и 35 клапанов продувки 31 и 29.
Локомотивная адсорбционная установки работает следующим образом.
Нажатием кнопки 25 через замкнутые контакты 4 реле давления 3 включается приводной двигатель 2 и приводит в работу компрессор 1. Одновременно блоком управления 22 подается электрическое питание на электромагнитные вентили 9 и 18 или на 11 и 20, например на 9 и 18. При этом открывается отсечной клапан 8, а закрывается отсечной клапан 17 и сжатый воздух, подогретый при сжатии в применяемых в настоящее время на транспорте поршневых компрессорах до температуры, превышающей температуру окружающей среды на 160°С и имеющей, например, при температуре окружающей среды 0°С относительную влажность 1,5%, поступает в адсорбер 6, регенерирует в нем адсорбент и направляется в группу резервуаров 13. Здесь сжатый воздух естественным путем охлаждается. Извлеченная из адсорбера 6 при регенерации парообразная влага конденсируется, накапливается в сепараторе-накопителе 14 и через клапан продувки периодически по команде блока управления 22 отводится в атмосферу. В дальнейшем очищенный от капельной влаги воздух поступает в адсорбер 7, осушается в слое адсорбента и через нормально открытый отсечной клапан 19 и обратный клапан 27 подается в магистраль сухого воздуха 21 и далее к потребителю. При достижении в магистрали сухого воздуха 21 давления сжатого воздуха, равного уставке выключения реле давления 3, оно срабатывает, его контакты 4 размыкаются, выключая двигатель 2, что приводит к остановке компрессора 1. Во время стоянки компрессора 1 потребителем продолжается отбор воздуха из магистрали сухого воздуха 21. При снижении в магистрали сухого воздуха 21 давления сжатого воздуха до величины уставки включения реле давления 3 оно срабатывает, замыкаются его контакты 4, включается приводной двигатель 2, запускается компрессор 1. Одновременно по команде блока управления 22 обесточиваются электромагнитные вентили 9 и 18, закрывается отсечной клапан 8, а открывается отсечной клапан 17, включаются электромагнитные вентили 11 и 20, открывая отсечной клапан 10 и закрывая отсечной клапан 19. Теперь сжатый воздух поступает в адсорбер 7, регенерирует в нем адсорбент, затем приходит в группу резервуаров 13, где конденсируются водяные пары, и идет на осушку в адсорбер 6, затем через нормально открытый отсечной клапан 17 и обратный клапан 26 в магистраль сухого воздуха 21 и далее к потребителю. В дальнейшем циклы повторяются. При обесточенном локомотиве его пневматические системы продолжают питаться из резервуаров 13 вплоть до полной их разрядки, осушаясь в обоих адсорберах 6 и 7 и проходя в магистраль сухого воздуха 21.
При нажатии кнопки 25 одновременно с запуском компрессора 1 через нормаль замкнутые контакты 33 второго реле давления 32 получают электрическое питание электромагнитные вентили 34 и 35 клапанов продувки 31 и 29. При достижении в магистрали сухого воздуха 21 давления, достаточного для срабатывания клапанов продувки 29 и 31, они открываются и сообщают адсорберы 6 и 7 с атмосферой. Процесс продувки адсорберов продолжается до достижения в магистрали сухого воздуха 21 давления выключения реле давления 32, вследствие чего размыкаются его контакты 33 и закрываются клапаны продувки 29 и 31. В дальнейшем работа установки осуществляется по описанной выше схеме.
За счет того, что установка снабжена клапанами продувки 29 и 31 адсорберов 6 и 7, подсоединенными через влагосборники 28 и 30 к их нижним вертикальным патрубкам, при первом цикле работы компрессора 1 на незаполненную магистраль сухого воздуха 21 после отстоя локомотива или иных случаях отключения компрессора 1 и истощения его пневмосистем второе реле давления 32 воздействует на клапаны продувки адсорберов, кратковременно сообщая их с атмосферой. Таким образом, в заявляемой установке исключено нарушение работы отсечных клапанов, так как предусмотрена (предшествующая началу рейсовой работы локомотива) продувка адсорберов, что повышает эффективность осушки сжатого воздуха.
Формула изобретения
Локомотивная адсорбционная установка, содержащая компрессор с приводным двигателем, управляемым реле давления, два адсорбера с нижним и верхним вертикальными патрубками и нижним и верхним боковыми горизонтальными патрубками, напорную магистраль, соединяющую через отсечные клапаны компрессор с адсорберами, питательную магистраль, соединяющую адсорберы верхними вертикальными патрубками с группой резервуаров, служащих для естественного охлаждения воздуха и снабженных сепаратором-накопителем конденсата с клапаном продувки, магистраль сухого воздуха, подключенную через другие отсечные клапаны к адсорберам, блок управления, выполненный с возможностью подачи от компрессора горячего воздуха в один из адсорберов в каждом цикле работы установки, отличающаяся тем, что магистраль сухого воздуха подключена к адсорберам через обратные клапаны, размещенные на верхних боковых горизонтальных патрубках адсорберов, к нижним вертикальным патрубкам адсорберов подсоединены через влагосборники клапаны продувки с электромагнитными вентилями, а к магистрали сухого воздуха подсоединено второе реле давления, имеющее нормально-замкнутый контакт, запитывающий от источника питания электромагнитные вентили клапанов продувки адсорберов.
РИСУНКИ
MM4A – Досрочное прекращение действия патента СССР или патента Российской Федерации на изобретение из-за неуплаты в установленный срок пошлины за поддержание патента в силе
Извещение опубликовано: 27.04.2009 БИ: 12/2009
|
|