|
|
(21), (22) Заявка: 2005110541/11, 11.04.2005
(24) Дата начала отсчета срока действия патента:
11.04.2005
(43) Дата публикации заявки: 20.10.2006
(46) Опубликовано: 20.04.2007
(56) Список документов, цитированных в отчете о поиске:
GB 1278124 А, 14.06.1972. US 4859919 А, 22.08.1989. SU 628013 А, 15.10.1978.
Адрес для переписки:
390014, г.Рязань, Рязанский военный автомобильный институт, НИО, А.Д. Герасимову
|
(72) Автор(ы):
Гармаш Юрий Владимирович (RU), Шевченко Николай Павлович (RU), Михневич Лариса Ефимовна (RU)
(73) Патентообладатель(и):
Рязанский военный автомобильный институт им. ген. армии В.П. Дубынина (RU)
|
(54) СИСТЕМА УПРАВЛЕНИЯ ЭЛЕКТРОДВИГАТЕЛЕМ СТЕКЛООЧИСТИТЕЛЯ
(57) Реферат:
Изобретение относится к области транспортного машиностроения, в частности к системе стеклоочистки транспортного средства. Система содержит электродвигатель (1) постоянного тока параллельного возбуждения, подключенный к плюсовому проводу бортовой сети автомобиля, в цепь обмотки (2) возбуждения которого включен добавочный резистор (3), двунаправленный переключатель (4) режимов работы на три положения и концевой выключатель (5), первый вывод которого соединен с минусовым выводом якоря электродвигателя (1) постоянного тока и цепью обмотки (2) возбуждения. В систему дополнительно введены реле (6) переключения режимов работы, силовой ключ (7), генератор (8), содержащий таймер (9), переменное сопротивление (10), первое (11) и второе (12) постоянные сопротивления, диод (13), первый (14) и второй (15) конденсаторы. Технический результат заключается в оптимизации работы системы стеклоочистки. 1 ил.
Изобретение относится к области транспортного машиностроения, в частности к системе стеклоочистки транспортного средства.
Известны автоматические системы стеклоочистки [Авторское свидетельство СССР №822463, МПК В60S 1/08, 1981, авторское свидетельство СССР №2127676, МПК В60S 1/46, 1999], которые подключаются параллельно штатной системе и срабатывают либо по уровню загрязненности лобового стекла, либо по скорости его изменения. Подобным системам стеклоочистки присущ общий недостаток – возможны неожиданные для водителя срабатывания системы, когда для очистки в автоматическом режиме нет особой необходимости, и, как следствие, рассеивание его внимания, или возможность проявления с его стороны непредсказуемых реакций. Это может стать причиной дорожно-транспортных происшествий.
Наиболее близкой к предлагаемой является стандартная система стеклоочистки [Техническое описание автомобиля УАЗ], содержащая электродвигатель постоянного тока параллельного возбуждения, подключенный к плюсовому проводу бортовой сети автомобиля, в цепь обмотки возбуждения которого включен добавочный резистор, двунаправленный переключатель режимов работы на три положения и концевой выключатель, причем в первом положении переключателя режимов работы якорь электродвигателя и обмотка возбуждения подключаются к минусовому проводу бортовой сети автомобиля, добавочный резистор замыкается накоротко, при этом обеспечивается медленная скорость движения щеток системы очистки, во втором положении переключателя режимов работы обмотка возбуждения через добавочный резистор и якорь электродвигателя подключаются к минусовому проводу бортовой сети автомобиля, обеспечивая высокую скорость движения щеток системы очистки, в третьем положении переключателя электродвигатель отключен от минусового провода бортовой сети и очистка стекла не производится.
Недостатками известной системы являются дискретность регулировки скорости вращения электродвигателя системы стеклоочистки и, как следствие, невозможность выбора оптимального режима очистки стекла автомобиля.
Технический результат направлен на оптимизацию работы системы стеклоочистки.
Технический результат достигается тем, что в систему, содержащую электродвигатель постоянного тока параллельного возбуждения, подключенный к плюсовому проводу бортовой сети автомобиля, в цепь обмотки возбуждения которого включен добавочный резистор, двунаправленный переключатель режимов работы на три положения и концевой выключатель, первый вывод которого соединен с минусовым выводом якоря двигателя постоянного тока и цепью обмотки возбуждения, при этом в систему дополнительно введены реле переключения режимов работы, силовой ключ, генератор, содержащий таймер, переменное сопротивление, первое и второе постоянные сопротивления, диод, первый и второй конденсаторы. Причем первый вывод обмотки реле переключения режимов работы подключен к плюсовому проводу бортовой сети автомобиля, в первом и втором положении переключателя режимов работы первый вывод силового ключа соединен с минусовым выводом якоря двигателя постоянного тока и цепью обмотки возбуждения, а второй его вывод соединен с минусовым проводом бортовой сети, вход управления силового ключа соединен с выходом генератора, в первом положении переключателя режимов работы второй вывод обмотки реле переключения режимов работы и второй вывод концевого выключателя соединены с минусовым проводом бортовой сети, первое постоянное сопротивление подключено к первому выводу переменного сопротивления, второй вывод которого соединен с вторым постоянным сопротивлением и нормально замкнутым контактом первой группы реле переключения режимов работы, а его подвижный контакт с первым входом таймера и переключающим контактом первой группы реле переключения режимов работы, нормально разомкнутый контакт которой соединен с анодом диода, катод которого связан с вторым выводом второго постоянного сопротивления, вторым входом таймера, первым конденсатором и через нормально замкнутые контакты второй группы реле переключения режимов работы с вторым конденсатором, вторые выводы первого и второго конденсаторов соединены с минусовым выводом питания таймера и с минусовым проводом бортовой сети, первый вывод первого постоянного сопротивления подключен к плюсовому выводу питания таймера и к плюсовому проводу бортовой сети автомобиля.
Отличительными признаками от прототипа является то, что в систему дополнительно введены реле переключения режимов работы, силовой ключ, генератор, содержащий таймер, переменное сопротивление, первое и второе постоянные сопротивления, диод, первый и второй конденсаторы, а также наличие новых связей между вновь введенными и ранее применявшимися узлами системы.
Сопоставительный анализ заявляемой системы с имеющимися техническими решениями показывает, что заявляемая система обладает рядом существенных отличий: улучшенной стеклоочисткой, что достигается за счет плавной регулировки скорости вращения якоря электродвигателя в первом режиме и плавной регулировки паузы между срабатываниями щеток – во втором.
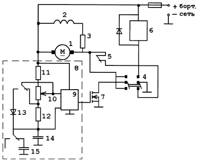
На чертеже представлена электрическая функциональная схема предлагаемого устройства.
Система управления электродвигателем стеклоочистителя содержит электродвигатель 1 постоянного тока параллельного возбуждения, подключенный к плюсовому проводу бортовой сети автомобиля, в цепь обмотки 2 возбуждения которого включен добавочный резистор 3, двунаправленный переключатель 4 режимов работы на три положения и концевой выключатель 5, первый вывод которого соединен с минусовым выводом якоря двигателя 1 постоянного тока и цепью обмотки 2 возбуждения, реле 6 переключения режимов работы, силовой ключ 7, генератор 8, содержащий таймер 9, переменное сопротивление 10, первое 11 и второе 12 постоянные сопротивления, диод 13, первый 14 и второй 15 конденсаторы, причем первый вывод обмотки реле 6 переключения режимов работы подключен к плюсовому проводу бортовой сети автомобиля, в первом и втором положении переключателя 4 режимов работы, первый вывод силового ключа 7 соединен с минусовым выводом якоря двигателя 1 постоянного тока и цепью обмотки 2 возбуждения, а второй его вывод соединен с минусовым проводом бортовой сети, вход управления силового ключа 7 соединен с выходом генератора 8, в первом положении переключателя режимов работы второй вывод обмотки реле 6 переключения режимов работы и второй вывод концевого выключателя 5 соединены с минусовым проводом бортовой сети, первое постоянное сопротивление 11 подключено к первому выводу переменного сопротивления 10, второй вывод которого соединен с вторым постоянным сопротивлением 12 и нормально замкнутым контактом первой группы реле 6 переключения режимов работы, а его подвижный контакт – с первым входом таймера 9 и переключающим контактом первой группы реле 6 переключения режимов работы, нормально разомкнутый контакт которой соединен с анодом диода 13, катод которого связан с вторым выводом второго постоянного сопротивления 12, вторым входом таймера 9, первым конденсатором 14 и через нормально замкнутые контакты второй группы реле 6 переключения режимов работы – с вторым конденсатором 15, вторые выводы первого 14 и второго 15 конденсаторов соединены с минусовым выводом питания таймера 9 и с минусовым проводом бортовой сети, первый вывод первого постоянного сопротивления 11 подключен к плюсовому выводу питания таймера 9 и к плюсовому проводу бортовой сети автомобиля.
Устройство работает следующим образом.
При переключении переключателя 4 режимов работы в первое положение реле 6 переключения режимов работы срабатывает, кроме того нижний по схеме вывод концевого выключателя 5 отключается от минуса бортовой сети. Электродвигатель 1 запитывается от первого вывода силового ключа 7 (стока полевого транзистора). Режим работы силового ключа 7 определяется сигналом на его управляющем входе, поступающим с выхода генератора 8. В данном режиме генератор 8 работает как широтно-импульсный модулятор. Действительно, заряд времязадающего конденсатора 14 происходит по цепи: положительный вывод бортовой сети, сопротивление 11, верхняя по схеме часть переменного сопротивления 10 (до движка переменного сопротивления), диод 13 и конденсатор 14, а его разряд – конденсатор 14, переменное сопротивление 12, нижняя по схеме часть переменного сопротивления 10 (до движка переменного сопротивления), встроенный ключ таймера 9. Суммарное время цикла заряд-разряд остается постоянным, а скважность генерируемых импульсов изменяется в широких пределах при перемещении движка переменного сопротивления 10.
Среднее значение постоянного напряжения на электродвигателе 1 может быть определено из соотношения [Общая электротехника. Под ред. А.Т.Блажкина. Л.: Энергоатомиздат, 1986. – 591 с.]:

где U – среднее напряжение на электродвигателе 1, UБАТ – напряжение бортовой сети автомобиля, – длительность положительного импульса на выходе таймера 8, – частота генерации таймера 8.
Как следует из уравнения (1), напряжение на электродвигателе 1 плавно изменяется при плавной регулировке скважности импульсов, поступающих от таймера 8. Такая регулировка и осуществляется при изменении положения движка переменного сопротивления 10. В результате скорость вращения электродвигателя 1 изменяется плавно, поскольку скорость вращения электродвигателя постоянного тока и питающее его напряжение связаны зависимостью [Общая электротехника. Под ред. А.Т.Блажкина. Л.: Энергоатомиздат, 1986. – 591 с.]:

где U – напряжение питания электродвигателя, I – ток, потребляемый электродвигателем, R – активное сопротивление обмотки, С – конструктивная постоянная электродвигателя постоянного тока, Ф – магнитный поток.
В результате применения подобной регулировки водитель может плавно регулировать скорость движения щеток системы очистки стекла транспортного средства, что позволяет подобрать оптимальную для данных условий движения интенсивность движения щеток.
При переключении переключателя 4 режимов работы во второе положение реле 6 переключения режимов работы отключается, кроме того нижний по схеме вывод концевого выключателя 5 подключается к минусу бортовой сети. Электродвигатель 1 запитывается от первого вывода силового ключа 7 (стока полевого транзистора). Режим работы силового ключа 7 определяется сигналом на его управляющем входе, поступающим с выхода генератора 8. В данном режиме генератор 8 работает в режиме таймера с регулируемой паузой между импульсами заданной длительности. Действительно, при отпускании реле 6 переключения режимов работы первая группа его контактов исключает из зарядной цепи диод 13 и нижнюю по схеме часть переменного сопротивления 10. При коммутации контактов реле 6 переключения режимов работы параллельно конденсатору 14 включается конденсатор 15 большой емкости и суммарная емкость конденсаторов оказывается большой. Заряд параллельно включенных времязадающих конденсаторов 14 и 15 происходит по цепи: положительный вывод бортовой сети, сопротивление 11, верхняя по схеме часть переменного сопротивления 10 (до движка переменного сопротивления), сопротивление 12, конденсаторы 14 и 15, а его разряд – конденсаторы 14 и 15, сопротивление 12, встроенный ключ таймера 9. Время разряда остается постоянным, а скважность генерируемых импульсов изменяется в широких пределах при перемещении движка переменного сопротивления 10. Поскольку емкость конденсатора 15 достаточно велика, то длительность положительного импульса на выходе таймера 9 достаточна для того, чтобы обеспечить движение щетки до момента замыкания концевого выключателя 5, при котором обеспечивается один полный цикл движения щеток и последующая их остановка в крайнем правом положении после размыкания концевого выключателя 5.
Следующий цикл стеклоочистки начнется только при поступлении следующего положительного импульса с генератора 8. Интервал между импульсами регулируется водителем вручную с помощью переменного сопротивления 10 в зависимости от дорожных условий.
Следовательно, предложенное устройство позволяет при работе в двух режимах подобрать оптимальный режим очистки стекла практически при любых погодных условиях.
Источники информации
1. Авторское свидетельство СССР №822463, МПК В60S 1/08, 1981.
2. Авторское свидетельство СССР №2127676, МПК В60S 1/46, 1999.
3. Техническое описание автомобиля УАЗ.
4. Общая электротехника. Под ред. А.Т.Блажкина. Л.: Энергоатомиздат, 1986. – 591 с.
Формула изобретения
Система управления электродвигателем стеклоочистителя, содержащая электродвигатель постоянного тока параллельного возбуждения, подключенный к плюсовому проводу бортовой сети автомобиля, в цепь обмотки возбуждения которого включен добавочный резистор, двунаправленный переключатель режимов работы на три положения и концевой выключатель, первый вывод которого соединен с минусовым выводом якоря электродвигателя постоянного тока и цепью обмотки возбуждения, отличающаяся тем, что в систему дополнительно введены реле переключения режимов работы, силовой ключ, генератор, содержащий таймер, переменное сопротивление, первое и второе постоянные сопротивления, диод, первый и второй конденсаторы, причем первый вывод обмотки реле переключения режимов работы подключен к плюсовому проводу бортовой сети автомобиля, в первом и втором положении переключателя режимов работы первый вывод силового ключа соединен с минусовым выводом якоря электродвигателя постоянного тока и цепью обмотки возбуждения, а второй его вывод соединен с минусовым проводом бортовой сети, вход управления силового ключа соединен с выходом генератора, в первом положении переключателя режимов работы второй вывод обмотки реле переключения режимов работы и второй вывод концевого выключателя соединены с минусовым проводом бортовой сети, первое постоянное сопротивление подключено к первому выводу переменного сопротивления, второй вывод которого соединен со вторым постоянным сопротивлением и нормально замкнутым контактом первой группы реле переключения режимов работы, а его подвижный контакт – с первым входом таймера и переключающим контактом первой группы реле переключения режимов работы, нормально разомкнутый контакт которой соединен с анодом диода, катод которого связан со вторым выводом второго постоянного сопротивления, вторым входом таймера, первым конденсатором и через нормально замкнутые контакты второй группы реле переключения режимов работы – со вторым конденсатором, вторые выводы первого и второго конденсаторов соединены с минусовым выводом питания таймера и с минусовым проводом бортовой сети, первый вывод первого постоянного сопротивления подключен к плюсовому выводу питания таймера и к плюсовому проводу бортовой сети автомобиля.
РИСУНКИ
MM4A – Досрочное прекращение действия патента СССР или патента Российской Федерации на изобретение из-за неуплаты в установленный срок пошлины за поддержание патента в силе
Дата прекращения действия патента: 12.04.2008
Извещение опубликовано: 20.04.2010 БИ: 11/2010
|
|