|
|
(21), (22) Заявка: 2005122086/09, 12.07.2005
(24) Дата начала отсчета срока действия патента:
12.07.2005
(46) Опубликовано: 10.04.2007
(56) Список документов, цитированных в отчете о поиске:
ТИТОВ А.А. и др. Защита усилителей мощности систем радиосвязи, УКВ, ЧМ и ТВ вещания от перегрузки по входу и от рассогласования по выходу. Радиотехника. 2003, № 12, с.66-69, рис.3. US 6359516 B1, 19.03.2002. US 5493255 A, 20.02.1996. EP 0829954 B1, 18.03.1998. JP 9-260964 A, 03.10.1997.
Адрес для переписки:
634050, г.Томск, пр. Ленина, 40, ТУСУР, патентно-информационный отдел
|
(72) Автор(ы):
Титов Александр Анатольевич (RU), Ильюшенко Владимир Николаевич (RU), Титова Маргарита Александровна (RU)
(73) Патентообладатель(и):
Томский государственный университет систем управления и радиоэлектроники (ТУСУР) (RU)
|
(54) ПОЛОСОВОЙ УСИЛИТЕЛЬ МОЩНОСТИ
(57) Реферат:
Изобретение относится к радиотехнике, в частности к технике радиосвязи, и может быть использовано в передатчиках теле- и радиовещания, пейджинговой и сотовой связи. Технический результат заключается в повышении коэффициента усиления и коэффициента полезного действия. Полосовой усилитель мощности (ПУМ) (фиг.1) содержит каскад усиления (КУ) (1), цепь обратной связи (ОС), состоящую из направленного ответвителя (2), выполненного на двух связанных линиях (СЛ), выход первой из которых соединен со входом детектора (Д) (4), блок управления (5), включенный между выходом Д (4) и базой транзистора (Т) (6), коллектор или эмиттер которого соединен с общим проводником, а эмиттер или коллектор Т (6) образует выход цепи ОС, подключенный ко входу ПУМ. Вторая СЛ включена между выходом КУ (1) и выходом ПУМ, при этом КУ (1) содержит Т (8), эмиттер которого соединен с общим проводником, входную корректирующую цепь (9), выход которой соединен с базой Т (8), дополнительный Д (7) включен между входом первой СЛ и первым входом цепи управления (ЦУ) (12), второй вход которой соединен со вторым выводом дросселя (Др) (11), первый вывод которого подключен к коллектору Т (8) и входом выходной согласующей цепи (10). Выход ЦУ (12) подключен к базе Т (8). 1 з.п. ф-лы, 5 ил.
Изобретение относится к радиотехнике, в частности к технике радиосвязи, и может быть использовано в передатчиках теле- и радиовещания, пейджинговой и сотовой связи.
Известен полосовой усилитель мощности, содержащий несколько каскадов усиления, вход первого из которых соединен с входом полосового усилителя мощности, цепь обратной связи, в состав которой входят направленный ответвитель, выполненный в виде двух связанных линий, вход первой из которых нагружен на согласованную нагрузку, детектор, вход которого подключен к выходу первой связанной линии, блок управления, вход которого соединен с выходом детектора, а его выход подключен к входным каскадам усилителя мощности, вход второй связанной линии подключен к выходу последнего каскада усиления, а ее выход образует выход полосового усилителя мощности, при этом выход блока управления является источником питания входных каскадов усилителя мощности [1]. Недостатком такого полосового усилителя мощности является малый коэффициент усиления выходных каскадов и малый коэффициент полезного действия.
Наиболее близким к заявляемому объекту по максимальному числу существенных признаков является полосовой усилитель мощности, содержащий каскад усиления, имеющий вход усиливаемого сигнала, соединенный с входом полосового усилителя мощности, и выход усиливаемого сигнала, цепь обратной связи, в состав которой входят направленный ответвитель, выполненный в виде двух связанных линий, вход первой из которых нагружен на согласованную нагрузку, детектор, вход которого подключен к выходу первой связанной линии, блок управления, вход которого соединен с выходом детектора, биполярный транзистор, база которого соединена с выходом блока управления, а коллектор или эмиттер – с общим проводником, эмиттер или коллектор биполярного транзистора образует выход цепи обратной связи, подключенный к входу полосового усилителя мощности, а вход второй связанной линии подключен к выходу каскада усиления, при этом ее выход образует выход полосового усилителя мощности [2, рис.3].
Недостатком устройства-прототипа является малый коэффициент усиления и малый коэффициент полезного действия.
Технический результат, на достижение которого направлено предлагаемое решение, – повышение коэффициента усиления и коэффициента полезного действия.
Это достигается тем, что в полосовой усилитель мощности, содержащий каскад усиления, имеющий вход усиливаемого сигнала, соединенный с входом полосового усилителя мощности, и выход усиливаемого сигнала, цепь обратной связи, в состав которой входят направленный ответвитель, выполненный в виде двух связанных линий, вход первой из которых нагружен на согласованную нагрузку, детектор, вход которого подключен к выходу первой связанной линии, блок управления, вход которого соединен с выходом детектора, биполярный транзистор, база которого соединена с выходом блока управления, а коллектор или эмиттер – с общим проводником, эмиттер или коллектор биполярного транзистора образует выход цепи обратной связи, подключенный к входу полосового усилителя мощности, а вход второй связанной линии подключен к выходу каскада усиления, при этом выход второй связанной линии образует выход полосового усилителя мощности введен дополнительный детектор, вход которого соединен с входом первой связанной линии, а каскад усиления содержит дополнительный биполярный транзистор, эмиттер которого соединен с общим проводником, входную корректирующую цепь, вход которой является входом каскада усиления, а выход соединен с базой дополнительного биполярного транзистора, выходную согласующую цепь, вход которой соединен с коллектором дополнительного биполярного транзистора, а выход является выходом каскада усиления, высокочастотный дроссель, первый вывод которого подключен к коллектору дополнительного биполярного транзистора, и цепь управления, имеющую два входа, первый из которых соединен с выходом дополнительного детектора, а второй – со вторым выводом высокочастотного дросселя, и один выход, подключенный к базе дополнительного биполярного транзистора. Цепь управления содержит третий биполярный транзистор, эмиттер которого соединен со вторым входом цепи управления, первый резистор, включенный между базой третьего биполярного транзистора и общим проводником, второй резистор, один из выводов которого соединен с выходом цепи управления, а другой – с коллектором третьего биполярного транзистора, третий резистор, включенный между базой третьего биполярного транзистора и источником питания, четвертый резистор, один из выводов которого соединен со вторым входом цепи управления, а другой – с источником питания, первый конденсатор, включенный между коллектором третьего биполярного транзистора и общим проводником, при этом база третьего биполярного транзистора соединена с первым входом цепи управления, входная корректирующая цепь содержит первую катушку индуктивности, включенную между входом входной корректирующей цепи и общим проводником, второй конденсатор, один из выводов которого соединен с входом входной корректирующей цепи, третий конденсатор, включенный между другим выводом второго конденсатора и общим проводником, вторую катушку индуктивности, включенную между выходом входной корректирующей цепи и точкой соединения второго и третьего конденсаторов, выходная согласующая цепь содержит третью катушку индуктивности, один из выводов которой соединен с входом выходной согласующей цепи, четвертый конденсатор, включенный между другим выводом третьей катушки индуктивности и общим проводником, четвертую катушку индуктивности, один из выводов которой подключен к точке соединения третьей катушки индуктивности и четвертого конденсатора, пятый конденсатор, включенный между другим выводом четвертой катушки индуктивности и общим проводником, шестой конденсатор, включенный между выходом выходной согласующей цепи и точкой соединения четвертой катушки индуктивности и пятого конденсатора.
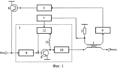
На фиг.1-4 представлены функциональная схема предложенного полосового усилителя мощности и схемы цепи управления, входной корректирующей и выходной согласующей цепей соответственно, входящие в состав каскада усиления полосового усилителя мощности. На фиг.5 представлена принципиальная электрическая схема макета полосового усилителя мощности, разработанного на основе функциональной схемы, приведенной на фиг.1.
Полосовой усилитель мощности (фиг.1) содержит каскад усиления 1, имеющий вход усиливаемого сигнала, соединенный с входом полосового усилителя мощности, и выход усиливаемого сигнала, цепь обратной связи, в состав которой входят направленный ответвитель 2, выполненный в виде двух связанных линий, вход первой из которых нагружен на согласованную нагрузку 3, детектор 4, вход которого подключен к выходу первой связанной линии, блок управления 5, вход которого соединен с выходом детектора 4, биполярный транзистор 6, база которого соединена с выходом блока управления 5, а коллектор или эмиттер – с общим проводником, эмиттер или коллектор биполярного транзистора 6 образует выход цепи обратной связи, подключенный к входу полосового усилителя мощности, вход второй связанной линии подключен к выходу каскада усиления 1, а ее выход образует выход полосового усилителя мощности, дополнительный детектор 7, вход которого соединен с входом первой связанной линии, при этом каскад усиления 1 содержит дополнительный биполярный транзистор 8, эмиттер которого соединен с общим проводником, входную корректирующую цепь 9, вход которой является входом каскада усиления 1, а выход соединен с базой дополнительного биполярного транзистора 8, выходную согласующую цепь 10, вход которой соединен с коллектором дополнительного биполярного транзистора 8, а выход является выходом каскада усиления 1, высокочастотный дроссель 11, первый вывод которого подключен к коллектору дополнительного биполярного транзистора 8, и цепь управления 12, имеющую два входа, первый из которых соединен с выходом дополнительного детектора 7, а второй – со вторым выводом высокочастотного дросселя 11, и один выход, подключенный к базе дополнительного биполярного транзистора 8. Цепь управления 12 содержит (см. фиг.2) третий биполярный транзистор 13, эмиттер которого соединен со вторым входом цепи управления 12, первый резистор 14, включенный между базой третьего биполярного транзистора 13 и общим проводником, второй резистор 15, один из выводов которого соединен с выходом цепи управления 12, а другой – с коллектором третьего биполярного транзистора 13, третий резистор 16, включенный между базой третьего биполярного транзистора 13 и источником питания, четвертый резистор 17, один из выводов которого соединен со вторым входом цепи управления 12, а другой – с источником питания, первый конденсатор 18, включенный между коллектором третьего биполярного транзистора 13 и общим проводником, при этом база третьего биполярного транзистора 13 соединена с первым входом цепи управления 12, входная корректирующая цепь 9 содержит (см. фиг.3) первую катушку индуктивности 19, включенную между входом входной корректирующей цепи 9 и общим проводником, второй конденсатор 20, один из выводов которого соединен с входом входной корректирующей цепи 9, третий конденсатор 21, включенный между другим выводом второго конденсатора 19 и общим проводником, вторую катушку индуктивности 22, включенную между выходом входной корректирующей цепи 9 и точкой соединения второго 20 и третьего 21 конденсаторов, выходная согласующая цепь 10 содержит (см. фиг.4) третью катушку индуктивности 23, один из выводов которой соединен с входом выходной согласующей цепи 10, четвертый конденсатор 24, включенный между другим выводом третьей катушки индуктивности 23 и общим проводником, четвертую катушку индуктивности 25, один из выводов которой подключен к точке соединения третьей катушки индуктивности 23 и четвертого конденсатора 24, пятый конденсатор 26, включенный между другим выводом четвертой катушки индуктивности 25 и общим проводником, шестой конденсатор 27, включенный между выходом выходной согласующей цепи 10 и точкой соединения четвертой катушки индуктивности 25 и пятого конденсатора 26.
Полосовой усилитель мощности работает следующим образом. Входная корректирующая цепь 9 формирует амплитудно-частотную характеристику полосового усилителя мощности [3]. Выходная согласующая цепь 10 обеспечивает согласование выходного сопротивления дополнительного биполярного транзистора 8 с сопротивлением нагрузки полосового усилителя мощности, что позволяет получить в нагрузке максимальную мощность [3]. Цепь обратной связи, в состав которой входят направленный ответвитель 2, согласованная нагрузка 3, детектор 4, блок управления 5, биполярный транзистор 6, осуществляет защиту полосового усилителя мощности от перегрузки по входу и от рассогласования по выходу [2]. Часть усиленного полосовым усилителем мощности сигнала выделяется на согласованной нагрузке 3 и подается на вход дополнительного детектора 7, на выходе которого формируется постоянное напряжение, пропорциональное амплитуде выходного напряжения полосового усилителя мощности. Это постоянное напряжение подается на первый вход цепи управления 12. На втором входе цепи управления 12 выделяется сигнал, пропорциональный току, потребляемому дополнительным биполярным транзистором 8. Сигнал, снимаемый с выхода цепи управления 12, также пропорционален току, потребляемому дополнительным биполярным транзистором 8. При несовпадении уровней сигналов, поступающих на первый и второй входы цепи управления 12, ток, потребляемый дополнительным биполярным транзистором 8, изменяется и устанавливается пропорциональным уровню выходного сигнала. Выбирая соответствующим образом коэффициент передачи дополнительного детектора 7, можно реализовать условие, при котором дополнительный биполярный транзистор 8 будет работать в режиме класса А с автоматической регулировкой потребляемого тока [4]. В прототипе транзистор усилительного каскада работает в режиме класса В. В этом случае переход от режима класса В, то есть от режима с углом отсечки 90 градусов, к режиму класса А, в соответствии с [5], позволяет обеспечить более высокий коэффициент полезного действия усилительного каскада (если коэффициент усиления каскада, работающего в режиме класса В, составляет величину менее 11 дБ) и на 6 дБ повысить его коэффициент усиления. Повышение коэффициента усиления при переходе от режима класса В к режиму класса А обусловлено тем, что в этом случае усиливаются обе полуволны усиливаемого периодического сигнала. При коэффициенте усиления каскада менее 11 дБ на его коэффициент полезного действия доминирующее влияние начинает оказывать величина мощности сигнала, подаваемого на вход усилителя. Известно, что потенциально достижимый коэффициент усиления транзистора падает с ростом частоты усиливаемого сигнала со скоростью 6 дБ на октаву [6], и реальный коэффициент усиления одного каскада многокаскадного усилителя мощности ОВЧ- и УВЧ-диапазонов составляет величину порядка 4-10 дБ [3, 7-9]. Поэтому использование предлагаемого полосового усилителя мощности по сравнению с прототипом позволяет повысить как его коэффициент усиления, так и коэффициент полезного действия.
Каскад усиления 1, направленный ответвитель 2, согласованная нагрузка 3, детектор 4, блок управления 5, биполярный транзистор 6, дополнительный детектор 7, дополнительный биполярный транзистор 8, входная корректирующая цепь 9, выходная согласующая цепь 10, высокочастотный дроссель 11 и цепь управления 12 на фиг.1, а также третий биполярный транзистор 13, первый резистор 14, второй резистор 15, третий резистор 16, четвертый резистор 17, первый конденсатор 18 на фиг.2, первая катушка индуктивности 19, второй конденсатор 20, третий конденсатор 21, вторая катушка индуктивности 22 на фиг.3, третья катушка индуктивности 23, четвертый конденсатор 24, четвертая катушка индуктивности 25, пятый конденсатор 26, шестой конденсатор 27 на фиг.4 соответствуют каскаду усиления на транзисторе VT4, направленному ответвителю НО, согласованной нагрузке R12, детектору на диоде VD2, блоку управления, состоящему из транзистора VT2 и резисторов R1, R2, R3, биполярному транзистору VT1, дополнительному детектору на диоде VD1, второму биполярному транзистору VT4, входной корректирующей цепи, состоящей из элементов L1, C1, C2, L2, выходной согласующей цепи, состоящей из элементов L4, С5, L5, С7, С9, высокочастотному дросселю L3 и цепи управления, состоящей из элементов VT3, R4, R5, R6, R7, С3 на фиг.5.
Макет полосового усилителя мощности, принципиальная схема которого приведена на фиг.5, имел следующие технические характеристики: полоса рабочих частот – 200…230 МГц; коэффициент усиления – 10,5 дБ; максимальное значение выходной мощности – 40 Вт; мощность, потребляемая от источника питания, при максимальном значении выходной мощности – 70 Вт; коэффициент полезного действия в режиме максимальной выходной мощности – 54%; мощность входного сигнала при максимальном значении выходной мощности – 3,6 Вт.
Макет полосового усилителя мощности, реализованного по схеме прототипа, имел следующие технические характеристики: полоса рабочих частот – 200…230 МГц; коэффициент усиления – 6 дБ; максимальное значение выходной мощности – 40 Вт; мощность, потребляемая от источника питания, при максимальном значении выходной мощности – 70 Вт; коэффициент полезного действия в режиме максимальной выходной мощности – 50%; мощность входного сигнала при максимальном значении выходной мощности – 10 Вт.
Положительный эффект от использования предложенного изобретения (по отношению к модели-прототипу) заключается в повышении коэффициента усиления и коэффициента полезного действия.
Источники информации
3. Проектирование радиопередатчиков / В.В.Шахгильдян, М.С.Шумилин, В.Б.Козырев и др. Под ред. В.В.Шахгильдяна. – М.: Радио и связь, 2000. – 656 с.
6. Шварц Н.З. Линейные транзисторные усилители СВЧ. – М.: Сов. радио, 1980. – 368 с.
Формула изобретения
1. Полосовой усилитель мощности, содержащий каскад усиления, имеющий вход усиливаемого сигнала, соединенный с входом полосового усилителя мощности, и выход усиливаемого сигнала, цепь обратной связи, в состав которой входят направленный ответвитель, выполненный в виде двух связанных линий, вход первой из которых нагружен на согласованную нагрузку, детектор, вход которого подключен к выходу первой связанной линии, блок управления, вход которого соединен с выходом детектора, биполярный транзистор, база которого соединена с выходом блока управления, а коллектор или эмиттер – с общим проводником, эмиттер или коллектор биполярного транзистора образует выход цепи обратной связи, подключенный к входу полосового усилителя мощности, а вход второй связанной линии подключен к выходу каскада усиления, при этом выход второй связанной линии образует выход полосового усилителя мощности, отличающийся тем, что в него введен дополнительный детектор, вход которого соединен с входом первой связанной линии, а каскад усиления содержит дополнительный биполярный транзистор, эмиттер которого соединен с общим проводником, входную корректирующую цепь, вход которой является входом каскада усиления, а выход соединен с базой дополнительного биполярного транзистора, выходную согласующую цепь, вход которой соединен с коллектором дополнительного биполярного транзистора, а выход является выходом каскада усиления, высокочастотный дроссель, первый вывод которого подключен к коллектору дополнительного биполярного транзистора, и цепь управления, имеющую два входа, первый из которых соединен с выходом дополнительного детектора, а второй – со вторым выводом высокочастотного дросселя, и один выход, подключенный к базе дополнительного биполярного транзистора.
2. Полосовой усилитель мощности по п.1, отличающийся тем, что цепь управления содержит третий биполярный транзистор, эмиттер которого соединен со вторым входом цепи управления, первый резистор, включенный между базой третьего биполярного транзистора и общим проводником, второй резистор, один из выводов которого соединен с выходом цепи управления, а другой – с коллектором третьего биполярного транзистора, третий резистор, включенный между базой третьего биполярного транзистора и источником питания, четвертый резистор, один из выводов которого соединен со вторым входом цепи управления, а другой – с источником питания, первый конденсатор, включенный между коллектором третьего биполярного транзистора и общим проводником, при этом база третьего биполярного транзистора соединена с первым входом цепи управления, входная корректирующая цепь содержит первую катушку индуктивности, включенную между входом входной корректирующей цепи и общим проводником, второй конденсатор, один из выводов которого соединен с входом входной корректирующей цепи, третий конденсатор, включенный между другим выводом второго конденсатора и общим проводником, вторую катушку индуктивности, включенную между выходом входной корректирующей цепи и точкой соединения второго и третьего конденсаторов, выходная согласующая цепь содержит третью катушку индуктивности, один из выводов которой соединен с входом выходной согласующей цепи, четвертый конденсатор, включенный между другим выводом третьей катушки индуктивности и общим проводником, четвертую катушку индуктивности, один из выводов которой подключен к точке соединения третьей катушки индуктивности и четвертого конденсатора, пятый конденсатор, включенный между другим выводом четвертой катушки индуктивности и общим проводником, шестой конденсатор, включенный между выходом выходной согласующей цепи и точкой соединения четвертой катушки индуктивности и пятого конденсатора.
РИСУНКИ
MM4A – Досрочное прекращение действия патента СССР или патента Российской Федерации на изобретение из-за неуплаты в установленный срок пошлины за поддержание патента в силе
Дата прекращения действия патента: 13.07.2008
Извещение опубликовано: 10.07.2010 БИ: 19/2010
|
|