|
|
(21), (22) Заявка: 2005122150/09, 13.07.2005
(24) Дата начала отсчета срока действия патента:
13.07.2005
(46) Опубликовано: 10.04.2007
(56) Список документов, цитированных в отчете о поиске:
RU 2099850 C1, 20.12.1997. RU 2207701 C1, 27.06.2003. RU 2247039 С2, 27.02.2005. RU 2225301 С2, 10.03.2004. DE 2434253, 29.01.1976.
Адрес для переписки:
125993, Москва, ул. Часовая, 22/2, РГОТУПС
|
(72) Автор(ы):
Луков Николай Михайлович (RU), Ромашкова Оксана Николаевна (RU), Космодамианский Андрей Сергеевич (RU), Алейников Игорь Аркадьевич (RU)
(73) Патентообладатель(и):
Государственное образовательное учреждение высшего профессионального образования “Российский государственный открытый технический университет путей сообщения” (РГОТУПС) (RU)
|
(54) ЭЛЕКТРИЧЕСКАЯ ПЕРЕДАЧА МОЩНОСТИ ТЯГОВОГО ТРАНСПОРТНОГО СРЕДСТВА
(57) Реферат:
Изобретение относится к электрооборудованию тягового транспортного электроподвижного состава. Технический результат заключается в уменьшении стоимости, габаритных размеров и массы, увеличении надежности, повышении КПД и уменьшении расходов энергии на охлаждение электрической передачи мощности. Для этого устройство содержит тяговый синхронный генератор, приводимый от вала теплового двигателя, первый блок управления электрической передачей мощности (контроллер машиниста), первый неуправляемый выпрямитель, автономный инвертор тока, тяговый асинхронный двигатель с фазным ротором, датчик тока первого неуправляемого выпрямителя, датчик напряжения первого неуправляемого выпрямителя, датчик напряжения третьего неуправляемого выпрямителя, блок возбуждения тягового синхронного генератора, третий блок управления, микропроцессорный контроллер, при этом вал тягового асинхронного двигателя соединен с осями движущих колес тягового транспортного средства, две трехфазные роторные обмотки тягового асинхронного двигателя сдвинуты друг относительно друга на 30° электрических и посредством последовательно соединенных второго и третьего неуправляемых выпрямителей подключены к первому неуправляемому выпрямителю, к первому выходу микропроцессорного контроллера посредством второго блока управления подключен блок возбуждения тягового синхронного генератора. 7 ил.
Область техники, к которой относится изобретение
Предлагаемое изобретение относится к электрооборудованию тягового транспортного электроподвижного состава, т.е. таких тяговых транспортных средств, как тепловозы, дизель-поезда, автомобили и т.д., у которых передачи мощности с вала теплового двигателя к осям движущих колес выполнены на переменном токе с подключением асинхронных тяговых двигателей к тяговому синхронному генератору.
Уровень техники
Известна электрическая передача тягового транспортного средства (аналог), совокупность признаков которой сходна с совокупностью существенных признаков предлагаемого изобретения, содержащая тяговый синхронный генератор, приводимый от теплового двигателя, блок возбуждения тягового синхронного генератора, асинхронные тяговые двигатели и блок управления передачей. В ней статорные обмотки тягового синхронного генератора подключены к статорным обмоткам двух одинаковых асинхронных тяговых двигателей, роторные обмотки которых соединены последовательно и подключены посредством выпрямителя к электродвигателю постоянного тока, вал которого соединен с валом теплового двигателя, а обмотка возбуждения подключена ко второму блоку возбуждения. Валы асинхронных тяговых двигателей соединены между собой и с осями движущих колес тягового транспортного средства. Статор одного из асинхронных тяговых двигателей выполнен поворотным и соединен с механизмом поворота. Блок управления передачей подключен к тепловому двигателю, блокам возбуждения тягового синхронного генератора и электродвигателя постоянного тока и к механизму поворота статора асинхронного тягового двигателя [Патент РФ 2207701. Электрическая передача мощности тягового транспортного средства / Луков Н.М., Космодамианский А.С., Аксаков А.Р. 2003, №18, кл. 7 Н 02 Р 7/74, В 60 L 11/08]. В этой известной электрической передаче мощности тягового транспортного средства энергия скольжения роторов асинхронных тяговых двигателей передается в тяговый синхронный генератор посредством выпрямителя и электродвигателя постоянного тока. Недостатками этой известной электрической передачи мощности тягового транспортного средства являются потери энергии скольжения в выпрямителе и электродвигателе постоянного тока, применение которых в передаче мощности увеличивает ее стоимость, габаритные размеры и массу, снижает ее надежность и увеличивает эксплуатационные расходы. Применение в передаче мощности одного из асинхронных тяговых двигателей с поворотным статором также снижает достоинства передачи мощности.
Аналогом предлагаемого изобретения, наиболее близким к нему по совокупности признаков (прототипом), является способ управления асинхронным двигателем с фазным ротором, согласно которому подают в обмотку статора двигателя переменное напряжение, выпрямляют с помощью нерегулируемого выпрямителя напряжение, снимаемое с выводов обмотки ротора двигателя, и регулируют скорость двигателя. Указанное переменное напряжение подают с выхода инвертора, выпрямляют переменное напряжение питающей сети с помощью регулируемого выпрямителя, суммируют это напряжение с выпрямленным напряжением, снимаемым с выводов обмоток ротора двигателя, подают полученную сумму этих двух напряжений на вход инвертора. Напряжение, полученное с выхода инвертора, трансформируют по амплитуде с помощью согласующего трансформатора и подают на обмотку статора двигателя. Задают желаемое значение тока на входе инвертора, измеряют величину тока на входе инвертора, сравнивают заданное и измеренное значения тока на входе инвертора, а регулирование скорости двигателя осуществляют изменением частоты напряжения на выходе инвертора с помощью блока задания выходной частоты инвертора [Патент РФ 2099850. Способ управления асинхронным двигателем с фазным ротором / Мещеряков В.Н. 1997, №35, кл. 6 Н 02 Р 7/63, 7/46]. Недостатком этого способа управления асинхронным двигателем с фазным ротором является то, что он требует применения управляемого выпрямителя и согласующего трансформатора на выходе инвертора на полную мощность двигателя, а также сглаживающего реактора на выходе неуправляемого выпрямителя, что увеличивает стоимость, габаритные размеры и массу, снижает надежность и увеличивает расходы энергии на охлаждение такого электропривода. Кроме того, для сглаживания пульсаций напряжения на выходе управляемого выпрямителя необходимо применение на его входе реакторов (токоограничивающих дросселей) на полную мощность двигателя, что также увеличивает стоимость, габаритные размеры и массу такого электропривода [Мещеряков В.Н. Системы электропривода с асинхронным двигателем с фазным ротором. – Липецк, Липецкий государственный технический университет, 1999. – 80 с. Мещеряков В.Н. Динамика электромеханических систем подъемно-транспортных механизмов с асинхронным электроприводом. – Липецк, Липецкий государственный технический университет, 2002. – 121 с.].
Сущность изобретения
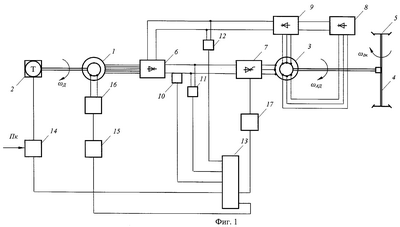
Предлагаемая электрическая передача тягового транспортного средства, принципиальная блок-схема которой представлена на фиг.1, содержит тяговый шестифазный синхронный генератор 1, приводимый от дизеля 2, тяговый асинхронный двигатель 3 с фазным ротором, имеющим две трехфазные обмотки, сдвинутые друг относительно друга на 30° электрических. Вал асинхронного двигателя 3 соединен с осями 4 движущих колес 5. Статорные обмотки тягового синхронного генератора подключены к первому неуправляемому выпрямителю 6, к которому, в свою очередь, подключен автономный инвертор тока 7. Статорные обмотки тягового асинхронного двигателя 3 подключены к автономному инвертору тока 7, а две его трехфазные роторные обмотки посредством второго 8 и третьего 9 неуправляемых выпрямителей подключены к первому неуправляемому выпрямителю 6. К первому неуправляемому выпрямителю 6 подключены также датчик тока 10 и первый датчик напряжения 11. К третьему неуправляемому выпрямителю 9 подключен второй датчик напряжения 12. Выходы датчика тока 10, первого 11 и второго 12 датчиков напряжения подключены к микропроцессорному контроллеру 13. К микропроцессорному контроллеру подключены также первый блок управления 14 (контроллер машиниста), связанный с дизелем, второй блок управления 15, связанный с блоком возбуждения тягового синхронного генератора 16, и третий блок управления 17, связанный с автономным инвертором тока 7. Таким образом, автономный инвертор тока 7 соединен последовательно с первым 6, вторым 8 и третьим 9 неуправляемыми выпрямителями.
На фиг.2. представлена принципиальная схема силовой части электрической передачи мощности тягового транспортного средства. На ней позициям 18 и 19 соответствуют первая и вторая роторные обмотки тягового асинхронного двигателя 3, позициям 20 и 21 – первая и вторая статорные обмотки тягового синхронного генератора 1, а позиции 22 – роторная обмотка тягового синхронного генератора 1 и позиции 23 – статорная обмотка тягового асинхронного двигателя 3. Датчик скорости вращения вала дизель-генератора ДГ расположен в дизеле (в регуляторе скорости вращения его вала) 2, а выходной сигнал этого датчика является одновременно сигналом скорости вращения вала ДГ и частоты fГ напряжения тягового синхронного генератора 1.
Как видно из фиг.1 и 2, к автономному инвертору тока 7 подводится суммарное выпрямленное напряжение от первого 6, второго 8 и третьего 9 неуправляемых выпрямителей. Датчик 12 выполняет две функции. Первая его функция заключается в том, что для определения напряжения тягового синхронного генератора 1 UГ выходной сигнал датчика 12 вычитается из выходного сигнала датчика 11. Вторая функция заключается в том, что при перегрузке по каким-либо причинам тягового асинхронного двигателя 3 по напряжению (а значит, и по току) роторных обмоток микропроцессорный контроллер 13 в соответствии с заложенным алгоритмом работы подает команду на второй блок управления 15, а тот, в свою очередь, на блок 16 возбуждения тягового синхронного генератора 1 на уменьшение тока возбуждения IВГ, а значит, на уменьшение напряжения UГ и мощности РГ тягового синхронного генератора 1.
Напряжение и ток нагрузки тягового синхронного генератора 1 в электрической передаче мощности тягового транспортного средства измеряются на стороне постоянного выпрямленного тока еще и потому, что точность измерения электрических величин переменного тока значительно ниже точности измерения тех же величин постоянного тока [Безикович А.Я., Шапиро Е.З. Измерение электрической мощности в звуковом диапазоне частот, – Л.: Энергия, 1980. – 168 с., стр.16].
При отсутствии в электрической передаче мощности уравнительных токов, замыкающихся через вентили второго и третьего неуправляемых выпрямителей 8 и 9, минуя обмотки тягового асинхронного двигателя 3, токи в роторных и статорных обмотках тягового асинхронного двигателя 3 равны между собой и равны току нагрузки тягового синхронного генератора 1.
Предлагаемая электрическая передача мощности тягового транспортного средства содержит систему каскадно-параметрического асинхронного электропривода. При этом энергия скольжения тягового асинхронного двигателя 3 отдается не в тяговый синхронный генератор, а непосредственно в статорные обмотки тягового асинхронного двигателя 3, пройдя при этом через второй 8, третий 9 и первый 6 неуправляемые выпрямители и автономный инвертор тока 7. Статорные и роторные обмотки тягового асинхронного двигателя 3 включены в общую электрическую цепь, что позволяет одновременно управлять токами статорных и роторных обмоток тягового асинхронного двигателя путем изменения тока нагрузки и напряжения тягового синхронного генератора 1. Таким образом, последовательное соединение статорных и роторных обмоток тягового асинхронного двигателя 3 посредством вентильных элементов позволяет вести управление электрической передачей мощности с помощью общего звена постоянного тока. В предлагаемой электрической передаче мощности используется автономный инвертор тока 7 с нерегулируемой, изменяемой ступенчато (в зависимости от позиции контроллера машиниста – первого блока управления 14, то есть от частоты напряжения fГ тягового синхронного генератора) выходной частотой fИ. Такие инверторы являются наиболее простыми, недорогими и имеют очень простую схемную реализацию [Тиристорные преобразователи частоты в электроприводе / А.Я.Бернштейн, Ю.М.Гусяцкий, А.В.Кудрявцев, Г.С.Сарбатов. Под ред. Г.С.Сарбатова. – М.: Энергия, 1980. – 328 с.]. Кроме того, программное (по позициям ПК контроллера машиниста – первого блока управления 14) задание сигнала управления частотой fИ без замкнутого контура регулирования этой частоты значительно упрощает систему управления автономным инвертором тока 7.
В предлагаемой электрической передаче мощности для уменьшения амплитуды пульсаций напряжения и увеличения их частоты статорные обмотки тягового синхронного генератора сдвинуты друг относительно друга на 30° электрических. Каждая статорная обмотка подключена к отдельному выпрямительному мосту первого неуправляемого выпрямителя 6. На стороне выпрямленного тока мосты соединены параллельно (см. фиг.2). При этом амплитуда пульсаций в кривой выпрямленного напряжения практически равна нулю и ток на выходе первого неуправляемого выпрямителя 6 является практически полностью сглаженным.
С целью уменьшения пульсаций выпрямленного тока роторных обмоток тягового асинхронного двигателя в предлагаемой электрической передаче мощности тяговый асинхронный двигатель 3 выполнен с двумя роторными обмотками (и шестью кольцами), которые сдвинуты друг относительно друга на угол р, равный 30° или 90° электрических. При угле сдвига роторных обмоток р=0 пульсации выпрямленного напряжения на выходе второго 8 и третьего 9 неуправляемых выпрямителей по фазе суммируются. На выходе третьего неуправляемого выпрямителя 9 получается удвоенная амплитуда пульсаций с той же частотой (соответствующей шестифазному выпрямлению). При осуществлении сдвига роторных обмоток в 30° эл. ( р=30°) пульсации выпрямленного напряжения двух неуправляемых выпрямителей 8 и 9 оказываются сдвинутыми по фазе также на 30°. Хотя сумма выпрямленных напряжений (среднее значение напряжения на выходе неуправляемых выпрямителей 8 и 9) остается такой же, как и в случае р=0, частота переменной составляющей возрастает вдвое, а ее амплитуда значительно снижается. Таким образом, осуществлением сдвига трехфазных роторных обмоток тягового асинхронного двигателя 3 достигаются пульсации выпрямленного напряжения, соответствующие двенадцатифазной системе выпрямления. При этом отпадает необходимость использования сглаживающего реактора на выходе третьего неуправляемого выпрямителя 9.
Дизель 2 при заданной скорости вращения вала Д может развивать только определенную заданную мощность NД (см. на фиг.3 зависимости мощности NД (линия 24) и вращающего момента МД (линия 25) дизеля тягового транспортного средства от скорости вращения вала Д). Мощность дизеля NД приблизительно пропорциональна скорости вращения вала Д, а вращающий момент на его валу МД почти не зависит от скорости вращения вала Д [Луков Н.М., Стрекопытов В.В., Рудая К.И. Передачи мощности тепловозов. – М.: Транспорт, 1987, с.84; Луков Н.М. Автоматизация тепловозов, газотурбовозов и дизель-поездов. – М.: Машиностроение, 1988, с.15; Луков Н.М. Основы автоматики и автоматизации тепловозов. – М.: Транспорт, 1989, с.143].
Тяговые характеристики тягового транспортного средства (линии 26, 27, 28 и 29 при различных скоростях вращения Д вала дизеля) и агрегата сопротивления движению тягового транспортного средства (линия 30 – на площадке, линия 31 – на подъеме), представленные на фиг.4, имеют три характерных участка: АВ, ВС и CD. Первый участок АВ характеристик обусловлен наличием ограничения максимальной силы тяги FК условиями сцепления движущих колес с рельсами при трогании (пуске) и разгоне тягового транспортного средства. Второй участок ВС характеристик обусловлен наличием ограничения постоянной мощностью дизеля при заданной скорости вращения Д его вала. Третий участок CD характеристик обусловлен наличием ограничения максимальной скорости max движения тягового транспортного средства. В соответствии с этими особенностями тяговых характеристик и управление электрической передачей мощности должно быть различным при скоростях движения тягового транспортного средства, соответствующих этим разным участкам тяговых характеристик.
При работе тягового транспортного средства в режиме, соответствующем первому участку АВ тяговых характеристик, вращающий момент МДК на осях движущих колес, а значит, и сила тяги FК тягового транспортного средства мало изменяются при изменении скорости движения от нуля до min. Следовательно, в первом режиме работы тягового транспортного средства осуществляется принцип управления электрической передачей мощности, соответствующий выполнению условий: =var (переменная величина при FК=const). При этом мощность на выходном валу электрической передачи мощности увеличивается пропорционально скорости движения и достигает максимального значения при скорости движения min.
При работе тягового транспортного средства в режиме, соответствующем второму участку ВС тяговых характеристик, вращающий момент МДК на осях движущих колес, а значит, и сила тяги FК тягового транспортного средства изменяются обратно пропорционально скорости движения при изменении ее значений от min до max. При этом в диапазоне скоростей движения тягового транспортного средства от min до max мощность на выходном валу передачи остается практически постоянной.
При работе тягового транспортного средства в режиме, соответствующем третьему участку CD тяговых характеристик, вращающий момент МДК на осях движущих колес, а значит, и сила тяги FК тягового транспортного средства должны изменяются таким образом, чтобы скорость движения оставалась приблизительно постоянной и близкой значению max. Следовательно, в этом режиме работы передачи мощности должен осуществляться принцип управления, соответствующий выполнению условий: FК=var (переменная величина при =const). При этом мощность на выходном валу электрической передачи мощности уменьшается пропорционально скорости движения и достигает нулевого значения при скорости движения max.
При работе тягового транспортного средства в режиме тяги скорость движения возрастает, если сила тяги FК больше силы сопротивления движению WО, скорость движения уменьшается, если FКO, и остается постоянной, если FК=WO (см. фиг.4). Тяговое транспортное средство вместе с агрегатом сопротивления движению представляет собой устойчивый объект управления, способный самопроизвольно приходить к новому установившемуся состоянию (равновесной скорости движения ) после изменения силы тяги FК или силы сопротивления движению WO (см. фиг.4) [Луков Н.М. Автоматизация тепловозов, газотурбовозов и дизель-поездов. – М.: Машиностроение, 1988, с.225, 226]. Это свойство системы «тяговое транспортное средство вместе с агрегатом сопротивления движению» очень важно для работы предлагаемой электрической передачи мощности.
Предлагаемая электрическая передача мощности предназначена для того, чтобы при постоянных значениях скорости вращения вала дизеля Д, его мощности NД и вращающего момента МД скорость вращения движущих колес ДК (скорость движения тягового транспортного средства ) и вращающий момент МДК на них (сила тяги тягового транспортного средства FК) могли изменяться в широком диапазоне в соответствии с требуемыми тяговыми характеристиками между валом дизеля 2 и осями 4 движущих колес 5 тягового транспортного средства. К входному валу электрической передачи мощности подводится так называемая свободная мощность NДС дизеля 2, то есть такая мощность, которая при заданной скорости вращения вала ТД меньше мощности дизеля на величину мощности, затрачиваемой на привод вспомогательных агрегатов (насосов, компрессоров, вентиляторов, вспомогательных генераторов и др.).
В электрической передаче мощности тягового транспортного средства свободная мощность дизеля 2 передается на вал тягового синхронного генератора 1. Если свободная мощность дизеля 2 постоянна, то и мощность на зажимах тягового синхронного генератора РГ тоже постоянна. Требуемые статические характеристики системы регулирования напряжения тягового синхронного генератора UГ (IГ, Д), представленные на фиг.5 (линии 32, 33, 34 и 35), – зависимости напряжения на зажимах UГ от тока нагрузки IГ тягового синхронного генератора при различных скоростях вращения его вала Д можно получить, изменяя ток возбуждения IВГ тягового синхронного генератора, а значит, изменяя магнитный поток и магнитодвижущую силу тягового синхронного генератора в зависимости от отклонения напряжения от заданного значения, тока нагрузки IГ тягового синхронного генератора и скорости вращения его вала Д. Для автоматического регулирования напряжения тягового синхронного генератора применяются автоматические комбинированные системы регулирования, которые кроме тягового синхронного генератора (объекта регулирования) содержат три регулятора напряжения: по отклонению напряжения от заданного значения, по скорости вращения вала Д и по току нагрузки IГ тягового синхронного генератора. Регуляторы напряжения тягового синхронного генератора UГ получают сигналы от датчиков напряжения и тока нагрузки генератора и от датчика скорости вращения вала Д дизель-генератора. Статические характеристики системы регулирования напряжения тягового синхронного генератора так же, как и тяговые характеристики тягового транспортного средства, имеют три характерных участка (см. фиг.5) [Луков Н.М., Стрекопытов В.В., Рудая К.И. Передачи мощности тепловозов. – М.: Транспорт, 1987, с.65-71; Луков Н.М. Автоматизация тепловозов, газотурбовозов и дизель-поездов. – М.: Машиностроение, 1988, с.76-78; Луков Н.М. Основы автоматики и автоматизации тепловозов. – М.: Транспорт, 1989, с.159-160].
На участках A1B1 имеется ограничение на характеристике по максимальному значению тока нагрузки IГmax. На этих участках действуют два регулятора напряжения: по скорости вращения вала Д и по току нагрузки IГ тягового синхронного генератора, при этом ток нагрузки IГ тягового синхронного генератора остается приблизительно постоянным при изменении напряжения UГ от нуля до значения UГmin. При таком способе регулирования напряжения тягового синхронного генератора его мощность РГ изменяется пропорционально току нагрузки IГ, как видно из фиг.6, на которой представлены зависимости мощности РГ тягового синхронного генератора от его тока нагрузки IГ при автоматическом регулировании его напряжения и при различных скоростях вращения вала Д.
На участках B1C1 имеется ограничение на характеристике по мощности дизеля. На этих участках ток нагрузки IГ и напряжение тягового синхронного генератора UГ изменяются в обратно пропорциональной зависимости друг от друга при изменении напряжения от значения UГmin до значения UГmax, а тока нагрузки от IГmax до IГmin. На этих участках действуют три регулятора напряжения: по отклонению напряжения от заданного значения, по скорости вращения вала ТД и по току нагрузки IГ. На этих участках мощность РГ тягового синхронного генератора остается приблизительно постоянной при изменении его напряжения UГ от до значения UГmax (см. фиг.6).
На участках C1D1 имеется ограничение на характеристике по максимальному значению напряжения UГ. На этих участках напряжение UГ остается приблизительно постоянным при изменении тока нагрузки IГ от IГmax до нуля и действуют два регулятора напряжения: по отклонению напряжения от заданного значения и по скорости вращения вала ТД. При таком способе регулирования напряжения тягового синхронного генератора его мощность РГ изменяется пропорционально току нагрузки IГ (см. фиг.6).
Предлагаемая электрическая передача мощности тягового транспортного средства (см. фиг.1.) работает следующим образом. Скорость вращения вала тягового асинхронного двигателя 3 изменяется двумя способами.
При первом способе скорость вращения АД вала тягового асинхронного двигателя 3 изменяется путем ступенчатого (программного) изменения частоты напряжения на выходе автономного инвертора тока 7, значение которой зависит от позиции ПК контроллера машиниста – сигнала первого блока управления 14 и определяется алгоритмом работы передачи мощности, заложенным в микропроцессорный контроллер 13. Каждой позиции ПК контроллера машиниста 14 соответствует своя частота напряжения fГ тягового синхронного генератора. Значение напряжения тягового синхронного генератора определяется током возбуждения тягового синхронного генератора 1 и зависит от скорости вращения вала Д теплового двигателя 2 и тока нагрузки IГ тягового синхронного генератора 1 (см. фиг.5). Ток на входе в автономный инвертор тока IИН равен току нагрузки тягового синхронного генератора 1 IГ, то есть току первого неуправляемого выпрямителя 6. При пуске и разгоне (при первом режиме работы тягового асинхронного двигателя 3) тягового транспортного средства ток нагрузки IГ тягового синхронного генератора 1 максимальный, но он ограничивается системой регулирования напряжения тягового синхронного генератора 1 и не превышает значения IГmax (см. фиг.5). Ток второго и третьего неуправляемых выпрямителей 8 и 9 пропорционален скольжению S тягового асинхронного двигателя 3. При пуске и разгоне тягового транспортного средства значение скольжения S двигателя 3 наибольшее и наибольшие токи в статорных и роторных обмотках тягового асинхронного двигателя 3, равные току нагрузки тягового синхронного генератора 1. При этом энергия скольжения ротора тягового асинхронного двигателя 3 отдается не в статорные обмотки тягового синхронного генератора 1, а непосредственно в статорные обмотки тягового асинхронного двигателя 3 (см. фиг.1 и 2). При этих условиях тяговый асинхронный двигатель 3 развивает наибольший вращающий момент (фиг.7. Статические механические характеристики тягового асинхронного двигателя 3 при заданной частоте питающего напряжения и при различных относительных токах нагрузки (линии: 1,0 – 40; 0,8 – 41; 0,7 – 42; 0,6 – 43; 0,5 – 44; 0,4 – 45; 0,2 – 46), тяговая характеристика тягового транспортного средства (линия 47 – A2B2C2D2) при работе дизеля 2 на заданной позиции ПК контроллера машиниста 14, характеристика сопротивления движению тягового транспортного средства – линия 48; * – относительная скорость вращения вала тягового асинхронного двигателя 3), а тяговое транспортное средство развивает наибольшую силу тяги FК при заданной скорости вращения вала Д и мощности NД дизеля 2.
При втором способе скорость вращения АД вала тягового асинхронного двигателя 3 изменяется путем изменения тока нагрузки тягового синхронного генератора 1.
В предлагаемой электрической передаче мощности тягового транспортного средства наблюдаются три режима работы двигателя 3.
При первом режиме работы тягового асинхронного двигателя 3, то есть при трогании и разгоне тягового транспортного средства (на участке A2B2 тяговой характеристики тягового транспортного средства, см. фиг.7), ток роторных обмоток тягового асинхронного двигателя поддерживается постоянным и равным току IГmax тягового синхронного генератора, поэтому намагничивающий ток, магнитный поток и вращающий момент тягового асинхронного двигателя 3 остаются практически постоянными.
После достижения скорости движения min (точка В2 на тяговой характеристике, см. фиг.7) тягового транспортного средства в результате увеличения противоЭДС тягового асинхронного двигателя 3 ток нагрузки IГ тягового синхронного генератора начинает уменьшаться, а его напряжение UГ начинает увеличиваться (в соответствии с характеристикой системы регулирования напряжения тягового синхронного генератора, см. фиг.5). При этом наступает второй режим работы двигателя 3 (участок В2С2 тяговой характеристики, см. фиг.7). На участке В2С2 тяговой характеристики (см. фиг.7) за счет уменьшения тока нагрузки и увеличения напряжения тягового синхронного генератора 1 момент МАД тягового асинхронного двигателя 3 (и сила тяги) уменьшается, а скорость вращения вала АД (скорость движения) увеличивается. Этот процесс длится до тех пор, пока сила тяги FК больше силы сопротивления движению WО. Как видно на фиг.7, равновесный режим движения, при котором FК=WО, a =const, наступает в точке Е (см. фиг.7).
При достижении определенной скорости вращения вала АД тягового асинхронного двигателя 3 при выходе на рабочий режим возникают уравнительные токи, замыкающиеся через диоды второго и третьего неуправляемых выпрямителей 8 и 9, включенных в цепь роторных обмоток. Уравнительные токи протекают в системе тягового асинхронного двигателя 3, когда он имеет скольжение S меньше некоторого граничного значения SГР (третий режим работы двигателя 3). При этом режиме работы тягового асинхронного двигателя 3 ЭДС роторных обмоток покрывает только падение напряжения на активном и индуктивном сопротивлениях роторных обмоток. Во втором режиме, когда скольжение S больше некоторого граничного значения SГР, тяговый асинхронный двигатель 3 работает как в обычной схеме асинхронно-вентильного каскада, а в третьем режиме (на участке C2D2 тяговой характеристики, см. фиг.7), когда скольжение S меньше некоторого граничного значения SГР, то второй и третий неуправляемые выпрямители 8 и 9 в цепи роторных обмоток закорачиваются; при полностью закороченных уравнительными токами роторных обмотках тяговый асинхронный двигатель 3 работает как асинхронный двигатель с короткозамкнутым ротором.
Статические характеристики предлагаемой электрической передачи мощности по виду схожи с характеристиками электрической передачи мощности постоянного тока. Так как управление предлагаемой электрической передачей мощности производится по цепи выпрямленного тока, то можно считать, что в данном случае электрической передачей мощности можно управлять как электрической передачей мощности постоянного тока. Тяговое транспортное средство с предлагаемой электрической передачей мощности имеет нелинейные тяговые характеристики (см. фиг.7).
Автономный инвертор тока 7 (см. фиг.1) нерегулируемый с фиксированной выходной частотой fИ, соответствующей позиции ПК контроллера машиниста 14 или скорости вращения вала Д дизеля 2 и частоте напряжения fГ тягового синхронного генератора 1. Основная особенность автономного инвертора тока заключается в том, что он питается от источника постоянного тока, пульсации на выходе которого пренебрежимо малы (как в предлагаемой электрической передаче мощности). Несомненным преимуществом такого автономного инвертора тока являются простота силовой схемы, отсутствие коммутирующих дросселей, сравнительно простая система управления, в то время как применение инвертора напряжения требует использования специальной электронной быстродействующей защиты, а также устройств стабилизации напряжения на коммутирующих конденсаторах.
Для управления тяговыми асинхронными двигателями целесообразно использовать принцип частотно-токового управления, когда за основной контролируемый параметр принимается не напряжение, а ток. Одним из законов частотного управления асинхронным двигателем является закон постоянства магнитного потока во всех режимах работы. При этом удается максимально использовать магнитную систему асинхронного двигателя и получить при всех рабочих частотах высокую перегрузочную способность, превышающую в 2-2,5 раза перегрузочную способность тягового асинхронного двигателя на естественной характеристике. [Тиристорные преобразователи частоты в электроприводе / А.Я.Бернштейн, Ю.М.Гусяцкий, А.В.Кудрявцев, Г.С.Сарбатов. Под ред. Г.С.Сарбатова. – М.: Энергия, 1980, с.158-162, 188]
Недостаток управления с постоянным магнитным потоком связан с повышенными потерями в магнитопроводе при малых значениях вращающего момента тягового асинхронного двигателя. Для устранения этого недостатка необходимо уменьшать значение магнитного потока при уменьшении момента нагрузки. В предлагаемой электрической передаче мощности это условие выполняется путем уменьшения тока нагрузки тягового асинхронного двигателя 3 при уменьшении силы тяги тягового транспортного средства.
Технический результат, который может быть получен при осуществлении предлагаемого изобретения, заключается в уменьшении стоимости, габаритных размеров и массы, увеличении надежности, повышении КПД и уменьшении расходов энергии на охлаждение электрической передачи мощности, что достигается уменьшением числа агрегатов передачи мощности, таких как электродвигатель постоянного тока, тяговый асинхронный двигатель с поворотным статором, управляемый выпрямитель, согласующий трансформатор и реакторы на полную мощность тягового асинхронного двигателя, сглаживающий реактор в цепи роторных обмоток тягового асинхронного двигателя. Технический результат достигается тем, что электрическая передача мощности тягового транспортного средства содержит: тяговый синхронный генератор, приводимый от вала теплового двигателя; первый блок управления электрической передачей мощности (контроллер машиниста); первый неуправляемый выпрямитель, подключенный к тяговому синхронному генератору; автономный инвертор тока, подключенный к первому неуправляемому выпрямителю; тяговый асинхронный двигатель с фазным ротором, подключенный к автономному инвертору тока, вал тягового асинхронного двигателя соединен с осями движущих колес тягового транспортного средства. Электрическая передача мощности тягового транспортного средства содержит также датчик тока первого неуправляемого выпрямителя; первый датчик напряжения первого неуправляемого выпрямителя; блок возбуждения тягового синхронного генератора; третий блок управления (инвертором); микропроцессорный контроллер. Две трехфазные роторные обмотки тягового асинхронного двигателя сдвинуты друг относительно друга на 30° электрических, каждая из них подключена ко второму и третьему выпрямителям, соединенным последовательно, которые также являются неуправляемыми, и подключенным к первому неуправляемому выпрямителю. Второй датчик напряжения роторных обмоток тягового асинхронного двигателя подключен к третьему неуправляемому выпрямителю. Выходы первого датчика напряжения и датчика тока первого неуправляемого выпрямителя и второго датчика напряжения третьего неуправляемого выпрямителя подключены к микропроцессорному контроллеру, к которому посредством первого блока управления электрической передачей мощности подключен дизель. К первому выходу микропроцессорного контроллера посредством второго блока управления подключен блок возбуждения тягового синхронного генератора, а ко второму его выходу посредством третьего блока управления подключен автономный инвертор тока.
Перечень фигур
Фиг.1. Принципиальная блок-схема электрической передачи мощности тягового транспортного средства
Фиг.2. Принципиальная схема силовой части электрической передачи мощности тягового транспортного средства
Фиг.3. Зависимости мощности и вращающего момента дизеля тягового транспортного средства от скорости вращения вала дизеля
Фиг.4. Тяговые характеристики тягового транспортного средства при различных скоростях вращения вала дизеля и сопротивления движению тягового транспортного средства
Фиг.5. Требуемые статические характеристики системы регулирования напряжения тягового синхронного генератора – зависимости напряжения на зажимах тягового синхронного генератора от тока нагрузки при различных скоростях вращения вала дизеля
Фиг.6. Зависимости мощности тягового синхронного генератора от тока нагрузки при автоматическом регулировании его напряжения и при различных скоростях вращения его вала
Фиг.7. Статические механические характеристики тягового асинхронного двигателя при заданной частоте питающего напряжения и при различных относительных токах нагрузки, тяговая характеристика тягового транспортного средства при работе дизеля на заданной позиции контроллера машиниста, характеристика сопротивления движению тягового транспортного средства.
Формула изобретения
Электрическая передача мощности тягового транспортного средства, содержащая тяговый синхронный генератор, приводимый от вала теплового двигателя, первый блок управления электрической передачей мощности (контроллер машиниста), первый неуправляемый выпрямитель, подключенный к тяговому синхронному генератору, автономный инвертор тока, подключенный к первому неуправляемому выпрямителю, тяговый асинхронный двигатель с фазным ротором, подключенный к автономному инвертору тока, вал тягового асинхронного двигателя соединен с осями движущих колес тягового транспортного средства, датчик тока первого неуправляемого выпрямителя, датчик напряжения первого неуправляемого выпрямителя; блок возбуждения тягового синхронного генератора, третий блок управления, микропроцессорный контроллер, отличающаяся тем, что две трехфазные роторные обмотки тягового асинхронного двигателя сдвинуты относительно друг друга на 30° электрических и посредством последовательно соединенных второго и третьего неуправляемых выпрямителей подключены к первому неуправляемому выпрямителю, датчик напряжения третьего неуправляемого выпрямителя, при этом выходы датчика напряжения и датчика тока первого неуправляемого выпрямителя и датчика напряжения третьего неуправляемого выпрямителя подключены к микропроцессорному контроллеру, к которому посредством первого блока управления электрической передачей мощности подключен тепловой двигатель, к первому выходу микропроцессорного контроллера посредством второго блока управления подключен блок возбуждения тягового синхронного генератора, а ко второму его выходу посредством третьего блока управления подключен автономный инвертор тока.
РИСУНКИ
MM4A – Досрочное прекращение действия патента СССР или патента Российской Федерации на изобретение из-за неуплаты в установленный срок пошлины за поддержание патента в силе
Дата прекращения действия патента: 14.07.2007
Извещение опубликовано: 27.02.2009 БИ: 06/2009
|
|