|
|
(21), (22) Заявка: 2005117320/09, 06.06.2005
(24) Дата начала отсчета срока действия патента:
06.06.2005
(43) Дата публикации заявки: 20.11.2006
(46) Опубликовано: 10.04.2007
(56) Список документов, цитированных в отчете о поиске:
Интегральные микросхемы: микросхемы для импульсных источников питания и их применение. – М.: ДОДЭКА, 2000, с.198. RU 2319 U1, 16.06.1996. RU 2210851 С2, 20.08.2003. DE 2613896, 13.10.1977.
Адрес для переписки:
191124, Санкт-Петербург, пл. Растрелли, 2, ОАО “РИРВ”, первому зам. генерального директора Б.В. Шебшаевичу
|
(72) Автор(ы):
Швецов Юрий Кузьмич (RU)
(73) Патентообладатель(и):
Открытое акционерное общество “Российский институт радионавигации и времени” (RU)
|
(54) ОДНОТАКТНЫЙ ОБРАТНОХОДОВЫЙ ПРЕОБРАЗОВАТЕЛЬ ПОСТОЯННОГО НАПРЯЖЕНИЯ
(57) Реферат:
Изобретение относится к электротехнике. Технический результат заключается в получении однотактного обратноходового преобразователя постоянного напряжения с обратной связью по выходному напряжению, в котором гальваническая развязка входной и выходной цепей обеспечивается без использования оптопары или двухтактного преобразователя. Преобразователь содержит входной фильтр, силовой электронный ключ, силовой трансформатор, выходной однотактный фильтр-выпрямитель, схему управления, осуществляющую замыкание и размыкание силового электронного ключа в соответствии с напряжением обратной связи, формируемым цепью обратной связи, при этом цепь обратной связи содержит вспомогательный электронный ключ, управляющий вход которого подключен к дополнительной вторичной обмотке силового трансформатора, и развязывающий трансформатор, первичная обмотка которого зашунтирована размагничивающим элементом и подключена через вспомогательный электронный ключ к выходным выводам преобразователя, а вторичная обмотка через дополнительный однотактный фильтр-выпрямитель подключена к входу обратной связи схемы управления. 1 ил.
Изобретение относится к электротехнике и может быть использовано в источниках вторичного электропитания с гальванической развязкой входной и выходной цепей, выполненных на основе однотактных обратноходовых преобразователей постоянного напряжения.
Однотактные обратноходовые преобразователи постоянного напряжения рассматриваемого класса выполняются по схеме однотактного преобразования с обратным включением выпрямительного диода и трансформаторным разделением сетей питания и нагрузки. В обобщенном виде эта схема содержит управляемый силовой электронный ключ, подсоединенный к входным выводам через первичную обмотку силового трансформатора, вторичная обмотка которого через однотактный выпрямитель и сглаживающий фильтр подсоединена к выходным выводам. В период времени, когда силовой электронный ключ замкнут и через первичную обмотку силового трансформатора протекает ток, в нем осуществляется накопление энергии, которая отдается в нагрузку в следующий период времени, когда силовой электронный ключ разомкнут. Первый период времени соответствует так называемому «прямому ходу» преобразователя, а второй – «обратному ходу». Примеры обобщенных схем однотактных обратноходовых преобразователей постоянного напряжения, отвечающие выполнению указанной функции, представлены, в частности, в [1] – Ю.Розанов, М.Рябчинский, А.Кваснюк. «Вторичные источники питания: от сетевого трансформатора до корректора коэффициента мощности». CHIP NEWS. Инженерная микроэлектроника, №2, 2004 г., с.4-8, рис.7; [2] – RU №2031531 (C1), H02M 3/335, 20.03.1995.
Регулирование выходного напряжения в практических схемах однотактных обратноходовых преобразователей постоянного напряжения осуществляется путем изменения относительной длительности замкнутого состояния силового электронного ключа. Осуществляется это регулирование под воздействием схемы управления, реализующей, например, способ широтно- или частотно-импульсной модуляции (ШИМ и ЧИМ соответственно) или их комбинацию.
Например, известен стабилизированный однотактный обратноходовый преобразователь постоянного напряжения, описанный в [3] – RU №2210851 (С2), H02M 3/335, 20.08.2003, содержащий входной конденсатор, выполняющий функцию входного фильтра, силовой трансформатор, силовой электронный ключ, схему управления силовым электронным ключом и выходной однотактный фильтр-выпрямитель. Входной конденсатор подключен параллельно входным выводам преобразователя. Первичная обмотка силового трансформатора своим началом подключена к плюсовому выводу входного конденсатора, а своим концом – через силовой электронный ключ – к минусовому выводу входного конденсатора. Выходной однотактный фильтр-выпрямитель содержит последовательно соединенные диод и конденсатор. Вторичная обмотка силового трансформатора своим началом подключена к минусовому выводу этого конденсатора и к выходному минусовому выводу преобразователя, а своим концом – к плюсовому выводу диода, минусовой вывод которого соединен с плюсовым выводом конденсатора и с плюсовым выходным выводом преобразователя. Такое подключение первичной и вторичной обмоток силового трансформатора и выполнение выходного однотактного фильтра-выпрямителя обеспечивает реализацию функции однотактного обратноходового преобразователя, в котором накопление энергии в силовом трансформаторе осуществляется на «прямом ходе» преобразователя, а отдача накопленной энергии в нагрузку осуществляется на «обратном ходе» преобразователя.
Для осуществления регулирования выходного напряжения преобразователя [3] управляющий вход силового электронного ключа подключен к выходу схемы управления. Схема управления выполняет функцию ШИМ-контроллера, реализующего способ ШИМ-модуляции относительной длительности замкнутого состояния силового электронного ключа. Схема управления связана цепью обратной связи с дополнительной вторичной обмоткой силового трансформатора, выполняющей функцию обмотки обратной связи. Цепь обратной связи содержит однотактный фильтр-выпрямитель, выполненный и подключенный к дополнительной вторичной обмотке силового трансформатора аналогично выходному фильтру-выпрямителю. Такое подключение цепи обратной связи обеспечивает формирование напряжения обратной связи на «обратном ходе» преобразователя, т.е. одновременно с передачей энергии в нагрузку. Напряжение обратной связи, формируемое в такой цепи обратной связи, позволяет отслеживать изменения выходного напряжения, обусловленные изменениями входного напряжения, и производить соответствующую регулировку выходного напряжения с учетом этих изменений. Однако напряжение обратной связи, формируемое в такой цепи обратной связи, не позволяет отслеживать изменения выходного напряжения, обусловленные изменениями тока нагрузки и падением напряжения на омическом сопротивлении вторичной обмотки силового трансформатора и выходного фильтра-выпрямителя, что является недостатком преобразователя [3].
Устранение указанного недостатка возможно при формировании напряжения обратной связи из выходного напряжения, снимаемого с выходных выводов преобразователя, как это осуществлено, например, в стабилизированных однотактных проходных преобразователях постоянного напряжения, описанных в [4] – DE №2613896, Н02Н 7/127, 13.10.1977 и [5] – RU №2107380 (C1), H02M 3/335, 20.03.1998. В этих преобразователях цепь обратной связи по выходному напряжению реализована в виде последовательно соединенных регулятора напряжения, непосредственно подключенного своими входными выводами к выходным выводам преобразователя, и широтно-импульсного модулятора, подключенного своим выходом к управляющему входу силового электронного ключа, включенного в цепь первичной обмотки силового трансформатора.
Применение в преобразователях [4] и [5] обратной связи по выходному напряжению позволяет решить задачу стабилизации выходного напряжения в условиях изменения входного напряжения и тока нагрузки. Однако этот результат достигается в преобразователях [4] и [5] за счет потери такого важного свойства, как гальваническая развязка входной и выходной цепей.
Аналогичным недостатком обладает стабилизированный однотактный преобразователь постоянного напряжения, представленный в [6] – RU No 2211525 (C1), H02M 3/335, 27.08.2003, реализующий в зависимости от подключения обмоток силового трансформатора и выполнения выходного фильтра-выпрямителя функцию однотактного проходного или обратноходового преобразователя.
Известен описанный в [7] – SU №692029 (A1), H02M 3/335, G05F 1/56, 15.10.1979 источник электропитания, основанный на использовании двухтактного принципа преобразования постоянного напряжения, в котором обратная связь по выходному напряжению выполнена с обеспечением гальванической развязки входной и выходной цепей. В этом устройстве цепь обратной связи по выходному напряжению содержит вспомогательный двухтактный преобразователь, осуществляющий преобразование выходного напряжения постоянного тока в переменное прямоугольное напряжение типа «меандр». Это напряжение через трансформатор обратной связи и соответствующий выпрямитель передается на схему управления, связанную по выходу с управляющим входом предварительного импульсного стабилизатора напряжения, выходное напряжение которого поступает в нагрузку через силовой двухтактный преобразователь, силовой трансформатор и выходной выпрямитель. Силовой двухтактный преобразователь выполнен на двух транзисторах, эмиттеры которых соединены друг с другом и подключены к минусовому выходному выводу предварительного импульсного стабилизатора напряжения; базы этих транзисторов соединены с соответствующими управляющими выводами синхронизирующего блока, а коллекторы соединены с противоположными концами первичной обмотки силового трансформатора, средняя точка которой подключена к плюсовому выходному выводу предварительного импульсного стабилизатора напряжения. Вспомогательный двухтактный преобразователь в цепи обратной связи содержит два транзистора, эмиттеры которых соединены друг с другом и подключены к минусовому выходному выводу устройства, а кроме того, через соответствующий резистор подключены к средней точке дополнительной вторичной обмотки силового трансформатора; базы этих транзисторов подключены к противоположным концам этой обмотки, а коллекторы – к противоположным концам первичной обмотки трансформатора обратной связи, средняя точка которой подключена к плюсовому выходному выводу устройства.
Использование в цепи обратной связи устройства [7] двухтактного преобразователя, осуществляющего преобразование выходного напряжения постоянного тока в переменное напряжение типа «меандр», обусловлено, в частности, стремлением получить на выходе цепи обратной связи напряжение, линейно повторяющее (с учетом коэффициента передачи цепи обратной связи) выходное напряжение устройства, и тем самым реализовать схему регулирования с линейной обратной связью. Однако при этом возникает техническая проблема обеспечения идентичности токов в каждом из тактов преобразования для предотвращения возникновения постоянных токов подмагничивания и насыщения сердечников используемых трансформаторов. Решение этой проблемы требует применения специальных синхронизирующих средств, обеспечивающих одинаковую длительность тактов преобразования, а также специального подбора (или изготовления) пар транзисторов с идентичными (для всех заданных условиях эксплуатации и всего жизненного цикла) вольтамперными характеристиками. Указанные негативные особенности являются недостатком устройства [7].
Более простым и удобным для практического применения является решение, основанное на использовании в цепи обратной связи по выходному напряжению в качестве развязывающего элемента оптопары. Это решение нашло широкое применение в практических схемах преобразователей различных типов, использующих обратную связь по выходному напряжению с обеспечением гальванической развязки входной и выходной цепей, см., например, [8] – RU №2031529 (C1), H02M 3/335, 20.03.1995; [9] – RU №2069444 (C1), H02M 3/335, 20.11.1996; [10] – RU №2073302 (C1), H02M 3/335, 10.02.1997; [11] – US №6094365, H02M 3/335, Н02Н 7/122, 25.07.2000; [12] – И.Безверхний. «Микросхемы фирмы Power Integrations для сетевых импульсных источников питания». CHIP NEWS. Инженерная микроэлектроника, №2, 2004 г., с.24-28, рис.1, 3, 6; [13] – Интегральные микросхемы: Микросхемы для импульсных источников питания и их применение. М., ДОДЭКА, 2000 г., с.198, рис.4.
Оптопары, используемые в устройствах [8]-[13], представляют собой комбинацию излучателя, например ИК-диода, и фотоприемника. С помощью оптопар осуществляется преобразование напряжения постоянного тока в соответствующий ему оптический сигнал, а затем обратное преобразование этого оптического сигнала в напряжение постоянного тока. Оптопары являются идеальными с точки зрения простоты реализации техническими средствами, позволяющими реализовать канал передачи аналогового сигнала, представленного напряжением постоянного тока, от датчика к приемнику без гальванической связи между ними.
Известный из [13] стабилизированный однотактный обратноходовый преобразователь постоянного напряжения с гальванической развязкой входной и выходной цепей, использующий оптопару в цепи обратной связи по выходному напряжению, принят в качестве прототипа.
Функциональная схема преобразователя-прототипа содержит входной фильтр, силовой трансформатор с первичной и вторичной обмотками, силовой электронный ключ, схему управления силовым электронным ключом и выходной однотактный фильтр-выпрямитель.
Входной фильтр выполнен в виде входного конденсатора, включенного параллельно входным выводам преобразователя.
Начало первичной обмотки силового трансформатора соединено с плюсовым выводом входного конденсатора. Конец первичной обмотки силового трансформатора соединен через силовой электронный ключ с минусовым выводом входного конденсатора.
Выходной однотактный фильтр-выпрямитель содержит выпрямительный диод и П-образный CLC-фильтр, в котором конденсаторы включены параллельно входным и выходным выводам П-образного CLC-фильтра, а катушка индуктивности включена последовательно между входным и выходным плюсовыми выводами этого фильтра. Выходные плюсовой и минусовой выводы П-образного CLC-фильтра соединены с выходными плюсовым и минусовым выводами преобразователя, предназначенными для подключения к нагрузке; входной минусовой вывод этого фильтра соединен с началом вторичной обмотки силового трансформатора; входной плюсовой вывод этого фильтра соединен с минусовым выводом выпрямительного диода, плюсовой вывод которого соединен с концом вторичной обмотки силового трансформатора.
Такое подключение первичной и вторичной обмоток силового трансформатора и выполнение выходного однотактного фильтра-выпрямителя обеспечивает реализацию функции однотактного обратноходового преобразователя, в котором накопление энергии в силовом трансформаторе осуществляется на «прямом ходе» преобразователя, т.е. при замкнутом силовом электронном ключе, а отдача накопленной энергии в нагрузку осуществляется на «обратном ходе» преобразователя, т.е. при разомкнутом силовом электронном ключе.
Для осуществления регулирования выходного напряжения управляющий вход силового электронного ключа подключен к выходу схемы управления. Схема управления, реализованная с использованием микросхемы 1055ЕУ5, выполняет функцию ЧИМ-контроллера, осуществляющего ЧИМ-модуляцию управляющего сигнала для переключения силового электронного ключа, выполненного на полевом транзисторе.
Схема управления связана цепью питания с входными выводами преобразователя и цепью обратной связи по выходному напряжению с выходными выводами преобразователя.
Цепь обратной связи по выходному напряжению содержит оптопару, обеспечивающую гальваническую развязку выхода преобразователя и входа обратной связи схемы управления.
Принцип работы преобразователя-прототипа заключается в следующем. С входных выводов входное постоянное напряжение (напряжение постоянного тока) поступает на первичную обмотку силового трансформатора через силовой электронный ключ, периодически замыкаемый и размыкаемый управляющими импульсами, формируемыми схемой управления. В промежутках времени, когда силовой электронный ключ замкнут, т.е. на «прямом ходе» преобразователя, ток в первичной обмотке силового трансформатора линейно увеличивается, обеспечивая накопление в нем электромагнитной энергии. В промежутках времени, когда силовой электронный ключ разомкнут, т.е. на «обратном ходе» преобразователя, накопленная энергия передается с вторичной обмотки силового трансформатора через выходной фильтр-выпрямитель в нагрузку. Регулирование выходного напряжения осуществляется за счет соответствующего изменения параметров управляющих импульсов, вызывающих изменения времени замкнутого и разомкнутого состояний силового электронного ключа. Изменение параметров управляющих импульсов осуществляется под действием напряжения обратной связи, поступающего по цепи обратной связи с выходных выводов преобразователя через оптопару на вход обратной связи схемы управления.
Применение обратной связи по выходному напряжению позволяет в преобразователе-прототипе решить задачу стабилизации выходного напряжения в условиях изменения как входного напряжения, так и тока нагрузки, а использование оптоопары в цепи обратной связи обеспечивает при этом необходимую гальваническую развязку входной и выходной цепей преобразователя.
Однако в ряде случаев указанное применение оптопары ухудшает показатели надежности, в частности показатель долговечности. Дело в том, что оптопара обладает свойством старения, проявляющимся, в частности, в изменении коэффициента передачи. При этом процесс старения зависит от условий эксплуатации и в неблагоприятных условиях эксплуатации может протекать ускоренно, приводя к преждевременной потере работоспособности преобразователя.
Задачей, на решение которой направлено заявляемое изобретение, является разработка однотактного обратноходового преобразователя постоянного напряжения с обратной связью по выходному напряжению, в котором гальваническая развязка входной и выходной цепей обеспечивается без использования рассмотренных выше известных средств развязки – оптопары или двухтактного преобразователя, что позволяет устранить недостатки, обусловленные свойствами оптопары, и не допустить появления недостатков, обусловленных особенностями применения двухтактного преобразователя.
Сущность заявляемого изобретения заключается в следующем. Однотактный обратноходовый преобразователь постоянного напряжения содержит входной фильтр, связанный через силовой электронный ключ с первичной обмоткой силового трансформатора, вторичная обмотка которого связана через выходной однотактный фильтр-выпрямитель с выходными выводами преобразователя, предназначенными для подключения нагрузки, а управляющий вход силового электронного ключа связан с выходом схемы управления, осуществляющей замыкание и размыкание силового электронного ключа в соответствии с напряжением обратной связи, формируемым цепью обратной связи, связывающей вход обратной связи схемы управления с выходными выводами преобразователя, при этом указанные обмотки силового трансформатора и выходной однотактный фильтр-выпрямитель выполнены таким образом, что обеспечивается выполнение функции накопления энергии в силовом трансформаторе в промежуток времени, соответствующий замкнутому состоянию силового электронного ключа, и отдачи накопленной энергии в нагрузку в последующий промежуток времени, соответствующий разомкнутому состоянию силового электронного ключа. В отличие от прототипа указанная цепь обратной связи содержит вспомогательный электронный ключ, управляющий вход которого подключен к дополнительной вторичной обмотке силового трансформатора, и развязывающий трансформатор, первичная обмотка которого зашунтирована размагничивающим элементом и подключена через вспомогательный электронный ключ к выходным выводам преобразователя, а вторичная обмотка через дополнительный однотактный фильтр-выпрямитель подключена к входу обратной связи схемы управления, при этом дополнительная вторичная обмотка силового трансформатора и вспомогательный электронный ключ выполнены таким образом, что обеспечивается выполнение функции синхронного с силовым электронным ключом замыкания/размыкания вспомогательного электронного ключа, а обмотки развязывающего трансформатора и дополнительный однотактный фильтр-выпрямитель выполнены таким образом, что обеспечивается выполнение функции формирования напряжения обратной связи в промежуток времени, соответствующий замкнутому состоянию вспомогательного электронного ключа.
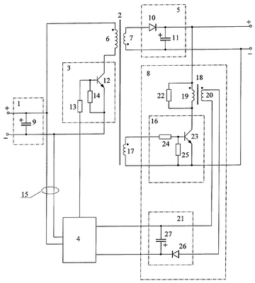
Сущность изобретения и возможность его осуществления поясняются функциональной схемой, представленной на чертеже.
Заявляемый однотактный обратноходовый преобразователь постоянного напряжения (далее преобразователь) в рассматриваемом примере выполнения содержит входной фильтр 1, силовой трансформатор 2, силовой электронный ключ 3, схему 4 управления и выходной однотактный фильтр-выпрямитель 5. Входной фильтр 1 связан через силовой электронный ключ 3 с первичной обмоткой 6 силового трансформатора 2, вторичная обмотка 7 силового трансформатора 2 связана через выходной однотактный фильтр-выпрямитель 5 с выходными выводами преобразователя, предназначенными для подключения нагрузки, а управляющий вход силового электронного ключа 3 связан с выходом схемы 4 управления, осуществляющей замыкание и размыкание силового электронного ключа 3 в соответствии с напряжением обратной связи, формируемым цепью 8 обратной связи, связывающей вход обратной связи схемы 4 управления с выходными выводами преобразователя. При этом обмотки 6 и 7 силового трансформатора 2 и выходной однотактный фильтр-выпрямитель 5 выполнены таким образом, что обеспечивается выполнение функции накопления энергии в силовом трансформаторе 2 в промежутках (тактах) времени, соответствующих замкнутому состоянию силового электронного ключа 3, т.е. на «прямом ходе» преобразователя, и отдачи накопленной энергии в нагрузку в последующие промежутки (такты) времени, соответствующие разомкнутому состоянию силового электронного ключа 3, т.е. на «обратном ходе» преобразователя.
В рассматриваемом примере входной фильтр 1 выполнен в виде конденсатора 9, подключенного параллельно входным выводам преобразователя. С плюсовым выводом конденсатора 9 соединено начало первичной обмотки 6 силового трансформатора 2, а конец этой обмотки через силовой электронный ключ 3 соединен с минусовым выводом конденсатора 9. Возможно выполнение входного фильтра 1 в виде П-образного CLC-фильтра (не показано).
Выходной однотактный фильтр-выпрямитель 5 в рассматриваемом примере выполнен в виде последовательно соединенных диода 10 и конденсатора 11. Плюсовой вывод диода 10 соединен с концом вторичной обмотки 7 силового трансформатора 2, минусовой вывод диода 10 соединен с плюсовым выводом конденсатора 11, а минусовой вывод конденсатора 11 соединен с началом вторичной обмотки 7 силового трансформатора 2. Плюсовой и минусовой выводы конденсатора 11 образуют выходные выводы выходного однотактного фильтра-выпрямителя 5, они подключены к плюсовому и минусовому выходными выводами преобразователя. Возможно применение вместо конденсатора 11 П-образного CLC-фильтра (не показано).
Силовой электронный ключ 3 в рассматриваемом примере выполнен на транзисторе 12, например, типа 2Т866А с двумя резисторами 13 и 14, где резистор 13 включен последовательно с выводом «база» транзистора 12, а резистор 14 включен параллельно выводам «база» и «эмиттер» транзистора 12. Вывод резистора 13, не связанный с выводом «база» транзистора 12, образует управляющий вход силового электронного ключа 3, соединенный с выходом схемы 4 управления. Вывод «коллектор» транзистора 12 соединен с концом первичной обмотки 6 силового трансформатора 2, а вывод «эмиттер» транзистора 12 соединен с минусовым выводом конденсатора 9.
Схема 4 управления может быть выполнена, например, как в аналоге [3] на основе ШИМ-контроллера. Возможно выполнение схемы 4 управления, как в прототипе, с использованием микросхемы 1055ЕУ5, включенной в соответствии со схемой, представленной в [13].
Питание схемы 4 управления осуществляется с помощью цепи 15 питания, связывающей выводы питания схемы 4 управления с плюсовым и минусовым выводами конденсатора 9.
В рассмотренной части функциональное построение заявляемого преобразователя по своей сути аналогично прототипу, что обеспечивает выполнение им функции однотактного обратноходового преобразователя, т.е. преобразователя, в котором накопление энергии в силовом трансформаторе осуществляется на «прямом ходе» преобразователя, а отдача накопленной энергии в нагрузку осуществляется на «обратном ходе» преобразователя.
Отличие заявляемого преобразователя от прототипа и рассмотренных выше аналогов заключается в выполнении и функционировании цепи 8 обратной связи.
Цепь 8 обратной связи содержит вспомогательный электронный ключ 16, управляющий вход которого подключен к дополнительной вторичной обмотке 17 силового трансформатора 2, развязывающий трансформатор 18 с первичной 19 и вторичной 20 обмотками и дополнительный однотактный фильтр-выпрямитель 21. Первичная обмотка 19 развязывающего трансформатора 18 зашунтирована размагничивающим элементом 22 (в рассматриваемом примере это резистор) и подключена через вспомогательный электронный ключ 16 к выходным выводам преобразователя. Вторичная обмотка 20 развязывающего трансформатора 18 через дополнительный однотактный фильтр-выпрямитель 21 подключена к входу обратной связи схемы 4 управления. При этом дополнительная вторичная обмотка 17 силового трансформатора 2 и вспомогательный электронный ключ 16 выполнены таким образом, что обеспечивается выполнение функции синхронного с силовым электронным ключом 3 замыкания/размыкания вспомогательного электронного ключа 16, а обмотки 19 и 20 развязывающего трансформатора 18 и дополнительный однотактный фильтр-выпрямитель 21 выполнены таким образом, что обеспечивается выполнение функции формирования напряжения обратной связи в промежуток (такт) времени, соответствующий замкнутому состоянию вспомогательного электронного ключа 16.
В рассматриваемом примере указанные элементы цепи 8 обратной связи выполнены следующим образом.
Вспомогательный электронный ключ 16 выполнен на транзисторе 23, например, типа 2Т3117А с двумя резисторами 24 и 25, где резистор 24 включен последовательно с выводом «база» транзистора 23, а резистор 25 включен параллельно выводам «база» и «эмиттер» транзистора 23. Вывод резистора 24, не связанный с выводом «база» транзистора 23, и вывод резистора 25, связанный с выводом «эмиттер» транзистора 23, образуют управляющий вход вспомогательного электронного ключа 16. При этом вывод резистора 24, не связанный с выводом «база» транзистора 23, соединен с началом дополнительной вторичной обмотки 17 силового трансформатора 2, а вывод резистора 25, связанный с выводом «эмиттер» транзистора 23, соединен с концом дополнительной вторичной обмотки 17 силового трансформатора 2. Вывод «коллектор» транзистора 23 соединен с концом первичной обмотки 19 развязывающего трансформатора 18. Начало первичной обмотки 19 развязывающего трансформатора 18 и вывод «эмиттер» транзистора 23 образуют вход цепи 8 обратной связи, подключенный к выходным выводам преобразователя. При этом начало первичной обмотки 19 развязывающего трансформатора 18 подключено к плюсовому выходному выводу преобразователя, а вывод «эмиттер» транзистора 23 подключен к минусовому выходному выводу преобразователя.
Дополнительный однотактный фильтр-выпрямитель 21 выполнен в виде последовательно соединенных диода 26 и конденсатора 27. Плюсовой вывод диода 26 соединен с началом вторичной обмотки 20 развязывающего трансформатора 18, минусовой вывод диода 26 соединен с плюсовым выводом конденсатора 27, а минусовой вывод конденсатора 27 соединен с концом вторичной обмотки 20 развязывающего трансформатора 18. Плюсовой и минусовой выводы конденсатора 27 образуют выход цепи 8 обратной связи, подключенный к входу обратной связи схемы 4 управления.
Работа заявляемого преобразователя происходит следующим образом.
Входное постоянное напряжение (напряжение постоянного тока) поступает на входной фильтр 1, заряжая конденсатор 9, а с него – через силовой электронный ключ 3 – на первичную обмотку 6 силового трансформатора 2. Кроме этого, входное постоянное напряжение через входной фильтр 1 поступает по цепи питания 15 на входы питания схемы 4 управления.
Схема 4 управления в зависимости от напряжения обратной связи, поступающего с выхода цепи 8 обратной связи, формирует на своем выходе управляющие импульсы, которые поступают на управляющий вход силового электронного ключа 3.
Под действием управляющих импульсов силовой электронный ключ 3 периодически замыкается и размыкается. В промежутке (такте) времени, когда силовой электронный ключ 3 замкнут, т.е. на «прямом ходу» преобразователя, ток в первичной обмотке 6 силового трансформатора 2 линейно увеличивается, обеспечивая накопление в нем электромагнитной энергии. В промежутке (такте) времени, когда силовой электронный ключ 3 разомкнут, т.е. на «обратном ходу» преобразователя, накопленная на предшествующем такте энергия передается с вторичной обмотки 7 силового трансформатора 2 через выходной однотактный фильтр-выпрямитель 5 в нагрузку.
Регулирование (стабилизация) выходного напряжения преобразователя, компенсирующее все его изменения, в том числе обусловленные изменениями входного напряжения и/или тока нагрузки, осуществляется путем изменения временных параметров управляющих импульсов на выходе схемы 4 управления, воздействующих на силовой электронный ключ 3. Изменение временных параметров управляющих импульсов на выходе схемы 4 управления осуществляется под действием напряжения обратной связи, поступающего с выхода цепи 8 обратной связи.
Напряжение обратной связи формируется на том же временном такте, что и накопление энергии в силовом трансформаторе 2, т.е. на «прямом ходе» преобразователя. Это обеспечивает формирование напряжения обратной связи при установившемся выходном напряжении после окончания переходных процессов, обусловленных передачей энергии с силового трансформатора 2 на предшествующем такте «обратного хода» преобразователя. Разнесение по тактам процессов передачи энергии с силового трансформатора 2 и формирования напряжения обратной связи обеспечивает в заявляемом преобразователе устойчивость процессов регулирования, исключает возникновение незатухающих колебательных процессов.
В процессе формирования напряжения обратной связи выходное напряжение преобразователя поступает с выходных выводов на первичную обмотку 19 развязывающего трансформатора 18 через вспомогательный электронный ключ 16, который замыкается и размыкается синхронного с замыканием и размыканием силового электронного ключа 3. При этом в промежутках (тактах) времени, соответствующих замкнутому состоянию вспомогательного электронного ключа 16, т.е. на тактах «прямого хода» преобразователя, выходное напряжение преобразователя через развязывающий трансформатор 18 поступает на дополнительный однотактный фильтр-выпрямитель 21, на выходе которого формируется напряжение обратной связи. Это напряжение поступает на вход обратной связи схемы 4 управления, где сравнивается с опорным напряжением. В зависимости от разности между опорным напряжением и напряжением обратной связи изменяются параметры формируемых на выходе схемы 4 управления управляющих импульсов, вызывающие изменения времени замкнутого и разомкнутого состояний силового электронного ключа 3. За счет этого изменяется количество энергии, накапливаемой на каждом такте «прямого хода» преобразователя, исходя из необходимого поддержания на заданном уровне выходного напряжения преобразователя. На такте «обратного хода» преобразователя, когда осуществляются процессы передачи накопленной энергии от силового трансформатора 2, вспомогательный электронный ключ 16 разомкнут, выходное напряжение преобразователя не проходит через развязывающий трансформатор 18 на вход дополнительного однотактного фильтра-выпрямителя 21 и не участвует в формировании напряжения обратной связи. На следующих тактах «прямого и обратного хода» рассмотренные процессы повторяются.
Особенностью работы заявляемого преобразователя является то, что изменение временных параметров замыкания/размыкания силового электронного ключа 3 под воздействием управляющих импульсов, формируемых схемой 4 управления, сопровождается синхронным изменением временных параметров замыкания/размыкания вспомогательного электронного ключа 16 в цепи 8 обратной связи. Тем самым фактически формируется второй контур регулирования, воздействующий на саму цепь 8 обратной связи. Это воздействие проявляется, в частности, в сглаживании резких изменений формируемого напряжения обратной связи при резких изменениях выходного напряжения преобразователя. Данная особенность, наряду с разнесением по тактам процессов передачи энергии с силового трансформатора 2 и формирования напряжения обратной связи, положительно влияет на повышение устойчивости процессов регулирования, в том числе в условиях скачкообразных изменений входного напряжения и/или тока нагрузки.
Рассмотренное показывает, что заявляемое изобретение осуществимо и решает поставленную задачу по разработке однотактного обратноходового преобразователя постоянного напряжения с обратной связью по выходному напряжению, в котором гальваническая развязка входной и выходной цепей обеспечивается без использования оптопрары или двухтактного преобразователя, что позволяет устранить недостатки, обусловленные свойствами оптопары, и не допустить появления недостатков, обусловленных особенностями применения двухтактного преобразователя.
Источники информации
1. Ю.Розанов, М.Рябчинский, А.Кваснюк. Вторичные источники питания: от сетевого трансформатора до корректора коэффициента мощности. – CHIP NEWS. Инженерная микроэлектроника, №2, 2004 г., с.4-8, рис.7.
2. RU №2031531 (С1), Н02М 3/335, опубл. 20.03.1995.
3. RU №2210851 (С2), Н02М 3/335, опубл. 20.08.2003.
4. DE №2613896, Н02Н 7/127, опубл. 13.10.1977.
5. RU №2107380 (C1), H02M 3/335, опубл. 20.03.1998.
6. RU №2211525 (C1), H02M 3/335, опубл. 27.08.2003.
7. SU №692029 (А1), H02M 3/335, G05F 1/56, опубл. 15.10.1979.
8. RU №2031529 (C1), H02M 3/335, опубл. 20.03.1995.
9. RU №2069444 (C1), H02M 3/335, опубл. 20.11.1996.
10. RU №2073302 (C1), H02M 3/335, опубл. 10.02.1997.
11. US №6094365, H02M 3/335, Н02Н 7/122, опубл. 25.07.2000.
12. И.Безверхний. Микросхемы фирмы Power Integrations для сетевых импульсных источников питания. – CHIP NEWS. Инженерная микроэлектроника, №2, 2004 г., с.24-28, рис.1, 3, 6.
13. Интегральные микросхемы: Микросхемы для импульсных источников питания и их применение. – М., ДОДЭКА, 2000 г., с.198, рис.4.
Формула изобретения
Однотактный обратноходовый преобразователь постоянного напряжения, содержащий входной фильтр, связанный через силовой электронный ключ с первичной обмоткой силового трансформатора, вторичная обмотка которого связана через выходной однотактный фильтр-выпрямитель с выходными выводами преобразователя, предназначенными для подключения нагрузки, а управляющий вход силового электронного ключа связан с выходом схемы управления, осуществляющей замыкание и размыкание силового электронного ключа в соответствии с напряжением обратной связи, формируемым цепью обратной связи, связывающей вход обратной связи схемы управления с выходными выводами преобразователя, при этом питание схемы управления осуществляется входным постоянным напряжением, поступающим через входной фильтр по цепи питания на входы питания схемы управления, а указанные обмотки силового трансформатора и выходной однотактный фильтр-выпрямитель выполнены таким образом, что обеспечивается выполнение функции накопления энергии в силовом трансформаторе в промежуток времени, соответствующий замкнутому состоянию силового электронного ключа, и отдачи накопленной энергии в нагрузку в последующий промежуток времени, соответствующий разомкнутому состоянию силового электронного ключа, отличающийся тем, что указанная цепь обратной связи содержит вспомогательный электронный ключ, управляющий вход которого подключен к дополнительной вторичной обмотке силового трансформатора, и развязывающий трансформатор, первичная обмотка которого зашунтирована размагничивающим элементом и подключена через вспомогательный электронный ключ к выходным выводам преобразователя, а вторичная обмотка через дополнительный однотактный фильтр-выпрямитель подключена к входу обратной связи схемы управления, при этом дополнительная вторичная обмотка силового трансформатора и вспомогательный электронный ключ выполнены таким образом, что обеспечивается выполнение функции синхронного с силовым электронным ключом замыкания/размыкания вспомогательного электронного ключа, а обмотки развязывающего трансформатора и дополнительный однотактный фильтр-выпрямитель выполнены таким образом, что обеспечивается выполнение функции формирования напряжения обратной связи в промежуток времени, соответствующий замкнутому состоянию вспомогательного электронного ключа.
РИСУНКИ
|
|