|
|
(21), (22) Заявка: 2005124381/28, 01.08.2005
(24) Дата начала отсчета срока действия патента:
01.08.2005
(46) Опубликовано: 10.04.2007
(56) Список документов, цитированных в отчете о поиске:
SU 422947 A1, 05.04.1974. SU 1355869 A1, 30.11.1987. SU 845804 A3, 07.07.1981. US 3918815 A, 11.11.1975.
Адрес для переписки:
426004, г.Ижевск, ул. Удмуртская, 151, кв.179, С.Л. Лучкину
|
(72) Автор(ы):
Лучкин Степан Лазаревич (RU), Лекомцев Геннадий Геннадьевич (RU)
(73) Патентообладатель(и):
Лекомцев Геннадий Геннадьевич (RU), Лучкин Степан Лазаревич (RU)
|
(54) УСТРОЙСТВО ДЛЯ ИЗМЕРЕНИЯ ТОЛЩИНЫ ПРОЗРАЧНОГО МАТЕРИАЛА
(57) Реферат:
Устройство содержит источник света, фотоэлектрический преобразователь, блок обработки сигналов, индикатор, которые размещены в корпусе и соединены с источником постоянного напряжения. Блок обработки сигналов выполнен в виде первого, второго и третьего элементов задержки, первой, второй, третьей, четвертой, пятой и шестой схем И, первой, второй схем ИЛИ, первого, второго, третьего, четвертого, пятого, шестого счетчиков, первого, второго и третьего триггеров, генератора, преобразователя прямого кода в дополнительный, блока деления, постоянного запоминающего устройства (ПЗУ) и регистра. Технический результат – уменьшение погрешности измерения. 2 з.п. ф-лы, 4 ил.
Заявляемое устройство относится к области линейных измерений, выполняемых с помощью оптических устройств, например, для измерения прозрачных материалов, таких как стекло.
Известны оптические измерительные устройства фирмы MSC, приведенные в специализированном информационном бюллетене “Стеклянная тара” №5, 2004 г., стр.8…11 [1], использующие измерение разности хода лазерных лучей, отраженных от наружной и внутренней стенок изделия. Это сложные и дорогие системы.
Известно такое устройство для измерения толщины стенки прозрачного тела, описанное в а.с. №422947, М. Кл. G 01 B 11/06, от 04.09.74 [2], принятое за прототип. Это устройство содержит источник света с оптической системой, сканистор, т.е. фотоэлектрический преобразователь развертывающего типа, блок обработки сигнала в виде генератора, трансформатора, измерителя, интегратора и измерительного прибора-индикатора. Данному устройству сопутствует погрешность, связанная с тем, что при измерении расстояния между отраженными лучами трудно определить оси лучей, так как их изображения размыты и отличаются по размерам для изображений от дальней и ближней стенок.
Предлагаемое устройство позволяет уменьшить эту погрешность за счет того, что расстояния между осями, которые пропорциональны соответствующим временным интервалам при развертке во времени, находят как полусумму интервалов между передними и задними фронтами электрических импульсов, отображающих на выходе фотоэлектрического преобразователя отраженное от наружной и внутренней стенок изображение луча источника света. Для этого в известном устройстве, содержащем размещенные в корпусе источник света, индикатор, источник питания, фотоэлектрический преобразователь и блок обработки сигналов, соединенный с преобразователем посредством прямого и инверсного выводов строчной и кадровой синхронизации, а также информационного вывода, блок обработки сигналов выполнен в виде первого, второго и третьего элементов задержки, первого, второго, третьего, четвертого, пятого, шестого счетчиков, первого, второго, третьего триггеров, первой, второй, третьей, четвертой, пятой и шестой схем И совпадения, первой и второй схем ИЛИ, генератора, блока деления, преобразователя кода в дополнительный, регистра и блока постоянного запоминающего устройства (ПЗУ).
При этом входы первого и второго элементов задержки объединены со входами установки в “0” третьего и четвертого счетчиков и с прямым выводом строчной синхронизации, а их выходы соединены соответственно с первым и вторым входами первой схемы И, ее третий вход соединен с информационным выводом фотоэлектрического преобразователя, а выход – со входом счета по положительному фронту первого счетчика и со входом счета по отрицательному фронту второго счетчика. Причем входы разрешения счета первого и второго счетчиков соединены соответственно с положительной и нулевой шинами питания.
К инверсному выводу строчной синхронизации подключены входы установки в “0” первого и второго счетчиков, а также первого и второго триггеров.
Выходы первых разрядов первого и второго счетчиков соединены с первыми входами соответственно четвертой и пятой схем И, а выходы вторых разрядов – с первыми входами соответственно второй и третьей схем И и первым и вторым входами первой схемы ИЛИ. Выход генератора подключен ко вторым входам второй, третьей, четвертой, пятой и шестой схем И.
Третьи входы второй и третьей схем И соединены соответственно с инверсными выходами первого и второго триггеров. Четвертый вход третьей схемы И соединен с прямым выходом первого триггера, первый вход шестой схемы И объединен с выходом третьего элемента задержки, вход которого связан с прямым выводом кадровой синхронизации, с управляющим входом регистра, а также со входами установки в “0” пятого и шестого счетчиков. Третий вход шестой схемы И соединен с инверсным выходом третьего триггера, его вход установки в “1” соединен с выходом переноса обратного счета пятого счетчика, вход прямого счета которого соединен с выходом второй схемы ИЛИ, а вход обратного счета – с выходом шестой схемы И и с первым входом блока деления. Вход установки в “0” третьего триггера и вход управления ПЗУ соединены с инверсным выводом кадровой синхронизации. Выход первой схемы ИЛИ соединен со счетным входом шестого счетчика, параллельный выход которого через преобразователь прямого кода в дополнительный соединен посредством шины со вторым входом блока деления, выход которого соединен со входом адреса ПЗУ, входы выборки ПЗУ и регистра соединены с общей шиной, а вход регистра – с выходом ПЗУ, выход регистра соединен с выходом блока обработки сигналов.
Третий вход блока деления и второй выход третьего элемента задержки объединены между собой. Выход второй схемы И соединен со входом обратного счета третьего счетчика и со вторым входом второй схемы ИЛИ, первый же ее вход соединен с выходом третьей схемы И и со входом обратного счета четвертого счетчика, к выходам четвертой и пятой схем И подключены соответственно входы прямого счета третьего и четвертого счетчиков, выходы обратного переноса которых подключены соответственно ко входам установки в “1” первого и второго триггеров.
На выходе блока обработки сигналов формируется код N , пропорциональный толщине материала в соответствии с математическим выражением

где F – знак функциональной зависимости толщины от интервала времени между электрическими сигналами, соответствующими изображениям лучей, отраженных от наружной и внутренней стенок,
– подсчитанные за период кадровой развертки суммы длительностей интервалов времени между соответственно передними и задними фронтами импульсных сигналов на выходе фотоэлектрического преобразователя, отображающих отраженные лучи;
nn, nз – числа интервалов Тп и Тз соответственно, подсчитанные за период кадровой развертки.
В предлагаемом устройстве блок деления может быть выполнен в виде первого и второго счетчиков, схемы ИЛИ и инвентора, вход которого объединен с выходом первого и входом второго счетчиков, а выход соединен с первым входом схемы ИЛИ, второй вход которой подключен к третьему входу блока деления и входам установки в “0” обоих счетчиков, а выход – ко входу разрешения предварительной записи первого счетчика, вход предварительной записи которого соединен со вторым входом блока деления, а счетный вход – с первым входом блока, выход второго счетчика соединен с выходом блока деления.
Кроме того, предлагаемое устройство может отличаться тем, что в качестве блока обработки сигналов применен микропроцессор, что позволяет уменьшить габариты устройства и расширить возможности его применения для изменения толщины стенок объектов с ограниченной плоской частью, например стеклянных бутылок, банок.
На фиг.1 приведено изображение лучей H и B, отраженных от наружной и внутренней стенок, а также показан лист стекла, толщина которого измеряется.
На фиг.2а приведены изображения пятен от лучей, если их наблюдать на экране видеомонитора, подключенного к выходу ФЭП, а на фиг.2б показаны электрические сигналы, образующиеся на выходе ФЭП, если их наблюдать осциллографом. Показаны три строки развертки с условными номерами 1с, 2с, 3с, которые формируют изображения в кадре. Реально таких строк в несколько раз больше.
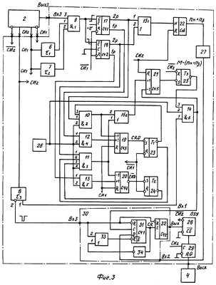
На фиг.3 приведена функциональная схема примера выполнения устройства с более подробным раскрытием блока обработки сигналов.
На фиг.4 изображены осциллограммы сигналов, которые формируются в процессе работы устройства.
Устройство содержит источник 1 света, фотоэлектрический преобразователь (ФЭП) 2, блок 3 обработки сигналов, индикатор 4, которые расположены в корпусе 5. На все блоки подано напряжение U питания. В качестве источника 1 света может быть использован лазерный формирователь с остро направленным лучом. В качестве фотоэлектрического преобразователя можно применить видеокамеру, имеющую преобразователь изображения в электрический сигнал (см., например, информационный бюллетень “Стеклянная тара”, №3, 2005 г., стр.5, [3] а также каталог “Farnell in one”, 1 Mar 03, Р.578 [4], где описана миниатюрная видеокамера с электрическим сигналом на выходе в телевизионном формате PAL типа МО-S308).
Блок 3 обработки сигналов (фиг.3) соединяется с выходами ФЭП по первому входу с прямым СИ1 и инверсным сигналами строчной синхронизации, по второму входу: СИ2 – прямым и – инверсным сигналами кадровой синхронизации и третьему информационному входу.
Блок 3 содержит первый 6, второй 7, третий 8 элементы задержки, первую 9, вторую 10, третью 11, четвертую 12, пятую 13 и шестую 14 схемы И совпадения, первую 15, вторую 16 схемы ИЛИ, первый 17, второй 18, третий 19, четвертый 20, пятый 21, шестой 22 счетчики. Причем счетчики 17, 18 типа КР1554ИЕ23 или НС4520 (справочник “Логические ИС” ч.2, БИНОМ, 1993 г., стр.383) [5], счетчики 19, 20, 21, 22 типа КР1554ИЕ6 или 74АС193, стр.365 справочника [5].
Имеются также триггеры: первый 23, второй 24, третий 25, имеющие входы установки нулевым уровнем сигнала, генератор 26, преобразователь 27 прямого кода в дополнительный (см книгу У.Титце, К.Шенк, Полупроводниковая схемотехника, М.: Мир, 1982, стр.353, 354 [6]), ПЗУ 28, регистр 29, блок деления 30.
В состав блока деления входят первый 31, второй 32 счетчики, схема ИЛИ 33, инвертор 34.
Подают питание U на все элементы устройства, его накладывают на наружную поверхность объекта измерения или размещают на фиксированном расстоянии от поверхности.
Остро направленный луч от источника света 1 падает на наружную поверхность листа стекла и, частично отражаясь от этой поверхности – линия H, фиг.1, попадает через объектив в фотоэлектрический преобразователь 2, другая часть луча преломляется, проходит через лист стекла, отражается от его внутренней поверхности и попадает – линия B, также через объектив в преобразователь. Изображения H и B обоих лучей (фиг.2а) преобразуются в электрические сигналы (фиг.2б).
Видеоизображению фиг.2а соответствует последовательная во времени совокупность электрических сигналов фиг.2б, фиг.4г, е.
На фиг.4 приведены осциллограммы сигналов, наблюдаемых в разных точках устройства в пределах одного кадра развертки:
а) – импульсы кадровой развертки СИ2 (вх 2 блока 3), на входе 2 имеется также инверсный сигнал ;
б) – сигнал на выходе 1 элемента 8 задержки;
в), д) – импульсы строчной развертки на входе “вх 1” блока 3 в разных масштабах;
г), е) – сигнал на информационном входе “вх 3” в разных масштабах.
В реальном случае сигналы а), в), г) могут быть собраны на одном выходе, но для удобства рассмотрения взяты раздельные выходы.
На фиг.2 в виде горизонтальных линий 1C, 2C, 3C показаны строки. Их пересечения с контурами световых пятен образуют передний и задний фронты электрических импульсов 1Н, 2Н, 3Н и 1В, 2В, которые показаны на осциллограмме 4е) развернутыми по кадру.
Расстояние То между осями ОН и ОВ пятен пропорционально толщине материала.
Луч Н (фиг.1) падает под углом 1, на наружную поверхность, под таким же углом в точке О уходит в объектив ФЭП 2, другая его часть преломляется и снова отражается в точке С, углы преломления и последующего отражения 2, в точке А происходит второе преломление, и луч В под углом 1 к поверхности уходит в объектив преобразователя 2. Из точки А восстановим перпендикуляр АК к лучу ОН. Прямоугольные треугольники АЕК и АКО подобны (углы и с взаимно перпендикулярными сторонами равны),



Решаем (2), (3), (4) относительно , находим

Так как углы 1 и 2 для данного материала постоянны, то, измеряя расстояние АК между лучами или интервалы времени между ними при развертке во времени, находим .
Для электрического отображения пятен на осциллограмме расстоянию АК соответствует длительность интервала То времени между серединами импульсов (фиг.2);

где k – коэффициент пропорциональности.
Из-за малой длительности импульсов 1Н, 2Н, 1В, 2В возникает трудность определения интервала То через длительности непосредственно, проще и точнее определять интервалы между одноименными фронтами: передними Тп и задними Тз и вычислять То следующим образом.
Если пятна Н и В симметричны относительно осей ОН и ОВ, то То можно определить (рассмотрим строку 2С) следующим образом:
,
где t1 – половина длительности импульса от пятна Н;
t2 – тоже для пятна В;
t3 – интервал времени между задним фронтом импульса 2Н и передним фронтом импульса 2В.


Подставляя (8) и (9) в (7), находим

Для уменьшения случайной погрешности подсчитывается в каждом кадре суммарная длительность пар интервалов Тп и Тз и делится на удвоенное число пар, равное суммарному количеству интервалов, образованных передними и задними фронтами импульсов в кадре, получаем Тo сред – среднее значение Тo в кадре.

Решаем совместно (5), (6), (11) и заменяем , получаем

Формула (12) представляет идеализированную зависимость для вычисления (фиг.2в, линия f). Из-за различных погрешностей, связанных, например, с искажением изображения объективом ФЭП, реально имеет место зависимость в виде функции F. Для уменьшения погрешности в блок 3 введено ПЗУ 28, в котором значения F1…Fi используются в качестве адресов, по которым предварительно при калибровке устройства зашивают правильные значения толщин 1… i.
Тогда передаточная характеристика устройства может быть представлена в виде математического выражения (1), реализация которого происходит циклически в каждом кадре, т.е. между двумя соседними импульсами СИ2 (фиг.4а). Импульсами СИ2 устанавливаются в исходное состояние счетчики 21, 22, а импульсом – триггер 25. Одновременно с СИ2 вырабатывается первый импульс строчной синхронизации СИ1 и инверсный , которые устанавливают в исходное состояние элементы 19, 20 и 17, 18, 23, 24 соответственно.
СИ2 запускает элемент 8 задержки, а СИ1 – элементы 6, 7, на их выходах образуются сигналы, показанные на фиг.4б, ж, и. Сигналами с выхода элементов 6, 7 на схеме И 9 выбирается интервал времени, соответствующий возможным значениям толщин от минимальной до максимальной. На фоне этого интервала сигналы с информационного входа (фиг.4е) проходят через схему 9 на счетные входы счетчиков 17, 18. Счетчик 17 считает в каждой строке положительные фронты, а счетчик 18 – отрицательные, поэтому на выходе первого разряда счетчика 17 формируются импульсы, соответствующие интервалу Тп, (фиг.4к), а на выходе первого разряда счетчика 18 – Тз (фиг.4м) в каждой строке, где есть сигналы на входе 3 схемы 9 в виде двух следующих друг за другом импульсов. В примере интервалы Тп и Тз формируется в строках 1с, 2с. В строке 3с есть только один импульс, поэтому на выходах первых разрядов образуются перепады, а вторые разряды счетчиков 17, 18 не меняют своего состояния и счетчик 22, формирующий сумму (nп+nз), в строках 1с, 2с считает по два импульса в строке, а в строке 3с не изменяет состояния. Схемы И 12, 13 в течение интервалов Тп и Тз, в каждой строке, где они формируются, пропускают импульсы заполнения с генератора 26 на входы прямого счета соответственно счетчиков 19, 20 (фиг.4о, п).
После появления положительного перепада на выходе второго разряда счетчика 17 схема И 10 (фиг.4p) начинает пропускать импульсы с генератора 26 на вход обратного счета счетчика 19 и через схему ИЛИ 16 на вход прямого счета суммирующего счетчика 21. Кроме того, положительный перепад с выхода второго разряда счетчика 17 через схему ИЛИ 15 запишет “1” в счетчик 22. Счетчик 21 считает до обнуления счетчика 19, в момент перехода через “0” счетчик 19 вырабатывает на выходе обратного переноса отрицательный строб, который устанавливает триггер 23 в состояние “1”, при этом на его инверсном выходе появляется низкий уровень, поступающий на вход 3 схемы И 10, счетные импульсы на вход счетчика 21 больше не поступают.
Таким образом, произошла перезапись содержимого счетчика 19 в счетчик 21. В момент переброса триггера 23 в “1” на его прямом входе образовался положительный уровень, поступающий на вход 4 схемы И 11, положительный уровень с выхода второго разряда счетчика 18 через схему ИЛИ 15 поступает на вход счетчика 22 и добавляет в него “1”, а также поступает на вход 1 схемы И 11, на ее вход 3 поступает положительный уровень с инверсного выхода триггера 24. На вход 2 схемы И 11 поступают импульсы заполнения с генератора 26, проходят на выход схемы (фиг.4с) и далее на вход обратного счета счетчика 20 и одновременно через схему ИЛИ 16 на вход прямого счета счетчика 21. Процесс счета продолжается до обнуления счетчика 20, когда на его выходе обратного переноса появляется отрицательный импульс, который устанавливает триггер 24 в “1”, на его инверсном выходе появляется низкий уровень и запрещает подачу импульсов на счетчики 20 и 21.
Таким образом, содержимое счетчика 20, соответствующее Тз, добавилось к содержимому счетчика 21. С приходом импульса 2с строчной синхронизации счетчики 17, 18, 19, 20, триггеры 23, 24 устанавливаются в исходное состояние, счетчики 21, 22 содержимое сохраняют. Процесс обработки сигналов в строке 2с аналогичен процессу в строке 1с.
В строке 3с с выхода блока 2 имеется только один импульс. Подобные ситуации имеют место в начальных и конечных строках кадра, содержащих измерительную информацию.
Такие импульсы игнорируются, так как они изменяют только состояние первых разрядов счетчиков 17, 18, и схемы И 12, 13 не разрешают работу счетчиков 19, 20. Далее следуют строки без импульсов. К этому времени в счетчике 22 хранится число 4, в счетчике 21 – сумма длительности двух интервалов от положительных фронтов и двух соответствующих им интервалов от отрицательных фронтов. Ниже описывается работа блока деления в том виде, как он выполнен в примере реализации устройства. Ближе к концу кадра вырабатывается отрицательный строб элементом 8 задержки на его выходе 2, соответствующий положительному фронту импульса з (фиг 4б) элемента 8, и устанавливает в исходное состояние счетчики 31, 32. Этот же строб с небольшой задержкой на элементе ИЛИ 33 поступает на вход счетчика 31 и разрешает параллельную запись по входу D содержимого счетчика 22 в дополнительном по отношению к разрядности М счетчика 31 коде через преобразователь 27. Дополнительный код (см. [6]) равен М-(nп+nз) и до конца кадра не изменяется. Сигнал с выхода 1 элемента 8 разрешает работу схемы И 14. Импульсы счета с генератора 26 через схему И 14 поступают на вход обратного счета счетчика 21 и одновременно на счетный вход счетчика 31. Идет счет до переполнения счетчика 31. В момент переполнения вырабатывается сигнал на выходе CR, который через инвертор 34 поступает на вход 1 схемы ИЛИ 33 и далее на вход счетчика 31, происходит предустановка счетчика 31. Цикл предустановки по входу Д повторяется через каждые (nп+nз) импульсов. Счетчик 32 подсчитывает число переполнений. Как только счетчик 21 в обратном счете обнуляется, на его выходе появляется отрицательный импульс и устанавливает триггер 25 в “1”, с его инверсного выхода поступает низкий уровень на вход 3 схемы И 14 и останавливает счетчики 21, 31.
Счетчик 21 остановится в состоянии нулей, счетчик 31 – в состоянии между 0 и (nп+nз), счетчик 32 – в состоянии, соответствующем формуле (11). С приходом импульса в начале следующего кадра содержимое счетчика 32 в параллельном коде воздействует на входы адреса ПЗУ. По выбранному адресу выбирается значение функции Fi по формуле (1), которое отображает толщину i; с выхода ПЗУ по тому же импульсу, но положительной полярности СИ2 значение кода переписывается в регистр 29 и остается там до следующего цикла, т.е. до следующего импульса СИ2. Выход регистра воздействует на индикатор, который отображает результат измерения.
В качестве регистра может быть использована микросхема КР1554ИР22 или ее аналог 74АС373 (см. справочник [5] стр.389), в качестве счетчика 31 – микросхема КР1554ИЕ18 стр.379 [5], счетчик 32 может быть выполнен на микросхеме КР1554ИЕ23.
Формула изобретения
1. Устройство для измерения толщины прозрачного материала, содержащее источник света, фотоэлектрический преобразователь, блок обработки сигналов, индикатор, которые размещены в корпусе, и по входу питания соединены с источником постоянного напряжения, а прямой и инверсный выходы строчной синхронизации фотоэлектрического преобразователя соединены соответственно с первыми прямым и инверсным входами блока обработки сигналов, прямой и инверсный выходы кадровой синхронизации соединены соответственно со вторым прямым и инверсным входами блока обработки, третий вход которого подключен к информационному выходу преобразователя, выход же блока обработки соединен со входом индикатора, отличающееся тем, что блок обработки сигналов выполнен в виде первого, второго и третьего элементов задержки, первой, второй, третьей, четвертой, пятой и шестой схемы И, первой, второй схем ИЛИ, первого, второго, третьего, четвертого, пятого, шестого счетчиков, первого, второго и третьего триггеров, генератора, преобразователя прямого кода в дополнительный, блока деления, постоянного запоминающего устройства (ПЗУ) и регистра, при этом со входами установки в “0” третьего и четвертого счетчиков, а также с первым прямым входом блока обработки сигналов соединены входы первого и второго элементов задержки, а их выходы – с первым и вторым входами первой схемы И, ее третий вход соединен с третьим входом блока, вход управления записью регистра соединен со вторым прямым входом блока обработки сигналов и со входами установки в “0” пятого и шестого счетчиков, а также со входом третьего элемента задержки, первый выход которого соединен с первым входом шестой схемы И, второй вход которой объединен с выходом генератора и вторыми входами второй, третьей, четвертой и пятой схем И, третий вход шестой схемы И соединен с инверсным выходом третьего триггера, а ее выход – со входом обратного счета пятого счетчика и первым входом блока деления, второй вход которого соединен с выходом преобразователя кодов, вход которого соединен с выходом шестого счетчика, второй выход третьего элемента задержки соединен с третьим входом блока деления, а его выход подключен к адресному входу ПЗУ, входы выбора ПЗУ и регистра соединены с общей шиной, а выход ПЗУ – со входом регистра, счетный вход шестого счетчика подключен к выходу первой схемы ИЛИ, первый вход которой связан с выходом второго разряда первого счетчика и первым входом второй схемы И, третий вход которой соединен с инверсным выходом первого триггера, прямой выход которого подключен к четвертому входу третьей схемы И, вход установки в “1” первого триггера соединен с выходом обратного переноса третьего счетчика, а вход установки в “0” – с первым инверсным входом блока обработки сигналов, со входами установки в “0” первого и второго счетчиков и входом установки в “0” второго триггера, вход установки в “1” которого соединен с выходом обратного переноса четвертого счетчика, инверсный выход триггера соединен с третьим входом третьей схемы И, первый вход которой связан со вторым входом первой схемы ИЛИ и выходом второго разряда второго счетчика, вход счета по отрицательному фронту которого соединен со входом счета по положительному фронту первого счетчика и с выходом первой схемы И, входы же разрешения счета первого и второго счетчиков соединены соответственно с положительной и общей шинами питания, выходы же первых разрядов первого и второго счетчиков соединены соответственно с первыми входами четвертой и пятой схемы И, выход которой подключен ко входу прямого счета четвертого счетчика, вход обратного счета которого соединен с выходом третьей схемы И и с первым входом второй схемы ИЛИ, второй вход которой объединен с выходом второй схемы И и со входом обратного счета третьего счетчика, вход прямого счета которого соединен с выходом четвертой схемы И, выход второй схемы ИЛИ соединен со входом прямого счета пятого счетчика, выход обратного переноса которого соединен со входом установки в “1” третьего триггера, вход установки в “0” которого соединен со вторым инверсным входом блока обработки сигналов, и со входом “чтение ПЗУ”, выход регистра соединен с выходом блока обработки сигналов, на котором образуется код в соответствии с математическим выражением

где N – код, отображающий толщину измеряемого материала;
F – знак функциональной зависимости толщины от интервала времени между электрическими сигналами, соответствующими изображениям лучей, отраженных от наружной и внутренней стенок;
– подсчитанные за период кадровой развертки суммы длительностей интервалов времени между соответственно передними и задними фронтами электрических сигналов, отображающих отраженные лучи на выходе фотоэлектрического преобразователя;
nп, nз – числа интервалов Тп и Тз соответственно, подсчитанные за период кадровой развертки.
2. Устройство по п.1, отличающееся тем, что блок деления выполнен в виде первого и второго счетчиков, схемы ИЛИ и инвентора, вход которого объединен с выходом первого счетчика и входом второго, а выход соединен с первым входом схемы ИЛИ, второй вход которой подключен к третьему входу блока деления и входам установки в “0” обоих счетчиков, а выход – ко входу разрешения предварительной записи первого счетчика, вход предварительной записи которого соединен со вторым входом блока деления, а счетный вход – с первым входом блока, выход второго счетчика соединен с выходом блока деления.
3. Устройство по любому из пп.1 и 2, отличающееся тем, что в качестве блока обработки сигналов применен микропроцессор.
РИСУНКИ
|
|