|
|
(21), (22) Заявка: 2005136409/06, 23.11.2005
(24) Дата начала отсчета срока действия патента:
23.11.2005
(46) Опубликовано: 10.04.2007
(56) Список документов, цитированных в отчете о поиске:
RU 2246668 C1, 20.02.2005. SU 555266 A1, 25.04.1977. SU 826170 A1, 30.04.1981. SU 479940 A1, 05.08.1975. RU 2174658 C1, 10.10.2001. RU 2157489 C2, 10.10.2000.
Адрес для переписки:
308015, г.Белгород, ул. Победы, 85, БелГУ, Т.М. Токтаревой
|
(72) Автор(ы):
Назаров Вадим Александрович (RU), Лукьянов Дмитрий Дмитриевич (RU)
(73) Патентообладатель(и):
Назаров Вадим Александрович (RU), Лукьянов Дмитрий Дмитриевич (RU)
|
(54) УСТРОЙСТВО ДЛЯ СУШКИ СЫПУЧИХ МАТЕРИАЛОВ
(57) Реферат:
Изобретение относится к сушильной технике, в частности к устройствам для сушки сыпучих материалов, и может быть использовано для сушки сыпучих материалов в строительной, химической, перерабатывающей, добывающей и других отраслях промышленности. Устройство для сушки сыпучих материалов представляет из себя сушильный агрегат, который содержит восемь неподвижных перфорированных барабанов, заключенных в общий корпус и соединенных между собой последовательно посредством системы трубопроводов, включающих трубопроводы загрузки и трубопроводы разгрузки сыпучего материала. Причем трубопровод загрузки в каждом неподвижном перфорированном барабане расположен коаксиально на глубину не менее 2/3 от длины перфорированного барабана, а напротив него расположена крыльчатка вентилятора. Трубопроводы для подачи теплоносителя от нагревательных элементов и трубопроводы разгрузки сыпучего материала из перфорированных барабанов 1, 2, 3, 4, 5, 6 и 7 соединены с трубопроводами загрузки для перфорированных барабанов 2, 3, 4, 5, 6, 7 и 8 соответственно. Процесс сушки ведется в непрерывном автоматизированном режиме, т.к. нагревательные элементы снабжены автоматическими терморегуляторами. Изобретение должно повысить экономичность процесса сушки. 1 з.п. ф-лы, 1 ил.
Изобретение относится к сушильной технике и может быть использовано для сушки сыпучих материалов в строительной, химической, перерабатывающей, добывающей и других отраслях промышленности.
Известны устройства для сушки сыпучих материалов барабанного типа, которые, как правило, выполнены из перфорированных барабанов с возможностью их вращения вокруг продольной оси. Например, барабанная сушилка по авт.св. №1059376 (МПК 3 F26В 11/04, 1982 г.), в которой разделенный на зоны цилиндрический корпус снабжен приемно-винтовой насадкой в первой зоне, подъемно-лопастной насадкой с укрепленными на них распределительными кольцами во второй зоне и секторной насадкой в третьей зоне, а трубопровод ввода теплоносителя выполнен в виде телескопических звеньев. К недостаткам этого устройства можно отнести сложность конструкции при ее изготовлении, а также обслуживании.
Известно устройство для сушки изделий по патенту РФ №2152571 (МПК 7 F26В 11/04, F26В 3/347, 2000 г.), предназначенное для сушки сыпучих материалов, например гранулированного АБС-пластика, зерна, рудных проб. Это устройство включает барабан, вращающийся со скоростью от 3 до 10 об/мин, СВЧ-генератор, нагревательные элементы в виде калорифера, вентилятор, устройство загрузки и выгрузки сыпучих материалов. Это устройство позволяет производить сушку сыпучих материалов при относительно невысоких температурах, однако недостатком этого устройства является дороговизна и сложность самой конструкции, а также низкая производительность и довольно высокая степень остаточной влажности (например, 50 кг АВС-пластика высушивается за 40 минут до остаточной влажности около 3%).
Задача, решаемая в предлагаемом изобретении, состоит в создании экономичного и простого по конструкции устройства для сушки сыпучего, а также измельченного материала (в том числе – из пластических материалов) за счет создания условий для равномерного обдува частиц теплоносителем в мягких температурных режимах.
Задача решается за счет того, что устройство для сушки сыпучих материалов, содержащее перфорированный барабан, нагревательные элементы, вентилятор, устройство загрузки и выгрузки, согласно изобретению представляет из себя сушильный агрегат, который содержит восемь неподвижных перфорированных барабанов, заключенных в общий корпус и соединенных между собой последовательно посредством устройств загрузки и выгрузки, выполненных в виде трубопроводов, включающих трубопроводы загрузки и трубопроводы разгрузки сыпучего материала, причем трубопровод загрузки в каждом неподвижном перфорированном барабане расположен коаксиально на глубину не менее 2/3 от длины перфорированного барабана, а напротив него расположена крыльчатка вентилятора, при этом трубопроводы для подачи теплоносителя от нагревательных элементов и трубопроводы разгрузки сыпучего материала из перфорированных барабанов 1, 2, 3, 4, 5, 6 и 7 соединены с трубопроводами загрузки для перфорированных барабанов 2, 3, 4, 5, 6, 7 и 8 соответственно.
При этом нагревательные элементы снабжены автоматическими терморегуляторами.
В отличие от известных сушильных устройств барабанного типа предложенное устройство обладает следующими отличительными признаками:
– наличие восьми неподвижных перфорированных барабанов;
– выполнение устройств для загрузки и выгрузки материала в перфорированные барабаны в виде трубопроводов, соединяющих перфорированные барабаны между собой последовательно, причем трубопроводы разгрузки сыпучего материала из перфорированных барабанов 1, 2, 3, 4, 5, 6, 7 соединены с трубопроводами загрузки для перфорированных барабанов 2, 3, 4, 5, 6, 7 и 8 соответственно;
– трубопровод загрузки расположен в перфорированном барабане коаксиально на глубину не менее 2/3 от длины перфорированного барабана;
– в каждом перфорированном барабане напротив трубопровода загрузки установлена крыльчатка вентилятора, что позволяет:
а) интенсифицировать процесс загрузки, т.к. при вращении крыльчатки вентилятора в области выхода сыпучего материала создается разрежение, в результате чего теплоноситель от нагревательного элемента вместе с сыпучим материалом втягивается в перфорированный барабан,
б) активизировать процесс сушки за счет того, что высушиваемый сыпучий материал под действием турбулентных потоков воздуха отбрасывается к стенкам перфорированного барабана и, передвигаясь по спирали вдоль стенок перфорированного барабана, находится во взвешенном состоянии, что способствует обдуванию частиц материала со всех сторон нагретым воздухом, который удаляется вместе с влагой через отверстия в перфорированном барабане. Кроме того, при передвижении по спирали частички материала ударяются друг о друга и об стенки барабана, что приводит к повышению температуры этих частичек и также способствует более быстрому удалению из них влаги;
– соединение трубопроводов для подачи теплоносителя от нагревательных элементов, содержащих автоматические терморегуляторы, с трубопроводами загрузки во 2, 3, 4, 5, 6, 7 и 8 неподвижные перфорированные барабаны, в результате чего частички материала в процессе перехода из одного перфорированного барабана в другой продолжают находиться во взвешенном состоянии, что способствует обдуву их теплоносителем со всех сторон.
Все эти признаки в совокупности позволяют добиться осуществления непрерывного процесса сушки в автоматическом режиме при низких температурных режимах (например, при температуре теплоносителя не менее 30°С). Причем время прохождения сыпучего материала через все восемь барабанов составляет не более 10 секунд, а остаточная влажность – не более 0,1%. Кроме того, дополнительным преимуществом предлагаемого устройства является то, что для его работы не требуется значительных энергозатрат, т.к. перфорированные барабаны выполнены неподвижными и электроэнергия расходуется только на вращение крыльчаток вентиляторов и нагрев теплоносителя. К тому же выполнение перфорированных барабанов неподвижными способствует улучшению условий труда и соответствует требованиям техники безопасности, а также продлевает срок межремонтного периода. Нагрев теплоносителя в предлагаемом устройстве необходим не столько для нагрева осушиваемого сыпучего материала, сколько для осушения самого теплоносителя. Поэтому сам процесс сушки сыпучего материала не требует использования высоких температур и может осуществляться в мягких температурных режимах (30-60°С).
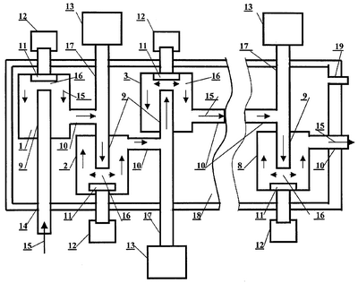
Предлагаемое устройство показано на чертеже.
Устройство для сушки сыпучих материалов состоит из восьми перфорированных барабанов 1-8, системы трубопроводов, включающей трубопроводы 9 загрузки и трубопроводы 10 разгрузки, вентиляторов 11, электродвигателей 12, нагревательных элементов 13, корпуса 14, сыпучего материала 15, зоны 16 выхода сыпучего материала, трубопровода 17 подачи теплоносителя, поддона 18 с отводной трубой 19.
Устройство для сушки сыпучих материалов работает следующим образом: сыпучий материал 15 подается в барабан 1 через трубопровод 9 загрузки. При вращении крыльчатки вентилятора 11 в перфорированном барабане 1 в зоне 16 выхода сыпучего материала 15 из трубопровода 9 загрузки создается разрежение, что интенсифицирует подачу сыпучего материала 15 в перфорированный барабан. Затем сыпучий материал с потоками воздуха, создаваемыми крыльчаткой вентилятора 11, работающего от электродвигателя 12, отбрасывается к перфорированным стенкам барабана 1 и сыпучий материал, двигаясь по спирали вдоль стенок барабана 1, находясь во взвешенном состоянии, равномерно обдувается со всех сторон. Затем через трубопровод 10 разгрузки попадает в трубопровод 9 загрузки перфорированного барабана 2 и, за счет разрежения, созданного в зоне 16 выхода сыпучего материала в перфорированный барабан 2, увлекается потоками теплоносителя, который подается в перфорированный барабан по трубопроводу 17 для подачи теплоносителя, нагретого в нагревательном элементе 13. Таким же образом сыпучий материал проходит через остальные перфорированные барабаны. Осушенный теплоноситель вместе с влагой удаляется через стенки перфорированных барабанов и собирается в поддоне 18, установленном на дне корпуса 14, откуда сливается через отводную трубу 19. Устройство можно считать высокоэффективным, т.к. процесс сушки ведется в непрерывном автоматизированном режиме и любой материал проходит все восемь барабанов за 10 секунд.
В предложенном сушильном устройстве до влажности не более 0,1% можно высушить такие материалы, как любые сыпучие строительные материалы (например, песок или мелкий щебень), стружку деревянную, зерно. Мощность электродвигателя для вентилятора и габаритные размеры устройства подбирают в соответствии с размерами частиц и их плотностью. Кроме того, благодаря тому, что процесс сушки может быть осуществлен в мягких температурных режимах, очень перспективно его использование для высушивания измельченных пластмассовых отходов, таких как трехслойная пленка, ПЭТ-хлопья, стрейч-пленка толщиной 15-20 мк, хлопья ПТФ (которые в вакуумных сушилках сушатся в течение 2 часов). Так как измельченные пластмассовые отходы высушены практически до полного отсутствия влажности, их можно сразу же направлять на гранулирование без проведения процесса дегазации.
Формула изобретения
1. Устройство для сушки сыпучих материалов, содержащее перфорированный барабан, нагревательные элементы, вентилятор, устройство загрузки и выгрузки, отличающееся тем, что представляет из себя сушильный агрегат, который содержит восемь неподвижных перфорированных барабанов, заключенных в общий корпус и соединенных между собой последовательно посредством устройств загрузки и выгрузки, выполненных в виде трубопроводов, включающих трубопроводы загрузки и трубопроводы разгрузки сыпучего материала, причем трубопровод загрузки в каждом неподвижном перфорированном барабане расположен коаксиально на глубину не менее 2/3 от длины перфорированного барабана, а напротив него расположена крыльчатка вентилятора, при этом трубопроводы для подачи теплоносителя от нагревательных элементов и трубопроводы разгрузки сыпучего материала из перфорированных барабанов 1, 2, 3, 4, 5, 6 и 7 соединены с трубопроводами загрузки для перфорированных барабанов 2, 3, 4, 5, 6, 7 и 8, ответственно.
2. Устройство по п.1, отличающееся тем, что нагревательные элементы снабжены автоматическими терморегуляторами.
РИСУНКИ
MM4A – Досрочное прекращение действия патента СССР или патента Российской Федерации на изобретение из-за неуплаты в установленный срок пошлины за поддержание патента в силе
Дата прекращения действия патента: 24.11.2007
Извещение опубликовано: 10.07.2009 БИ: 19/2009
|
|