|
(21), (22) Заявка: 2005122099/15, 12.07.2005
(24) Дата начала отсчета срока действия патента:
12.07.2005
(46) Опубликовано: 10.04.2007
(56) Список документов, цитированных в отчете о поиске:
RU 2175954 C1, 20.11.2001. RU 14927 U1, 10.09.2000. RU 2237023 С2, 27.10.2003. GB 527771 А, 16.10.1940.
Адрес для переписки:
197374, Санкт-Петербург, ул. Беговая, 5-2, кв.229, пат.пов. М.И.Лифсону
|
(72) Автор(ы):
Кибирев Дмитрий Иванович (RU), Китанов Сергей Евгеньевич (RU), Костынюк Владимир Иванович (RU), Куприков Николай Петрович (RU), Коновалов Александр Борисович (RU), Никифоров Георгий Иванович (RU), Подольский Анатолий Владимирович (RU)
(73) Патентообладатель(и):
Закрытое акционерное общество “Научно-Производственная Фирма “ЮПИТЕР” (ЗАО “НПФ “ЮПИТЕР”) (RU)
|
(54) МАГНИТНЫЙ ИНЕРЦИОННО-ГРАВИТАЦИОННЫЙ ФИЛЬТР ДЛЯ ОЧИСТКИ ВОДЫ
(57) Реферат:
Изобретение относится к устройствам для магнитной очистки жидкостей от ферромагнитных и механических примесей и может быть использовано в химической, нефтехимической и других отраслях промышленности, а также в быту для очистки питьевой воды и в системах теплоснабжения. Устройство включает корпус со съемной крышкой, состоящий из камеры осаждения и шламосборника, разделенных решеткой. В камере осаждения на уровне нижнего среза входного патрубка установлены вертикальные перегородки, перпендикулярные сплошной перегородке, которая делит камеру осаждения на две секции. На всех перегородках установлены горизонтальными и вертикальными рядами кольцевые постоянные магниты. Технический результат состоит в повышении эффективности очистки воды с высоким содержанием частиц, которое достигается за счет конструкции магнитной системы, обеспечивающей одинаковую скорость потока жидкости в любом канале, образованном вертикальными перегородками, и обработку воды во всем объеме камеры осаждения, причем “мертвые зоны” отсутствуют. 3 з.п. ф-лы, 2 ил.
Изобретение относится к устройствам для магнитной очистки жидкостей от ферромагнитных и механических примесей. Оно может быть использовано в химической, нефтехимической и других отраслях промышленности, а также в быту, в частности, для очистки питьевой воды и в системах теплоснабжения.
Потребитель оценивает качество теплоносителя органолептически. Наличие у горячей воды окраски (желтизны), темного осадка, а также низкая температура отопительных приборов, обусловленные в основном наличием взвесей окислов железа, является причиной большинства жалоб населения. Для персонала, эксплуатирующего теплоэнергетическое оборудование, превышение нормативного значения этого показателя является сигналом о нарушениях технологии производства и транспортировки тепла, а также о необходимости выявления и ликвидации источника загрязнения сетевой воды.
По отношению к системе теплоснабжения источники загрязнений могут быть внешними и внутренними.
Внешним источником является вода городского водопровода, содержание железа в которой, как правило, составляет около 0,3 мг/л, то есть максимально допустимое значение содержания соединений железа в системе горячего водоснабжения. Поскольку проектами котельных очистка исходной воды от железа не предусмотрена, нормативное качество горячей воды может быть обеспечено только при его содержании в исходной воде на уровне 0,2+0,25 мг/л.
Внутренним источником загрязнений является кислородная коррозия металла оборудования и трубопроводов, по которым теплоноситель транспортируется потребителям. Превышения нормативных значений содержания кислорода в горячей воде вызваны нарушениями на различных участках технологического цикла производства горячей воды, в процессе водоподготовки, эксплуатации тепловых сетей, внутренних систем теплоснабжения, а также несовершенством установленного оборудования и применяемых технологий.
Преобладающая масса продуктов коррозии в сетевой воде находится в теплоносителе в виде шлама различной крупности: от кусков отслоившихся отложений, влекомых по нижним образующим трубопровода, до мелкодисперсионных частиц размером менее 1 мкм.
В существующих технологических схемах источников теплоснабжения проектировщики закладывают конструкции фильтров (грязевиков), основанные на принципах фильтрации через сетку размером более 1 мм. В то же время известно, что в течение первых трех суток с момента включения системы отопления основная масса загрязнений (до 70% от общей массы) имеет размер более 1 мм. В дальнейшем происходит резкое перераспределение, и около 80% загрязнений имеет размер менее 0,05 мм. В результате, такие фильтры (грязевики) работают лишь в течение первых суток с момента пуска отопления и в дальнейшем не приводят к нормализации качества воды. При этом в системе долгое время сохраняется недопустимо высокий уровень шлама, состоящего в основном из соединений железа.
Даже беглый обзор существующих способов борьбы с примесями железа позволяет сделать обоснованный вывод о том, что удаление железа из воды (жидкостей) одна из самых сложных задач. На данный момент не существует универсального экономически оправданного метода, применяемого во всех случаях жизни, поэтому в каждом отдельном случае проблема решается по-своему и, как правило, комплексным способом.
Наиболее широкое применение в промышленности находят магнитные фильтры, которые способны удалять из жидкости практически любое количество железа и его окислов. Они относительно просты по конструкции и выпускаются многими заводами России и за рубежом. С целью удаления механических или других примесей, кроме магнитной системы в них используются сетчатые фильтры различной конструкции и материала сетки.
Известен магнитный фильтр, содержащий цилиндрический корпус, расположенную внутри него магнитную систему из кольцевых магнитов, установленных внутри оси корпуса, и фильтрующий элемент, размещенный в корпусе коаксиально магнитной системы, причем магнитная система снабжена перфорированными магнитопроводными пластинами, установленными на торцах магнитной системы, и кольцами из магнитомягкого материала. Фильтрующий элемент выполнен из отдельных колец (А.С. №1717181, БИ №9-92).
Недостатком данной системы является то, что кольцевые магниты намагничены вдоль оси корпуса, поэтому проникновение магнитного поля в поток жидкости мало, а это сказывается на качестве очистки. Кроме того, наличие магнитомягких колец между постоянными кольцевыми магнитами, на которых, в основном, оседают ферромагнитные частицы, приводит к тому, что для очистки пластин приходится практически магнитную систему разбирать.
Известна конструкция аппарата для магнитной обработки и очистки воды и различных химических жидких сред (Патент РФ №2182121). Аппарат состоит из немагнитного цилиндрического корпуса, окруженного секциями постоянных магнитов, которые расположены на определенном расстоянии друг от друга с чередованием магнитных полюсов по длине корпуса. Каждая магнитная секция крепится ферромагнитной лентой. Внутри корпуса расположена немагнитная труба, в которой размещены постоянные кольцевые магниты с ферромагнитными дисками. Магниты ориентированы к ферромагнитным дискам одноименными полюсами. Немагнитная труба внутри корпуса крепится опорными центрирующими пластинами.
С помощью магнитов в каждом из ферромагнитных дисков, расположенных по длине корпуса, поочередно меняется магнитное поле, которое взаимодействует с полем магнитных секций, расположенных с внешней стороны корпуса.
Таким образом, в кольцевом зазоре образуются круговые радиальные магнитные поля, которые направлены перпендикулярно потоку жидкости с изменением магнитных полюсов по длине корпуса аппарата.
К недостаткам этой конструкции следует отнести наличие двух магнитных систем. Не исключено, что качество очистки жидкости будет недостаточным, т.к. для извлечения ферромагнитных частиц не используется самая активная область, расположенная у поверхности постоянных магнитов обеих систем.
Известен аппарат для очистки воды, содержащий корпус, снабженный верхней и нижней крышками. Между крышками корпуса размещен фильтровальный элемент и магнитная система, причем фильтровальный элемент выполнен в виде толстостенного цилиндра из взаимосвязанных полимерных микроволокон, уложенных послойно с изменяющейся от центра к периферии плотностью упаковки. Внутри фильтровального элемента размещены с зазорами один над другим кольцевые магниты, ось намагниченности которых совпадает с их осевой линией, магниты расположены разноименными полюсами навстречу друг другу, а зазоры между магнитами образуют каналы для прохождения жидкости последовательно между всеми магнитами (Патент РФ №2079339).
Недостатками данного технического решения является сложность конструкции фильтровального элемента и неэффективное выполнение магнитной системы. Намагничивание магнитов вдоль оси корпуса не позволяет обеспечить достаточную глубину проникновения магнитного поля в поток обрабатываемой жидкости, в результате очистка от ферромагнитных примесей будет неэффективна.
На сегодняшний день наибольшее распространение получили магнитные шламоотводители (МШО) польской фирмы “SPAW_TEST”, которые устанавливаются для тонкой очистки воды на вводах центральных и индивидуальных тепловых пунктов, узлов учета по последовательной или параллельной схеме с целью защиты от отложений пластинчатых теплообменников, насосов, датчиков контрольно-измерительной аппаратуры, водосчетчиков. Магнитный шламоотводитель представляет собой компактное устройство, в котором последовательно реализуются три принципа очистки:
1. Инерционно-седиментационный: при входе в аппарат скорость и направление потока изменяются, и наиболее крупные загрязнения под действием силы тяжести оседают в нижнюю часть корпуса – шламовую камеру.
2. Магнитный: вода проходит по лабиринту, организованному специальными перегородками, на которых закреплены ферромагниты, улавливающие загрязнения с размером частиц от 0,5 мкм и более, обладающими ферромагнитными свойствами или приобретающими их в магнитном поле.
Загрязнения, не обладающие магнитными свойствами, задерживаются сетчатым фильтром, расположенным внутри корпуса перед выходным патрубком.
3. Фильтрационный: благодаря удачному техническому решению, основная масса загрязнения перехватывается до сетчатого фильтра, что позволило, при высокой грязеемкости аппарата, существенно увеличить его рабочий цикл, то есть продолжительность периода между очистками (Патент Респ. Польша №161750).
Недостатки этого технического решения заключаются в том, что конструкция магнитной системы не позволяет осуществить качественную очистку воды, поскольку входной и выходной патрубки расположены напротив друг друга и находятся в верхней части корпуса. В результате наиболее интенсивный поток жидкости наблюдается в верхней части камеры осаждения, и постепенно он ослабевает в слоях, находящихся ближе к шламосборнику, т.е. наблюдается неравномерность протекания жидкости по объему камеры осаждения.
Следовательно, магниты верхних ярусов в начале работы фильтра вносят наибольший вклад в процесс очистки жидкости, но быстро покрываются слоем загрязнений, выполняющих функцию экрана, и практически перестают участвовать в процессе очистки жидкости, т.к. становятся неактивными.
Эффективность очистки жидкости магнитами нижних ярусов значительно ниже, чем верхнего яруса, т.к. они находятся в зоне периферийного движения потока жидкости. Поток жидкости неравномерно протекает между отдельными рядами магнитов и существуют “мертвые зоны”, в которых вода практически не подвергается магнитной обработке.
На основе польского патента создано изобретение, защищенное Патентом РФ №2175954, которое и принято в качестве прототипа предлагаемого изобретения.
Магнитный инерционно-гравитационный фильтр включает корпус со съемной крышкой, функционально состоящий из камеры осаждения и сборника шлама, разделенных решеткой. В камере осаждения перпендикулярно входящему потоку размещены перегородки, на которых установлены основные постоянные магниты. Основные постоянные магниты набраны в виде вертикально чередующихся рядов противоположной полярности, причем перегородки выполнены из ферромагнитного материала. В камере осаждения установлена дополнительная магнитная система, выполненная в виде постоянных кольцевых магнитов, расположенных соосно друг с другом одноименными полюсами навстречу и разделенных ферромагнитными концентраторами, толщина которых зависит от величины магнитной индукции кольцевых магнитов. Сетчатый фильтрующий элемент установлен на выпускном патрубке, расположенном в верхней части корпуса.
Основное отличие этого изобретения от польского патента заключается в наличии дополнительной магнитной системы, которая выполнена из двух заглушенных труб, в которых соосно размещены постоянные кольцевые магниты одноименными полюсами навстречу друг другу и разделенные ферромагнитными пластинами и тем, что сетчатый фильтр выполнен многослойным.
Дополнительная магнитная система может устанавливаться между входным патрубком и первой по ходу движения очищаемой воды перегородкой или за ней. Дополнительная магнитная система установлена с возможностью отвода ее за пределы корпуса без снятия крышки.
По мнению авторов изобретения, эффективность работы фильтра выше, чем у польского шламоотводителя за счет введения дополнительной магнитной системы, которая позволяет производить чистку ее в процессе работы фильтра и, тем самым, увеличить срок между чистками основной магнитной системы.
Однако введение дополнительной магнитной системы усложняет конструкцию фильтра, затраты на ее обслуживание, но не исключает некоторых недостатков, присущих польскому патенту.
Направление течения потока воды между магнитами основной магнитной системы практически не изменилось, а следовательно, этот недостаток, присущий польскому патенту, остался. Более того, введение дополнительной магнитной системы привело к изменению расположения постоянных магнитов на перегородках, в результате количество “мертвых зон” увеличилось.
По замыслу авторов изобретения-прототипа введение дополнительной магнитной системы приводит к более качественной очистке воды, а также к увеличению продолжительности работы фильтра между чистками за счет извлечения магнитов из труб.
Дополнительная магнитная система обеспечивает налипание частиц загрязнений на поверхности труб, но эффективность ее работы не одинакова по высоте, а самоочистка поверхности труб при удалении из них кольцевых магнитов проблематична, учитывая состав отложений.
Технической задачей, решаемой предполагаемым изобретением, является устранение вышеуказанных недостатков магнитной системы, чтобы повысить качество очистки жидкостей от ферромагнитных и механических примесей за счет изменения конструкции перегородок и размещения на них постоянных магнитов.
Технический результат достигается тем, что в известное устройство, включающее корпус со съемной крышкой, функционально состоящий из камеры осаждения и шламосборника, разделенных решеткой, размещенные в камере осаждения вертикальные перегородки, постоянные магниты, установленные на них в виде вертикально чередующихся рядов, впускной и выпускной патрубки, расположенные в верхней части корпуса, патрубок отвода шлама и сетчатый фильтрующий элемент на выпускном патрубке, внесены изменения и дополнения, а именно:
– введена центральная сплошная перегородка, разделяющая камеру осаждения на две сообщающиеся внизу секции;
– параллельные вертикальные перегородки, установленные на уровне нижнего среза входного патрубка перпендикулярно сплошной перегородке, вместе с кольцевыми постоянными магнитами, размещенными с обеих сторон перегородок разноименными полюсами друг к другу, образуют общую магнитную систему;
– постоянные кольцевые магниты, размещенные на вертикальных перегородках, образуют горизонтальные и вертикальные параллельные ряды, причем полярность соседних магнитов одного ряда и между рядами противоположна, а полярность магнитов, размещенных на соседних перегородках напротив друг друга, одинакова;
– расстояние между соседними магнитами горизонтальных и вертикальных рядов и между магнитами, размещенными на соседних перегородках, соответственно определяются из эмпирических зависимостей вида:


где В – расстояние между соседним магнитами горизонтальных и вертикальных рядов, мм;
L – расстояние между магнитами, размещенными на соседних перегородках напротив друг друга, мм;
Н – удвоенная высота h (размер кольцевого магнита в осевом направлении) постоянного магнита с толщиной перегородки, мм;
D – наружный диаметр кольцевого постоянного магнита, мм;
d – внутренний диаметр кольцевого постоянного магнита, мм.
– вертикальные перегородки с установленными кольцевыми магнитами соединены между собой таким образом, что образуют отдельные магнитные модули с возможностью их независимого извлечения из корпуса фильтра.
Кроме того, решетка, разделяющая камеру осаждения от шламосборника, выполнена наклонной и параллельно ей введена дополнительная решетка.
Вышеуказанная совокупность существенных признаков предлагаемого технического решения в результате проведенного анализа уровня техники нами не выявлена, что позволяет сделать вывод о наличии критерия патентоспособности “новизна”.
Центральная сплошная перегородка, установленная по центру камеры осаждения, способствует равномерному прохождению потока очищаемой воды по всем каналам, образованным вертикальными перегородками и размещенными на них постоянными кольцевыми магнитами.
Размещение магнитной системы на уровне нижнего среза входного патрубка снижает гидродинамическое сопротивление входному потоку, в отличие от прототипа, где входной поток рассекается элементами магнитной системы. Поток на выходе из входного патрубка за счет расширения снижает скорость движения, а ударяясь в центральную сплошную перегородку распределяется равномерно по всем продольным и поперечным каналам, образованным магнитной системой.
Таким образом, центральная перегородка разделяет камеру осаждения на две сообщающиеся снизу секции, причем в первой секции направление потока сверху вниз, а во второй секции водный поток имеет направление снизу вверх.
Модульная конструкция вертикальных перегородок, образующих вместе с размещенными на них магнитами общую магнитную систему, обладает возможностью извлечения и чистки ее по частям.
Принятая схема намагничивания постоянных кольцевых магнитов, сочетание полярностей полюсов соседних постоянных кольцевых магнитов в одном ряду противоположна, а полярность магнитов, размещенных на соседних перегородках напротив друг друга, одинакова, что позволяет создать резко неоднородное магнитное поле и одновременно исключить области пространства, в которых поток жидкости не обрабатывался бы магнитным полем.
Создаваемая магнитной системой пространственная структура магнитного поля является строго координированной по всем направлениям, причем она геометрически подобна трехмерному шахматному полю.
Эффективность магнитной обработки жидкостей зависит от многих факторов.
Сильное влияние оказывают такие характеристики, как конфигурация магнитного поля, расположение полюсов, гидродинамика потока, параметры ферромагнитных примесей, но наибольшее влияние оказывают два наиболее важных. Это напряженность (Н) магнитного поля и скорость его изменения в пространстве – grad Н.
Полученные авторами соотношения между размерами постоянных магнитов и их положением друг друга относительно (зависимости 1, 2) обеспечивают, как показали экспериментальные исследования, наилучшее извлечение ферромагнитных включений, так как это извлечение происходит, во-первых, во всем пространстве протекания потока жидкости, и, во-вторых, при наилучшем сочетании как величины магнитного поля, так и его градиента в каждой точке пространства камеры осаждения.
Изменение расположения решетки, разделяющей камеру осаждения от шламосборника, и введение второй перфорированной решетки, отверстия в которых не совпадают, вызвано тем, что, как показала практика, это позволило исключить частичное вымывание немагнитных частиц из шламосборника и попадание их на сетку, установленную на выходном патрубке.
Установка решеток наклонно способствует тому, что все немагнитные частицы шлама не задерживаются на поверхности решетки, а попадают в шламосборник.
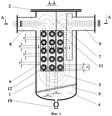
Сущность изобретения поясняется фиг.1 и 2.
На фиг.1 приведен общий вид магнитного инерционно-гравитационного фильтра; на фиг.2 приведен вид магнитной системы сверху при снятой крышке.
Магнитный инерционно-гравитационный фильтр состоит из корпуса 1 со съемной крышкой 2, функционально состоящего из камеры осаждения 3 и шламосборника 4, разделенных решетками 5, размещенными в камере осаждения 3, вертикальные параллельные перегородки 6, установленные перпендикулярно центральной сплошной перегородке 7, впускного 8 и выпускного 9 патрубков, расположенных в верхней части корпуса 1, патрубка отвода шлама 10, объемного сетчатого фильтрующего элемента 11, установленного перед выпускным патрубком 9, постоянных кольцевых магнитов 12, установленных с обеих сторон перегородок 6, образующих совместно магнитную систему.
На этой же фигуре видно, что кольцевые постоянные магниты размещены на перегородках таким образом, что образуют горизонтальные и вертикальные ряды, расстояние между которыми равно В. Здесь же приведены геометрические параметры постоянных кольцевых магнитов 12 (D, d) и их полярности (S, N).
На фиг.2 схематично показаны крепление вертикальных перегородок 6 и кольцевых магнитов 12 на них, образующих отдельные магнитные модули с указанием полярностей соседних магнитов, расположенных на соседних перегородках напротив друг друга, и размеры Н и L.
На обеих фигурах стрелками показано направление потока жидкости в камере осаждения 3.
Количество кольцевых магнитов 12 на каждой вертикальной перегородке 6 и количество перегородок, образующих магнитную систему, зависит от типоразмера инерционно-гравитационного фильтра, т.е. объема камеры осаждения и, естественно, не может быть меньше двух.
Ниже приводится один из возможных примеров реализации предполагаемого изобретения.
Магнитный инерционно-гравитационный фильтр работает следующим образом.
Подлежащий очистке поток среды, например питательная вода для паровых котлов и систем водяного охлаждения, через входной патрубок 8 поступает в камеру осаждения 3, где вследствие резкого расширения сечения на выходе из патрубка 8 в камеру 3 происходит осаждение крупных частиц примесей под действием инерционных и гравитационных сил.
Крупные частицы (d 0,5 мм) под действием сил тяжести осаждаются на дне шламосборника 4. На этом этапе массовая доля от общего количества задержанных частиц может составлять 30-40%.
Далее поток, ударяясь в сплошную центральную перегородку 7, теряет скорость и равномерно распределяется по каналам, образованным магнитной системой (перегородками 6 и постоянными кольцевыми магнитами 12), установленной на уровне нижнего среза входного патрубка.
Частицы менее 0,5-0,1 мм, обладающие сильно и слабо выраженными магнитными свойствами (например, продукты коррозии), под воздействием высокоградиентного магнитного поля осаждаются на поверхности постоянных кольцевых магнитов.
В замкнутых системах горячего водоснабжения и охлаждения котлов примесные частицы в своем большинстве (до 80%) обладают магнитными свойствами, так как являются продуктами коррозии. Кроме того, немагнитные частицы с содержанием таких химических элементов, как железо, никель, кобальт, алюминий, при нагревании образуют шпинели, также обладающие магнитными свойствами.
В данном примере в магнитной системе используются постоянные кольцевые магниты, имеющие следующие размеры: наружный и внутренний диаметры соответственно 40 и 20 мм, высота (h) 7 мм, толщина вертикальной перегородки 1 мм.
Соответственно, подставляя эти величины в зависимости 1 и 2, получаем величины В и L, которые соответственно равны 20 и 30 мм.
Исходя из диаметра корпуса 273 мм и высоты 595 мм магнитная система, как показано на фиг.1 и 2, образованная вертикальными перегородками 6, на которых размещены с обеих сторон разноименными полюсами постоянные кольцевые магниты 12, имеет три горизонтальных ряда и три вертикальных.
Нагрузка на постоянные кольцевые магниты 12 зависит от их расположения. Так, наиболее нагруженными являются постоянные кольцевые магниты первой секции, т.к. водный поток последовательно проходит сверху вниз в ней, а затем снизу поступает во вторую секцию, поднимаясь по каналам, образованным перегородками с размещенными на них постоянными кольцевыми магнитами, находящимися в этой секции, и далее через фильтрующую сетку 11 поступает на выход через выходной патрубок. 9.
В первой секции камеры осаждения магнитная система улавливает порядка 45-50% и 35-40% – во второй секции камеры осаждения.
Сетчатый фильтр 11, расположенный на выходном патрубке, задерживает взвешенные в воде органические частицы, что способствует дополнительной очистке воды.
В нижней части корпуса расположен шламосборник, отделенный от камеры осаждения двумя параллельными наклонными пластинами, выполненными перфорированными и расположенными на определенном расстоянии друг от друга таким образом, чтобы их отверстия не совпадали. Наличие двух перфорированных полок предотвращает подъем частиц со дна шламосборника к сетчатому фильтру.
Выгрузку шлама из накопителя осуществляют периодически через патрубок 10.
В процессе работы инерционно-гравитационного фильтра периодически проводят очистку магнитной системы, перекрывая поток воды на входе и промывая магнитную систему в режиме противотока и повышенном давлении. Если после такой промывки давление на выходе повышается незначительно, то это является сигналом к чистке магнитной системы с вскрытием крышки, изъятием модулей магнитов из корпуса и промывке их струей воды.
Извлечение их облегчается тем, что использована модульная конструкция магнитной системы, позволяющая извлекать последовательно отдельные модули.
Цикл работы инерционно-гравитационного фильтра от чистки до чистки увеличился примерно в 1.3-1,5 раз в зависимости от исходного качества воды.
Преимущества заявляемого изобретения состоят в:
– повышении эффективности очистки воды с высоким содержанием частиц (d=0.05-0.01 мм), которое достигается за счет конструкции магнитной системы, обеспечивающей одинаковую скорость потока жидкости в любом канале, образованном вертикальными перегородками, и обработку воды во всем объеме камеры осаждения, причем “мертвые зоны” отсутствуют;
– магнитная система не создает дополнительного сопротивления потока воды на входе и выходе фильтра;
– магнитная обработка (очистка) происходит как в секции с нисходящим потоком жидкости, так и в секции с восходящим потоком, что увеличивает время обработки и количество постоянных магнитов, обтекаемых потоком жидкости;
– равномерное движение жидкости в каналах магнитной системы в сочетании с низкой скоростью потока обеспечивают ламинарный (безвихревой) характер течения жидкости, что является важным для очистки от мелкодисперсных ферромагнитных включений, т.к. силовое воздействие на частицы микровихрей, возникающих в жидкости у поверхности магнитов, может превышать силы взаимодействия этих частиц с магнитами. Это будет приводить к их отрыву от магнитов и попаданию в шламосборник;
– увеличение рабочего цикла достигается за счет того, что по мере роста количества загрязнений на магнитах первого ряда, размещенных на вертикальных перегородках первой секции камеры осаждения, снижающих эффективность очистки ими, их функции плавно переходят к следующему горизонтальному ряду и так далее;
– более удобная эксплуатация магнитной системы за счет возможности раздельного извлечения отдельных модулей магнитной системы для их чистки.
В настоящее время макет опытного образца инерционно-гравитационного фильтра для очистки воды проходит опытно-промышленные испытания, после успешного окончания которых предполагается промышленное использование в конце 2005 г.
Формула изобретения
1. Магнитный инерционно-гравитационный фильтр для очистки воды, включающий корпус со съемной крышкой, функционально состоящий из камеры осаждения и шламосборника, разделенных решеткой, размещенные в камере осаждения вертикальные перегородки, постоянные кольцевые магниты, установленные на перегородках, впускной и выпускной патрубки, расположенные в верхней части корпуса, патрубок отвода шлама, сетчатый фильтрующий элемент на выпускном патрубке, отличающийся тем, что камера осаждения разделена сплошной перегородкой на две сообщающиеся внизу секции, вертикальные перегородки установлены на уровне нижнего среза входного патрубка перпендикулярно сплошной перегородке и вместе с кольцевыми постоянными магнитами, размещенными с обеих сторон перегородок разноименными полюсами друг к другу, образуют общую магнитную систему, причем постоянные кольцевые магниты, размещенные на вертикальных перегородках, образуют горизонтальные и вертикальные параллельные ряды таким образом, что полярность соседних магнитов одного ряда и между рядами противоположна, а полярность магнитов, размещенных напротив друг друга на соседних перегородках, одинакова.
2. Магнитный инерционно-гравитационный фильтр для очистки воды по п.1, отличающийся тем, что расстояние между соседними магнитами горизонтальных и вертикальных рядов и между магнитами, размещенными напротив друг друга на соседних перегородках, соответственно определяются из эмпирических зависимостей вида


где В – расстояние между соседними кольцевыми магнитами горизонтальных и вертикальных рядов, мм;
L – расстояние между кольцевыми магнитами, размещенными на соседних перегородках напротив друг друга, мм;
Н – удвоенная высота h (размер кольцевого магнита в осевом направлении) постоянного магнита с толщиной перегородки, мм;
D – наружный диаметр кольцевого постоянного магнита, мм;
d – внутренний диаметр кольцевого постоянного магнита, мм.
3. Магнитный инерционно-гравитационный фильтр для очистки воды по п.1, отличающийся тем, что магнитная система выполнена таким образом, что образует отдельные магнитные модули с возможностью их независимого извлечения из корпуса фильтра.
4. Магнитный инерционно-гравитационный фильтр для очистки воды по п.1, отличающийся тем, что решетка, разделяющая камеру осаждения от шламосборника, выполнена наклонной и параллельно ей введена дополнительная решетка.
РИСУНКИ
|