|
|
(21), (22) Заявка: 2005125117/11, 08.08.2005
(24) Дата начала отсчета срока действия патента:
08.08.2005
(46) Опубликовано: 10.04.2007
(56) Список документов, цитированных в отчете о поиске:
RU 2238868 С2, 27.10.2004. SU 1799784 A1, 07.03.1993. RU 2025358 C1, 30.12.1994. RU 2185300 C2, 20.07.2002.
Адрес для переписки:
443066, г.Самара, 1-й Безымянный пер., 18, СамГАПС, патентный отдел
|
(72) Автор(ы):
Полевой Юрий Иосифович (RU), Полевая Людмила Владимировна (RU), Хохлов Анатолий Филлипович (RU), Трошина Марина Васильевна (RU), Ахмадуллин Фанис Ринатович (RU)
(73) Патентообладатель(и):
Государственное образовательное учреждение высшего профессионального образования “Самарская государственная академия путей сообщения” (СамГАПС) (RU)
|
(54) РЕЛЬСОВАЯ ЦЕПЬ
(57) Реферат:
Изобретение относится к области железнодорожной автоматики и телемеханики, в частности к тональным рельсовым цепям. Рельсовая цепь содержит путевой генератор (14), рельсовую линию, согласующие трансформаторы, первый выпрямитель (15), резистор (13), первый аналого-цифровой преобразователь (16), путевой приемник, кроме того, она дополнительно снабжена переключающим устройством (12), вторым выпрямителем (18), вторым аналого-цифровым преобразователем (19) и электронно-вычислительной машиной. Рельсовые линии через трансформаторы соединены с входами/выходами переключающего устройства, к входам которого подключен путевой генератор через резистор. К полюсам резистора подключен вход первого выпрямителя, который через первый аналого-цифровой преобразователь подключен к первому входу ЭВМ, ко второму входу которой через второй аналого-цифровой преобразователь и второй выпрямитель подключен выход переключающего устройства, а выход ЭВМ подключен к входу переключающего устройства. Применение предлагаемой рельсовой цепи обеспечивает повышение работоспособности рельсовой цепи при пониженном сопротивлении изоляции. 1 ил.
Изобретение относится к области железнодорожной автоматики и телемеханики, в частности к тональным рельсовым цепям.
Известны частотные рельсовые цепи [Аркатов B.C. и др. Рельсовые цепи магистральных железных дорог. – М.: Транспорт, 1992, стр.332-336] с путевым приемником [Дмитриев B.C., Минин В.А. Системы автоблокировки с рельсовыми цепями тональной частоты. – М.: Транспорт, 1992, стр.83-87]. В качестве порогового элемента в нем используется триггер на транзисторах VT7 и VT8 [Дмитриев B.C., Минин В.А. Системы автоблокировки с рельсовыми цепями тональной частоты. – М.: Транспорт, 1992, стр.83, рис.2.23].
Недостатком известных рельсовых цепей является низкая надежность работы при пониженном сопротивлении изоляции.
Известна рельсовая цепь, содержащая генератор (генератор, фильтр и резистор), рельсовые линии, согласующие элементы, фильтры, выпрямители, резисторы, аналого-цифровые преобразователи, субтрактор, сумматор, логические элементы, генератор и регистр [А.с. 1799784 «Рельсовая цепь», авторы: Полевой Ю.И., Кравцов Н.А., Стрельцов С.К., БИ №9, 1993 г. B 61 L 23/16].
Недостатком известной рельсовой цепи является низкая шунтовая чувствительность при пониженном сопротивлении изоляции.
Известна рельсовая цепь, содержащая путевой генератор, рельсовую линию, согласующие трансформаторы, выпрямитель, резистор, логические элементы, аналого-цифровой преобразователь, регистр, генератор, субтрактор, путевой приемник, конденсатор, мультиплексор, два триггера [Патент №2238868, B 61 L 23/16, «Рельсовая цепь», авторы: Полевой Ю.И., Полевая Л.В., Яковлев В.П., Смышляев В.А., Гуменников В.Б., Алиев М.М., БИ 30, 2003 г.].
Недостатком известной рельсовой цепи является низкая надежность работы при пониженном сопротивлении изоляции.
Данное техническое решение выбрано авторами в качестве прототипа.
Техническим результатом является повышение надежности контроля состояния рельсовой цепи.
Технический результат достигается тем, что рельсовая цепь, содержащая путевой генератор, рельсовую линию, согласующие трансформаторы, выпрямитель, резистор, аналого-цифровой преобразователь, путевой приемник, она дополнительно снабжена переключающим устройством, вторым выпрямителем, вторым аналого-цифровым преобразователем, электронно-вычислительной машиной ЭВМ, причем рельсовые линии через трансформаторы соединены с входами/выходами переключающего устройства, к входам которого подключен путевой генератор через резистор, к полюсам которого подключен вход первого выпрямителя, который через первый аналого-цифровой преобразователь подключен к первому входу ЭВМ, ко второму входу которой через второй аналого-цифровой преобразователь и второй выпрямитель подключен выход переключающего устройства, а выход ЭВМ подключен к входу переключающего устройства.
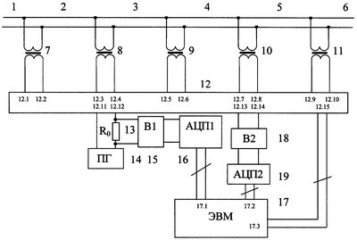
На чертеже представлена схема рельсовой цепи контролируемой зоны (перегона).
На чертеже обозначены следующие позиции: 1, 2, 3, 4, 5 и 6 – первая, вторая, третья, четвертая, пятая и шестая рельсовые линии (РЛ), 7, 8, 9, 10 и 11 – первый, второй, третий, четвертый и пятый путевые трансформаторы, 12 – переключающее устройство, 13 – ограничительный резистор, 14 – путевой генератор (источник питания), 15 – первый выпрямитель, 16 – первый аналого-цифровой преобразователь АЦП1, 17 – электронно-вычислительная машина ЭВМ, 18 – второй выпрямитель, 19 – второй аналого-цифровой преобразователь АЦП2.
Рельсовые линии 1, 2, 3, 4, 5 и 6 посредством трансформаторов 7, 8, 9, 10 и 11 подключаются к переключающему устройству 12 к входам/выходам 12.1 и 12.2, 12.3 и 12.4, 12.5 и 12.6, 12.7 и 12.8, 12.9 и 12.10. Путевой генератор 14 через резистор 13 подключается к входам 12.11 и 12.12 переключающего устройства 12. Выходы 12.13 и 12.14 переключающего устройства 12 используются для подключения второго входа (шина) ЭВМ 17.2 через выпрямитель 18 и второй аналого-цифровой преобразователь АЦП2 19. Вход 12.15 переключающего устройства 12 предусмотрен для подключения выхода ЭВМ 17.3. Первый вход ЭВМ 17.1 используется для подключения к первому аналого-цифровому преобразователю АЦП1 16.
Приборы схемы соединены следующим образом. Рельсовые линии 1, 2, 3, 4, 5 и 6 через трансформаторы 7, 8, 9, 10 и 11 соединены с входами переключающего устройства 12. Путевой генератор 14 также подключен к переключающему устройству 12 через резистор 13. К полюсам резистора подключен вход первого выпрямителя 15, к выходу которого подключен вход первого аналого-цифрового преобразователя АЦП1 16, к выходу которого подключен первый вход ЭВМ 17. Ко второму входу ЭВМ 17 через второй аналого-цифровой преобразователь АЦП2 19 и второй выпрямитель 18 подключен выход переключающего устройства 12. К выходу 17.3 ЭВМ 17 подсоединен вход 12.15 переключающего устройства 12.
Рельсовая цепь работает следующим образом. С выхода 17.3 ЭВМ 17 на вход 12.15 переключающего устройства 12 поступает сигнал об поочередном циклическом открытии входов/выходов 12.1 и 12.2, 12.3 и 12.4, 12.5 и 12.6, 12.7 и 12.8, 12.9 и 12.10. Питание с выхода путевого генератора 14 поступает на входы 12.11 и 12.12 переключающего устройства 12 через резистор 13, а далее проходит через открытые входы/выходы и соответствующие трансформаторы 7, 8, 9, 10 или 11 к соответствующей рельсовой линии 1, 2, 3, 4, 5 или 6. На вход 17.1 ЭВМ 17 через первый аналого-цифровой преобразователь АЦП1 16 и выпрямитель 15 поступает информация о значении тока путевого генератора (которое пропорционально значению падения напряжения на резисторе 13) каждой рельсовой линии при каждом подключении. На вход 17.2 ЭВМ 17 через второй аналого-цифровой преобразователь АЦП2 19 и выпрямитель 18 поступает с выходов 12.13 и 12.14 переключающего устройства 12 значение напряжения приемных концов каждой рельсовой линии.
Переключающее устройство 12 поочередно (циклически) к каждой из рельсовых линий 1, 2, 3, 4, 5 или 6 подключает путевой генератор 14 и вход 17.2 ЭВМ 17. Переключающее устройство 12 управляется ЭВМ 17 посредством входа 12.15 и определяется момент переключения. ЭВМ 17 получает информацию о значениях напряжений приемных концов каждой рельсовой линии (вход 17.2) и значениях токов источника питания каждой рельсовой линии при каждом подключении (вход 17.1).
Применение предлагаемой рельсовой цепи обеспечивает повышение работоспособности рельсовой цепи при пониженном сопротивлении изоляции.
Формула изобретения
Рельсовая цепь, содержащая путевой генератор, рельсовую линию, согласующие трансформаторы, выпрямитель, резистор, аналого-цифровой преобразователь, путевой приемник, отличающаяся тем, что она дополнительно снабжена переключающим устройством, вторым выпрямителем, вторым аналого-цифровым преобразователем, электронно-вычислительной машиной ЭВМ, причем рельсовые линии через трансформаторы соединены с входами/выходами переключающего устройства, к входам которого подключен путевой генератор через резистор, к полюсам которого подключен вход первого выпрямителя, который через первый аналого-цифровой преобразователь подключен к первому входу ЭВМ, ко второму входу которой через второй аналого-цифровой преобразователь и второй выпрямитель подключен выход переключающего устройства, а выход ЭВМ подключен к входу переключающего устройства.
РИСУНКИ
MM4A – Досрочное прекращение действия патента СССР или патента Российской Федерации на изобретение из-за неуплаты в установленный срок пошлины за поддержание патента в силе
Дата прекращения действия патента: 09.08.2007
Извещение опубликовано: 10.03.2009 БИ: 07/2009
|
|