|
|
(21), (22) Заявка: 2005125941/11, 15.08.2005
(24) Дата начала отсчета срока действия патента:
15.08.2005
(46) Опубликовано: 10.04.2007
(56) Список документов, цитированных в отчете о поиске:
RU 2248281 А, 20.03.2005. RU 2251495 С2, 10.05.2005. RU 2186694 С2, 10.08.2002. RU 2000107046 А, 27.01.2002.
Адрес для переписки:
344038, г.Ростов-на-Дону, пл. им. Полка Народного ополчения, 2, РГУПС, НИС
|
(72) Автор(ы):
Устименко Игорь Владимирович (RU)
(73) Патентообладатель(и):
Устименко Игорь Владимирович (RU)
|
(54) СПОСОБ СНИЖЕНИЯ ИНДУКТИВНОГО ВЛИЯНИЯ ТЯГОВОЙ СЕТИ НА СМЕЖНЫЕ КОММУНИКАЦИИ СВЯЗИ
(57) Реферат:
Способ относится к области электрифицированных железных дорог и может быть использован для снижения влияния электрифицированных железных дорог на смежные линии связи. Повышение защитного действия на смежные линии связи в режиме максимальной компенсации сигнала электромагнитной помехи осуществляется путем дополнительного изменения величины компенсирующего тока. В систему компенсации помехи включают генератор и блок регулировки усиления, с помощью которых изменяют мгновенное значение коэффициента передачи, и, следовательно, величину компенсирующего тока в обратном проводе. Амплитуду и частоту изменения выбирают таким образом, чтобы обеспечивалась устойчивость колебательной системы. Изобретение позволяет повысить эффективность процесса компенсации гармоник тягового тока, оказывающих наибольшее псофометрическое воздействие на смежные с тяговой сетью коммуникации связи. Это обеспечивается использованием свойств колебательных систем с параметрами, периодически меняющимися во времени. При дополнительных периодических изменениях величины компенсирующей силы появляется дополнительное демпфирование, чем обеспечивается устойчивость образованной колебательной системы в условиях максимального тока компенсации, т.е. обеспечивается параметрическая стабилизация системы. 1 ил.
Способ относится к области электрифицированных железных дорог и может быть использован для снижения влияния электрифицированных железных дорог на смежные линии связи.
Известен (1) усилитель с обратной связью для активной защиты линий связи от мещающих влияний силовых полей, в котором предусматривается компенсация амлитудно-фазовых искажений, вносимых сопротивлениями линий и потерями в согласующем трансформаторе с помощью отбора части компенсирующего сигнала в обратную связь. Таким образом искажения в сигнале компенсации должны подаваться в противофазе на вход усилителя и таким образом компенсироваться. Однако данный способ компенсации электромагнитных помех, принятый в качестве аналога, имеет следующие недостатки.
1. По описанию, в данном изобретении на вход усилителя подается напряжение шума (сигнал в целом), наведенное в линии и подлежащее компенсации, используемой в качестве датчика напряжения помехи. Известно, однако, что напряжение взаимоиндукции пропорционально производной влияющего тока, поэтому в общем случае при наличии ряда гармоник форма кривой влияющего тока и форма наведенного напряжения не совпадают друг с другом. Поэтому в первичной обмотке согласующего трансформатора будет протекать ток, пропорциональный напряжению помехи, а не влияющему току. Поле этого тока в общем случае не может полностью скомпенсировать поле влияющего тока, так как они совершенно различны по форме. В данном патенте отсутствуют сведения о датчике, в котором сигнал был бы пропорционален влияющему току, а не напряжению (как в данном патенте), и с которого сигнал бы подавался на вход усилителя (являлся бы источником для компенсирующего тока).
2. В данном патенте сигнал помехи, в целом, корректируется по фазе и амплитуде. В обратную связь, с целью такой коррекции, отбирается часть сигнала, содержащего сумму гармоник, наведенных в коммуникациях связи. В этом случае такая корректировка “фазы” и амлитуды теряет смысл, поскольку каждая гармоника при работе устройства на активно-реактивную нагрузку сдвигается на свой угол. Необходимо также отметить, что стабилизацию работы устройства с помощью обратной связи, при работе устройства на активно-реактивную нагрузку можно достигнуть вводя отрицательную обратную связь по каждой гармонике в отдельности, в силу приведенных выше обстоятельств. Сведения об этом, как и сведения о каких-либо селективных фильтрах в данном патенте отсутствуют.
3. В данном патенте в составе сигнала компенсации, протекающего в первичной обмотке согласующего трансформатора, присутствуют все наведенные гармоники. Однако известно, что гармонические составляющие в зависимости от частоты обладают разным коэффициентом псофометрического воздействия. Так например, гармоника с частотой 50 Гц, не оказывает заметного влияния на смежные коммуникации связи, т.е. нет необходимости ее компенсировать. В условиях, если линия, подверженная влиянию, имеет сближение с тяговой сетью, первая гармоника несет основную мощность сигнала, и чтобы ее скомпенсировать потребовался бы источник, сравнимый по мощности с тяговым. Сведения о компенсации гармонических составляющих, оказывающих наибольшее псофометрическое воздействия в данном патенте отсутствуют.
4. Из вышесказанного понятно, что при работе устройства на активно-реактивную нагрузку, невозможно достигнуть одновременно удовлетворительной компенсации электромагнитных помех и устойчивости в работе усилителя, подавая в петлю обратной связи искаженный сигнал в целом, так как неустойчивость проявляется на конкретных, отдельно взятых гармониках. Сведения об избирательной подачи в петлю обратной связи отдельных гармонических составляющих в данном патенте отсутствуют.
Известно устройство 2, в котором из сигнала, пропорционального тяговому току контактной сети, выделяют ряд высших гармонических составляющих, оказывающих наибольшее псофометрическое воздействие, которые затем, после дальнейшей обработки, т.е. коррекции каждой в отдельности гармоники по фазе и амплитуде в блоке, преобразуют в сигнал компенсирующего воздействия в блоке, который усиливают усилителем мощности и подают в защитный провод. Мощность компенсирующего сигнала в обратном проводе определяют в зависимости от фактического уровня сигнала помехи, который выделяют и измеряют в блоке обработке помехи. С помощью блока обработки сигнала компенсации, стабилизируют процесс компенсации электромагнитной помехи при различных сбоях в работе системы при осуществлении способа.
Используемый в данном изобретении способ наиболее близок к заявляемому по технической сущности и достигаемому положительному эффекту, поэтому он выбран в качестве прототипа.
Способ компенсации помех, принятый в качестве прототипа, имеет недостаток, заключающийся в его малой эффективности, обусловленной тем, что в режиме, когда компенсирующий ток максимален, система компенсации, включающая объекты и цепи обратной связи находится на границе устойчивости.
Задача, решаемая изобретением, – повышение защитного действия на смежные линии связи в режиме максимальной компенсации сигнала электромагнитной помехи путем дополнительного изменения величины компенсирующего тока.
Это достигается тем, что величина компесирующего тока, содержащего спектр гармонических составляющих, оказывающих наибольшее псофометрическое воздействие на смежные линии связи, дополнительно периодически изменяется.
Способ снижения индуктивного влияния основан на использовании свойств колебательных систем с параметрами, периодически меняющимися во времени. Согласно этим свойствам при дополнительных периодических изменениях величины компенсирующей силы появляется дополнительное демпфирование, чем обеспечивается устойчивость колебательной системы, включающей колебательный контур, образованный обратным проводом и землей, защищаемую линию и цепь обратной связи в условиях максимального тока компенсации, т.е. обеспечивается параметрическая стабилизация системы.
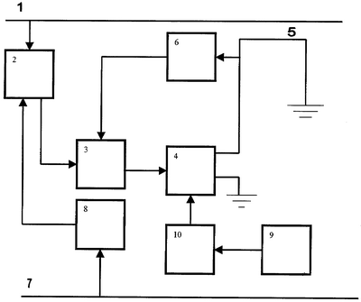
На чертеже представлена схема, поясняющая сущность заявляемого способа.
На схеме введены следующие обозначения:
1 – контактная сеть;
2 – блок обработки тягового тока;
3 – смеситель;
4 – усилитель мощности компенсирующего тока;
5 – обратный провод;
6 – блок обработки сигнала компенсации;
7 – линия связи;
8 – блок обработки помехи;
9 – генератор;
10 – блок регулировки усиления.
Способ осуществляется следующим образом. В блоке обработки тягового тока 2 из сигнала, пропорционального тяговому току контактной сети 1, выделяют ряд высших гармонических составляющих, оказывающих наибольшее псофометрическое воздействие, которые затем, после дальнейшей обработки, т.е. коррекции каждой в отдельности гармоники по фазе и амплитуде в блоке 2, преобразуют в сигнал компенсирующего воздействия в блоке 3, который усиливают усилителем мощности 4 и подают в защитный провод 5. Мощность компенсирующего сигнала в обратном проводе определяют в зависимости от фактического уровня сигнала помехи, который выделяют и измеряют в блоке обработке помехи 8. С помощью блока обработки сигнала компенсации 6 стабилизируют процесс компенсации электромагнитной помехи при различных сбоях в работе системы при осуществлении способа. С помощью генератора 9 и блока 10 регулировки усиления изменяют мгновенное значение коэффициента передачи и, следовательно, величину компенсирующего тока, причем амплитуду и частоту изменения выбирают таким образом, чтобы обеспечить устойчивость системы компенсации электромагнитной помехи в режимах, когда компенсирующий ток максимален.
ИСТОЧНИКИ ИНФОРМАЦИИ
1. Патент GB № 2053625 А. Опубликовано “Kabel – und Metalwerke Gutehoffliungshutte”, 24.06.1980.
2. Патент РФ № 2248281, Бюл. № 8, 20.03.2005. В60М 3/00, Н02J 3/20.
Формула изобретения
Способ снижения индуктивного влияния тяговой сети на смежные коммуникации связи, заключающийся в том, что в обратном проводе формируют ток, образующий вторичное компенсирующее электромагнитное поле, находящееся в противофазе к электромагнитному полю тягового тока контактной сети, отличающийся тем, что величину компенсирующего тока в защитном проводе периодически изменяют, причем амплитуду и частоту выбирают из условия обеспечения устойчивости системы компенсации электромагнитной помехи в режиме с максимальным компенсирующим током.
РИСУНКИ
MM4A – Досрочное прекращение действия патента СССР или патента Российской Федерации на изобретение из-за неуплаты в установленный срок пошлины за поддержание патента в силе
Дата прекращения действия патента: 16.08.2007
Извещение опубликовано: 10.03.2009 БИ: 07/2009
|
|