|
|
(21), (22) Заявка: 2005125321/03, 09.08.2005
(24) Дата начала отсчета срока действия патента:
09.08.2005
(46) Опубликовано: 10.04.2007
(56) Список документов, цитированных в отчете о поиске:
SU 1318409 A1, 23.06.1987. RU 2162408 C1, 27.01.2001. RU 2008204 C1, 28.02.1994. DE 19750746 A, 20.05.1999.
Адрес для переписки:
454080, г.Челябинск, пр-т им. В.И. Ленина, 76, ЮУрГУ, технический отдел
|
(72) Автор(ы):
Пикус Григорий Александрович (RU), Евсеев Борис Анатольевич (RU), Головнев Станислав Георгиевич (RU)
(73) Патентообладатель(и):
Государственное образовательное учреждение высшего профессионального образования “Южно-Уральский государственный университет” (RU)
|
(54) СПОСОБ ИЗГОТОВЛЕНИЯ ДИСПЕРСНО-АРМИРОВАННЫХ БЕТОННЫХ ИЗДЕЛИЙ И КОНСТРУКЦИЙ
(57) Реферат:
Изобретение относится к способу изготовления изделий и конструкций из бетонов, дисперсно-армированных стальными, стеклянными или синтетическими фибрами, и может быть использовано на заводах стройиндустрии и в условиях строительной площадки. Технический результат – возможность регулирования прочностных свойств дисперсно-армированных бетонных конструкций путем изменения содержания дисперсной арматуры по сечению изделия. В способе изготовления дисперсно-армированных бетонных изделий и конструкций, включающем подачу и укладку дисперсно-армированной смеси в форму, установку в форме парных электродов, подключенных к источнику электрического тока, воздействие током на указанную смесь, указанную установку осуществляют до начала указанной укладки или в процессе ее, а воздействие током – подачей от источника постоянного электрического тока энергии величиной 0,2-5 кДж, располагая парные электроды одиночно или группами в тех сечениях, где необходимо достигнуть минимальное содержание дисперсной арматуры. 2 ил.
Изобретение относится к способам изготовления изделий и конструкций из бетонов, дисперсно-армированных стальными, стеклянными или синтетическими арматурными элементами (фибрами), и может быть использовано на заводах стройиндустрии и в условиях строительной площадки.
Известен способ изготовления изделий из мелкозернистой бетонной и тому подобной смеси путем приготовления смеси, армированной микроарматурой, с последующим ее виброуплотнением. Для повышения несущей способности железобетонного изделия в процессе виброуплотнения его помещают в направленное магнитное поле (авт. свид. № 450016, Е 04 С 5/00).
Такой способ позволяет повысить несущую способность изделия при работе на изгиб за счет направленного распределения арматурных элементов. При этом последние за счет действия магнитного поля распределяются равномерно по всему объему изделия. Однако напряжения, возникающие в изделии от внешней нагрузки, в большинстве случаев распределены неравномерно по сечению. Вследствие этого происходит перерасход арматурных элементов в зонах с низким напряженным состоянием, что приводит к неполному использованию прочностных свойств дисперсно-армированных бетонов. Кроме того, известный и аналогичные ему способы (авт. свид. № 718268, В 28 В 1/52; № 833445, В 28 В 1/52) имеют ряд технических ограничений. Во-первых, невозможно производство изделий из тяжелого бетона, так как перемещению арматурных элементов под действием магнитного поля препятствует крупный заполнитель, входящий в состав такого бетона. Во-вторых, применение магнитного поля требует использования только металлической дисперсной арматуры.
Известен способ формования строительных изделий, при котором подача бетонной смеси и арматурных элементов выполняется последовательно, причем последние в процессе подачи нарезают и раскладывают путем перемещения точек их реза относительно друг друга в направлении, перпендикулярном сечению изделия (авт. свид. № 876431, В 28 В 1/52).
Однако этот способ применим, в основном, для заводов сборного железобетона и в силу технических особенностей не может быть использован непосредственно на строительной площадке. Причем в качестве арматурного элемента из-за особенностей технологии производства фибры может быть использована только фибра из стальной проволоки, так как при использовании фибры из стального листа или сляба (равно, как фибр из стеклянных или полимерных материалов) невозможно размещение арматурного элемента под точкой его реза. Кроме того, формуемое изделие приобретает слоистую структуру в направлении сечения (за счет чередования слоев бетона и фибры), что снижает прочностные свойства конструкции.
Наиболее близким к заявляемому способу является способ изготовления дисперсно-армированных бетонных изделий, включающий подачу и укладку дисперсно-армированной смеси в форму, установку в смеси парных электродов, подключенных к источнику электрического тока, воздействие током на указанную смесь (авт. свид. № 1318409, В 28 В 1/52).
Недостатком указанного способа является невозможность изменения содержания дисперсной арматуры по сечению изделия, так как фибры свариваются между собой, образуя пространственный каркас. Кроме того, применение данного способа возможно только при использовании металлической дисперсной арматуры.
В основу изобретения положена техническая задача, заключающаяся в регулировании прочностных свойств дисперсно-армированных бетонных конструкций путем изменения содержания дисперсной арматуры по сечению изделия.
Поставленная задача решается тем, что в способе изготовления дисперсно-армированных бетонных изделий и конструкций, включающем подачу и укладку дисперсно-армированной смеси в форму, установку в форме парных электродов, подключенных к источнику электрического тока, воздействие током на указанную смесь согласно изобретению указанную установку осуществляют до начала указанной укладки или в процессе ее, а воздействие током – подачей от источника постоянного электрического тока энергии величиной 0,2-5 кДж, располагая парные электроды одиночно или группами в тех сечениях, где необходимо достигнуть минимальное содержание дисперсной арматуры.
Установка электродов в формуемое изделие указанным образом позволяет при подаче накопленной энергии на парные электроды образовать между ними за счет высокой плотности энергии канал разряда. Так как межэлектродный промежуток заполнен свежеуложенной бетонной смесью, то вода, присутствующая в смеси, вскипает в канале разряда, вследствие чего в формуемом изделии образуется и распространяется в стороны от электродов волна сжатия (электрогидравлический эффект Л.А.Юткина). Эта волна перемещает дисперсную арматуру, находящуюся в смеси, по вектору своего рассеивания, тем самым изменяя содержание дисперсной арматуры по сечению изделия и создавая зонное армирование на участках с высоким уровнем напряженного состояния.
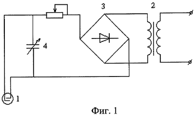
Способ поясняется чертежами, где на фиг.1 дана электрическая схема подачи тока на электроды, располагаемые в формуемом изделии; на фиг.2 -распределение дисперсной арматуры по сечениям изделия: а – до подачи тока на электроды, б – после подачи тока на электроды.
Способ осуществляют следующим образом.
В форму для изготовления изделия до начала или в процессе укладки бетонной смеси, дисперсно-армированной фибрами, устанавливают парные электроды (фиг.1). Электроды 1 располагают одиночно или группами в сечениях, в которых необходимо достигнуть минимального содержания дисперсной арматуры. К электродам подключают генератор импульсных токов, состоящий из трансформатора 2, выпрямителя переменного тока 3 и накопителя энергии 4. Трансформатор 2, подключенный к сети переменного тока напряжением 220…380 В, повышает напряжение до 1…5 кВ. После этого электроэнергия поступает на выпрямитель 3, где преобразуется в постоянный ток, который накапливается в накопителе энергии 4, представляющем собой блок конденсаторов, до энергии 0,2…5 кДж. Накопленная энергия подается на парные электроды 1, в результате чего в бетонной смеси 5 в стороны от электродов распространяется волна сжатия, которая перемещает дисперсную арматуру по вектору своего рассеивания.
Таким образом, путем подбора расположения групп парных электродов, величины накопленной энергии и частоты образования разрядов достигается большая концентрация дисперсной арматуры на участках изделия, в которых в процессе эксплуатации прогнозируется высокий уровень напряженно-деформированного состояния, что позволяет оптимально регулировать прочностные свойства всех сечений изделия.
Промышленная применимость. Изобретение можно использовать для изготовления монолитных и сборных бетонных и железобетонных изделий с применением дисперсно-армированных мелкозернистых и тяжелых бетонов.
Формула изобретения
Способ изготовления дисперсно-армированных бетонных изделий и конструкций, включающий подачу и укладку дисперсно-армированной смеси в форму, установку в форме парных электродов, подключенных к источнику электрического тока, воздействие током на указанную смесь, отличающийся тем, что указанную установку осуществляют до начала указанной укладки или в процессе ее, а воздействие током – подачей от источника постоянного электрического тока энергии величиной 0,2-5 кДж, располагая парные электроды одиночно или группами в тех сечениях, где необходимо достигнуть минимальное содержание дисперсной арматуры.
РИСУНКИ
MM4A – Досрочное прекращение действия патента СССР или патента Российской Федерации на изобретение из-за неуплаты в установленный срок пошлины за поддержание патента в силе
Дата прекращения действия патента: 10.08.2007
Извещение опубликовано: 10.04.2009 БИ: 10/2009
|
|