|
(21), (22) Заявка: 2005127583/03, 05.09.2005
(24) Дата начала отсчета срока действия патента:
05.09.2005
(46) Опубликовано: 10.04.2007
(56) Список документов, цитированных в отчете о поиске:
RU 2214866 C1, 27.10.2003. SU 1653236 A1, 20.09.1995. SU 1391711 A1, 30.04.1983. RU 2231390 C1, 27.06.2004. RU 2204441 C1, 20.05.2003. RU 2273522 C1, 10.04.2006. RU 2176158 C2, 27.11.2001. US 4523682 A, 18.06.1985. US 58003270 A, 08.09.1998. Акустическая технология в обогащении полезных ископаемых, под ред. ЯМЩИКОВА B.C., Москва, Недра, 1987, с.109-115.
Адрес для переписки:
125414, Москва, ул. Фестивальная, 73, корп.2, кв.131, С.А. Бахареву
|
(72) Автор(ы):
Бахарев Сергей Алексеевич (RU)
(73) Патентообладатель(и):
Бахарев Сергей Алексеевич (RU)
|
(54) СПОСОБ ПРОМЫВКИ ЗОЛОТОНОСНЫХ ПЕСКОВ ПРИ ИСПОЛЬЗОВАНИИ АКУСТИЧЕСКИХ ВОЛН
(57) Реферат:
Изобретение относится к области физики и может быть использовано при добыче полезных ископаемых (ПИ) для извлечении ПИ из техногенных отвалов прошлых лет и т.д., а также в интересах рационального природопользования, для безреагентной очистки сточных вод от взвешенных веществ (ВВ) в интересах экологии, а также для водоподготовки питьевой воды в интересах здоровья населения. В способе промывки золотоносных песков при использовании акустических волн осуществляют образование первичной и вторичной пульпы в процессе первичной и вторичной классификаций путем просеивания. Первичную классификацию осуществляют после дезинтеграции, а вторичную – после основного шлюза, на выходе которого производят естественное перемешивание первичной пульпы. На основном шлюзе промывочного прибора осуществляют непрерывное воздействие на первичную пульпу акустическими волнами при помощи размещенных по длине основного шлюза и ориентированных сверху вниз навстречу движущемуся потоку первичной пульпы акустических излучателей звукового и ультразвукового диапазонов частот. Дополнительно осуществляют периодическое, импульсное акустическое рыхление постелей основного и дополнительного шлюзов волнами звукового и ультразвукового диапазонов, а акустические излучатели располагают в воздушной среде с возможностью проникновения акустических волн в водную среду по всей площади основного и дополнительного шлюзов промывочного прибора. Технический результат – повышение извлечения полезного ископаемого, в том числе мелкодисперсных частиц, являющихся основными технологическими потерями, при наличии в породе глинистых и мерзлых фракций. 7 ил.
Изобретение относится к области физики и может быть использовано при добыче полезных ископаемых (ПИ): золота и др. для снижения технологических потерь при обогащении ПИ на шлюзовых промывочных приборах (ПП), особенно при промывке глинистых и мерзлых золотосодержащих песков, при наличии в золотосодержащих песках пластинчатого металла, для извлечения ПИ из техногенных отвалов прошлых лет и т.д. в интересах рационального природопользования, для очистки оборотных и сточных вод от взвешенных веществ в интересах экологи, а также для предварительной водоподготовки питьевой воды в интересах здоровья населения.
К недостаткам данного способа относятся:
1. Малый объем обрабатываемой породы.
2. Низкая эффективность способа из-за низкой скорости просева частиц.
3. Недостаточная эффективность улавливания мелкодисперсных частиц (МДЧ) ПИ.
4. Низкая эффективность дезинтеграции, особенно при промывке глинистой и мерзлой породы и др.
К недостаткам данного способа относятся:
1. Малый объем обрабатываемой породы.
2. Низкая эффективность способа из-за низкой скорости просева частиц.
3. Недостаточная эффективность улавливания МДЧ ПИ.
4. Недостаточная эффективность улавливания слабоокатанного металла, т.е. имеющего пластинчатую или чешуйчатую формы.
5. Низкая эффективность дезинтеграции, особенно при промывке глинистой и мерзлой породы и др.
Основными недостатками способа являются:
1. Недостаточная эффективность улавливания МДЧ ПИ.
2. Недостаточная эффективность извлечения пластинчатых крупнодисперсных (КДЧ) и среднедисперсных (СДЧ) частиц.
3. Недостаточная эффективность улавливания слабоокатанного металла, т.е. имеющего пластинчатую или чешуйчатую формы.
4. Низкая эффективность извлечения МДЧ, СДЧ и даже КДЧ при наличии в породе глинистых и мерзлых фракций и др.
Наиболее близким по технической сущности к заявляемому относится способ, выбранный в качестве способа-прототипа, промывки золотоносных песков при использовании акустических волн, включающий первичную дезинтеграцию с искусственным перемешиванием породы и орошением ее водой, образовании первичной пульпы и направлении ее на вход основного шлюза, имеющего постоянный угол своего наклона 1, извлечение КДЧ, СДЧ и МДЧ ПИ из породы на основном шлюзе промывочного прибора (ПП) в потоке первичной пульпы, имеющей скорость потока V1 и высоту потока H1, естественное перемешивание первичной пульпы, образование вторичной пульпы и направление ее на вход дополнительного шлюза, имеющего угол своего наклона 2< 1, извлечении СДЧ и МДЧ ПИ на дополнительном шлюзе в потоке вторичной пульпы, имеющей скорость потока V21 и высоту потока H21, воздействие на вторичную пульпу акустическими волнами звукового (ЗД) и ультразвукового (УЗД) диапазонов частот при помощи размещенных по длине дополнительного шлюза излучателей ЗД и УЗД диапазонов частот /Бахарев С.А. – Патент РФ №2214866 по заявке №2002105319, 26.02.02 г./.
Основными недостатками способа-прототипа являются:
1. Недостаточная эффективность извлечения СДЧ ПИ.
2. Низкая эффективность извлечения МДЧ ПИ.
3. Неполное извлечение КДЧ, СДЧ и МДЧ ПИ, являющихся технологическими потерями основного шлюза ПП, т.к. с его выхода на дополнительный шлюз направляется только часть первичной пульпы.
4. Низкая надежность способа из-за выхода из строй излучателей, расположенных на дне дополнительного шлюза ПП в потоке движущейся пульпы.
5. Недостаточная эффективность извлечения КДЧ, СДЧ и МДЧ ПИ при промывке породы, содержащей глинистые и мерзлые фракции.
Задача, которая решается изобретением, заключается в разработке способа, свободного от указанного выше недостатка.
Технический результат предложенного способа заключается в эффективном извлечении ПИ, в том числе МДЧ, являющихся основными технологическими потерями, в том числе при наличии в породе глинистых и мерзлых фракций.
Поставленная цель достигается тем, что в известном способе промывки золотоносных песков при использовании акустических волн, включающем первичную дезинтеграцию с искусственным перемешиванием породы и орошением ее водой, образовании первичной пульпы и направлении ее на вход основного шлюза, имеющего постоянный угол своего наклона 1, извлечение КДЧ, СДЧ и МДЧ ПИ из породы на основном шлюзе ПП в потоке первичной пульпы, имеющей скорость потока V1 и высоту потока H1, естественное перемешивание первичной пульпы, образование вторичной пульпы и направление ее на вход дополнительного шлюза, имеющего угол своего наклона 2< 1, извлечении СДЧ и МДЧ ПИ на дополнительном шлюзе в потоке вторичной пульпы, имеющей скорость потока V21 и высоту потока H21, воздействие на вторичную пульпу акустическими волнами ЗД и УЗД диапазонов частот при помощи размещенных по длине дополнительного шлюза излучателей ЗД и УЗД диапазонов частот, образование первичной и вторичной пульпы осуществляется в процессе первичной и вторичной классификаций путем просеивания, причем первичную классификацию осуществляют после дезинтеграции, а вторичную – после основного шлюза, на выходе которого производят естественное перемешивание первичной пульпы, при этом на основном шлюзе ПП осуществляют непрерывное воздействие на первичную пульпу акустическими волнами при помощи размещенных по длине основного шлюза и ориентированных сверху вниз навстречу движущемуся потоку первичной пульпы акустических излучателей ЗД и УЗД диапазонов частот, причем дополнительно осуществляют периодическое, импульсное акустическое рыхление постелей основного и дополнительного шлюзов волнами ЗД и УЗД диапазонов частот, а акустические излучатели располагают в воздушной среде с возможностью проникновения акустических волн в водную среду по всей площади основного и дополнительного шлюзов промывочного прибора.
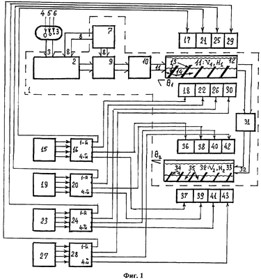
На фиг.1 и фиг.2 представлена структурная схема устройства, реализующего разработанный способ промывки золотоносных песков при использовании акустических волн.
Устройство содержит промывочный прибор (1) с приемным бункером (2), в который подается порода (3), содержащая КДЧ (4) размером «+1,0» мм, СДЧ (5) размером «-1,0+0,25» мм и МДЧ (6) частицы полезного ископаемого (золото и др.) размером «-0,25» мм, ороситель (7), через который на приемный бункер (2) и первичный дезинтегратор (9) подается вода (8), последовательно соединенные первичный дезинтегратор (9) и первичный класссификатор (10), первичную пульпу (11), имеющую скорость потока V1 и высоту потока H1, основной шлюз (12), имеющий постоянный угол своего наклона 1, а также содержащий на дне более высокие трафареты (13) и более высокую постель (14).
Кроме того, устройство содержит первый многоканальный (не менее 4-х каналов) генератор (15) ЗД частот Fзд1, первый многоканальный (не менее 4-х каналов) усилитель мощности (16) ЗД частот, подключенный своим первым входом к первому выходу генератора (15), а вторым входом – ко второму выходу генератора (15) и т.д., первый (17) и второй (18) акустические излучатели ЗД частот, подключенные к соответствующим выходам: первый излучатель – к первому выходу, второй – ко второму и т.д. усилителя мощности (20), установленные определенным образом на основном шлюзе (12) ПП (1); второй многоканальный (не менее 4-х каналов) генератор (23) ЗД частот Fзд2, второй многоканальный (не менее 4-х каналов) усилитель мощности (24) ЗД частот, подключенный своим первым входом к первому выходу генератора (23), а своим вторым входом – ко второму выходу генератора (23) и т.д., первый (25) и второй (26) акустические излучатели ЗД частот, подключенные к соответствующим выходам: первый излучатель к первому выходу, второй – ко второму и т.д. многоканального усилителя мощности (24) и установленные определенным образом на основном шлюзе (12) ПП (1); второй многоканальный (не менее 4-х каналов) генератор (27) УЗД Fузд2, второй многоканальный (не менее 4-х каналов) усилитель мощности (28) УЗД частот, подключенный своим первым входом к первому выходу генератора (27), а своим вторым входом – ко второму выходу генератора (27) и т.д., первый (29) и второй (30) акустические излучатели УЗД частот, подключенные к соответствующим выходам: первый излучатель к первому выходу, второй – ко второму и т.д. многоканального усилителя мощности (28) и установленные определенным образом на основном шлюзе (12) ПП (1).
Кроме того, устройство содержит вторичный классификатор (31), вторичную пульпу (32), имеющую скорость потока V2(V21) и высоту потока Н2(H21), дополнительный шлюз (33), имеющий постоянный угол своего наклона 2( 2< 1), а также содержащий на своем дне менее глубокие трафареты (34) и менее глубокую постель (35); третий (36) и четвертый (37) акустические излучатели ЗД частот, подключенные к соответствующим выходам: третий излучатель к третьему выходу, четвертый – к четвертому и т.д. усилителя мощности (16) и установленные определенным образом на дополнительном шлюзе (33) ПП; третий (38) и четвертый (39) акустические излучатели УЗД частот, подключенные к соответствующим выходам: третий излучатель к третьему выходу, четвертый – к четвертому и т.д. усилителя мощности (20) и установленные определенным образом на дополнительном шлюзе (33) ПП (1); третий (40) и четвертый (41) акустические излучатели ЗД частот, подключенные к соответствующим выходам: третий излучатель к третьему выходу, четвертый – к четвертому и т.д. усилителя мощности (24) и установленные определенным образом на дополнительном шлюзе (33) ПП (1); третий (42) и четвертый (43) акустические излучатели УЗД частот, подключенные к соответствующим выходам: третий излучатель к третьему выходу, четвертый – к четвертому и т.д. усилителя мощности (28) и установленные определенным образом на дополнительном шлюзе (33) ПП (1).
Способ реализуется следующим образом (фиг.1, фиг.2, 3).
В приемный бункер (2) ПП (1) подается порода (3), содержащая КДЧ (4), СДЧ (5) и МДЧ (6) ПИ, а из оросителя (7) – вода (8). В первичном дезинтеграторе (9) осуществляется первичное отделение КДЧ, СДЧ и МДЧ ПИ от породы путем ее искусственного перемешивания и орошения водой (8), а в первичном классификаторе (10) осуществляется первичная классификация породы (например, по классу «-40» мм) путем ее просеивания. При этом образуется первичная пульпа (11), имеющая скорость потока V1 и высоту потока H1, которая направляется на вход основного шлюза (12), имеющего постоянный угол своего наклона 1, а также содержащего на своем дне более высокие трафареты (13) и более высокую постель (14) – осевшие мелкие фракции породы, расположенные между трафаретами (13).
С помощью первого многоканального (не менее 4-х каналов) генератора (15) ЗД частот осуществляется формирование сигнала на частоте Fзд1. В первом многоканальном (не менее 4-х каналов) усилителе мощности (16) ЗД частот, подключенном своим первым входом к первому выходу генератора (15), а своим вторым входом ко второму выходу генератора (15) и т.д., осуществляется усиление данного сигнала до необходимого уровня. При помощи первого (17) и второго (18) акустических излучателей ЗД частот, подключенных к соответствующим выходам: первый излучатель к первому выходу, второй – ко второму и т.д. многоканального усилителя мощности (16) ЗД частот и установленных определенным образом на основном шлюзе (12) ПП (1), осуществляется непрерывное направленное навстречу движущейся первичной пульпе (11) и сверху вниз излучение акустических волн на частоте Fзд1.
Одновременно с этим, с помощью первого многоканального (не менее 4-х каналов) генератора (19) УЗД частот осуществляется формирование сигнала на частоте Fузд1. В первом многоканальном (не менее 4-х каналов) усилителе мощности (20) УЗД частот, подключенном своим первым входом к первому выходу генератора (19), а вторым входом – ко второму выходу генератора (19) и т.д., осуществляется усиление данного сигнала до необходимого уровня. При помощи первого (21) и второго (22) акустических излучателей УЗД частот, подключенных к соответствующим выходам: первый излучатель к первому выходу, второй – ко второму и т.д., многоканального усилителя мощности (20) УЗД частот и установленных определенным образом на основном шлюзе (12) ПП (1), осуществляется непрерывное и направленное, а также навстречу и сверху вниз движущейся пульпе (11) излучение акустических волн на частоте Fузд1.
Одновременно с этим с помощью второго многоканального (не менее 4-х каналов) генератора (23) ЗД частот осуществляется формирование импульсного сигнала на частоте Fзд2. Во втором многоканальном (не менее 4-х каналов) усилителе мощности (24) ЗД частот, подключенном своим первым входом к первому выходу генератора (23), а своим вторым входом ко второму выходу генератора (23) и т.д., осуществляется усиление данного сигнала до необходимого уровня. При помощи первого (25) и второго (26) акустических излучателей ЗД частот, подключенных к соответствующим выходам: первый излучатель к первому выходу, второй – ко второму и т.д. многоканального усилителя мощности (24) и установленных определенным образом на основном шлюзе (12) ПП (1), осуществляется импульсное излучение из воздушной среды в водную среду по всей площади основного шлюза (12) акустических волн на частоте Fзд2.
Одновременно с этим, с помощью второго многоканального (не менее 4-х каналов) генератора (27) УЗД частот осуществляется формирование импульсного сигнала на частоте Fузд2. Во втором многоканальном (не менее 4-х каналов) усилителе мощности (28) УЗД частот, подключенном своим первым входом к первому выходу генератора (27), а своим вторым входом ко второму выходу генератора (27) и т.д., осуществляется усиление данного сигнала до необходимого уровня. При помощи первого (29) и второго (30) акустических излучателей УЗД частот, подключенных к соответствующим выходам: первый излучатель к первому выходу, второй – ко второму и т.д. многоканального усилителя мощности (28) и установленных определенным образом на основном шлюзе (12) ПП (1), осуществляется импульсное излучение из воздушной среды в водную среду по всей площади основного шлюза (12) акустических волн на частоте Fузд2.
В движущейся пульпе (11), имеющей скорость потока V1 и высоту потока H1, под воздействием гидродинамической силы U и силы тяжести G1 для КДЧ, СДЧ и МДЧ (Gкдч, Gсдч, и Gмдч), а также акустических волн ЗД и УЗД при непрерывном и импульсном режимах их излучения происходит скопление осевших мелких фракций породы (3) в углублениях трафаретов (13) основного шлюза (12) и нахождение их, под действием турбулентных потоков, а также акустических волн ЗД и УЗД частот при их импульсном излучении в состоянии разрыхления. Таким образом, формируется и поддерживается в оптимальном состоянии постель (14) основного шлюза (12) ПП (1).
При этом не допускается накопление в углублениях трафаретов (13) тяжелых минералов (шлихов), повышающих эффективную плотность постели (14) и не позволяющих проникать в нее МДЧ (6), СДЧ (5) и КДЧ (4) ПИ, а также исключается уплотнение постели (14) в случае временных остановок процесса обогащения;
– уменьшение скорости движения КДЧ (4), СДЧ (5) и МДЧ (6) в потоке пульпы (11), а также их прижатие к разрыхленной постели (14) основного шлюза (12) ПП (1) под действием акустических волн ЗД и УЗД частот при их непрерывном излучении сверху вниз и навстречу движущемуся потоку пульпы (11). В этом случае даже тонкие (пластинчатые) частицы ПИ эффективно проникают в постель (14) и не выносятся из нее восходящими потоками.
Таким образом, на основном шлюзе (12) ПП (1) осуществляется полное – 100% извлечение КДЧ (4), практически полное – более 95% извлечение СДЧ (5) и значительное – 25…50% извлечение МДЧ (6), в том числе при наличии глинистых и мерзлых фракций породы (3).
На выходе основного шлюза (12) первичная пульпа (11) перемешивается естественном образом (за счет уменьшения ширины потока и возрастания высоты потока, перепада высот между шлюзами и т.д.) и поступает на вторичный классификатор (31), в котором осуществляется вторичная классификация породы (например, по классу «-10» мм) путем ее просеивания. При этом образуется вторичная пульпа (32), имеющая скорость потока V2 (V21) и высоту потока Н2 (H21), которая направляется на вход дополнительного шлюза (33), имеющего постоянный угол своего наклона 2 ( 2< 1), а также содержащего на своем дне менее глубокие трафареты (34) и менее глубокую постель (35) – осевшие мелкие фракции породы (3), расположенные между трафаретами (13).
При помощи третьего (36) и четвертого (37) акустических излучателей ЗД частот, подключенных к соответствующим выходам: третий излучатель к третьему выходу, четвертый – к четвертому и т.д. многоканального усилителя мощности ЗД частот (16) и установленных определенным образом на дополнительном шлюзе (33) ПП (1), осуществляется непрерывное и направленное сверху вниз и навстречу движущейся вторичной пульпе (32) излучение акустических волн на частоте Fзд1.
Одновременно с этим, при помощи третьего (38) и четвертого (39) акустических излучателей УЗД частот, подключенных к соответствующим выходам: третий излучатель к третьему выходу, четвертый – к четвертому и т.д. многоканального усилителя мощности УЗД частот (20) и установленных определенным образом на дополнительном (33) ПП (1), осуществляется непрерывное и направленное сверху вниз и навстречу движущейся вторичной пульпе (32) излучение акустических волн на частоте Fузд1.
Одновременно с этим, при помощи третьего (40) и четвертого (41) акустических излучателей ЗД частот, подключенных к соответствующим выходам: третий излучатель к третьему выходу, четвертый – к четвертому и т.д. многоканального усилителя мощности (24) и установленных определенным образом на дополнительном шлюзе (33) ПП прибора (1), осуществляется импульсное излучение из воздушной среды в водную среду по всей площади дополнительного шлюза (33) акустических волн на частоте Fзд2.
Одновременно с этим, при помощи третьего (42) и четвертого (43) акустических излучателей УЗД частот, подключенных к соответствующим выходам: третий излучатель к третьему выходу, четвертый – к четвертому и т.д. многоканального усилителя мощности (28) и установленных определенным образом на дополнительном шлюзе (33) ПП (1), осуществляется импульсное излучение из воздушной среды в водную среду по всей площади дополнительного шлюза (33) акустических волн на частоте Fузд2.
В движущейся вторичной пульпе (32), имеющей скорость потока V2 (V21) и высоту потока Н2 (H21), под воздействием гидродинамической – осуществляется вторичная классификация пульпы;
– осуществляется периодическое акустическое рыхление постелей основного и дополнительного шлюзов ПП.
2. Повышение эффективности извлечения МДЧ достигается за счет того, что:
– на дополнительный шлюз поступает вся первичная пульпа;
– осуществляется вторичная классификация пульпы;
– используются акустические волны ЗД и УЗД частот, которые проникают из воздушной среды в водную среду по всей площади основного и дополнительного шлюзов ПП, тормозят и прижимают к постелям шлюзов МДЧ ПИ;
– осуществляется периодическое акустическое рыхление постелей основного и дополнительного шлюзов ПП.
3. Полное извлечение КДЧ, СДЧ и МДЧ ПИ, являющихся технологическими потерями основного шлюза ПП, достигается за счет того, что:
– более эффективно извлекаются КДЧ, СДЧ и МДЧ уже на основном шлюзе;
– на дополнительный шлюз поступает вся первичная пульпа;
– осуществляется вторичная классификация пульпы;
– используются акустические волны ЗД и УЗД частот, которые проникают из воздушной среды в водную среду по всей площади основного и дополнительного шлюзов ПП, тормозят и прижимают к постелям шлюзов КДЧ, СДЧ и МДЧ ПИ;
– осуществляется периодическое акустическое рыхление постелей основного и дополнительного шлюзов ПП.
4. Повышение надежности способа достигается за счет того, что используются акустические излучатели ЗД и УЗД частот, расположенные в воздушном слое, а не на дне дополнительного шлюза ПП в потоке движущейся пульпы.
5. Повышение эффективность извлечения КДЧ, СДЧ и МДЧ ПИ при промывке породы, содержащей глинистые и мерзлые фракции, достигается за счет того, что: силы U и силы тяжести G1 для СДЧ и ВДЧ (Gсдч и Gмдч), а также акустических волн ЗД и УЗД при непрерывном и импульсном режимах их излучения, происходит:
– скопление осевших мелких фракций породы в углублениях более мелких трафаретов (34) дополнительного шлюза (33) и нахождение их, под действием турбулентных потоков, а также акустических волн ЗД и УЗД частот при их импульсном излучении в состоянии разрыхления. Таким образом, формируется и поддерживается в оптимальном состоянии постель (35) дополнительного шлюза (33) ПП (1). При этом не допускается накопление в углублениях трафаретов (34) тяжелых минералов (шлихов), повышающих эффективную плотность постели (35) и не позволяющих проникать в нее МДЧ и СДЧ ПИ, а также исключается уплотнения постели (35) в случае временных остановок процесса обогащения;
– уменьшение скорости движения СДЧ и МДЧ в потоке вторичной пульпы (32), а также их прижатие к разрыхленной постели (35) дополнительного шлюза (33) ПП (1) под действием акустических волн ЗД и УЗД частот при их непрерывном излучении сверху вниз и навстречу движущемуся потоку вторичной пульпы (32). В этом случае даже тонкие (чешуйчатые, пластинчатые) СДЧ и МДЧ ПИ эффективно приникают через слой первичной концентрации в постель (35) и не выносятся из нее восходящими потоками.
Таким образом, на дополнительном шлюзе (33) ПП (1) осуществляется полное извлечение СДЧ (6) и практически полное извлечение МДЧ (6), в том числе при наличии глинистых и мерзлых фракций породы (3).
1. Повышение эффективности извлечения СДЧ достигается за счет того, что:
– на дополнительный шлюз поступает вся первичная пульпа;
– используются акустические волны ЗД и УЗД частот, которые проникают из воздушной среды в водную среду по всей площади основного и дополнительного шлюзов ПП, тормозят и прижимают к постелям шлюзов СДЧ ПИ;
– используются акустические волны ЗД и УЗД частот, которые проникают из воздушной среды в водную среду по всей площади основного и дополнительного шлюзов ПП, дезинтегрируют ПИ от породы, тормозят и прижимают к постелям шлюзов КДЧ, СДЧ и МДЧ ПИ;
– осуществляется вторичная классификация пульпы;
– осуществляется периодическое акустическое рыхление постелей основного и дополнительного шлюзов ПП.
Отличительные признаки заявляемого способа
1. В качестве волн используются акустические волны ЗД и УЗД частот. При этом акустические волны проникают из воздушной среды в водную среду по всей площади основного и дополнительного шлюзов ПП, тормозят и прижимают КДЧ, СДЧ и МДЧ ПИ к постелям шлюзов.
2. Вместо практически полного извлечения КДЧ, недостаточно полного извлечения СДЧ и незначительного извлечения МКД на основном шлюзе ПП осуществляется полное извлечение КДЧ, практически полное извлечение СДЧ и значительное извлечение МДЧ.
3. Вместо практически полного извлечения СДЧ и значительного извлечения МДЧ на дополнительном шлюзе ПП осуществляется полное извлечение СДЧ и практически полное извлечение МДЧ.
4. Дополнительно осуществляется периодическое, определяемое периодом следования импульсов, акустическое рыхление постелей основного и дополнительного шлюзов ПП.
Наличие отличительных от прототипа признаков позволяет сделать вывод о соответствии заявляемого способа критерию “новизна”.
Анализ известных технических решений с целью обнаружения в них указанных отличительных признаков показал следующее.
Признаки 1 и 2 являются новыми и неизвестно их использование для эффективного извлечения ПИ (в том числе МДЧ), являющихся основными технологическими потерями ПП, в том числе при наличии глинистых и мерзлых фракций породы.
Признаки 3 и 4 является известным, однако неизвестно их использование для эффективного извлечения ПИ, являющихся основными технологическими потерями ПП, в том числе, при наличии глинистых и мерзлых фракций породы.
Таким образом, наличие новых существенных признаков, в совокупности с известными, обеспечивает появление у заявляемого решения нового свойства, не совпадающего со свойствами известных технических решений – эффективно извлекать ПИ, в том числе МДЧ, являющихся основными технологическими потерями ПП, в том числе при наличии глинистых и мерзлых фракций породы.
В данном случае мы имеем новую совокупность признаков и их новую взаимосвязь, причем не простое объединение новых признаков и уже известных, а именно выполнение операций в предложенной последовательности и приводит к качественно новому эффекту.
Данное обстоятельство позволяет сделать вывод о соответствии разработанного способа критерию “существенные отличия”.
Пример реализации способа.
Промышленные испытания разработанного способа производились в 2004, 2004 гг. на одном из участков ЗАО «Корякгеолдобыча» (п-ов Камчатка) при добыче россыпной платины, в том числе из техногенных отвалов прошлых лет. В качестве базовой модели использовался ПП типа «ПБШ-40» с 2-х секционным шлюзом и первичным классификатором «-40» мм, а также специально изготовленная шлюзовая приставка на базе 3-секционного шлюза ПП типа ПКБШ-100 со вторичным классификатором «-10» мм. Параметры основного шлюза ПП: ширина 1,4 м, высота 0,6 м, длина 9 м. Параметры дополнительного шлюза: длина 6 м, ширина 2,1 м, высота 0,4 м.
На фиг.4 иллюстрируются физические процессы, происходящие в основном шлюзе (12) ПП (1) только под воздействием гравитационной и гидродинамической сил (способ-прототип). На фиг.5 иллюстрируются физические процессы, происходящие в основном шлюзе ПП под воздействием гравитационной и гидродинамической сил, а также под воздействием акустических волн ЗД и УЗД частот Fзд1 и Fузд1 (разработанный способ).
Как видно из фиг.4, гидродинамической силы U и силы тяжести G1 для КДЧ, СДЧ и МДЧ (Gкдч, Gсдч и Gмдч) недостаточно для того, чтобы указанные выше частицы ПИ эффективно проникли в постель (14) основного шлюза (12) ПП (1) и часть ПИ, в том числе даже и КДЧ (4) в виде технологических потерь сносится в отвал.
В то время как при реализации разработанного способа (фиг.5) под воздействием акустических волн ЗД и УЗД частот КДЧ, СДЧ и МДЧ ПИ тормозятся в движущемся потоке пульпы (11), прижимаются к постели (14) основного шлюза (12) ПП (1) и удерживаются в ней. Таким образом, доля сносимых с основного шлюза ПП в отвал частиц ПИ существенно снижается.
На фиг.6 представлены усредненные результаты промышленных испытаний разработанного способа (гистограммы с черным верхом) и способа-прототипа (гистограммы с белым верхом) при ежесуточных извлечениях КДЧ (ряд гистограмм с индексом «а»), СДЧ (ряд гистограмм с индексом «в») и МДЧ (ряд гистограмм с индексом «с») ПИ из среднепромывистых песков (отсутствие в них глины и мерзлых комков породы).
Как видно из фиг.6, при реализации разработанного способа средний ежесуточный выигрыш по извлечению ПИ составил 790 г, или 43,4% от общей массы извлеченного ПИ. При этом основной вклад в указанный выше выигрыш внесли СДЧ (410 г) и МДЧ (320 г) ПИ. Доля дополнительно извлеченных КДЧ оказалась невелика: 60 г (7,6%), что хорошо согласуется с теорией и не противоречит практике золотодобычи.
На фиг.7 представлены усредненные данные технологических потерь КДЧ, СДЧ и МДЧ ПИ у разработанного способа (гистограммы с черным верхом) и способа-прототипа (гистограммы с белым верхом) при промывке породы, содержащей глинистые и мерзлые фракции (ряд гистограмм с индексом «а»), глинистые фракции (ряд гистограмм с индексом «в») и не содержащей глинистые и мерзлые фракции (ряд гистограмм с индексом «с»).
Как видно из фиг.7, при реализации разработанного способа уровень потерь уменьшен по сравнению со способом-прототипом в 3 раза (с 52% до 17%) при промывке породы, содержащей глинистые и мерзлые фракции, в 2 раза (с 25% до 12%) при промывке породы, содержащей глинистые фракции и в 2 раза (с 7% до 3%) при промывке породы, не содержащей глинистые и мерзлые фракции.
1. Повышение эффективности извлечения СДЧ достигнуто за счет того, что:
– на дополнительный шлюз поступала вся первичная пульпа, а не только ее нижняя часть, как в способе-прототипе;
– использовались акустические волны ЗД и УЗД частот, которые проникали из воздушной среды в водную среду по всей площади основного и дополнительного шлюзов ПП, тормозили и прижимали к постелям шлюзов СДЧ ПИ;
– осуществлялась вторичная классификация пульпы;
– осуществлялось периодическое акустическое рыхление постелей основного и дополнительного шлюзов ПП.
2. Повышение эффективности извлечения МДЧ достигнуто за счет того, что:
– на дополнительный шлюз поступала вся первичная пульпа;
– осуществлялась вторичная классификация пульпы;
– использовались акустические волны ЗД и УЗД частот, которые проникали из воздушной среды в водную среду по всей площади основного и дополнительного шлюзов ПП, тормозили и прижимали к постелям шлюзов МДЧ ПИ;
– осуществлялось периодическое акустическое рыхление постелей основного и дополнительного шлюзов ПП.
3. Полное извлечение КДЧ, СДЧ и МДЧ ПИ, являющихся технологическими потерями основного шлюза ПП, достигнуто за счет того, что:
– более эффективно извлекались КДЧ, СДЧ и МДЧ уже на основном шлюзе;
– на дополнительный шлюз поступала вся первичная пульпа;
– осуществлялась вторичная классификация пульпы;
– использовались акустические волны ЗД и УЗД частот, которые проникали из воздушной среды в водную среду по всей площади основного и дополнительного шлюзов ПП, тормозили и прижимали к постелям шлюзов КДЧ, СДЧ и МДЧ ПИ;
– осуществлялось периодическое акустическое рыхление постелей основного и дополнительного шлюзов ПП.
4. Повышение надежности способа достигнуто за счет того, что использовались акустические излучатели ЗД и УЗД частот, расположенные в воздушном слое, а не на дне дополнительного шлюза ПП в потоке движущейся пульпы, как в способе-прототипе.
5. Повышение эффективности извлечения КДЧ, СДЧ и МДЧ ПИ при промывке породы, содержащей глинистые и мерзлые фракции, достигнуто за счет того, что:
– использовались акустические волны ЗД и УЗД частот, которые проникали из воздушной среды в водную среду по всей площади основного и дополнительного шлюзов ПП, дезинтегрировали ПИ от породы, тормозили и прижимали к постелям шлюзов КДЧ, СДЧ и МДЧ ПИ;
– осуществлялась вторичная классификация пульпы;
– осуществлялось периодическое акустическое рыхление постелей основного и дополнительного шлюзов ПП.
Формула изобретения
Способ промывки золотоносных песков при использовании акустических волн, включающий первичную дезинтеграцию с искусственным перемешиванием породы и орошением ее водой, образование первичной пульпы и направление ее на вход основного шлюза, имеющего постоянный угол наклона 1, извлечение крупнодисперсных, среднедисперсных и мелкодисперсных частиц полезного ископаемого из породы на основном шлюзе промывочного прибора в потоке первичной пульпы, имеющей скорость потока V1 и высоту потока H1, естественное перемешивание первичной пульпы, образование вторичной пульпы и направление ее на вход дополнительного шлюза, имеющего угол своего наклона 2< 1, извлечение среднедисперсных и мелкодисперсных частиц полезного ископаемого на дополнительном шлюзе в потоке вторичной пульпы, имеющей скорость потока V21 и высоту потока H21, воздействие на вторичную пульпу акустическими волнами звукового и ультразвукового диапазонов частот при помощи размещенных по длине дополнительного шлюза излучателей звукового и ультразвукового диапазонов частот, отличающийся тем, что образование первичной и вторичной пульп осуществляют в процессе первичной и вторичной классификаций путем просеивания, причем первичную классификацию осуществляют после дезинтеграции, а вторичную после основного шлюза, на выходе которого производят естественное перемешивание первичной пульпы, при этом на основном шлюзе промывочного прибора осуществляют непрерывное воздействие на первичную пульпу акустическими волнами при помощи размещенных по длине основного шлюза и ориентированных сверху вниз навстречу движущемуся потоку первичной пульпы акустических излучателей звукового и ультразвукового диапазонов частот, причем дополнительно осуществляют периодическое импульсное акустическое рыхление постелей основного и дополнительного шлюзов волнами звукового и ультразвукового диапазонов, а акустические излучатели располагают в воздушной среде с возможностью проникновения акустических волн в водную среду по всей площади основного и дополнительного шлюзов промывочного прибора.
РИСУНКИ
|