|
|
(21), (22) Заявка: 2005134262/12, 08.11.2005
(24) Дата начала отсчета срока действия патента:
08.11.2005
(46) Опубликовано: 10.04.2007
(56) Список документов, цитированных в отчете о поиске:
RU 2229155 C1, 20.05.2004. SU 1690639 A1, 15.11.1991. SU 1762829 A2, 23.09.1992. SU 812250 A, 15.03.1981. RU 2132610 C1, 10.07.1999.
Адрес для переписки:
109456, Москва, 1-й Вешняковский пр-д, 2, ГНУ ВИЭСХ, О.В. Голубевой
|
(72) Автор(ы):
Дубровин Александр Владимирович (RU), Краусп Валентин Робертович (RU), Шевцов Василий Викторович (RU), Борисов Владимир Валерьевич (RU)
(73) Патентообладатель(и):
Государственное научное учреждение Всероссийский научно-исследовательский институт электрификации сельского хозяйства (ГНУ ВИЭСХ) (RU)
|
(54) СПОСОБ УПРАВЛЕНИЯ ЭКОНОМИЧНЫМ ОБОГРЕВОМ В ЖИВОТНОВОДСТВЕ И ПТИЦЕВОДСТВЕ И УСТРОЙСТВО ДЛЯ ЕГО ОСУЩЕСТВЛЕНИЯ
(57) Реферат:
Способ включает измерение и задание величины ощущаемой животными и птицей температуры помещения, сравнение измеренной и заданной величин, регулирование режима обогрева по результатам сравнения, измерение величин температур и относительных влажностей внутреннего воздуха в помещении и наружного воздуха, причем потери тепловой энергии помещением вычисляют в зависимости от измеренных величин температур и относительных влажностей наружного и внутреннего воздуха в помещении. Измеряют расход корма, формируют сигнал величины ощущаемой температуры помещения, периодически изменяют сигнал сформированной величины ощущаемой температуры помещения в диапазоне между технологически допустимыми наименьшим и наибольшим ее заданными значениями. В зависимости от значения изменяемого сигнала сформированной величины ощущаемой температуры помещения и от измеренного расхода корма вычисляют стоимость продукции данной партии животных или птицы. Стоимость затрат энергии на обогрев вычисляют в зависимости от значения изменяемого сигнала сформированной величины ощущаемой температуры помещения. Стоимость затрат на корм вычисляют в зависимости от измеренного расхода корма, затем вычисляют первую разность между стоимостью продукции и суммой стоимостей затрат энергии на обогрев и затрат корма в качестве показателя прибыли в диапазоне между технологически допустимыми наименьшим и наибольшим заданными значениями сигнала сформированной величины ощущаемой температуры помещения. Определяют наибольшее значение этой первой разности в качестве значения наивысшей прибыли и соответствующий ему сигнал сформированной величины ощущаемой температуры помещения. Определяют второе значение этой разности в качестве нормативной прибыли при нормативном значении ощущаемой температуры технологического режима наивысшей продуктивности поголовья, вычитают из первой разности стоимостей ее второе значение и получают третью разность стоимостей в виде показателя прироста прибыли, вычитают из наибольшего значения первой разности стоимостей ее второе значение и получают наибольшее значение третьей разности стоимостей в виде значения наивысшего прироста прибыли и соответствующий ему сигнал сформированной величины ощущаемой температуры помещения. Соответствующие значениям наивысшей прибыли и наивысшего прироста прибыли сигналы сформированной величины ощущаемой температуры помещения равны между собой, сравнивают соответствующий наибольшему значению первой или второй разности сигнал сформированной величины ощущаемой температуры помещения с измеренной величиной ощущаемой температуры помещения. По результату сравнения корректируют режим обогрева сельскохозяйственного молодняка и животноводческого или птицеводческого помещения. Устройство содержит датчик ощущаемой температуры в зоне локального обогрева, датчики температуры наружного воздуха и внутреннего воздуха в помещении, датчики относительной влажности наружного и внутреннего воздуха, вычислительный блок, блок управления, регулятор температуры, обогреватели, причем выход датчика ощущаемой температуры помещения соединен с первым входом вычислительного блока и с управляющим первым входом регулятора температуры, выход которого соединен с обогревателями, причем выходы датчиков температуры наружного воздуха и внутреннего воздуха в помещении подключены соответственно ко второму и к третьему входам вычислительного блока, выходы датчиков относительной влажности наружного и внутреннего воздуха соединены соответственно с четвертым и с пятым входами вычислительного блока, своим выходом связанного с входом блока управления. Имеется датчик расхода корма, выход которого соединен с шестым входом вычислительного блока. Устройство содержит блок задатчиков возраста поголовья, технологически допустимых наименьшего и наибольшего заданных значений ощущаемой температуры помещения, времени опроса, сигнала сформированной величины ощущаемой температуры помещения и констант, выходы которого подключены к соответствующим дополнительным входам вычислительного блока. Выход блока управления соединен с задающим вторым входом регулятора температуры. Обеспечивается точная экономическая оптимизация технологического режима обогрева помещения. 2 н.п. ф-лы, 3 ил.
Изобретение относится к области сельского хозяйства, к технологиям локального обогрева сельскохозяйственного молодняка и общего обогрева животноводческих и птицеводческих помещений, и может быть использовано в отраслях промышленного животноводства и птицеводства.
Недостатком данного технического решения является необходимость отдельного от регулирования локального обогрева управления температурным режимом общего обогрева помещения, что существенно усложняет технические решения.
Причиной этого являются требования норм технологического проектирования (например, птицеводческих предприятий) по поддержанию температурного режима отдельно в зоне локального обогрева молодняка (под брудером) и отдельно в остальном помещении.
В настоящее время в сельскохозяйственное производство, в частности в птицеводство, активно внедряются достаточно известные в биоклиматологии человека лучистые системы обогрева помещений. На потолке помещения устанавливается низкотемпературная электрическая излучательная инфракрасная панель большой площади или высокотемпературные облучатели всей поверхности пола этого помещения. Таким образом, условия теплового комфорта определяются в основном режимом лучистого обогрева и от температурного фона помещения только по величине температуры воздушной среды практически не зависят. Применение в качестве энергоносителя для таких систем лучистого обогрева недорогого природного газа существенно снижает стоимость энергетических затрат на создание требуемого температурного режима именно для биологических объектов.
Производственные помещения сельскохозяйственного назначения характеризуются значительными габаритными размерами и их относительно невысокой теплозащитой, поэтому энергетические затраты и соответственно эксплуатационные расходы даже на весьма технологичный лучистый обогрев помещений и сельскохозяйственного молодняка, особенно в холодных климатических зонах страны, чрезвычайно велики.
Другим недостатком данного технического решения является отсутствие учета в реальном времени отклонений от нормативного потребления животными корма, кормов или кормовых смесей (кормосмесей), что заметно влияет на продуктивность поголовья. При этом также существенно изменяются эксплуатационные затраты, поскольку стоимость кормов в промышленном животноводстве и птицеводстве составляет 70…80% всей себестоимости продукции.
Причиной этого является принятое пока в настоящее время кормление молодняка «вволю», например цыплят при технологии напольного содержания, без дозирования корма, как это установлено технологией кормления птицы старшего возраста, например кур-несушек.
При этом уже в настоящее время в сельскохозяйственное производство, в частности в птицеводство, активно внедряются средства механизированной раздачи корма также малых возрастов, например цыплятам-бройлерам и ремонтному молодняку родительского стада кур, с контролем массы израсходованного корма в реальном времени.
В производственных помещениях сельскохозяйственного назначения, например в промышленных птичниках, одновременно выращиваются или содержатся до нескольких десятков тысяч птиц, поэтому даже незначительное изменение стоимости потребленного корма достигает больших значений и по стоимости сопоставимо с другими составляющими издержек производства. Поэтому учет расходуемого в реальном времени корма также необходим.
Задачей изобретения являются непрерывные в реальном времени автоматизированный поиск положения экономического баланса между суммой стоимостей эксплуатационных энергетических затрат на обогрев и на кормление сельскохозяйственных животных или птиц и расчетной ценой реализованной продукции, достижение экономически оптимального и энергетически рационального режима обогрева животноводческого или птицеводческого помещения и сельскохозяйственных животных и птиц, получение наивысшего значения экономического критерия прироста прибыли при автоматизированном управлении обогревом.
В результате использования изобретения устанавливается такое значение ощущаемой животным или птицей температуры помещения, при котором обеспечивается наивысший на данный момент времени прирост прибыли от действия кормления животных или птиц и обогрева сельскохозяйственного молодняка и производственного помещения.
Вышеуказанный технический результат достигается способом управления экономичным обогревом в животноводстве и птицеводстве, включающим в себя измерение и задание величины ощущаемой животными и птицей температуры помещения, сравнение измеренной и заданной величин, регулирование режима обогрева по результату сравнения, измерение величин температур и относительных влажностей внутреннего воздуха в помещении и наружного воздуха, причем потери тепловой энергии помещением вычисляют в зависимости от измеренных величин температур и относительных влажностей наружного и внутреннего воздуха в помещении, при этом измеряют расход корма, формируют сигнал величины ощущаемой температуры помещения, периодически изменяют сигнал сформированной величины ощущаемой температуры помещения в диапазоне между технологически допустимыми наименьшим и наибольшим ее заданными значениями, причем в зависимости от значения изменяемого сигнала сформированной величины ощущаемой температуры помещения и от измеренного расхода корма вычисляют стоимость продукции данной партии животных или птицы, при этом стоимость затрат энергии на обогрев вычисляют в зависимости от значения изменяемого сигнала сформированной величины ощущаемой температуры помещения, стоимость затрат на корм вычисляют в зависимости от измеренного расхода корма, затем вычисляют первую разность между стоимостью продукции и суммой стоимостей затрат энергии на обогрев и затрат корма в качестве показателя прибыли в диапазоне между технологически допустимыми наименьшим и наибольшим заданными значениями сигнала сформированной величины ощущаемой температуры помещения, определяют наибольшее значение этой первой разности в качестве значения наивысшей прибыли и соответствующий ему сигнал сформированной величины ощущаемой температуры помещения, определяют второе значение этой разности в качестве нормативной прибыли при нормативном значении ощущаемой температуры технологического режима наивысшей продуктивности поголовья, вычитают из первой разности стоимостей ее второе значение и получают третью разность стоимостей в виде показателя прироста прибыли, вычитают из наибольшего значения первой разности стоимостей ее второе значение и получают наибольшее значение третьей разности стоимостей в виде значения наивысшего прироста прибыли и соответствующий ему сигнал сформированной величины ощущаемой температуры помещения, причем соответствующие значениям наивысшей прибыли и наивысшего прироста прибыли сигналы сформированной величины ощущаемой температуры помещения равны между собой, сравнивают соответствующий наибольшему значению первой или второй разности сигнал сформированной величины ощущаемой температуры помещения с измеренной величиной ощущаемой температуры помещения и по результату сравнения корректируют режим обогрева сельскохозяйственного молодняка и животноводческого или птицеводческого помещения.
Технический результат достигается также тем, что в устройство управления экономичным обогревом в животноводстве и птицеводстве, содержащее датчик ощущаемой температуры помещения, датчики температуры наружного воздуха и внутреннего воздуха в помещении, датчики относительной влажности наружного и внутреннего воздуха, вычислительный блок, блок управления, регулятор температуры, обогреватели, причем выход датчика ощущаемой температуры помещения соединен с первым входом вычислительного блока и с управляющим первым входом регулятора температуры, выход которого соединен с обогревателями, причем выходы датчиков температуры наружного воздуха и внутреннего воздуха в помещении подключены соответственно ко второму и к третьему входам вычислительного блока, выходы датчиков относительной влажности наружного и внутреннего воздуха соединены соответственно с четвертым и с пятым входами вычислительного блока, своим выходом связанного с входом блока управления, дополнительно введен датчик расхода корма, выход которого соединен с шестым входом вычислительного блока, при этом оно содержит блок задатчиков возраста поголовья, технологически допустимых наименьшего и наибольшего заданных значений ощущаемой температуры помещения, времени опроса, сигнала сформированной величины ощущаемой температуры помещения и констант, выходы которого подключены к соответствующим дополнительным входам вычислительного блока, выход блока управления соединен с задающим вторым входом регулятора температуры.
Сущность предлагаемого изобретения поясняется примером.
Задача оптимизации микроклимата помещения для выращивания бройлеров в клеточных батареях с учетом расхода энергии на отопление птичника для достижения максимума функционала непрерывно изменяющейся во времени разности стоимостей продукции и тепловой энергии при управлении микроклиматом по условию наивысшей продуктивности поголовья решена (Грабауров В.А., Савченко Е.И. и др., 1986). Промышленный птичник рассматривается как биотехническая система, состоящая из взаимосвязанных и взаимозависимых объектов – биологического (птица) и технического (помещение и оборудование).
Эффективность и ресурсосбережение чрезвычайно энергозатратных в настоящее время в бройлерном птицеводстве технологии лучистого локального и общего обогрева можно существенно повысить путем автоматизации процесса поиска оптимального значения выбранного экономического критерия. Например, прибыль Павт новой автоматизированной системы:

где Павт – годовая прибыль предприятия или технологии, руб./год; Цр макс – рыночная цена реализованной за год продукции в действующей системе обогрева по условию получения наивысшей продуктивности поголовья, руб./год; С – годовые издержки производства, руб./год; П – увеличение прибыли, руб./год, при измерении затрат на корм для поголовья из-за экономии издержек в результате экономически обоснованного снижения затрат на энергию в обсуждаемой технологии С, руб./год, при неизбежно возникающих при предлагаемом методе экономической оптимизации расчетных потерях продуктивности Ц, руб./год.
Остальные составляющие эксплуатационных затрат – на освещение, трудозатраты персонала и т.п. – от tоп при локальном обогреве зависят слабо или вообще не зависят. Составляющие (1) вычисляются по достаточно известным и модифицированным зависимостям, включающим в себя удельные цены на электрическую энергию и энергию природного газа в данном регионе страны, удельную отпускную цену мяса бройлеров на конкретной птицефабрике, параметры наружного климата tн и н – температуру и относительную влажность наружного воздуха, теплоизоляционные характеристики конструкции помещения для поголовья Sогр i, Rо огр i, Gинф – площадей ограждающих конструкций, их сопротивлений теплопередаче и удельный объем инфильтрующегося через притворы в помещение воздуха, параметры внутреннего микроклимата tоп, tв, вн – ощущаемую цыплятами температуру в зонах обогрева, температуру и относительную влажность внутреннего воздуха в помещении, характеристики оборудования для лучистого локального обогрева Qл 1(tоп з) – статическую характеристику передачи локального обогревателя.
Исследование эффективности управления температурным режимом промышленного птичника с учетом затрат кормов отражено в «Методических рекомендациях по управлению температурно-влажностным режимом в промышленных птичниках при клеточном содержании бройлеров». Ростов-на-Дону. МВССО РСФСР. РИСХМ. МСХ РСФСР. Ростовский-на-Дону трест «Птицепром». 1985. 58 с. Показано, что затраты кормов растут по параболической зависимости при отклонении температуры среды от ее оптимального значения, при котором достигается наивысшая продуктивность птицы. Удельная цена одного килограмма комбикорма в птицеводстве превышает в настоящее время значение 8…10 руб./кг, а на получение одного килограмма живой массы птицы при ее отпускной цене с птицефабрики даже в 30…40 руб./кг затрачивается до 2,5…3,7 кг корма в зависимости от температуры среды обитания. Это сильно влияет на рентабельность предприятия. Например, проведенное математическое моделирование расхода корма по указанным в приведенных рекомендациях зависимостям показало, что при отклонении ощущаемой птицей температуры помещения от соответствующего режиму ее максимальной продуктивности на 56-й день выращивания значения на ±7,0°С приводит к дополнительной затрате корма в 1,96 кг на одного бройлера массой 1,4 кг. При цене комбикорма 8 руб./кг непредвиденные затраты на корм для поголовья одной партии птицы в 20 тыс. бройлеров в стандартном птицезале составляют 360 тыс. руб., а таких партий бройлеров за год в птичнике выращивается 5,21 по «Российским нормам технологического проектирования птицеводческих предприятий».
При этом изменение массы бройлеров при отклонении температуры среды обитания от оптимального для их роста значения 1841*10-3 кг на ±7,0°С по указанным рекомендациям, а также по депонированной статье: Грабауров В.А., Савченко Е.И. Исследование математической модели биологического объекта биотехнической системы. Ростов-на-Дону: РИСХМ. 1986. 6С. Деп. во ВНИИТЭИагропром. №59. ВС-87 приводит к результату численного моделирования 899*10-3 кг. Понятно, что расчетные дополнительные потери продукции в данном птичнике составляют 18840 кг, а при отпускной цене птичьего мяса с птицефабрики в 40 руб./кг снижение прибыли равно 753600 руб.
Затраты энергии на обогрев промышленного птичника в Московской области в настоящее составляют ориентировочно 200…300 тыс. кВт*ч в год. При действующем в настоящее время тарифе на электроэнергию в Москве 1,53 руб./кВт*ч стоимость обогрева молодняка в птичнике, хотя и значительно уступает затратам на корм, но становится сопоставимой с ними. Использование перспективных высокоточных систем автоматизации обогрева позволит уверенно поддерживать режим, близкий к условиям наивысшей продуктивности птицы, но затраты энергии на обогрев должны быть экономически соответствующими.
Поэтому только автоматизированное, экономически оптимальное управление обогревом позволяет найти выгодный компромисс между затратами корма и энергии на обогрев и расчетными потерями результирующей продуктивностью поголовья в их ценовом выражении.
Сущность предлагаемого изобретения поясняется фиг.1-3.
На фиг.1 приведена общая схема технологии и технологического оборудования обогрева цыплят и птичника в промышленном птицеводстве.
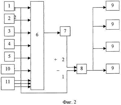
На фиг.2 приведена общая схема устройства по способу.
На фиг.3 дана иллюстрация оценки технико-экономической эффективности обогревательной технологии по критерию прироста прибыли в результате суммирования стоимостей затрат на корм и на энергоноситель и прогнозируемых потерь продукции (с отрицательным знаком) в искусственно формируемом диапазоне изменения теплового режима по величине ощущаемой температуры помещения.
Способ осуществляется следующим образом. Например, в сильный мороз обычная система конвективного, лучистого или комбинированного обогрева с электрическим или с газовым энергоносителем просто поддерживает нормативный технологический режим обогрева поголовья, соответствующий его наивысшей продуктивности. Расход электроэнергии или природного газа связан с потребностями биотехнической системы и из-за большой лучистой теплоотдачи датчика ощущаемой температуры помещения к холодным ограждающим внутренним конструкциям производственного помещения и большой суммарной теплоотдачи помещения здания в целом может достигнуть таких значений, что разница между наивысшей ценой реализованной продукции и очень высокой стоимостью израсходованных энергоносителей Смакс окажется совсем малой. Это означает, что прибыль в данном (старом) варианте управления по критерию максимальной продуктивности поголовья Пс получена небольшая:

Заявляемое вместе со способом экономически оптимального (экономически наилучшего) управления устройство автоматически выбирает такой режим расхода энергоносителя, при котором указанная экономически оптимальная разность Цр опт-Сопт всегда имеет наибольшее значение. Таким образом, при любых внешних условиях прибыль в новом варианте управления по критерию максимума прибыли Попт всегда максимальна:

Вычитая из второго значения разности ее первое значение, получаем прирост прибыли П, образовавшийся в результате оптимального (наилучшего) автоматизированного управления обогревом помещения с молодняком.

Прибыль увеличивается в результате экономически оптимального управления обогревом на величину ее прироста:

где С1(tоп макс продукт, tоп опт 1) – экономия издержек, выигрыш в стоимости энергозатрат, полученный за счет частичного снижения продуктивности поголовья или за счет некоторого уменьшения цены реализованной в будущем продукции данной технологии Ц1(tоп макс продукт, tоп опт 1) в результате перехода от управления по критерию максимума продукции с любыми затратами при значении tоп макс продукт режима наивысшей продуктивности к управлению по критерию максимума прироста прибыли при экономически оптимальном значении tоп опт управляемого параметра и при измерении расхода корма.
На фиг.2 приведена схема устройства экономически оптимального управления обогревом производственного помещения и сельскохозяйственного молодняка. По результатам измерения и задания параметров климата помещения, микроклимата оборудования, поголовья вычислительный блок 6 формирует значение П в диапазоне изменения tоп з за цикл опроса Топр системой автоматизации рассматриваемой биотехнической системы. Блок управления 7 устанавливает на задающем входе регулятора общего обогрева 8 соответствующее режиму максимального прироста прибыли производства значение сформированной величины ощущаемой температуры tоп опт.
Устройство для осуществления способа содержит датчик ощущаемой температуры помещения 1, датчики температуры наружного воздуха 2 и внутреннего воздуха в помещении 3, датчики относительной влажности наружного 4 и внутреннего воздуха 5, вычислительный блок 6, блок управления 7, регулятор температуры 8, локальные обогреватели 9, причем выход датчика ощущаемой температуры 1 в зоне обогрева соединен с первым входом вычислительного блока 6 и с управляющим первым входом регулятора температуры 8, выход которого соединен с локальными обогревателями 9, причем выходы датчиков температуры наружного воздуха 2 и внутреннего воздуха в помещении 3 подключены соответственно ко второму и к третьему входам вычислительного блока 6, выходы датчиков относительной влажности наружного 4 и внутреннего 5 воздуха соединены соответственно с четвертым и с пятым входами вычислительного блока 6, своим выходом связанного с входом блока управления 7, при этом в устройство дополнительно введен датчик расхода корма 10, выход которого соединен с шестым входом вычислительного блока 6, при этом оно содержит блок задатчиков возраста поголовья, технологически допустимых наименьшего и наибольшего заданных значений ощущаемой температуры, времени опроса, сигнала сформированной величины ощущаемой температуры и констант 11, выходы которого подключены к соответствующим дополнительным входам вычислительного блока 6, выход блока управления 7 соединен с задающим вторым входом регулятора температуры 8.
Устройство работает следующим образом. Вычислительный блок 6 по данным измерений и формирования искусственной величины управляемого параметра теплоощущений поголовья рассчитывает целевую функцию оптимизации в выбранном диапазоне. Слагаемым в эту функцию прироста прибыли входит цена израсходованного за принятое время опроса Топр корма. По указанным рекомендациям на стр.19 из приведенной в них математической формулы (6) следует, что приращение расхода корма в обогреваемом птичнике равно:

где b2 – установленный в процессе статистических испытаний коэффициент; 1,4 – масса бройлера в конце цикла выращивания, кг; 8 – принятая цена комбикорма, руб./кг; 20000 – количество бройлеров в помещении птичника, шт.
Блок управления 7 находит экстремальное (максимальное) ее значение и соответствующее ему значение аргумента функции, то есть экономически оптимальное значение расчетного прироста прибыли, и подает его в качестве задающего сигнала на задающий вход регулятора температуры 8. Технология обогрева идет по экономически наилучшей траектории. Обеспечивается экономически наилучшее для обогревательной технологии и для предприятия в целом соотношение между получаемой продукцией птицеводства (животноводства) и расходуемым на обогрев поголовья (например, бройлеров в птицеводстве) энергоносителем любого вида.
При этом обеспечивается точная экономическая оптимизация технологического режима обогрева помещения с молодняком, поскольку применяемые для управления математические соотношения и используемые в них измеряемые и формируемые сигналы и константы несут в себе точную и полную информацию об управляемом процессе.
Пояснительные подписи к фигурам:
Фиг.1. Общая схема технологии лучистого обогрева цыплят и птичника: 1 – теплозащитные ограждающие конструкции помещения (здания) птичника; 2 – утепленный пол (древесностружечная подстилка) птичника; 3 – приточная вентиляция; 4 – вытяжная вентиляция; 5 – поголовье птицы; 6 – обогреватели; 7 – энергетическая магистраль; 8 – регулятор температуры; 9 – датчик температуры внутреннего воздуха птичника; 10 – датчик относительной влажности внутреннего воздуха птичника; 11 – датчик ощущаемой температуры помещения в зоне обитания животных или птицы.
Фиг.2. Функциональная схема устройства управления обогревом: 1 – датчик ощущаемой температуры помещения; 2 – датчик температуры наружного воздуха; 3 – датчик температуры внутреннего воздуха помещения; 4 – датчик относительной влажности наружного воздуха; 5 – датчик относительной влажности внутреннего воздуха; 6 – вычислительный блок; 7 – блок управления; 8 – регулятор температуры; 9 – обогреватели (электрические, газовые и т.п.); 10 – датчик расхода корма (изменения массы бункерного накопителя корма, ленточный измеритель массы сыпучей кормовой смеси в потоке и т.п.); 11 – блок задатчиков возраста поголовья, технологически допустимых наименьшего и наибольшего заданных значений ощущаемой температуры, времени опроса, сигнала сформированной величины ощущаемой температуры, констант.
Фиг.3. Иллюстрация технико-экономической эффективности обогревательной технологии по критерию прироста прибыли в результате суммирования стоимостей затрат энергоносителя и прогнозируемых потерь продукции в искусственно формируемом диапазоне изменения теплового режима: П – прогнозируемый расчетный прирост прибыли в результате управления обогревом данной партии цыплят и данного птичника; tоп – ощущаемая температура помещения в зоне обитания поголовья в результате действия обогревателей; tоп опт – экономически оптимальное значение tоп при соответствующих наружных метеоусловиях, теплозащите помещения здания птичника и данном расходе корма; tоп макс продукт – биологически наилучшее значение для получения режима наивысшей продуктивности поголовья птицы данных породы, кросса и возраста;  ПТ – изменение величины наивысшего прироста прибыли при изменении температуры наружного воздуха tн;  ПК – изменение величины наивысшего прироста прибыли при изменении расхода корма; tоп з – искусственно сформированный сигнал величины ощущаемой температуры помещения в выбранном диапазоне между технологически допустимыми наименьшим tоп з мин и наибольшим tоп з макс ее заданными значениями.
Формула изобретения
1. Способ управления экономичным обогревом в животноводстве и птицеводстве, включающий в себя измерение и задание величины ощущаемой животными и птицей температуры помещения, сравнение измеренной и заданной величин, регулирование режима обогрева по результату сравнения, измерение величин температур и относительных влажностей внутреннего воздуха в помещении и наружного воздуха, причем потери тепловой энергии помещением вычисляют в зависимости от измеренных величин температур и относительных влажностей наружного и внутреннего воздуха в помещении, отличающийся тем, что дополнительно измеряют расход корма, формируют сигнал величины ощущаемой температуры помещения, периодически изменяют сигнал сформированной величины ощущаемой температуры помещения в диапазоне между технологически допустимыми наименьшим и наибольшим ее заданными значениями, причем в зависимости от значения изменяемого сигнала сформированной величины ощущаемой температуры помещения и от измеренного расхода корма вычисляют стоимость продукции данной партии животных или птицы, при этом стоимость затрат энергии на обогрев вычисляют в зависимости от значения изменяемого сигнала сформированной величины ощущаемой температуры помещения, стоимость затрат на корм вычисляют в зависимости от измеренного расхода корма, затем вычисляют первую разность между стоимостью продукции и суммой стоимостей затрат энергии на обогрев и затрат корма в качестве показателя прибыли в диапазоне между технологически допустимыми наименьшим и наибольшим заданными значениями сигнала сформированной величины ощущаемой температуры помещения, определяют наибольшее значение этой первой разности в качестве значения наивысшей прибыли и соответствующий ему сигнал сформированной величины ощущаемой температуры помещения, определяют второе значение этой разности в качестве нормативной прибыли при нормативном значении ощущаемой температуры технологического режима наивысшей продуктивности поголовья, вычитают из первой разности стоимостей ее второе значение и получают третью разность стоимостей в виде показателя прироста прибыли, вычитают из наибольшего значения первой разности стоимостей ее второе значение и получают наибольшее значение третьей разности стоимостей в виде значения наивысшего прироста прибыли и соответствующий ему сигнал сформированной величины ощущаемой температуры помещения, причем соответствующие значениям наивысшей прибыли и наивысшего прироста прибыли сигналы сформированной величины ощущаемой температуры помещения равны между собой, сравнивают соответствующий наибольшему значению первой или второй разности сигнал сформированной величины ощущаемой температуры помещения с измеренной величиной ощущаемой температуры помещения и по результату сравнения корректируют режим обогрева сельскохозяйственного молодняка и животноводческого или птицеводческого помещения.
2. Устройство управления экономичным обогревом в животноводстве и птицеводстве, содержащее датчик ощущаемой температуры в зоне локального обогрева, датчики температуры наружного воздуха и внутреннего воздуха в помещении, датчики относительной влажности наружного и внутреннего воздуха, вычислительный блок, блок управления, регулятор температуры, обогреватели, причем выход датчика ощущаемой температуры помещения соединен с первым входом вычислительного блока и с управляющим первым входом регулятора температуры, выход которого соединен с обогревателями, причем выходы датчиков температуры наружного воздуха и внутреннего воздуха в помещении внутреннего воздуха в помещении, датчики относительной влажности наружного и внутреннего воздуха, вычислительный блок, блок управления, регулятор температуры, обогреватели, причем выход датчика ощущаемой температуры помещения соединен с первым входом вычислительного блока и с управляющим первым входом регулятора температуры, выход которого соединен с обогревателями, причем выходы датчиков температуры наружного воздуха и внутреннего воздуха в помещении подключены соответственно ко второму и к третьему входам вычислительного блока, выходы датчиков относительной влажности наружного и внутреннего воздуха соединены соответственно с четвертым и с пятым входами вычислительного блока, своим выходом связанного с входом блока управления, отличающееся тем, что в него дополнительно введен датчик расхода корма, выход которого соединен с шестым входом вычислительного блока, при этом оно содержит блок задатчиков возраста поголовья, технологически допустимых наименьшего и наибольшего заданных значений ощущаемой температуры помещения, времени опроса, сигнала сформированной величины ощущаемой температуры помещения и констант, выходы которого подключены к соответствующим дополнительным входам вычислительного блока, выход блока управления соединен с задающим вторым входом регулятора температуры.
РИСУНКИ
MM4A – Досрочное прекращение действия патента СССР или патента Российской Федерации на изобретение из-за неуплаты в установленный срок пошлины за поддержание патента в силе
Дата прекращения действия патента: 09.11.2007
Извещение опубликовано: 27.07.2009 БИ: 21/2009
|
|