|
|
(21), (22) Заявка: 2005119799/12, 28.06.2005
(24) Дата начала отсчета срока действия патента:
28.06.2005
(46) Опубликовано: 10.04.2007
(56) Список документов, цитированных в отчете о поиске:
RU 2253222 C1, 10.06.2005. US 4188751 A, 19.02.1980. US 6539664 B2, 01.04.2003. RU 2083070 C1, 10.07.1997.
Адрес для переписки:
115598, Москва, ул. Загорьевская, 4, ГНУ ВСТИСП РАСХН, ОПЛИР
|
(72) Автор(ы):
Донецких Владислав Иванович (RU), Бешнов Геннадий Владимирович (RU)
(73) Патентообладатель(и):
Государственное научное учреждение Всероссийский селекционно-технологический институт садоводства и питомниководства Россельхозакадемии (ГНУ ВСТИСП) (RU)
|
(54) УСТРОЙСТВО ДЛЯ МАГНИТНО-ИМПУЛЬСНОЙ ОБРАБОТКИ РАСТЕНИЙ
(57) Реферат:
Устройство для магнитно-импульсной обработки растений предназначено для стимуляции, развития и роста растений путем воздействия на них заранее установленного количества однонаправленных, разнонаправленных импульсов магнитной индукции в расширенном частотном диапазоне с дополнительным синхронным воздействием световыми импульсами монохромного источника излучения и позволяет усилить влияние магнитно-импульсной обработки. Сущность изобретения заключается в осуществлении воздействия на растения световыми импульсами оптического диапазона определенных длин волн и синхронно с ними оптимизированными по амплитуде импульсами магнитной индукции в расширенном частотном диапазоне. 2 ил.
Изобретение относится к сельскому хозяйству, а именно к средствам стимуляции развития и роста растений путем их импульсного омагничивания.
Известно устройство, которое состоит из формирователя импульсов электрического тока и излучателя магнитного поля. Формирователь содержит блок питания, конденсаторный накопитель электрической энергии, ключевой блок и блок управления ключевым устройством. Блок питания соединен с конденсаторным накопителем и блоком управления ключевым блоком, который подключен к управляющему входу ключевого блока, а конденсаторный накопитель и последовательно соединенный с ним ключевой блок подключены на выходе формирователя к излучателю магнитного поля, выполненному в виде соленоида. На вход формирователя подается переменное напряжение промышленной сети 220 В, 50 Гц. В течение положительного полупериода ключевой блок закрыт, и происходит заряд конденсаторного накопителя через блок питания. В отрицательный полупериод блок открывает ключевой блок и происходит разряд конденсаторного накопителя на соленоид, что создает импульс магнитного поля в излучателе. (См. Патент РФ №2083070, 1993 г., кл. А 01 С 1/00, БИ №19, 1997 г.)
Однако это устройство может работать только на одной частоте следования магнитных импульсов – частоте сети 50 Гц и не позволяет проводить обработку растений разнонаправленными импульсами магнитной индукции.
Известно также устройство для магнитно-импульсной обработки растений, содержащее стабилизированный блок питания, общая шина и первый выход которого подключены к цепи питания логических элементов, а второй выход соединен через первый ключ и термостабильный балластный резистор с первыми выводами накопительного конденсатора, индикатора напряжения, первого индуктора и катодом первого диода, анод которого соединен с вторым выводом первого индуктора, а вторые выводы накопительного конденсатора, индикатора напряжения, второго и третьего ключей соединены с общей шиной стабилизированного блока питания, задающий генератор, выходом соединенный с входом делителя частоты, выходы которого подключены к входам коммутатора, выходом соединенного с входом одновибратора, выход которого соединен с первым входом первого элемента И, и входом первого элемента задержки, выход которого подключен к первому входу второго элемента И, кнопку пуска, выход которой через элемент подавления дребезга контактов соединен, с вторым входом второго элемента И, выход которого соединен с S-входом RS-триггера, первый выход которого соединен с управляющим входом первого ключа, третий и четвертый элементы И, выходы которых через первый и второй усилители-формирователи соединены с управляющими входами, соответственно, второго и третьего ключей, блок ввода числа, выходом соединенный с информационным входом блока цифровой индикации, первые выводы начала первой и конца второй обмоток катушки второго индуктора соединены со вторым выводом первого индуктора и катодами второго и третьего диодов, а вторые выводы конца первой и начала второй обмоток катушки второго индуктора соединены, соответственно, с анодами второго и третьего диодов, а также с первыми выводами второго и третьего ключей, первый выход RS-триггера соединен с вторым входом первого элемента И, выход которого соединен со счетным входом блока цифровой индикации, с первыми входами третьего и четвертого элементов И и входом Т-триггера, первый и второй выходы которого соединены со вторыми входами, соответственно, третьего и четвертого элементов И, а выход блока цифровой индикации через второй элемент задержки соединен с R-входом RS-триггера, при этом намотка первой и второй обмоток катушки второго индуктора выполнена в два провода одного направления. (См. Патент РФ №2231949, 23.10.2002 г., кл. А 01 G 7/04, БИ №19, 2004 г.)
Однако данное устройство для магнитно-импульсной обработки растений малоэффективно, так как работает в узком частотном диапазоне, не позволяет проводить обработку растений одно- и разнонаправленными импульсами магнитной индукции в одном и том же индукторе, а также дополнительно синхронно воздействовать на растения световыми импульсами определенных длин волн оптического диапазона. Кроме того, диапазон амплитудных значений импульсов магнитной индукции также ограничен из-за использования накопительной емкости одного и того же значения.
Наиболее близким техническим решением из известных является устройство для магнитно-импульсной обработки растений, содержащее источник бесперебойного питания, соединенный с входом блока питания, общая шина и первый выход которого подключены к цепи питания логических элементов, а второй выход соединен с входом первого ключа, первые накопительный конденсатор и индикатор напряжения, первые выводы которых соединены с первым выводом вертикальной катушки индуктора, второй вывод которой соединен с первым выводом второго ключа, а вторые выводы первого накопительного конденсатора, первого индикатора напряжения, второго и третьего ключей соединены с общей шиной блока питания, задающий генератор, выходом соединенный с входом делителя частоты и вторым входом первого элемента ИЛИ-НЕ, первый вход которого соединен с десятым выводом пульта управления и первым выводом резистора, второй вывод которого соединен с первым выводом блока питания, m выходов делителя частоты подключены к m входам первого коммутатора, выход которого через первые одновибратор и усилитель-формирователь соединен с управляющим входом третьего ключа, m выход делителя частоты соединен с первым входом второго коммутатора и входом десятичного счетчика, выход которого подключен к второму входу второго коммутатора, второй элемент ИЛИ-НЕ, первый и второй входы которого соединены, соответственно, с выходом первого элемента ИЛИ-НЕ и выходом второго коммутатора, десятичный счетчик-дешифратор, вход которого соединен с выходом второго элемента ИЛИ-НЕ, а его с нулевого по девятый выходы соединены с нулевого по девятый входами пульта управления, нулевой выход десятичного счетчика-дешифратора соединен с нулевыми входами сброса десятичного счетчика, делителя частоты и входом первого элемента НЕ, второй усилитель-формирователь, выход которого соединен с управляющим входом второго ключа, первый диод, в него дополнительно введены второй, третий, четвертый и пятый диоды, первый, второй и третий выключатели, второй и третий накопительные конденсаторы, второй и третий индикаторы напряжения, горизонтальная катушка индуктора, первое и второе сферические зеркала, источник инфракрасного излучения, импульсная газоразрядная лампа, блок поджига, второй элемент НЕ, второй и третий одновибраторы, блок звуковой сигнализации, при этом выход первого ключа через источник инфракрасного излучения соединен с анодами первого, второго и третьего диодов, катоды которых соединены с первыми выводами, соответственно, первого, второго и третьего выключателей, вторые выводы которых соединены, соответственно, с первым выводом первого накопительного конденсатора, с первыми выводами второго накопительного конденсатора, второго индикатора напряжения и горизонтальной катушки индуктора, с первыми выводами третьего накопительного конденсатора, третьего индикатора напряжения, блока поджига и импульсной газоразрядной лампы, а вторые выводы второго и третьего накопительных конденсаторов, второго и третьего индикаторов напряжения, блока поджига и импульсной газоразрядной лампы соединены с общей шиной блока питания, второй вывод горизонтальной катушки индуктора подключен к первому выводу третьего ключа, третий вывод блока поджига соединен с электродом поджига импульсной газоразрядной лампы, третьи выводы первого и второго выключателей соединены с анодами четвертого и пятого диодов, а их катоды подключены к третьему выводу третьего выключателя, пятый и четвертый выводы соответственно первого и второго выключателей соединены с выходом второго усилителя-формирователя, а пятые выводы второго и третьего выключателей соответственно соединены с выходом первого усилителя-формирователя и управляющим входом блока поджига, управляющий вход первого ключа подключен к выходу первого элемента НЕ, вход второго элемента НЕ подключен к выходу первого коммутатора, а выход второго элемента НЕ через второй одновибратор соединен с входом второго усилителя-формирователя, вход третьего одновибратора подключен к нулевому входу сброса делителя частоты, а выход третьего одновибратора соединен с входом блока звуковой сигнализации, индуктор выполнен в виде двух взаимно перпендикулярных катушек рядовой намотки с шагом, равным не менее двум диаметрам обмоточного провода, намотанных на прямоугольных каркасах, один из которых находится в полости другого, при этом на каждой из двух противоположных сторон каркаса обмотки горизонтальной катушки выполнены окна, вплотную к которым установлены совместно с сферическими зеркалами, направленными вовнутрь ее полости, с одной стороны источник инфракрасного излучения, а с противоположной ей – импульсная газоразрядная лампа (см. Патент РФ №2253222, 29.12.2003 г., кл. A 01 G 7/04, Бюл. №16, 2005 г. Устройство для магнитно-импульсной обработки растений – прототип).
Однако данное устройство для магнитно-импульсной обработки растений может использоваться для осуществления воздействия на растения периодической последовательности заранее установленного количества импульсов магнитной индукции не оптимизированных амплитудных значений, чередующихся с частотой повторения в двух взаимно перпендикулярных направлениях, а также дополнительного воздействия световыми импульсами разной длины волны на базальную и апикальную части растений в достаточно узком частотном диапазоне. Кроме того, оно не позволяет проводить обработку растений разнонаправленными импульсами магнитной индукции, вызывающих положительные реакции развития у трудноукореняемых растений.
Задачей, на решение которой направлено изобретение, является создание устройства, пригодного для осуществления воздействия на растения в одном и том же индукторе периодической последовательности заранее установленного количества однонаправленных, разнонаправленных импульсов магнитной индукции с оптимизированными амплитудными значениями в расширенном частотном диапазоне, с возможностью дополнительного синхронного воздействия световыми импульсами монохромного источника излучения определенных длин волн на базальную или апикальную части растений, усиливающих влияние магнитно-импульсной обработки.
Поставленная задача решается тем, что в устройство для магнитно-импульсной обработки растений, содержащее источник бесперебойного питания, первым выходом соединенный с первым входом блока питания, первыми выводами первого элемента ограничения тока и монохромного излучателя света, второй выход источника бесперебойного питания соединен со вторыми выводами входов блока питания и схемы выпрямителя, минусовые выводы выходов которых соединены общей шиной со вторыми выводами индикатора напряжения, первого, второго, третьего и четвертого накопительных конденсаторов, первого и второго ключей, общая шина и третий вывод плюсового выхода стабилизированного напряжения блока питания подключены к цепи питания логических элементов и блоков, третий ключ, выход которого соединен с первым выводом входа схемы выпрямителя, плюсовый вывод выхода которой подключен ко второму входу первого переключателя, выходом соединенного с анодом первого диода, катод которого соединен с первыми выводами индикатора напряжения, первого накопительного конденсатора и первой катушки индуктора, второй вывод которой соединен с первым выводом первого ключа, управляющий вход которого подключен к выходу первого усилителя-формирователя, второй усилитель-формирователь, выходом соединенный с управляющим входом второго ключа, пульт управления, подключенный к управляющему входу цифрового таймера, выход которого через элемент гальванической развязки соединен с управляющим входом третьего ключа, а через последовательно соединенные первые элемент НЕ и одновибратор соединен с входом блока звуковой сигнализации, задающий генератор, выходом соединенный с входом цифрового таймера и со счетным С-входом делителя частоты, R-вход которого подключен к выходу первого элемента НЕ, девять выходов делителя частоты подключены к девяти входам первого коммутатора, выход которого через второй одновибратор соединен с входом первого усилителя-формирователя, а через второй элемент НЕ соединен с входом третьего одновибратора, выход которого подключен к входу второго усилителя-формирователя, второй и третий диоды, катоды которых соединены с первыми выводами соответственно второго и третьего накопительных конденсаторов, четвертый, пятый и шестой диоды, второй и третий переключатели, второй коммутатор и вторую катушку индуктора, идентичную первой катушке индуктора, которые намотаны в два провода одного направления и размещены на полом каркасе из диэлектрика, в него дополнительно введены второй элемент ограничения тока, третий коммутатор, синхронно связанный с первым и вторым коммутаторами, двухпозиционное электромагнитное реле с двумя группами нормально замкнутых контактов соответственно первого с третьим и второго с пятым, при этом первый и второй входы второго переключателя соединены со вторыми выводами соответственно монохромного излучателя света и первого элемента ограничения тока, первый, второй, третий и четвертый входы второго коммутатора соединены через второй элемент ограничения тока с первым выходом источника бесперебойного питания, а выход второго коммутатора соединен со вторым входом второго переключателя, выход которого соединен с входом третьего ключа, катоды четвертого, пятого и шестого диодов соединены с катодом первого диода, второй и третий входы третьего коммутатора соединены с анодом четвертого диода и первым выводом второго накопительного конденсатора, четвертый и пятый входы третьего коммутатора соединены с анодами второго и пятого диодов и первым выводом третьего накопительного конденсатора, шестой, седьмой, восьмой и девятый входы третьего переключателя соединены с анодами третьего и шестого диодов и первым выводом четвертого накопительного конденсатора, выход третьего коммутатора соединен с катодом первого диода и первым переключающим контактом первой группы контактов двухпозиционного электромагнитного реле, второй переключающий контакт второй группы контактов которого соединен с первым выводом второго ключа, третий контакт первой группы контактов и шестой контакт второй группы контактов двухпозиционного электромагнитного реле соединены с первым выводом второй катушки индуктора, второй вывод которой соединен с четвертым и пятым контактами соответственно первой и второй группы контактов двухпозиционного электромагнитного реле, минусовой вывод обмотки которой соединен с общей шиной, а плюсовый вывод соединен с выходом третьего переключателя, второй вход которого соединен с четвертым выводом плюсового выхода напряжения блока питания.
Технический результат выражается в том, что благодаря введенным в предлагаемое устройство второму элементу ограничения тока, третьему коммутатору, синхронно связанному с первым и вторым коммутаторами, двухпозиционному электромагнитному реле с двумя группами нормально замкнутых контактов соответственно первого с третьим и второго с пятым и их электрическим связям, удалось осуществить воздействия на растения световыми импульсами оптического диапазона определенных длин волн и синхронно с ними оптимизированными по амплитуде импульсами магнитной индукции в расширенном частотном диапазоне, с целью стимуляции их обменных процессов и адаптации к внешнему фактору среды.
Новизна предложенного технического решения состоит в введенных в предлагаемое устройство новых элементов, их электрических связях и электрических преобразованиях сигналов.
Проведенный нами анализ уровня техники, включающий поиск по патентным и научно-техническим источникам информации, и выявление источников, содержащих сведения об аналогах заявленного изобретения, позволил установить отсутствие технического решения в источниках, характеризующегося признаками, тождественными признакам предложенного изобретения. Определение из перечня выявленных аналогов прототипа, как наиболее близкого по совокупности признаков аналога, позволил установить совокупность существенных по отношению к усматриваемому нами техническому результату отличительных признаков в заявленном устройстве, изложенных в формуле изобретения.
Следовательно, заявленное изобретение соответствует условию «новизна».
Результаты проведенного дополнительного поиска известных решений показали, что заявленное изобретение не содержит признаков, совпадающих с отличительными от прототипа признаков заявленного устройства.
Следовательно, заявленное изобретение не вытекает для специалиста явным образом из известного уровня техники, а является результатом творческого труда авторов изобретения.
Следовательно, заявленное изобретение соответствует условию «изобретательский уровень».
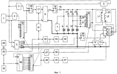
Устройство для магнитно-импульсной обработки растений поясняется чертежами, где на фиг.1 дана электрическая структурная схема устройства, на фиг.2 – временные диаграммы работы устройства.
Устройство для магнитно-импульсной обработки растений содержит источник бесперебойного питания 1, первый выход которого соединен с первым входом блока питания 2, первыми выводами первого и второго элементов ограничения тока 3, 4 и монохромного излучателя света 5, второй выход источника бесперебойного питания 1 соединен со вторыми выводами входов блока питания 2 и схемы выпрямителя 6, минусовые выводы выходов которых соединены общей шиной со вторыми выводами индикатора напряжения 7, первого, второго, третьего и четвертого накопительных конденсаторов 8, 9, 10 и 11, первого и второго ключей 12 и 13, и с минусовым выводом обмотки двухпозиционного электромагнитного реле 14. Общая шина и третий вывод плюсового выхода стабилизированного напряжения (+U2) блока питания 2 подключены к цепи питания логических элементов и блоков. Второй вывод монохромного излучателя света 5 соединен с первым входом второго переключателя 15, второй вход которого соединен со вторым выводом первого элемента ограничения тока 3 и выходом второго коммутатора 16, первый, второй, третий и четвертый входы которого подключены ко второму выводу второго элемента ограничителя тока 4. Выход второго переключателя 15 через третий ключ 17 соединен с первым выводом входа схемы выпрямителя 6. Первый переключатель 18, второй вход которого соединен с плюсовым выводом выхода напряжения (+U1) схемы выпрямителя 6, а выход соединен с анодом первого диода 19, катод которого соединен с первыми выводами индикатора напряжения 7, первого накопительного конденсатора 8, первой катушки L1 индуктора 20, катодами четвертого, пятого и шестого диодов 21, 22 и 23, первым переключающим контактом первой группы контактов К1.1 двухпозиционного электромагнитного реле 14 и выходом третьего коммутатора 24, синхронно связанного со вторым и первым коммутаторами 16 и 25. Второй диод 26, катод которого соединен со вторым и третьим входами третьего коммутатора 24, анодом четвертого диода 21 и первым выводом второго накопительного конденсатора 9. Третий диод 27, катод которого соединен с анодами пятого и второго диодов 22 и 26, первым выводом третьего накопительного конденсатора 10, четвертым и пятым входами третьего коммутатора 24. Анод третьего диода 27 соединен с анодом шестого диода 23, первым выводом четвертого накопительного конденсатора 11, шестым, седьмым, восьмым и девятым входом третьего коммутатора 24. Второй вывод первой катушки L1 индуктора 20 соединен с первым выводом первого ключа 12. Вторую катушку L2 индуктора 20, первый вывод которой соединен с третьим контактом первой группы контактов К1.1 и шестым контактом второй группы контактов К1.2 двухпозиционного электромагнитного реле 14, а ее второй вывод соединен с четвертым и пятым контактами тех же контактных групп К1.1 и К1.2 двухпозиционного электромагнитного реле 14. Второй переключающий контакт второй группы контактов К1.2 и плюсовый вывод обмотки двухпозиционного электромагнитного реле 14 соединены соответственно с первым выводом второго ключа 13 и выходом третьего переключателя 28, второй вход которого соединен с четвертым выводом плюсового выхода напряжения (+U3) блока питания 2. Пульт управления 29, подключенный к управляющему входу цифрового таймера 30, выход которого через элемент гальванической развязки 31 соединен с управляющим входом третьего ключа 17, а через последовательно соединенные первые элемент НЕ 32 и одновибратор 33 соединен с входом блока звуковой сигнализации 34. Задающий генератор 35, выход которого соединен с входом цифрового таймера 30 и со счетным С-входом делителя частоты 36, R-вход которого подключен к выходу первого элемента НЕ 32. Девять выходов делителя частоты 36 подключены к девяти входам первого коммутатора 25, выход которого через последовательно соединенные второй одновибратор 37 и первый усилитель-формирователь 38 соединен с управляющим входом первого ключа 12. Второй элемент НЕ 39, вход которого соединен с выходом первого коммутатора 25, а выход через последовательно соединенные третий одновибратор 40 и второй усилитель-формирователь 41 соединен с управляющим входом второго ключа 13.
Устройство работает следующим образом.
При обработке растений однонаправленными импульсами магнитной индукции растения требуемым образом размещают и ориентируют внутри полости каркаса катушек L1, L2 индуктора 20, а первый, второй и третий переключатели 18, 15 и 28 устанавливают в положения соответственно 2, 2 и 1 (на фиг.1 номера входов и положений как переключателей, так и коммутаторов указаны на их контактах внутри их графических изображений). С помощью первого коммутатора 25 задают одно значение частоты Fc из 9 возможных частот следования импульсов магнитной индукции (например, устанавливают в положение 1, соответствующее самой верхней частоте рабочего диапазона частот), а с помощью клавиатуры пульта управления 29 выбирают необходимый временной интервал экспозиции э цифрового таймера 30.
Задаваемое количество импульсов N периодической последовательности одно- или разнонаправленных импульсов магнитной индукции в индукторе 20 определяют из выражения (1):
,
,
где Тc – период следования прямоугольных импульсов на выходе первого коммутатора 25, с;
э – задаваемый с помощью цифрового таймера 30 интервал экспозиции, с.
Инициализируют начало работы устройства нажатием кнопки выбранного значения временного интервала экспозиции на пульте управления 29 цифрового таймера 30, при этом строб-импульс длительности э с выхода цифрового таймера 30 (фиг.2, поз.42), инвертированный первым элементом НЕ 32 (фиг.2, поз.43), поступает на R-вход делителя частоты 36 и разрешает синхронизированный с цифровым таймером 30 счет импульсов, поступающих на счетный С-вход делителя частоты 36 и вход цифрового таймера 30 с выхода одного и того же задающего генератора 35.
Таким образом, делитель частоты 36 в течение всего времени э находится в рабочем состоянии, поэтому с выхода первого коммутатора 25 на входы второго одновибратора 37 и второго элемента НЕ 39 поступают прямоугольные импульсы с частотой следования Fc=1/Тс (фиг.2, поз.45).
Одновременно, передний фронт сформированного прямоугольного строб-импульса длительности э с выхода цифрового таймера 30 через элемент гальванической развязки 31 поступает на управляющий вход третьего ключа 17 и открывает его на время э (фиг.2, поз.42). При этом напряжение постоянного тока (+U1) с плюсового вывода выхода схемы выпрямителя 6, через первый диод 19 поступает на первый вывод первого накопительного конденсатора 8, заряжая его в течение времени ta до напряжения Uc (фиг.2, поз.48), которое контролируется индикатором напряжения 7.
Второй одновибратор 37 из поступивших на его вход пачки прямоугольных импульсов (фиг.2, поз.45) формирует на своем выходе первую пачку коротких импульсов длительности и периодом следования Тc (фиг.2, поз.46).
Третий одновибратор 40 формирует из поступившего на его вход инвертированного вторым элементом НЕ 39 сигнала вторую пачку коротких импульсов длительности и периодом следования Тc, задержанных относительно первой пачки импульсов на время, равное половине периода их следования (фиг.2, поз.47).
Таким образом, второй и третий одновибраторы 37 и 40 формируют на своих выходах пачки коротких импульсов длительности с числом импульсов в каждой пачке, равным Nэ=Тэ*Fc (фиг.2, поз.48 и 49).
Первая пачка коротких импульсов с выхода второго одновибратора 37 через первый усилитель-формирователь 38 поступают на управляющий вход первого ключа 12, а вторая пачка коротких импульсов с выхода третьего одновибратора 40 через второй усилитель-формирователь 41 поступает на управляющий вход второго ключа 13 (в качестве первого и второго ключей 12 и 13 используются тиристоры).
Первый короткий импульс первой пачки импульсов N1э, поступивший на управляющий вход первого ключа 12, открывает его, при этом происходит разряд первого накопительного конденсатора 8 через обмотку первой катушки L1 индуктора 20 за время к (фиг.2, поз.49). В результате протекания через обмотку первой катушки L1 индуктора 20 разрядного тока в ней возникает импульс магнитной индукции (фиг.2, поз.51), воздействующий на размещенные в индукторе 20 растения. Также первый короткий импульс второй пачки импульсов N2э (фиг.2, поз.47), поступивший на управляющий вход второго ключа 13, открывает его. При этом происходит очередной разряд первого накопительного конденсатора 8 через обмотку второй катушки L2 индуктора 20 также за время к (фиг.2, поз.50). В результате во второй катушке L2 индуктора 20 возникает очередной импульс магнитной индукции (фиг.2, поз.51), воздействуя на размещенные в нем растения.
Далее процесс идет аналогично и окончательно завершается с приходом заднего фронта строб-импульса длительности э с выхода цифрового таймера 30 (фиг 2, поз.42), который своим задним фронтом закрывает третий ключ 17 и прерывает подачу напряжения (+U1), а поступив через первый элемент НЕ 32 на R-вход делителя частоты 36 – останавливает его счет, процесс останавливается. При этом блок звуковой сигнализации 34, из поступившего на его вход скачка напряжения с выхода первого элемента НЕ 32 через первый одновибратор 33 (фиг.2, поз.43), формирует звуковой сигнал длительности зв (фиг.2, поз.44), который извещает в течение нескольких секунд, что процесс обработки растений закончен.
Таким образом, полное число однонаправленных импульсов магнитной индукции, полученное растениями в процессе их обработки (фиг.2, поз.51), при этом будет определяться из ранее приведенного выражения (1).
Контроль напряжения заряда первого накопительного конденсатора 8 в процессе работы устройства осуществляется индикатором напряжения 7.
Для обработки в индукторе 20 растений разнонаправленными импульсами магнитной индукции третий переключатель 28 переводят из положения 1 в 2, при этом подается электропитание на плюсовый вывод обмотки двухпозиционного электромагнитного реле 14, которое своими контактами К1.1 и К1.2 изменяет направление протекания тока (при включении второго ключа 13) в катушке L2 индуктора 20 на противоположное. В результате полное число разнонаправленных импульсов магнитной индукции, полученное растениями в процессе их обработки (фиг.2, поз.52), также будет определяться из ранее приведенного выражения (1).
При использовании магнитно-импульсного воздействия на растения с дополнительным светоимпульсным облучением второй переключатель 15 переводят из положения 2 в 1, при этом вспышки света монохромного излучателя света 5 производятся синхронно с зарядом первого накопительного конденсатора 8 с частотой следования импульсов магнитной индукции.
Для обеспечения работы устройства в расширенном диапазоне частот при оптимизированных значениях амплитуд импульсов магнитной индукции используются второй и третий коммутаторы 16 и 24, синхронно связанные с первым коммутатором 25 (на фиг.1 синхронная связь указана штриховой линией со стрелками, примыкающими к графическим изображениям коммутаторов).
При работе на четырех верхних частотах рабочего диапазона частот следования импульсов магнитной индукции первый, второй и третий коммутаторы 25, 16 и 24 все вместе последовательно устанавливаются в положения 1, 2, 3 и 4. При этом с помощью второго коммутатора 16 параллельно первому элементу ограничения тока 3 подключается второй элемент ограничения тока 4, увеличивая зарядный ток для обеспечения быстрого заряда до оптимального значения напряжений как первого накопительного конденсатора 8, так и второго и третьего накопительных конденсаторов 9 и 10 при соответствующем их подключении третьим коммутатором 24 к зарядно-разрядной цепи соответственно для заряда через первый и второй диоды 19 и 26 (заряд второго и третьего накопительных конденсаторов 9 и 10), а через четвертый и пятый диоды 21 и 22 их разряда через первую и вторую катушки L1, L2 индуктора 20 и открытые первый и второй ключи 12 и 13.
При работе на нижних частотах рабочего диапазона частот следования импульсов магнитной индукции первый, второй и третий коммутаторы 24, 16 и 24 все вместе последовательно устанавливаются в положения 6, 7, 8 и 9. При этом, поскольку время заряда накопительных конденсаторов достаточно выросло, вторым коммутатором 16 разрывается электрическая цепь второго элемента ограничения тока 4, а к зарядно-разрядной цепи первого, второго и третьего накопительных конденсаторов 8, 9 и 10 с помощью третьего коммутатора 24 подключается четвертый накопительный конденсатор 11 большой емкости, одновременный заряд которых идет через первый, второй и третий диоды 19, 26 и 27, а разряд – через четвертый, пятый и шестой диоды 21, 22 и 23, первую и вторую катушки L1, L2 индуктора 20 и открытые первый и второй ключи 12 и 13. В результате значение амплитуды импульсов магнитной индукции на нижних частотах рабочего диапазона частот значительно возрастает за счет большого суммарного заряда параллельно включенных первого, второго, третьего и четвертого накопительных конденсаторов 8, 9, 10 и 11.
При использовании индуктора 20, выполненного в виде двух многовитковых идентичных катушек L1 и L2, размещенных ортогонально относительно друг друга, обеспечивается дополнительное воздействие на растения импульсами магнитной индукции в двух взаимно перпендикулярных направлениях, чередующихся с частотой их повторения, что расширяет возможности устройства.
Стабильность и автономность устройства достигается благодаря использованию источника бесперебойного питания 1, что существенно при работе устройства в полевых условиях.
Формула изобретения
Устройство для магнитно-импульсной обработки растений, содержащее источник бесперебойного питания, первым выходом соединенный с первым входом блока питания, первыми выводами первого элемента ограничения тока и монохромного излучателя света, второй выход источника бесперебойного питания соединен со вторыми выводами входов блока питания и схемы выпрямителя, минусовые выводы выходов которых соединены общей шиной со вторыми выводами индикатора напряжения, первого, второго, третьего и четвертого накопительных конденсаторов, первого и второго ключей, общая шина и третий вывод плюсового выхода стабилизированного напряжения блока питания подключены к цепи питания логических элементов и блоков, третий ключ, выход которого соединен с первым выводом входа схемы выпрямителя, плюсовый вывод выхода которой подключен ко второму входу первого переключателя, выходом соединенного с анодом первого диода, катод которого соединен с первыми выводами индикатора напряжения, первого накопительного конденсатора и первой катушки индуктора, второй вывод которой соединен с первым выводом первого ключа, управляющий вход которого подключен к выходу первого усилителя-формирователя, второй усилитель-формирователь, выходом соединенный с управляющим входом второго ключа, пульт управления, подключенный к управляющему входу цифрового таймера, выход которого через элемент гальванической развязки соединен с управляющим входом третьего ключа, а через последовательно соединенные первые элемент НЕ и одновибратор соединен с входом блока звуковой сигнализации, задающий генератор, выходом соединенный с входом цифрового таймера и со счетным С-входом делителя частоты, R-вход которого подключен к выходу первого элемента НЕ, девять выходов делителя частоты подключены к девяти входам первого коммутатора, выход которого через второй одновибратор соединен с входом первого усилителя-формирователя, а через второй элемент НЕ соединен с входом третьего одновибратора, выход которого подключен к входу второго усилителя-формирователя, второй и третий диоды, катоды которых соединены с первыми выводами соответственно второго и третьего накопительных конденсаторов, четвертый, пятый и шестой диоды, второй и третий переключатели, второй коммутатор и вторую катушку индуктора, идентичную первой катушке индуктора, которые намотаны в два провода одного направления и размещены на полом каркасе из диэлектрика, отличающееся тем, что в него дополнительно введены второй элемент ограничения тока, третий коммутатор, синхронно связанный с первым и вторым коммутаторами, двухпозиционное электромагнитное реле с двумя группами нормально замкнутых контактов соответственно первого с третьим и второго с пятым, при этом первый и второй входы второго переключателя соединены со вторыми выводами соответственно монохромного излучателя света и первого элемента ограничения тока, первый, второй, третий и четвертый входы второго коммутатора соединены через второй элемент ограничения тока с первым выходом источника бесперебойного питания, а выход второго коммутатора соединен со вторым входом второго переключателя, выход которого соединен с входом третьего ключа, катоды четвертого, пятого и шестого диодов соединены с катодом первого диода, второй и третий входы третьего коммутатора соединены с анодом четвертого диода и первым выводом второго накопительного конденсатора, четвертый и пятый входы третьего коммутатора соединены с анодами второго и пятого диодов и первым выводом третьего накопительного конденсатора, шестой, седьмой, восьмой и девятый входы третьего переключателя соединены с анодами третьего и шестого диодов и первым выводом четвертого накопительного конденсатора, выход третьего коммутатора соединен с катодом первого диода и первым переключающим контактом первой группы контактов двухпозиционного электромагнитного реле, второй переключающий контакт второй группы контактов которого соединен с первым выводом второго ключа, третий контакт первой группы контактов и шестой контакт второй группы контактов двухпозиционного электромагнитного реле соединены с первым выводом второй катушки индуктора, второй вывод которой соединен с четвертым и пятым контактами соответственно первой и второй группы контактов двухпозиционного электромагнитного реле, минусовой вывод обмотки которой соединен с общей шиной, а плюсовый вывод соединен с выходом третьего переключателя, второй вход которого соединен с четвертым выводом плюсового выхода напряжения блока питания.
РИСУНКИ
MM4A – Досрочное прекращение действия патента СССР или патента Российской Федерации на изобретение из-за неуплаты в установленный срок пошлины за поддержание патента в силе
Дата прекращения действия патента: 29.06.2007
Извещение опубликовано: 20.02.2009 БИ: 05/2009
|
|