|
|
(21), (22) Заявка: 2005128869/09, 15.09.2005
(24) Дата начала отсчета срока действия патента:
15.09.2005
(46) Опубликовано: 27.03.2007
(56) Список документов, цитированных в отчете о поиске:
RU 35923 U, 10.02.2004. RU 2237940 C1, 10.10.2004. GB 2043350 A, 01.10.1980.
Адрес для переписки:
620062, г.Екатеринбург, а/я 33, М.Я. Кауфману
|
(72) Автор(ы):
Мурадов Эльхан Шахбаба оглы (RU), Середко Роман Евгеньевич (RU)
(73) Патентообладатель(и):
Общество с ограниченной ответственностью “Технос” (RU)
|
(54) УСТРОЙСТВО ОТКЛЮЧЕНИЯ ПОСТОЯННОГО ТОКА КОНТАКТНЫМ КОММУТАЦИОННЫМ АППАРАТОМ
(57) Реферат:
Изобретение относится к электротехнике. Устройство содержит включенные в главную цепь контакты, дугогасительную камеру, катушку параллельного магнитного дутья, независимый источник питания, к которому подключена катушка параллельного магнитного дутья, и датчик тока, основанный на преобразователе Холла, для управления полярностью независимого источника питания. Новизна устройства состоит в том, что устройство снабжено запоминающим устройством, вход которого соединен с указанным датчиком тока, а выход – с независимым источником питания. Указанные отличия способствуют исключению влияния обратной магнитной связи между катушкой параллельного магнитного дутья и датчиком тока, что позволило получить технический результат – минимизировать габариты и обеспечить минимальное энергопотребление. 1 ил.
Изобретение относится к электротехнике, а именно к коммутационным аппаратам, в частности к сильноточным аппаратам и предназначено для отключения как больших, так и малых токов, например, для выключателей, защищающих электрооборудование городского электротранспорта.
Устройства отключения постоянного тока известны, например, из следующих источников.
В книге Таев И.С. Электрические аппараты управления: Учебник для вузов по специальности «электрические аппараты». 2-е издание, перераб. и доп. – М.: Высш. шк., 1984., §3-2 описано устройство, которое содержит включенные в главную цепь контакты, дугогасительную камеру и катушку параллельного магнитного дутья. Катушка параллельного магнитного дутья подключена к источнику питания в главной цепи. Недостатками указанного устройства являются: зависимость от направления протекания тока в главной цепи, что не позволяет отключать ток при изменении его направления; отсутствие гальванической развязки между контактами в отключенном положении контактов, что создает угрозу поражения электрическим током в эксплуатации; повышенное потребление электроэнергии из-за постоянного включения в главную цепь катушки параллельного магнитного дутья.
Наиболее близким аналогом к патентуемому устройству можно считать полезную модель РФ №35923, Н 01 Н 33/62, 2003 г.
Это устройство содержит включенные в главную цепь контакты, дугогасительную камеру, катушку параллельного магнитного дутья, независимый источник питания, к которому подключена катушка параллельного магнитного дутья, и датчик тока для управления полярностью независимого источника питания. В качестве датчика тока могут использоваться различные по принципу работы датчики, в том числе основанные на преобразователе Холла.
Нами установлено, что при использовании в указанном известном устройстве датчика тока, основанного на преобразователе Холла, в условиях минимизации габаритов устройства датчик тока и катушка параллельного магнитного дутья находятся достаточно близко. Так как катушка параллельного магнитного дутья создает магнитное поле, а датчик тока измеряет магнитное поле, образованное шиной с током, то существует магнитная связь между указанной катушкой и датчиком тока. Магнитное поле катушки параллельного магнитного дутья подавляет слабое магнитное поле шины с током датчика тока, что способствует выдаче ложного сигнала направления тока.
Патентуемое изобретение направлено на создание устройства с минимальными габаритами и меньшим энергопотреблением.
Технический результат, который достигается изобретением, состоит в исключении влияния обратной магнитной связи между катушкой параллельного магнитного дутья и датчиком тока.
Это достигается тем, что устройство отключения постоянного тока снабжено запоминающим устройством, вход которого соединен с указанным датчиком тока, а выход – с независимым источником питания.
При таком выполнении появляется возможность разорвать цепочку обратной магнитной связи, а на катушку параллельного магнитного дутья подать истинный на момент размыкания контактов зафиксированный сигнал направления тока.
Таким образом, применение запоминающего устройства в управлении магнитным полем позволило избежать магнитного экранирования, которое усложняет устройство.
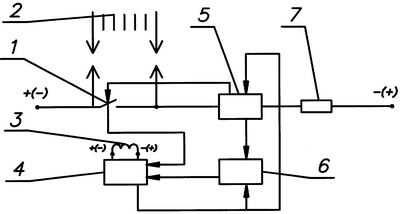
Патентуемое устройство поясняется чертежом, где показана электрическая схема устройства.
Устройство отключения постоянного тока контактным коммутационным аппаратом содержит включенные в главную цепь контакты 1, дугогасительную камеру 2, катушку параллельного магнитного дутья 3, подключенную к независимому источнику питания 4, датчик тока 5, основанный на преобразователе Холла, для управления полярностью независимого источника питания 4 и запоминающее устройство 6. Вход запоминающего устройства соединен с указанным датчиком тока, а выход – с независимым источником питания. В качестве запоминающего устройства могут использоваться: триггер с управляемым тактовым генератором, микропроцессор, микросхема программируемой логики.
Устройство служит для отключения изменяемой нагрузки 7. Датчик тока и запоминающее устройство питаются от независимого источника питания 4.
Устройство работает следующим образом.
При достижении тока срабатывания датчика тока в цепи нагрузки 7 датчик тока 5 выдает сигнал на размыкание контактов 1 в главной цепи. Сигнал направления тока постоянно подается в независимый источник питания через запоминающее устройство 6. При размыкании контактов в цепи нагрузки запоминающее устройство фиксирует сигнал направления тока и подает его в независимый источник питания. В этот же момент независимый источник питания подает напряжение на катушку параллельного магнитного дутья 3, полярность которого определяется сигналом направления тока с запоминающего устройства. При этом полярность независимого источника питания такая, чтобы магнитное поле, создаваемое катушкой параллельного магнитного дутья, создавало усилие для перемещения образовавшейся между контактами дуги в дугогасительную камеру. Магнитное поле катушки параллельного магнитного дутья искажает сигнал направления датчика тока, но сигнал не проходит через запоминающее устройство к катушке параллельного магнитного дутья. Тем самым разрывается обратная магнитная связь между датчиком тока и катушкой параллельного магнитного дутья. После гашения дуги напряжение с катушки 3 снимается, что способствует экономному расходу энергии.
Таким образом, в созданном устройстве исключена обратная магнитная связь между катушкой параллельного магнитного дутья и датчиком тока.
Формула изобретения
Устройство отключения постоянного тока контактным коммутационным аппаратом, содержащее включенные в главную цепь контакты, дугогасительную камеру, катушку параллельного магнитного дутья, независимый источник питания, к которому подключена катушка параллельного магнитного дутья, и датчик тока, основанный на преобразователе Холла, для управления полярностью независимого источника питания, отличающееся тем, что оно снабжено запоминающим устройством, вход которого соединен с указанным датчиком тока, а выход – с независимым источником питания.
РИСУНКИ
|
|