|
|
(21), (22) Заявка: 2005129048/28, 16.09.2005
(24) Дата начала отсчета срока действия патента:
16.09.2005
(46) Опубликовано: 27.03.2007
(56) Список документов, цитированных в отчете о поиске:
RU 2236996 С2, 20.04.2004. RU 2041844 C1, 20.08.1995. SU 1789429 A1, 23.01.1993. JP 2269608 05.11.1990.
Адрес для переписки:
426063, г.Ижевск, ул. Промышленная, 8, ФГУП “Ижевский механический завод”
|
(72) Автор(ы):
Гатаулин Камиль Наильевич (RU), Солодянкин Павел Леонидович (RU)
(73) Патентообладатель(и):
Федеральное государственное унитарное предприятие “Ижевский механический завод” (RU)
|
(54) УСТРОЙСТВО УПРАВЛЕНИЯ НАГРЕВАТЕЛЕМ В УПАКОВОЧНОЙ МАШИНЕ
(57) Реферат:
Изобретение относится к оборудованию для расфасовки и упаковки продуктов в пакеты из полиэтиленовой пленки и может быть использовано в пищевой, химической и других отраслях промышленности. Техническим результатом изобретения является повышение точности поддержания заданной (выбранной) величины мощности на нагревателе, в том числе, при наличии неповторяющихся искажений формы сетевого напряжения и, в конечном итоге, повышение стабильности температуры нагревателя. Устройство содержит источник питания, выполненный в виде дозатора энергии с фазовым управлением. Сущность изобретения заключается в том, что в устройство введен силовой выпрямительный мост и применен транзисторный дозатор энергии, например, в виде транзисторного ключа. 1 ил.
Изобретение относится к упаковочному оборудованию и может быть использовано в пищевой, химической и других отраслях промышленности. Предлагаемое устройство предназначено для использования в качестве устройства управления нагревателем в упаковочном оборудовании, работающем по принципу упаковывания фасуемого продукта в пакеты из термопластичного материала, например, в автомате по розливу жидких продуктов в полиэтиленовые пакеты.
Известно устройство управления нагревателем в упаковочной машине, содержащее источник питания, выполненный в виде тиристорного дозатора энергии с фазовым управлением, включающий выпрямитель, блок фазового управления и силовой блок, содержащий фазосдвигающий конденсатор с блоком заряда и блоком разряда, источник опорного напряжения и компаратор (патент РФ №2041844, кл. В 65 В 51/26, пр. 15.03.93, опубл. 20.08.95).
Наиболее близким к предлагаемому является устройство управления нагревателем в упаковочной машине, содержащее источник питания, выполненный в виде тиристорного дозатора энергии с фазовым управлением, и включающее выпрямитель, блок фазового управления и силовой блок (патент РФ №2236996, кл. В 65 В 51/26, пр. 11.10.2002, опубл. 20.04.2004). Блок фазового управления содержит источник опорного напряжения, измеритель мощности и компаратор. При этом измеритель мощности включает в себя детектор «нуля», преобразователь «напряжение-частота», преобразователь последовательности импульсов, суммирующий счетчик и преобразователь сигнала распределения остаточной мощности, необходимого для определения фазы открывания тиристорного дозатора.
В этом устройстве угол отсечки каждого полупериода определяется сформированным в преобразователе сигналом, начальное значение которого соответствует уровню мощности, накопленной в суммирующем счетчике за предыдущий период измерения, а закон изменения остаточной мощности формируется вычитанием из накопленной величины мгновенных значений текущей мощности, измеряемой в очередном полупериоде.
Недостатком указанного устройства является недостаточная точность поддержания мощности в условиях воздействия нелинейных искажений тока через нагреватель, обусловленная инерционностью измерителя мощности, а именно, сигнал распределения мощности для определения фазы отсечки тиристорного дозатора формируется напряжением текущего полупериода питающего напряжения, а уровень накопленной мощности определяется в суммирующем счетчике по результатам обсчета второй степени напряжения, изменяющегося в течение предыдущего полупериода, при этом априорно предполагается только возможность различной амплитуды полуволн при отсутствии искажений сетевого напряжения.
Технической задачей предлагаемого изобретения является повышение точности поддержания заданной (выбранной) величины мощности на нагревателе, в том числе, при наличии неповторяющихся искажений формы сетевого напряжения и, в конечном итоге, повышение стабильности температуры нагревателя.
Для достижения этого технического результата в устройстве управления нагревателем в упаковочной машине, содержащем источник питания, включающем последовательно соединенные выпрямитель, блок фазового управления, содержащий измеритель мощности, выход которого соединен с одним входом компаратора, к другому входу которого подключен формирователь сигнала порога срабатывания, и силовой блок, включающий нагреватель, дозатор энергии, в силовом блоке применен транзисторный дозатор энергии, например в виде транзисторного ключа, при этом в силовой блок введен силовой выпрямительный мост, одним выходом соединенный с выходом транзисторного дозатора энергии, а другим выходом подключенный к нагревателю.
Использование транзисторного дозатора энергии позволяет исключить из состава измерителя мощности преобразователь сигнала, формирующий сигнал распределения остаточной мощности, который необходим для формирования угла отсечки тиристорного дозатора энергии в следующем после измерения полупериоде. При этом исключается задержка на один полупериод формирования угла отсечки и осуществляется поддержание мощности транзисторным дозатором энергии по значению изменения сетевого напряжения в текущем полупериоде.
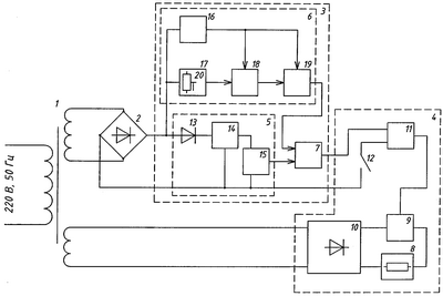
На чертеже приведена структурная схема предлагаемого устройства управления нагревателем в упаковочной машине.
Устройство управления нагревателем в упаковочной машине содержит силовой трансформатор 1, выпрямитель 2 в виде выпрямительного моста, блок 3 фазового управления, силовой блок 4. Блок 3 фазового управления включает формирователь 5 сигнала порога срабатывания, измеритель 6 мощности и компаратор 7. Силовой блок 4 состоит из нагревателя 8, транзисторного дозатора 9 энергии, силового выпрямительного моста 10, ключа 11, управляемого переключателем 12. Формирователь 5 сигнала порога срабатывания содержит разделительный диод 13, стабилизатор 14 напряжения для питания всех элементов блока 3 фазового управления и задающее устройство 15. Измеритель 6 мощности выполнен в виде параллельно соединенных детектора 16 «нуля» и преобразователя 17 «напряжение-частота», выход которого подключен к одному входу преобразователя 18 последовательности импульсов. При этом выход преобразователя 18 последовательности импульсов соединен со счетным входом суммирующего счетчика 19, выход которого является выходом измерителя 6 мощности. Выход детектора 16 «нуля» соединен с обнуляющими входами преобразователя 18 последовательности импульсов и суммирующего счетчика 19. Вход измерителя 6 мощности подсоединен к выходу выпрямителя 2. Выход блока 3 фазового регулирования через ключ 11 подключен к входу транзисторного дозатора 9 энергии силового блока 4. Дополнительный вход ключа 11 через переключатель 12 подключен к общей шине. Вход силового выпрямительного моста 10 подключен к источнику переменного тока (понижающей обмотке силового трансформатора 1), а выпрямленный переменный ток через транзисторный дозатор 9 энергии подается на нагреватель 8.
Устройство работает следующим образом.
В начале полупериода сетевого напряжения детектор 16 «нуля» формирует импульс, по которому обнуляются преобразователь 18 последовательности импульсов и суммирующий счетчик 19. По мере увеличения напряжения на входе преобразователя 17 «напряжение-частота» линейно пропорционально изменяется (увеличивается) частота следования импульсов на входе преобразователя 18 последовательности импульсов, после которого импульсы, частота следования которых пропорциональна второй степени входного напряжения, поступают на счетный вход суммирующего счетчика 19. Коэффициент преобразования преобразователя 17 «напряжение-частота» изменяют построечным резистором 20 таким образом, чтобы с одной стороны исключить переполнение суммирующего счетчика 19, а с другой стороны обеспечить максимально возможное при всех колебаниях сетевого напряжения заполнение разрядов суммирующего счетчика 19. Накапливаемое с начала полуволны сетевого напряжения количество импульсов на выходе суммирующего счетчика 19, пропорциональное второй степени входного напряжения, поступает на один вход компаратора 7, на другой вход которого поступает сигнал порога срабатывания Uоп с формирователя 5 сигнала порога срабатывания. В момент времени, когда величина сигнала на выходе суммирующего счетчика 19, подаваемого на вход компаратора 7, станет равной значению порога срабатывания Uпор формирователя 5 сигнала порога срабатывания, компаратор 7 вырабатывает сигнал, который через ключ 11 подается на управляющий вход транзисторного дозатора 9 энергии и закрывает его. Сформированный таким образом угол фазовой отсечки определяется сигналом на выходе измерителя 6 мощности, пропорциональным второй степени входного напряжения, и величиной порога срабатывания.
При изменении напряжения сети изменяется сигнал распределения мощности на выходе измерителя 6 мощности. При этом угол фазовой отсечки, формируемый компаратором 7, изменится таким образом, чтобы уровень мощности в нагрузке (нагревателе 8) оставался неизменным при любых изменениях формы переменного тока сетевого напряжения.
Предлагаемое устройство позволяет регулировать мощность, выделяющуюся на нагревателе 8, изменяя значение порога срабатывания Uпор при помощи задающего устройства 15, входящего в состав формирователя 5 сигнала порога срабатывания. Варьируя диапазоном изменения порога срабатывания Uпор можно обеспечить необходимую плавность и диапазон регулирования мощности на нагревателе.
Таким образом, предлагаемое устройство обеспечивает плавность регулирования мощности на нагревателе, стабильность температуры нагрева нагревателя в широком диапазоне колебаний напряжения сети и при наличии негармонических искажений переменного тока, а также, при необходимости, регулировку температурного режима.
Формула изобретения
Устройство управления нагревателем в упаковочной машине, содержащее источник питания, включающий последовательно соединенные выпрямитель, блок фазового управления, содержащий измеритель мощности, выход которого соединен с одним входом компаратора, к другому входу которого подключен формирователь сигнала порога срабатывания, и силовой блок, включающий нагреватель, дозатор энергии, отличающееся тем, что в силовом блоке применен транзисторный дозатор энергии, например, в виде транзисторного ключа, при этом в силовой блок введен силовой выпрямительный мост, одним выходом соединенный с входом транзисторного дозатора энергии, а другим выходом подключенный к нагревателю.
РИСУНКИ
|
|