|
|
(21), (22) Заявка: 2005128039/28, 07.09.2005
(24) Дата начала отсчета срока действия патента:
07.09.2005
(46) Опубликовано: 27.03.2007
(56) Список документов, цитированных в отчете о поиске:
БОРОДИН Ю.П., ЕФРЕМОВ М.И., ЗАЙЧУК В.И, Акустико-эмиссионный контроль дисков колесных пар грузовых вагонов. Контроль. Диагностика, 2003, №8, с.28-32. СТЕПАНОВА Л.Н., ТИМОФЕЕВ Д.И., КАРЕЕВ А.Е., и др. Многоканальная акустико-эмиссионная система с автоматическим контролем качества установки датчиков. Контроль. Диагностика, 2005, №6, с.6-15. SU 165000
Адрес для переписки:
630051, г.Новосибирск, ул. Ползунова, 21, ФГУП “СибНИА им. С.А. Чаплыгина”
|
(72) Автор(ы):
Степанова Людмила Николаевна (RU), Ивлиев Валерий Владимирович (RU), Муравьев Виталий Васильевич (RU), Тырин Владимир Павлович (RU), Кабанов Сергей Иванович (RU), Лебедев Евгений Юрьевич (RU)
(73) Патентообладатель(и):
ФГУП “Сибирский научно-исследовательский институт авиации им. С.А. Чаплыгина” (ФГУП “СибНИА им. С.А. Чаплыгина”) (RU)
|
(54) АКУСТИКО-ЭМИССИОННЫЙ СПОСОБ ДИАГНОСТИРОВАНИЯ КОЛЕСНЫХ ПАР ЖЕЛЕЗНОДОРОЖНОГО ПОДВИЖНОГО СОСТАВА И УСТРОЙСТВО ДЛЯ ЕГО ОСУЩЕСТВЛЕНИЯ
(57) Реферат:
Использование: для акустико-эмиссионного диагностирования колесных пар железнодорожного подвижного состава. Сущность: акустические преобразователи устанавливаются на диски колес и ось колесной пары, а после последовательного приложения вертикальной нагрузки к оси, горизонтальной нагрузки к дискам колес и совместных нагрузок осуществляется регистрация основных параметров принятых сигналов акустической эмиссии, определяются временные интервалы между приходом каждого сигнала на акустический преобразователь, принявший сигнал первым, и другими акустическими преобразователями, по временным интервалам определяются координаты источников сигналов акустической эмиссии, после чего осуществляется поворот колесной пары на угол , где m – число поворотов, определяемых из условия, что деформации в контролируемой зоне колесной пары должны быть не менее 0,87 max, где max – максимальная деформация в наиболее нагруженном сечении колесной пары, причем местоположение дефекта при повороте колесной пары на угол будет также смещаться на этот угол, а местоположение сигналов от прикладываемой нагрузки будет оставаться неизменным, кроме того, если при повороте центр кластера в зоне, где колесо опирается о рельс, смещается на угол поворота, то в этой зоне также находится дефект. Технический результат: повышение достоверности контроля, точности локализации дефекта, увеличение быстродействия и расширение функциональных возможностей за счет одновременного контроля колесной пары в сборе. 2 н. и 1 з.п. ф-лы, 7 ил.
(56) (продолжение):
CLASS=”b560m”A1, 08.10.1964. RU 2243532 C2, 27.12.2004. SU 989352 A1, 15.01.1983. WO 9013814 A1, 15.11.1990. GB 1153168 A, 29.05.1969.
Изобретение относится к неразрушающему контролю колесных пар железнодорожного подвижного состава с использованием метода акустической эмиссии.
Известен способ диагностирования конструкций, включающий регистрацию широкополосных акустических сигналов и их волновой формы, оцифровку волновой формы акустических сигналов, вычисление по ней спектра акустических сигналов, их предварительную обработку, фильтрацию помех, регистрацию времени прихода акустических сигналов и вычисление по нему координат их источников, анализ параметров акустических сигналов и оценку степени опасности источников этих сигналов как потенциальных дефектов диагностируемой конструкции. Кроме того, регистрацию времени прихода акустических сигналов и определение по нему координат их источников производят по частоте дискретизации быстродействующих аналого-цифровых преобразователей, которую синхронизируют по всем приемным каналам системы, а фильтрацию помех, анализ параметров акустических сигналов и оценку степени опасности источников этих сигналов дополнительно производят по вычисленным спектрам акустических сигналов с учетом одновременно вычисляемых координат их источников, причем операции вычисления спектра акустических сигналов, вычисления координат их источников, предварительной обработки акустических сигналов, фильтрации помех, анализа параметров акустических сигналов и оценки степени опасности источников акустических сигналов выполняют параллельно на распределенных по локально-вычислительной сети процессорах многоканальных модулей регистрации и предварительной обработки акустических сигналов и модулей анализа акустических сигналов под управлением операционной системы реального времени (Патент РФ. №2141655, МКИ 6 G 01 N 29/14, приоритет от 24.11.98, БИ №32, 1999 г, принятый за аналог).
Недостатком данного способа является следующее обстоятельство. Способ предусматривает регистрацию и цифровую обработку широкополосных акустических импульсов в реальном времени. Он совмещает возможности анализа традиционных параметров акустической эмиссии и определения координат дефектов с анализом формы и спектра импульсов и обеспечивает выполнение операций предварительной обработки и критериального анализа акустической информации в режиме экспресс-анализа, т.е. непосредственно в ходе проведения акустико-эмиссионного контроля. Однако данный способ может быть реализован только при небольшой скорости счета. Если же поток регистрируемых сигналов большой, что встречается часто при акустико-эмиссионной диагностике металлических конструкций, то данный способ не реализуем непосредственно в ходе проведения эксперимента.
Известно многоканальное акустико-эмиссионное устройство для контроля изделий, состоящее из 1…n блоков, каждый из которых содержит четыре измерительных канала, состоящих из последовательно соединенных акустического преобразователя, предварительного усилителя, фильтра, пикового детектора, выход которого соединен с инвертирующим входом компаратора, а также содержит цифроаналоговый преобразователь, выход которого подключен к неинвертирующему входу компаратора, а также коммутатор каналов, основной усилитель, аналого-цифровой преобразователь, оперативное запоминающее устройство и таймер. Кроме того, в устройстве последовательно соединены коммутатор каналов, основной усилитель, аналого-цифровой преобразователь, оперативное запоминающее устройство, выход которого соединен с первым входом устройства сопряжения, причем четыре входа коммутатора каналов соединены с выходами фильтров каналов и входами пиковых детекторов соответствующих каналов, а входы цифроаналоговых преобразователей четырех каналов блока объединены и соединены с первым выходом устройства сопряжения, выходы компараторов каждого канала подключены ко входам таймера, выход которого соединен со вторым входом оперативного запоминающего устройства, второй выход устройства сопряжения соединен с третьим входом таймера, а третий выход устройства сопряжения соединен с шиной компьютера (Патент РФ №2150698, МПК 7 G 01 N 29/14, 29/04, приоритет от 25.11.97 г., БИ №16, 2000 г., принятый за аналог).
К числу основных недостатков данного устройства относятся:
– низкое быстродействие, обусловленное наличием коммутирующих устройств в блоках. Низкое быстродействие является причиной появления погрешностей при измерении амплитуды, времени прихода, спектра сигналов акустической эмиссии. Это приводит не только к понижению быстродействия всего устройства, но при этом резко повышаются погрешности локализации и уменьшается объем передаваемой информации;
– взаимное влияние каналов, вызванное прохождением паразитных сигналов через коммутирующие устройства на соседний канал;
– невозможность определения в реальном масштабе времени спектральных характеристик сигналов акустической эмиссии, а, следовательно, и типа дефекта, так как вся обработка информации осуществляется в одном центральном процессоре.
Недостатком данного способа является низкая точность локализации дефектов, поскольку имеется всего три акустических преобразователя. Следует отметить, что однозначное определение координат возможно в пьезоантенне, состоящей из четырех акустических преобразователей. Введение четвертого акустического преобразователя дает возможность измерять три разности времен прихода сигнала, причем третье значение устраняет неоднозначность в определении координат. Четырехточечное размещение акустических преобразователей повышает помехоустойчивость, обеспечивает высокую гибкость при контроле больших поверхностей сложной формы (Серьезнов А.Н., Степанова Л.Н., Муравьев В.В. и др. Акустико-эмиссионная диагностика конструкций – М.: Радио и связь, 2000, с.93-97). Схема нагружения диска колеса в прототипе не соответствует нагружению колеса в условиях эксплуатации, поскольку нет нагрузки на поверхность катания колеса. Кроме того, область контроля диска колеса грузового вагона большая и неравномерная по сечению, то есть диск находится в сложно-напряженном состоянии и деформации по его сечениям будут разными, поэтому браковочные критерии тоже должны изменяться в соответствии с изменением деформаций. Однако в способе, принятом за прототип, указывается, что при браковке в любой зоне диска колеса в кластере должно быть более 10 событий акустической эмиссии. При этом не указывается число событий, а также как и от чего браковочный критерий может изменяться, то есть в способе, принятом за прототип, уровень браковки для всех сечений диска колеса выбирается одинаковым.
Достоверность результатов контроля способа, принятого за прототип, низкая, поскольку осуществляется всего три оборота диска колеса. При данном способе нагружения удается в напряженно-деформированном состоянии удерживать лишь небольшой сектор диска колеса, а, следовательно, именно этот сектор и может диагностироваться методом акустической эмиссии. Остальная часть диска колесной пары при этом будет не нагружена, а значит, не может диагностироваться методом акустической эмиссии. Кроме того, данный способ обладает ограниченными функциональными возможностями, поскольку контролируется только один диск колесной пары грузового вагона, а ось колесной пары, ступица и подступичная части в данном способе не контролируются. Однако технологически в условиях депо необходимо осуществлять контроль колесных пар в сборе.
Наиболее близким по технической сущности является многоканальное акустико-эмиссионное устройство для диагностики конструкций, состоящее из 1…n блоков, каждый из которых содержит четыре измерительных канала, каждый из каналов содержит последовательно соединенные акустический преобразователь, предварительный усилитель, фильтр, программируемый основной усилитель, аналого-цифровой преобразователь, а также содержит генератор калибровочных импульсов и последовательно соединенные устройство управления и устройство сопряжения, выход которого соединен с шиной компьютера, которая, в свою очередь, соединена с центральным процессором компьютера. Кроме того, в предварительный усилитель введены два ключа, причем первый вход первого ключа соединен с выходом акустического преобразователя и входом предварительного усилителя, а второй вход первого ключа соединен со вторым входом второго ключа и входом двухпозиционного ключа, первый вход второго ключа соединен с выходом предварительного усилителя, а первый выход двухпозиционного ключа соединен с последовательно соединенными фильтром, программируемым основным усилителем, аналого-цифровым преобразователем, выход которого соединен со входом цифрового мультиплексора, первый выход которого соединен со входом оперативного запоминающего устройства, а второй выход – со входом цифрового компаратора кодов, выход оперативного запоминающего устройства соединен с первым входом устройства управления, выход которого двунаправленной шиной соединен со вторым входом цифрового компаратора кодов и первым входом регистра времени прихода, второй вход которого соединен с выходом цифрового компаратора кодов, а второй выход двухпозиционного ключа соединен с выходом генератора калибровочных импульсов, вход которого соединен с третьим выходом устройства управления (Степанова Л.Н., Тимофеев Д.И., Кареев А.Е. и др. Многоканальная акустико-эмиссионная система с автоматическим контролем качества установки датчиков – Контроль. Диагностика, 2005, №4, с.6-15, прототип).
К числу основных недостатков данного устройства относятся:
– при акустико-эмиссионном контроле железнодорожных колесных пар изменяют режим нагружения, что позволяет акустически проявляться развивающимся дефектам. Поскольку железнодорожная колесная пара является конструктивно сложным и массивным объектом контроля, то при ее нагружении в акустических сигналах присутствуют быстрые моды;
– в устройстве, принятом за прототип, время прихода сигнала акустической эмиссии определяется по срабатыванию цифрового компаратора. Поскольку в данном устройстве в каждом канале отсутствуют фильтры высоких частот, то срабатывание цифрового компаратора происходит по быстрой моде. Это приводит к значительной погрешности при определении координат дефектов.
При разработке заявляемого акустико-эмиссионного способа диагностирования колесных пар железнодорожного подвижного состава и устройства для его осуществления была поставлена задача повышения достоверности контроля, точности локализации дефекта, увеличение быстродействия и расширение функциональных возможностей за счет одновременного контроля колесной пары в сборе. Для выявления дефектов осуществляют нагружение колесной пары вертикальными, горизонтальными и совместными нагрузками, так как такой вид нагружения позволяет акустически проявить себя развивающимся дефектам.
Поставленная задача решается за счет того, что в предлагаемом акустико-эмиссионном способе диагностирования колесных пар железнодорожного подвижного состава, заключающемся в том, что в диагностическом стенде последовательно нагружают диск колесной пары изменяющимися во времени силами, действующими в вертикальном направлении на обод колеса и осевом направлении – на ступицу, совместными силами, действующими одновременно в вертикальном и осевом направлении, принимают возникающие при этом сигналы акустической эмиссии акустическими преобразователями, установленными на диске колесной пары, измеряют параметры принятых сигналов акустической эмиссии, определяют кластеры, а местоположение дефекта определяют по местоположению центра кластера, после чего осуществляют поворот колесной пары. Кроме того, согласно изобретению акустические преобразователи устанавливаются на диски колес и ось колесной пары, а после последовательного приложения вертикальной нагрузки к оси, горизонтальной нагрузки к дискам колес и совместных нагрузок осуществляется регистрация основных параметров принятых сигналов акустической эмиссии, определяются временные интервалы между приходом каждого сигнала на акустический преобразователь, принявший сигнал первым, и другими акустическими преобразователями, по временным интервалам определяются координаты источников сигналов акустической эмиссии, после чего осуществляется поворот колесной пары на угол , где m – число поворотов, определяемых из условия, что деформации в контролируемой зоне колесной пары должны быть не менее 0,87 max, где max – максимальная деформация в наиболее нагруженном сечении колесной пары, причем местоположение дефекта при повороте колесной пары на угол будет также смещаться на этот угол, а локализация сигналов от прикладываемой нагрузки будет оставаться неизменной, если при повороте центр кластера в зоне, где колесо опирается о рельс, смещается на угол поворота, то в этой зоне находится дефект.
Поставленная задача решается также за счет того, что вводится кластеризация по форме сигнала и осуществляется контроль подобия сигналов по корреляционной функции (где cov – ковариация двух сигналов акустической эмиссии; Xi(t) – оцифрованное значение i-го сигнала; Yk(t- ) – оцифрованное значение k-го сигнала акустической эмиссии; – смещение одного сигнала относительно другого; Xi, Yi – средние квадратические отклонения сигналов; n – число сигналов в файле; Р – коэффициент корреляции; Рj – пороговый коэффициент корреляции, установленный для j-го кластера; j – номер кластера; Nj – число сигналов, образующих данный кластер, и если коэффициент корреляции сигналов акустической эмиссии из одного сечения при различных поворотах колесной пары удовлетворяет данному условию, то сигнал относится к кластеру выбранного сигнала и добавляется единица к счетчику сигналов данного кластера Nj, а число сигналов счетчика соответствует степени опасности дефекта, и если Nj>Nкрит, (где Nкрит – критическое число сигналов для выбранного сечения), то колесная пара бракуется.
Поставленная задача решается также за счет того, что многоканальное акустико-эмиссионное устройство для диагностирования колесных пар железнодорожного подвижного состава, состоящее из 1…n блоков, каждый из которых содержит четыре измерительных канала, состоящих из последовательно соединенных акустического преобразователя и предварительного усилителя, фильтра, программируемого основного усилителя, аналого-цифрового преобразователя, а также содержит генератор калибровочных импульсов и последовательно соединенные оперативное запоминающее устройство, устройство управления, выход которого соединен с шиной компьютера, которая, в свою очередь, соединена с центральным процессором компьютера, два ключа, причем, первый вход первого ключа соединен с выходом акустического преобразователя, а второй вход первого ключа соединен со вторым входом второго ключа и входом двухпозиционного ключа, первый вход второго ключа соединен с выходом предварительного усилителя, с выхода предварительного усилителя через замкнутые второй и двухпозиционный ключи сигналы акустической эмиссии поступают на вход фильтра, при этом первый выход двухпозиционного ключа соединен с последовательно соединенными фильтром, программируемым основным усилителем, аналого-цифровым преобразователем, выход которого соединен со входом цифрового мультиплексора, а второй выход двухпозиционного ключа соединен с выходом генератора калибровочных импульсов, вход которого соединен с первым выходом устройства управления. Кроме того, согласно изобретению, выход программируемого усилителя соединен с узкополосным перестраиваемым фильтром, выход которого соединен со входом компаратора, выход которого соединен с соответствующим входом счетчика времени прихода, выход которого двунаправленной шиной соединен со вторым входом устройства управления, а управляющие входы двухпозиционных ключей объединены и соединены с третьим управляющим входом устройства управления, а управляющие входы программируемых усилителей объединены и соединены с четвертым входом устройства управления.
Предлагаемая система по сравнению с существующими акустико-эмиссионными системами (Серьезнов А.Н., Степанова Л.Н., Муравьев В.В. и др. Диагностика объектов транспорта методом акустической эмиссии / Под ред Л.Н.Степановой, В.В.Муравьева – М. Машиностроение, 2004, с.24-57) позволяет с более высокой точностью определять время прихода сигналов АЭ, а, следовательно, и с более высокой точностью определяет координаты дефектов. Для этого в предлагаемом устройстве исключаются из акустического сигнала быстрые моды, что достигается включением в тракт обработки узкополосного высокочастотного фильтра. При этом сигнал акустической эмиссии записывается в оперативное запоминающее устройство без искажения, что позволяет производить дальнейшую обработку сигналов.
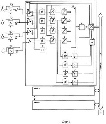
На фиг.1 приведена функциональная схема устройства, реализующего акустико-эмиссионный способ диагностирования колесных пар железнодорожного подвижного состава. На фиг.2 приведены временные диаграммы, поясняющие изменения горизонтальной, вертикальной и совместных нагрузок, действующих на колесную пару. На фиг.3 изображена схема расстановки акустических преобразователей на ось и диски колес колесной пары. На фиг.4 приведена зависимость деформации от угла поворота колесной пары. На фиг.5 показано изменение деформации колеса от допустимого угла поворота колесной пары. На фиг.6 изображена временная диаграмма циклического нагружения дисков колес в способе, принятом за прототип. На фиг.7 показано изменение области локализации дефекта при трех положениях колесной пары.
Устройство, реализующее акустико-эмиссионный способ диагностирования колесных пар железнодорожного подвижного состава (фиг.1) содержит:
1…n – блоки;
2 – акустический преобразователь;
3 – предварительный усилитель;
4 – фильтр;
5 – программируемый основной усилитель;
6 – аналого-цифровой преобразователь;
7 – генератор калибровочных импульсов;
8 – оперативное запоминающее устройство;
9 – устройство управления;
10 – сигнальная шина компьютера;
11 – компьютер;
12, 13 – ключи;
14 – двухпозиционный ключ;
15 – цифровой мультиплексор;
16 – узкополосный перестраиваемый фильтр;
17 – компаратор;
18 – счетчик времен прихода.
Практическое исполнение предлагаемого устройства, реализующего акустико-эмиссионный способ диагностирования колесных пар железнодорожного подвижного состава, выполняется по известным схемам с использованием следующих компонентов:
– сигнальный процессор TMS 320 LC 548; программируемая логическая интегральная схема семейства МАХ 7000 ЕРМ 7192 SOC 160-7;
– оперативное запоминающее устройство UV 628100; цифро-аналоговый преобразователь TLC 7528; операционные усилители AD 797, МС 33282; аналого-цифровые преобразователи AD 9260.
Их основные характеристики изложены в следующих источниках:
1. ПЛИС фирма ALTERA: проектирование устройств обработки сигналов – М.: ДОДЭКА, 2000, с.18.
2. Интернет-сайты фирмы Texas Instruments – www.ti.com, фирмы Analog Devices – www.ad.com; фирмы Motorolla – www.motco.com; фирмы Altera – www.altera.com.
3. Система схемотехнического моделирования MICRO-CAP5-M.: «СОЛОН», 1997.
4. Микросхемы для аналого-цифрового преобразования и средств мультимедиа – М.: ДОДЭКА, 1996, вып.1, с.214.
Многоканальное акустико-эмиссионное устройство для диагностирования колесных пар железнодорожного подвижного состава (фиг.1) состоит из 1…n блоков, каждый из которых содержит четыре измерительных канала, состоящих из последовательно соединенных акустического преобразователя 2 и предварительного усилителя 3, фильтра 4, программируемого основного усилителя 5, аналого-цифрового преобразователя 6, а также содержит генератор калибровочных импульсов 7 и последовательно соединенные оперативное запоминающее устройство 8, устройство управления 9, выход которого соединен с шиной компьютера 10, которая, в свою очередь, соединена с центральным процессором компьютера 11, два ключа 12, 13, причем первый вход первого ключа 12 соединен с выходом акустического преобразователя 2, а второй вход первого ключа 12 соединен со вторым входом второго ключа 13 и входом двухпозиционного ключа 14, первый вход второго ключа 13 соединен с выходом предварительного усилителя 3, с выхода предварительного усилителя 3 через замкнутые второй 13 и двухпозиционный 14 ключи сигналы акустической эмиссии поступают на вход фильтра 4, при этом первый выход двухпозиционного ключа 14 соединен с последовательно соединенными фильтром 4, программируемым основным усилителем 5, аналого-цифровым преобразователем 6, выход которого соединен со входом цифрового мультиплексора 15, а второй выход двухпозиционного ключа 14 соединен с выходом генератора калибровочных импульсов 7, вход которого соединен с первым выходом устройства управления 9. Кроме того, выход программируемого усилителя 5 соединен с узкополосным перестраиваемым фильтром 16, выход которого соединен со входом компаратора 17, выход которого соединен с соответствующим входом счетчика времени прихода 18, выход которого двунаправленной шиной соединен со вторым входом устройства управления 9, а управляющие входы двухпозиционных ключей 14 объединены и соединены с третьим управляющим входом устройства управления 9, а управляющие входы программируемых усилителей 5 объединены и соединены с четвертым входом устройства управления 9.
Предложенная система и способ работают следующим образом. Вначале, перед диагностированием колесной пары, производится ее тестирование, состоящее в измерении скорости звука на той части колесной пары, где осуществляется диагностика (ось, диски колесных пар, подступичные области). Каждый измерительный канал блока может работать в двух основных режимах – излучения и приема сигналов акустической эмиссии. При этом все измерительные каналы каждого блока системы поочередно переводятся в режим излучения. Оставшиеся три канала каждого блока при этом работают в режиме приема. Центральный процессор компьютера 11 через шину PCI 10 подает на устройство управления 9 команду, по которой устройство управления 9 формирует сигнал управления для ключа 14 выбранного канала, при котором ключ 14 подключается на выход генератора калибровочных импульсов 7. При этом с предварительного усилителя 3 снимается напряжение питания и ключи 12, 13 переключаются в режим тестирования, когда ключ 12 замкнут, ключ 13 разомкнут. Затем центральный процессор компьютера 11 через шину PCI и устройство управления 9 формирует сигнал запуска генератора калибровочных импульсов 7, по которому он формирует высоковольтный импульс напряжения, поступающий на вход акустического преобразователя 2 через замкнутые ключи 12,13. Акустический преобразователь 2 выбранного измерительного канала блока работает в режиме излучения, излучает акустический сигнал, который распространяется по выбранной зоне колесной пары (диск колеса, ось или под ступичная часть). Остальные акустические преобразователи 2 блока при этом работают в режиме приема и преобразуют акустические сигналы, распространяющиеся в выбранной зоне колесной пары от акустического преобразователя 2, работающего в режиме излучения, в электрические сигналы. Затем электрические сигналы поступают на входы предварительных усилителей 3. Система измеряет время распространения акустического сигнала по колесной паре и вычисляет скорость распространения акустического сигнала как

где а’ – расстояние от акустического преобразователя, работающего в режиме излучения, до акустического преобразователя, работающего в режиме приема; t – время распространения акустического сигнала от акустического преобразователя, работающего в режиме излучения, до акустического преобразователя, работающего в режиме приема.
После проведения тестирования колесной пары и определения скорости звука осуществляют ее последовательное нагружение в диагностическом стенде сначала вертикальными Рy, затем горизонтальными Pz и далее совместными (вертикальными и горизонтальными) нагрузками. На одно колесо прикладывалась вертикальная сила, равная 14 тс, разгрузка осуществлялась при 3,85 те (фиг.2). Нагружение горизонтальной (осевой) силой осуществлялось от 0 до 12 тс. Разгрузка при этом производилась при 0 тс. На фиг.3 показана расстановка акустических преобразователей на колесной паре. В процессе исследования определялся максимально возможный дискретный угол поворота колесной пары вокруг своей оси. Исследования деформаций, возникающих в различных сечениях колеса при разных углах поворота (от некоторого произвольно выбранного положения колеса) показали, что закон изменения деформаций от угла поворота подчиняется синусоидальному закону

где а – коэффициент пропорциональности, зависящий от выбранного сечения и уровня прикладываемой нагрузки Рy, Pz; – угол поворота; – смещение угла, зависящее от выбранного сечения колесной пары.
На фиг.4 показана зависимость деформации от угла поворота колеса. Деформации, возникающие в колесе, являются следствием прикладываемых нагрузок, то есть =f(Py, Рz). Поэтому возникает необходимость определения максимально допустимого угла поворота колеса, при котором все сечения в колесе испытывали бы деформации, удовлетворяющие условию:

где max, ‘max – максимальные деформации во взаимно противоположных направлениях. Поскольку в (1) функция периодическая, то max=-a при + =90° и ‘max=а при угле поворота + =270°. Обозначим угол поворота + = 1 и из уравнений (1), (2) перейдем к уравнениям

Следовательно,

Условию (3) удовлетворяют значения угла 1 на отрезке от 65° до 115° и от 245° до 295°. На фиг.5 приведены результаты расчета деформаций колеса в зависимости от угла поворота.
В условиях депо, когда колесные пары диагностируются на потоке, важно уменьшить время диагностирования. На фиг.6 показан график циклического нагружения дисков колес в способе, принятом за прототип. Если предположить, что длительности тестового нагружения в способе, принятом за прототип, и в предлагаемом способе равны, то есть t1=t2=t, (где t1 – длительность тестового нагружения в способе, принятом за прототип; t2 – длительность тестового нагружения (фиг.2) в предлагаемом способе), то два диска колесной пары в способе, принятом за прототип, диагностируются за время, равное
T1=[2( ·t)·m1]·k=2(3·3 мин)·3=54 мин,
где =3 – число циклов в одном нагружении; m1=3 – число поворотов диска колесной пары в способе, принятом за прототип; k – количество типов прикладываемых сил (осевая, вертикальная, совместная). В предлагаемом способе вся колесная пара, включающая два диска колес, ось, две ступицы и две подступичные части нагружается одновременно, а следовательно, диагностируются за время, равное
T2=(t·m2)·k=(1 мин·6)·3=18 мин,
где m2=6 – число поворотов колесной пары в предлагаемом способе.
Таким образом, в предлагаемом способе (по сравнению со способом, принятым за прототип) имеется выигрыш по времени диагностирования в Следует также подчеркнуть, что в предлагаемом способе удается в три раза быстрее продиагностировать всю колесную пару в сборе, а в способе, принятом за прототип, диагностируются только диски колес. Таким образом, предлагаемый способ диагностирования колесных пар позволяет не только сократить время диагностирования, но и расширить функциональные возможности способа.
Появляющиеся при нагружении колесной пары акустические сигналы от дефектов преобразуются в электрические сигналы акустическими преобразователями 2, работающими в режиме приема. С выхода акустических преобразователей 2 электрические сигналы поступают на входы предварительных усилителей 3, в которых ключи 12 разомкнуты, а ключи 13, 14 замкнуты. С выходов предварительных усилителей 3 через замкнутые ключи 13, 14 сигналы акустической эмиссии поступают на входы полосовых фильтров 4, обеспечивающих фильтрацию паразитных сигналов за пределами их полосы пропускания. С выходов фильтров 4 сигналы поступают на входы основных усилителей 5, обладающих программируемым коэффициентом усиления. Далее сигналы проходят на входы аналого-цифровых преобразователей 6, которые осуществляют дискретизацию аналоговых сигналов. Кодовые эквиваленты сигналов акустической эмиссии с выхода аналого-цифровых преобразователей 6 поступают на входы цифрового мультиплексора 15 и последовательно записываются в оперативное запоминающее устройство 8. Центральный процессор 11 компьютера считывает из оперативного запоминающего устройства 8 измерительную информацию через шину PCI 10 и устройство управления 9. Одновременно сигналы с выходов основных усилителей 5 с программируемым коэффициентом усиления поступают на вход узкополосных фильтров 16, предварительно настроенных на главную резонансную частоту акустических преобразователей 2. С выхода узкополосных фильтров 16 очищенные сигналы поступают на входы компараторов 17. При превышении сигналом акустической эмиссии порогового уровня компаратор 17 вырабатывает сигнал управления, поступающий на вход счетчика времен прихода 18, в котором регистрируются времена прихода. С выхода счетчика времен прихода 18 зарегистрированные времена прихода акустических сигналов поступают на управляющее устройство 9 и далее через шину PCI 10 поступают в центральный процессор компьютера 11, где осуществляется расчет координат источников сигналов акустической эмиссии колесной пары (фиг.7, а) (Диагностика объектов транспорта методом акустической эмиссии / А.Н.Серьезнов, Л.Н.Степанова, В.В.Муравьев и др. / Под ред. Л.Н.Степановой, В.В.Муравьева – М.: Машиностроение, 2004, с.62-107). Зона локализации при повороте колесной пары на угол будет также смещаться на этот угол, а локализация сигналов от прикладываемой нагрузки будет оставаться неизменной. Если при повороте локализация в зоне, где колесо опирается о рельс, смещается на угол поворота, то в этой зоне находится дефект (фиг.7, б, в).
Через устройство управления 9 и шину PCI 10 центральным процессором компьютера 11 из оперативного запоминающего устройства 8 выбираются данные о форме сигналов акустической эмиссии и рассчитываются их основные параметры. Поскольку диск железнодорожного колеса имеет сложную форму значительной толщины, то в нем распространяются быстрые моды акустических сигналов, которые искажают значения времен прихода основной моды на акустический преобразователь 2. Быстрая мода по частоте отличается от основной моды, поэтому узкополосные фильтры 16 отфильтровывают быструю моду от основной. Это позволяет повысить точность локализации сигналов акустической эмиссии от дефектов в колесной паре железнодорожного подвижного состава.
Формула изобретения
1. Акустико-эмиссионный способ диагностирования колесных пар железнодорожного подвижного состава, заключающийся в том, что в диагностическом стенде последовательно нагружают диск колесной пары изменяющимися во времени силами, действующими в вертикальном направлении на обод колеса и осевом направлении на ступицу, совместными силами, действующими одновременно в вертикальном и осевом направлениях, принимают возникающие при этом сигналы акустической эмиссии акустическими преобразователями, установленными на диске колесной пары, измеряют параметры принятых сигналов акустической эмиссии, определяют кластеры, а местоположение дефекта определяют по местоположению центра кластера, после чего осуществляют поворот диска колесной пары, отличающийся тем, что акустические преобразователи устанавливаются на диски колес и ось колесной пары, а после последовательного приложения вертикальной нагрузки к оси, горизонтальной нагрузки к дискам колес и совместных нагрузок осуществляется регистрация основных параметров принятых сигналов акустической эмиссии, определяются временные интервалы между приходом каждого сигнала на акустический преобразователь, принявший сигнал первым, и другими акустическими преобразователями, по временным интервалам определяются координаты источников сигналов акустической эмиссии, после чего осуществляется поворот колесной пары на угол , где m – число поворотов, определяемых из условия, что деформации в контролируемой зоне колесной пары должны быть не менее 0,87 max, где max – максимальная деформация в наиболее нагруженном сечении колесной пары, причем местоположение дефекта при повороте колесной пары на угол будет также смещаться на этот угол, а местоположение сигналов от прикладываемой нагрузки будет оставаться неизменным, если при повороте центр кластера в зоне, где колесо опирается о рельс, смещается на угол поворота, то в этой зоне находится дефект.
2. Способ по п.1, отличающийся тем, что вводится кластеризация по форме сигнала и осуществляется контроль подобия сигналов по корреляционной функции

(где cov – ковариация двух сигналов акустической эмиссии; Xi(t) – оцифрованное значение i-го сигнала; Yk(t- ) – оцифрованное значение k-го сигнала акустической эмиссии; – смещение одного сигнала относительно другого; Xi, Yi – средние квадратические отклонения сигналов; n – число сигналов в файле; Р -коэффициент корреляции; Pj – пороговый коэффициент корреляции, установленный для j-го кластера; j – номер кластера; Nj – число сигналов, образующих данный кластер) и если коэффициент корреляции сигналов акустической эмиссии из одного сечения при различных поворотах колеса удовлетворяет данному условию, то сигнал относится к кластеру выбранного сигнала и добавляется единица к счетчику сигналов данного кластера Nj, а число сигналов счетчика соответствует степени опасности дефекта и если Nj>Nкрит, (где Nкрит – критическое число сигналов для выбранного сечения), то колесная пара бракуется.
3. Многоканальное акустико-эмиссионное устройство для диагностирования колесных пар железнодорожного подвижного состава, состоящее из 1…n блоков, каждый из которых содержит четыре измерительных канала, состоящих из последовательно соединенных акустического преобразователя и предварительного усилителя, фильтра, программируемого основного усилителя, аналого-цифрового преобразователя, а также содержит генератор калибровочных импульсов и последовательно соединенные оперативное запоминающее устройство, устройство управления, выход которого соединен с шиной компьютера, которая, в свою очередь, соединена с центральным процессором компьютера, два ключа, причем первый вход первого ключа соединен с выходом акустического преобразователя, а второй вход первого ключа соединен со вторым входом второго ключа и входом двухпозиционного ключа, первый вход второго ключа соединен с выходом предварительного усилителя, с выхода предварительного усилителя через замкнутые второй и двухпозиционный ключи сигналы акустической эмиссии поступают на вход фильтра, при этом первый выход двухпозиционного ключа соединен с последовательно соединенными фильтром, программируемым основным усилителем, аналого-цифровым преобразователем, выход которого соединен со входом цифрового мультиплексора, а второй выход двухпозиционного ключа соединен с выходом генератора калибровочных импульсов, вход которого соединен с первым выходом устройства управления, отличающееся тем, что выход программируемого усилителя соединен с узкополосным перестраиваемым фильтром, выход которого соединен со входом компаратора, выход которого соединен с соответствующим входом счетчика времени прихода, выход которого двунаправленной шиной соединен со вторым входом устройства управления, а управляющие входы двухпозиционных ключей объединены и соединены с третьим управляющим входом устройства управления, а управляющие входы программируемых усилителей объединены и соединены с четвертым входом устройства управления.
РИСУНКИ
MM4A – Досрочное прекращение действия патента СССР или патента Российской Федерации на изобретение из-за неуплаты в установленный срок пошлины за поддержание патента в силе
Дата прекращения действия патента: 08.09.2009
Извещение опубликовано: 27.11.2010 БИ: 33/2010
|
|