|
|
(21), (22) Заявка: 2005126594/28, 22.08.2005
(24) Дата начала отсчета срока действия патента:
22.08.2005
(46) Опубликовано: 27.03.2007
(56) Список документов, цитированных в отчете о поиске:
Адрес для переписки:
454138, г.Челябинск, Комсомольский пр-т, 29, ЗАО ПГ “Метран”, для Т.А. Крымской
|
(72) Автор(ы):
Ушаков Леонид Васильевич (RU), Саинский Иван Вадимович (RU), Мечина Ирина Николаевна (RU), Шердаков Николай Николаевич (RU)
(73) Патентообладатель(и):
Закрытое акционерное общество Российская приборостроительная корпорация “Системы управления” (RU)
|
(54) СПОСОБ И ИНТЕГРИРОВАННАЯ СИСТЕМА ИНДИВИДУАЛЬНОГО УЧЕТА И РЕГУЛИРОВАНИЯ ПОТРЕБЛЕНИЯ ЭНЕРГОРЕСУРСОВ В ЖИЛИЩНО-КОММУНАЛЬНОМ ХОЗЯЙСТВЕ
(57) Реферат:
Изобретение относится к области приборостроения, в частности к системам контроля измерительной информации по первичным параметрам, определяющим потребление квартиросъемщиками коммунальных услуг (горячая и холодная вода, тепловая энергия и электроэнергия, газ). Технический результат – повышение точности измерения и расширение функциональных возможностей. Для достижения данного результата устанавливают в каждой квартире термостатические вентили для регулирования теплового режима, средства отображения информации о количестве потребленных энергоресурсов и их стоимости. Для измерения расхода газа и электроэнергии используют электромеханические счетчики с интерфейсными модулями для преобразования аналоговых сигналов в цифровые. Для измерения тепла и расхода воды используют соответственно интеллектуальные сенсоры преобразования температуры (ИСПТ) и интеллектуальные сенсоры преобразования количества воды (ИСПК). 2 н.п. ф-лы, 2 ил.
Изобретение относится к средствам учета потребления коммунальных услуг жилищно-коммунального хозяйства (ЖКХ), в частности к системам формирования, контроля измерительной информации по первичным параметрам, определяющим потребление квартиросъемщиками коммунальных услуг (горячая и холодная вода, тепловая энергия и электроэнергия, газ), и передачи ее для обработки с целью получения значений (величин) фактически израсходованных потребителями энергоресурсов по переданной информации и контроля исправности элементов системы при эксплуатации и обслуживании жилых зданий и проведения расчетов за коммунальные услуги, и может использоваться в жилищно-коммунальном хозяйстве для любых типов зданий и систем теплоснабжения.
Известен способ локального контроля и учета теплопотребления, описанный в патенте РФ № 2105958 по кл. G 01 K 17/00, 17/08, з. 21.12.1995, on. 27.02.1998.
Известный способ заключается в том, что проводят термометрические измерения в отдельных группах теплоиспользующих установок на их входе и выходе с помощью термопреобразователей с различными уровнями подаваемых сигналов (на один градус разности температур), которые создают пропорциональными относительным номинальным тепловым мощностям соответствующих теплоиспользующих установок, обеспечивая пропорциональность суммарного уровня сигнала общему потреблению тепловой энергии.
Недостатком известного способа является не очень высокая точность измерений, обусловленная тем, что при измерении не учитываются расходы энергоносителей на отопление мест общего пользования – лестничные переходы, подъезд.
Известен способ определения расхода тепла локальными потребителями, входящими в объединенную систему потребителей тепла, описанный в патенте РФ № 2138029 по кл. G 01 K 17/08, з. 09.06.1998, оп. 20.09.1999 г.
Известный способ заключается в том, что определяют расход тепла объединенной системой потребителей тепла за конкретное время теплоотдачи теплоисточником, измеряют разность температур на поверхности теплоисточника локального потребителя тепла и охлаждающей среды локального потребителя тепла, определяют средний коэффициент теплоотдачи по объединенной системе потребителей тепла по формуле:
=Q/t× Si× Ti,
где – средний коэффициент теплоотдачи по объединенной системе потребителей тепла;
Q – расход тепла объединенной системой потребителей за конкретное время теплоотдачи теплоисточником;
Si – площадь поверхности теплоисточника локального потребителя тепла;
Ti – разность температур на поверхности теплоисточника локального потребителя тепла и охлаждающей среды локального потребителя тепла;
t – время теплоотдачи теплоисточником;
i=1-n, где n – количество локальных потребителей тепла,
затем определяют расход тепла локальным потребителем тепла за то же конкретное время теплоотдачи теплоисточником по формуле
Qi= ×Si× Ti×t,
где Qi – расход тепла локальным потребителем за конкретное время теплоотдачи теплоисточником.
Недостатком известного способа является невысокая точность определения расхода энергоносителей, обусловленная тем, что Qi – это фактически доля расхода тепловой энергии, приходящаяся на данную квартиру в обще домовом потреблении тепла, включая тепло, потраченное на обогрев мест общего пользования. При таком подходе при Ti 0 к нулю также будет стремиться и величина тепла, потраченная на обогрев мест общего пользования, отнесенная к i-й квартире, и реальная величина будет распределена между отдельными квартирами. Кроме того, потребитель не видит, сколько тепла израсходовано на обогрев его квартиры, а сколько на обогрев мест общего пользования. Видя только суммарную величину потребления, потребитель слабо заинтересован в экономии тепла.
Известна система сетевого диспетчерского контроля, описанная в статье “От диспетчеризации лифтов – к информатизации предприятий” в журнале “Жилищно-коммунальное хозяйство”, 2001, № 6 стр.16-20. Известная система включает комплексы телемеханики, устанавливаемые в каждом из ЖЭКов, и интегрирующую их систему сетевого диспетчерского контроля, включающую оборудование объекта: устройства охранной сигнализации и диагностики лифтов, датчики давления, расхода, температуры для контроля системы тепло- и водоснабжения, исполнительные устройства, а также центральный пульт в виде радиостанции на диспетчерском пункте, связанную с объектами диспетчеризации проводной или радиосвязью через соответствующие модемы.
Недостатком известной системы является то, что она имеет ограниченные эксплуатационные возможности в плане экономии энергоресурсов, т.к. в основном предназначена для контроля и диагностики лифтов и достаточно дорога, т.к. использует телекомплексы. К сожалению, в статье система описана очень кратко.
Наиболее близкими по технической сущности к заявляемым являются способ и устройство контроля жилищно-коммунальной информации, описанные в п. РФ № 2141626 «Устройство контроля жилищно-коммунальной информации» по кл. G 01 F 1/00, А 62 С 2/00, G 08 B 17/00, з. 14.07.14., оп. 20.11.1999 г.
Известный способ заключается в том, что в каждой квартире жилых домов устанавливают счетчики или датчики сигналов по каждому расходуемому энергоносителю: газу, теплу, горячей и питьевой воде, электроэнергии, снимают их показания и производят обработку информации по фактически израсходованным потребителями энергоносителям: газа по его массе, тепла с учетом основных особенностей отопительной системы квартиры, горячей воды по ее энергосодержанию, электроэнергии с учетом изменения временного тарифа, питьевой воды с коррекцией температурной погрешности, вычисляя расход каждого из энергоносителей.
Недостатком известного способа является то, что он не является достаточно точным, поскольку не учитывает долю нормативного потребления энергоресурсов в квартирах, не оборудованных средствами учета, общедомовые потери тепла с учетом «участия каждой квартиры в общедомовых потерях и не разделяет совокупное потребление на индивидуальную и общедомовую части. Реализующее данный способ устройство содержит домовые контроллеры с запоминающими устройствами, содержащими адреса домов, модемы, электронную вычислительную машину центральной диспетчерской с таймером для запоминания событий во времени и принтером для обеспечения отчетно-правового делопроизводства и распечатки счетов-квитанций, подлежащих оплате квартиросъемщиками, ПЭВМ со звуковой и световой сигнализацией, расположенные в дежурных охранных частях, датчики параметров работы лифтов с пультами вызова помощи, кабельные, почтовые, телефонные и/или радиоканалы связи, а также установленные в квартирах жилых домов унифицированные датчики электрических сигналов по температуре, давлению и объемному расходу газа, датчики электрических сигналов по температуре и объемному расходу воды, расположенные в характерных точках отопительных систем квартир, систем питьевой и горячей воды, микроконтроллеры, выполненные с возможностью запоминания номеров квартир и определения массового расхода газа и расхода питьевой воды, энергосодержания горячей воды и тепла с учетом температурной погрешности и запоминания этих величин на время отсутствия сетевого электропитания, снабженные автономными источниками электропитания, блоки электронных преобразователей с сетевыми источниками электропитания, пульты вызова охранной помощи, и также содержит блоки квартирных счетчиков фактически израсходованного газа по его массе, тепловой и электрической энергии, питьевой воды и энергосодержания горячей воды, выполненные в виде электромеханических счетчиков электрических импульсов, соответствующих заданным «единичным» размерам израсходованного энергоносителя с возможностью их размещения за пределами квартир, при этом датчики и пульты вызова охранной помощи соединены через электронные преобразователи с микроконтроллерами, которые соединены с блоками квартирных счетчиков и с домовыми контроллерами, соединенными через модемы и каналы связи с ЭВМ центральной диспетчерской и ПЭВМ дежурных частей пожарной охраны, милиции, скорой помощи, аварийной службы газа, жилищно-коммунальной службы или службы лифтового хозяйства, расположенных вблизи дома, жильцы которого нуждаются в помощи. В известной системе текущая жилищно-коммунальная информация последовательно периодически собирается компьютером через модемы, телефонную сеть, кабельную или радиоканалы от домовых микроконтроллеров. Человек, которому нужна помощь, может нажать на кнопку вызова соответствующей помощи и сигнал вызова прерывает работу компьютера по сбору информации и поступает через ЭВМ центральной диспетчерской, где запоминается с отметкой времени и указанием адреса, в ближайшую дежурную часть пожарной охраны, милиции, скорой помощи, аварийной службы горгаза, жилищно-коммунальной службы или службы лифтового хозяйства. Основным техническим результатом известного устройства является увеличение объема информации для анализа состояния систем жилищно-коммунальных услуг. Недостатком известного устройства являются его ограниченные эксплуатационные возможности, обусловленные использованием аналоговых схемно-технических решений, исключающих возможность обмена информацией устройств различного уровня (квартирный, домовой, системный) и возможность реализации многотарифных счетчиков, не допускающие снижения затрат потребителя. Кроме того, известное устройство не может использоваться в зданиях с вертикальной разводкой систем отопления.
Помимо вышесказанного, известное устройство не обеспечивает для потребителя точного учета потребляемых им энергоресурсов, поскольку не разделяет совокупное потребление на индивидуальную (поквартирную) и общедомовую части.
Задачей заявляемого способа является повышение точности индивидуального учета фактического потребления энергоресурсов по каждой квартире. Задачей заявляемой системы является расширение ее эксплуатационных возможностей при снижении затрат потребителя за счет обеспечения более точного индивидуального учета и регулирования потребления энергоресурсов.
Поставленные задачи решаются тем, что:
– в способе индивидуального учета и регулирования потребления энергоресурсов в жилищно-коммунальном хозяйстве, заключающемся в том, что в каждой квартире жилого дома устанавливают счетчики или датчики сигналов по каждому расходуемому энергоносителю: газу, теплу, горячей и холодной воде, электроэнергии, снимают их показания и производят обработку информации по фактически израсходованным потребителями энергоносителям, вычисляя расход каждого из энергоносителей по конкретной квартире, согласно изобретению в каждой квартире устанавливают дополнительно термостатические вентили для регулирования теплового режима и средство для отображения информации о потребленных энергоресурсах в единицах их измерения и стоимостном выражении, для измерения расхода газа и электричества используют электромеханические счетчики с интерфейсными модулями для преобразования дискретных импульсных сигналов в цифровые, для измерения расхода тепла и воды используют соответственно интеллектуальные сенсоры преобразования температуры и интеллектуальные сенсоры преобразования количества воды или электромеханические счетчики воды с интерфейсными модулями, замеряют с их помощью температуру и количество воды непосредственно на стояках в квартире и в подъезде и определяют фактическое потребление тепла в отдельной квартире, исходя из расчета теплового баланса по принципу равенства измеренного по тепловому счетчику расхода тепла по всему дому и расхода тепловой энергии, поступившей на отопление отдельных квартир, по формуле:
Qдом= Qiинд+ Qнорм+Qобщедом,
где Qiинд – расход тепла на отопление каждой квартиры по показаниям интеллектуальных сенсоров преобразования температур и стояковых интеллектуальных сенсоров количества горячей и холодной воды;
– Qнорм – доля нормативного потребления тепловой энергии отдельной квартирой;
– Qобщедом – количество тепла, потраченное в общедомовых целях, определяемое как:
Qобщедом=Qдом– Qiинд– Qнорм
при этом “участие” каждой квартиры в расходах тепла, потраченного в общедомовых целях определяют по формуле:
Qобщедом= i×Qобщедом
где i – “весовой” коэффициент конкретной квартиры, определяемый как i=Si/Sучета, где
Si – площадь отдельной квартиры;
Sучета – площадь квартир, оснащенных счетчиками, и вычисляют в итоге фактический расход тепла на отдельную квартиру, оснащенную средствами учета, как
Qi=Qiинд+Qiобщедом,
Где Qiинд. – расход тепла на обогрев непосредственно квартиры по показаниям квартирных интеллектуальных сенсоров преобразования температуры и стояковых интеллектуальных сенсоров преобразования количества,
Qiобщедом – расход каждой квартиры на обогрев места общего пользования (общедомовые потери),
затем с помощью средства отображения предоставляют каждому потребителю информации о потребленных его квартирой энергоресурсах и их стоимости для контроля и регулирования при необходимости потребления тепловой энергии посредством термостатических вентилей;
– в интегрированной системе индивидуального учета и регулирования потребления энергоресурсов в жилищно-коммунальном хозяйстве, включающей установленные в квартирах жилых домов датчики температуры, расхода газа, электричества и воды, выполненные в виде электромеханических счетчиков электрических импульсов, соответствующих заданным «единичным» размерам израсходованного энергоносителя, и расположенные в характерных точках отопительных систем квартир, систем холодного и горячего водоснабжения, локальные концентраторы, выполненные с возможностью запоминания номеров квартир и сбора данных по расходу газа, электричества, расходу питьевой воды, энергосодержания горячей воды и запоминания этих величин на время отсутствия сетевого электропитания, снабженные автономными источниками электропитания, блоки электронных преобразователей с сетевыми источниками электропитания, а также домовые концентраторы с запоминающими устройствами, содержащими адреса домов, модемы, электронную вычислительную машину центральной диспетчерской с таймером для запоминания событий во времени и принтером для обеспечения распечатки справок по фактически потребленным энергоресурсам, при этом датчики соединены с локальными концентраторами, которые соединены с домовыми концентраторами, соединенными через модемы и каналы связи с ЭВМ центрального диспетчерского пункта жилищно-коммунальной службы, согласно изобретению оборудование квартиры содержит дополнительно проводные или беспроводные квартирные мониторы для отображения информации о потребленных энергоресурсах в физических и стоимостных единицах и исправности элементов системы, а в качестве датчиков температуры и расхода воды использованы интеллектуальные сенсоры преобразования температуры и интеллектуальные сенсоры преобразования количества горячей и холодной воды или электромеханические счетчики воды с импульсным выходом в совокупности с интерфейсными модулями, предназначенные соответственно для учета индивидуального потребления тепла и горячей и холодной воды, причем интеллектуальные сенсоры температуры, количества горячей и холодной воды подключены к локальным концентраторам непосредственно, а счетчики газа, электричества и воды подключены к локальным концентраторам при помощи интерфейсных модулей, служащих для преобразования импульсных сигналов в цифровые, система также включает в себя индивидуальные термостатические вентили для поддержания оптимального теплового режима в отдельной квартире и домовой теплосчетчик, установленный в индивидуальном тепловом пункте для учета энергоресурсов, при этом локальные концентраторы служат как устройства сбора информации от интеллектуальных сенсоров, соединены посредством квартирной шины с сенсорами, с помощью интерфейсных модулей – со счетчиками, по шине или радиоканалу связаны с квартирными мониторами и посредством домовой шины с домовым концентратором, который также представляет собой устройство сбора информации от локальных концентраторов и от домового теплосчетчика и соединен с центральным диспетчерским пунктом посредством беспроводного или проводного канала связи, при этом ЭВМ центрального диспетчерского пункта выполняет функции диспетчеризации количества потребленных услуг по каждой квартире и мониторинга неисправностей и вычислительного устройства для передачи необходимой информации.
В заявляемом способе установка в каждой квартире термостатических вентилей для регулирования теплового режима и средства отображения информации о потребленных энергоресурсах в их фактическом объеме и стоимостном выражении и использование в в качестве счетчиков газа, электроэнергиии, тепла, горячей и холодной воды электромеханических счетчиков с интерфейсными модулями или интеллектуальных сенсоров для измерения температуры и количества воды в совокупности с выбором как основы расчета принципа равенства расхода тепла, измеренного по всему дому с помощью домового теплосчетчика, и тепла, потребленного каждой квартирой при условии замера его непосредственно на стояках в квартире и учетом при определении домовых расходов доли нормативного потребления тепла, а также доли тепла, потраченного в общедомовых целях и замеренного на стояках в подъезде, с применением «весовых» коэффициентов отдельных квартир позволяет учесть все фактические расходы каждого локального потребителя, обеспечивая более точный расчет потребляемого тепла, и снизить расходы потребителя за счет обеспечения возможности контроля и регулирования их расхода.
Технический результат – повышение точности определения потребления за счет разделения совокупного потребления на индивидуальную (квартирную) и общедомовую части и снижение стоимости затрат на потребляемые энергоресурсы со стороны потребителя за счет возможности контроля и регулирования потребления.
В заявляемой системе введение в оборудование квартиры интеллектуальных сенсоров для мониторинга параметров систем тепло- и водоснабжения, а также квартирных мониторов и локальных концентраторов, представляющих устройства сбора данных с элементами памяти, позволяющих собирать, отображать и контролировать информацию о потреблении энергоресурсов в каждой квартире и доме, при использовании для оптимизации теплопотребления домового теплосчетчика ндивидуального теплового пункта, обеспечивает возможность обмена информацией на разных уровнях – квартирном, домовом и системном, позволяет потребителю выделять индивидуальную (поквартирную) и общедомовую долю потребления энергоресурсов, а в совокупности с установкой термостатических вентилей в квартирах – регулировать и оптимизировать режим тепловодоснабжения, что в совокупности с использованием компьютера центрального диспетчерского пункта для выполнения функций идентификации объектов наблюдения, запоминания данных потребления энергоресурсов и вычисления стоимости потребленных энергоресурсов позволяет расширить эксплуатационные возможности системы, более точно учесть индивидуальное потребление энергоресурсов потребителем и снизить затраты потребителя на услуги ЖКХ. Технический результат – повышение точности учета потребляемых энергоресурсов и обеспечение возможности индивидуального мониторинга и регулирования потребления энергоресурсов в реальном времени. Заявляемый способ индивидуального учета и регулирования потребления энергоресурсов в жилищно-коммунальном хозяйстве обладает новизной в сравнении с прототипом, отличаясь от него наличием таких существенных признаков, как установка в каждой квартире термостатических вентилей для регулирования теплового режима и средства отображения информации о потребленных энергоресурсах и их стоимости, использование в качестве счетчиков и датчиков электромеханических счетчиков с интерфейсными модулями или интеллектуальных сенсоров для измерения температуры и количества воды (ИСПТ и ИСПК), определение индивидуального потребления тепла по показаниям ИСПТ и ИСПК непосредственно на стояках, исходя из расчета теплового баланса по принципу равенства измеренного с помощью общедомового теплосчетчика расхода тепла по всему дому и расхода тепловой энергии, поступившей на отопление отдельных квартир как суммы замеренного индивидуального расхода на все квартиры дома, доли нормативного потребления тепла необорудованными средствами учета квартирами и общедомовых расходов на обогрев мест общего пользования, с учетом площади отдельной квартиры, обеспечивающими в совокупности повышение точности расчета фактического поквартирного потребления тепла и снижение затрат потребителя за счет получения им необходимой информации от средства ее отображения и возможности регулирования потребления посредством термостатических вентилей.
В сравнении с прототипом заявляемая система обладает новизной, отличаясь от него наличием таких существенных признаков, как введение в оборудование квартир интеллектуальных сенсоров для мониторинга параметров систем тепло- водо- и энергоснабжения, квартирных мониторов и локальных концентраторов, а также домового концентратора, представляющих собой устройства сбора и отображения информации о потребляемых энергоресурсах, и использованием для оптимизации тепло- и водопотребления домового теплосчетчика индивидуального теплового пункта и термостатических вентилей в квартирах для оптимизации режимов тепловодоснабжения, использованием ЭВМ центрального диспетчерского пункта как средства. Заявителю не известны технические решения, обладающие указанными отличительными существенными признаками, обеспечивающими в совокупности достижение заданного результата, поэтому он считает, что заявляемые способ и интегрированная система для его осуществления соответствуют критерию “изобретательский уровень”.
Заявляемые способ и система могут найти широкое применение в коммунальном хозяйстве, а потому соответствует критерию “промышленная применимость”.
Заявляемые изобретения иллюстрируются чертежами, где показаны соответственно на:
фиг.1 – функциональная схема системы;
фиг.2 – функциональная схема локального концентратора.
Заявляемый способ заключается в следующем. Устанавливают в каждой квартире термостатические вентили для регулирования теплового режима, средства отображения информации о количестве потребленных энергоресурсов и их стоимости, для измерения расхода газа и электроэнергии используют электромеханические счетчики с интерфейсными модулями для преобразования аналоговых сигналов в цифровые. Для измерения тепла и расхода воды используют соответственно интеллектуальные сенсоры преобразования температуры (ИСПТ) и интеллектуальные сенсоры преобразования количества воды (ИСПК) или электромеханические счетчики воды с интерфейсными модулями, замеряют с их помощью температуру и количество воды непосредственно на стояках в квартире и в подъезде. Измеряют с помощью общедомового теплосчетчика расход тепла Qдом по всему дому. Определяют фактический расход тепла Qi инд на отдельную квартиру, исходя из расчета теплового баланса по принципу равенства измеренного по тепловому счетчику расхода тепла по всему дому и расхода тепловой энергии, поступившей на отопление отдельных квартир, по формуле
Qдом= Qiинд+ Qнорм+Qобщедом,
Где Qiинд – фактический расход тепла на отопление каждой квартиры по показаниям ИСПТ и стояковых ИСПК
– Qiнорм – количество тепла, рассчитанное по нормативу для каждой из квартир, не оснащенных средствами учета;
– Qобщедом – количество тепла, потраченное в общедомовых целях.
Общедомовые потери тепла определяют как
Qобщедом=Qдом– Qiинд– Qiнорм.
Учитывают “участие” каждой квартиры в общедомовых потерях тепла в количестве Qобщедом= i×Qобщедом где i – “весовой” коэффициент конкретной квартиры, определяемый как
i=Si/Sучета,
где Si – площадь отдельной квартиры;
S учета – площадь квартир, оснащенных счетчиками.
Вычисляют итоговый фактический расход тепла на отдельную квартиру как Qi=Qiинд+Qiобщедом, где
Qiинд – расход тепла на отдельную квартиру по счетчику,
Qiобщедом – расход каждой квартиры на обогрев места общего пользования (общедомовые потери).
С помощью средств отображения информации предоставляют каждому потребителю информацию о потребленных его квартирой энергоресурсах и их стоимости, чтобы потребитель мог проконтролировать потребление энергоресурсов и при необходимости отрегулировать его с помощью термостатических вентилей. Заявляемый способ осуществляется следующим образом.
Каждая квартира снабжается термостатическими вентилями, средством отображения информации, электромеханическими счетчиками газа, электроэнергии, снабженными интерфейсными модулями, интеллектуальными сенсорами преобразования температуры и количества воды или электромеханическими счетчиками температуры и количества воды, снабженными интерфейсными модулями. Последние устанавливаются также в подъезде на стояках. В доме устанавливается общедомовой теплосчетчик.
Исходной величиной для расчета являются показания Qдом общего счетчика теплоты (домового теплосчетчика), регистрирующего потребление теплоты на отопление в здании, выраженной в Гкал. Для случаев наличия жилых и нежилых помещений здания, не участвующих в общей системе расчетов (нежилых пристроев к зданию и (или) использования в нежилых целях цокольного этажа здания, квартир, чьи собственники отказались от оплаты установки и обслуживания ИСИУРЭ), вначале из показаний общего теплосчетчика Qдом. вычитается потребление теплоты Qнорм в данных помещениях. Эти данные для отдельных помещений определяются по утвержденным нормативам для жилых помещений или иным расчетным путем как Qнорм.
Исходя из расчета теплового баланса, совокупная сумма расчетных величин тепловой энергии на отопление по всем потребителям расчетной единицы должна быть равна тепловой энергии, измеренной общедомовым счетчиком тепла на отопление.
Расчетная величина тепловой энергии, потребленная квартирой на отопление, равна сумме индивидуальной части расходов тепловой энергии квартиры и общедомовой части.
Далее определяется индивидуальная часть расходов тепловой энергии на отопление каждого потребителя в расчетной единице.
Индивидуальные части расходов тепловой энергии на отопление каждой квартиры, оборудованной приборами индивидуального учета, могут быть умножены на индивидуальный понижающий коэффициент расположения квартиры, учитывающий невыгодное расположение квартиры в здании с точки зрения теплопотерь (квартиры на первых и последних этажах, угловые квартиры).
В каждом здании имеются постоянные общедомовые расходы тепловой энергии на отопление, на которые индивидуальные потребители не могут оказывать влияние. Постоянные общедомовые расходы Qобщедом определяются как разность показаний Qдом общедомового счетчика тепловой энергии на отопление, суммы Qiинд. индивидуальных затрат тепловой энергии на отопление по всем квартирам расчетной единицы и суммы затрат Qiнорм. На квартиры, не оснащенные средствами учета (Qобщедом=Qдом– Qiинд– Qiнорм.).
Значения общедомовых расходов (затрат) тепловой энергии должно быть распределено между всеми квартирами расчетной единицы, снабженными средствами учета, посредством «весовых» коэффициентов. Весовой коэффициент, учитывающий долю каждой (i-й) квартиры в общедомовых расходах тепловой энергии, рассчитывается в зависимости от занимаемой квартирой площади как:
=Si/Sучета,
где Si – площадь пола i-й квартиры, м2;
Sучета – площадь пола всех квартир расчетной единицы, снабженных средствами учета.
Тогда доля i-й квартиры, участвующей в системе учета в общедомовых расходах тепловой энергии, определяется как,
Qi.общедом= ×Qi.общедом.
Итоговый фактический расход тепла на отдельную квартиру, оснащенную средствами индивидуального учета, составляет
Qi=Qi.инд+Qi.общедом.
Потребитель может контролировать потребление его квартирой энергоресурсов с помощью установленных в каждой квартире средств отображения информации и, при необходимости, регулировать это потребление посредством термостатических вентилей.
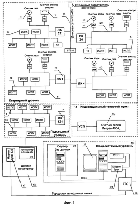
Заявляемая система (фиг.1), с помощью которой реализуется заявляемый способ, содержит установленные в квартирах (квартирные) электросчетчики 1, газовые счетчики 2, водосчетчики 3, интерфейсные модули 4, интеллектуальные сенсоры 5 преобразования температуры для мониторинга теплопотребления квартир, интеллектуальные сенсоры 6 количества горячей и холодной воды, термостатические вентили (не обозначены и на чертежах не показаны), а также локальные концентраторы 7 (фиг.2) для сбора и обработки информации, каждый из которых содержит процессор 8, элемент 9 памяти и источник 10 питания (от сети или аккумуляторный) и снабжен интерфейсами 11 для связи с квартирными мониторами 12, домовым концентратором 13 и с упомянутыми счетчиками 1, 2, 3 и сенсорами 5, 6. Счетчики 1, 2, 3 также снабжены интерфейсными модулями 4 для преобразования сигналов. В систему входят также комплект 14 оборудования для общедомового коммерческого учета теплопотребления и водопотребления, установленный в доме, включающий теплосчетчик 15, и комплекс оборудования, представляющий собой индивидуальный тепловой пункт 16. Теплосчетчик 15 присоединен к домовому концентратору 13, связанному через модем 17 и канал 18 связи с центральным диспетчерским пунктом 19. Центральный диспетчерский пункт (ЦДП) 19 содержит ЭВМ, служащую для идентификации контролируемого объекта, хранения архива данных о потребляемых энергоресурсах, распечатки квитанций об оплате и контроле оплаты. Назначение и выполнение узлов и элементов следующее. Электросчетчики 1, газовые счетчики 2 и водосчетчики 3 служат для измерения расхода электроэнергии, газа и воды и представляют собой стандартные счетчики с импульсным выходным сигналом и снабжены интерфейсными модулями 4 для преобразования сигналов. Интеллектуальный сенсор 5 преобразования температуры (ИСПТ) используется для прямого измерения тепловой энергии квартиры, потребляемой каждой квартирой, и содержит термочувствительный элемент и электронный блок преобразования сигнала.
Интеллектуальный сенсор 6 преобразования количества воды (ИСПК) служит для определения объема потребленной воды и содержит крыльчатый счетчик количества воды и встроенный интерфейсный модуль для преобразования сигнала.
Учет воды также может осуществляться при помощи стандартных счетчиков воды с импульсным выходом и интерфейсным модулем. Термостатические вентили служат для регулирования индивидуального потребления тепловой энергии.
Локальный концентратор (ЛК) 7 (квартирный или подъездный) предназначен для сбора данных с индивидуальных средств учета, передачи их в домовой концентратор и на квартирный монитор. Он может использоваться в качестве как квартирного, так и стоякового. Локальный концентратор 7 (см. фиг.2) содержит процессор 8, элемент 9 памяти, источник 10 питания и интерфейсы 11′, 11” и 11”’ для связи соответственно с сенсорами 5, 6 и счетчиками 1-3 через интерфейсные модули 4, домовым концентратором 13 и монитором 12. При этом с сенсорами 5 и 6 и счетчиками 1-3 локальный концентратор 7 соединен с помощью квартирной шины 20 (см. фиг.1). Монитор 12 является автономным, причем имеет возможность подключения к локальному концентратору 7 по беспроводному или проводному каналу связи по квартирной шине.
Домовой концентратор (ДК) 13 служит для сбора информации от локальных концентраторов (квартирных и стояковых), дальнейшей ее обработки в действительные значения параметров энергоресурсов индивидуального учета. Домовой концентратор 13 выполнен на контроллере 21 (например, I-7188XAD) и снабжен модемом 17 (в частности, типа Zyxel 336) для связи через проводной (выделенный канал или телефонную линию) либо беспроводной (радиосвязь или мобильная телефонная связь) канал 18 связи с центральным диспетчерским пунктом 19.(системный уровень).
Индивидуальный тепловой пункт (ИТП) 14 служит для оптимизации режима теплоснабжения и горячего водоснабжения при экономном потреблении энергоресурсов, а также коммерческого учета тепловой энергии. На индивидуальном тепловом пункте 14 установлен общедомовой энергии теплосчетчик, который выполнен по ГОСТ Р51649 и служит для учета параметров общедомового потребления. Диспетчерский пункт 19 (общесистемный уровень) содержит компьютер 22 с принтером (на чертеже не показан) и связан через модем 23 с домовым концентратором 13. Он служит для диспетчеризации данных по потребленным ресурсами квартиросъемщиками и домами полностью, хранения часовых, суточных и месячных архивов потребления, актуализации при необходимости содержимого архива с содержимым домовых концентраторов, печати квитанций по потреблению энергоресурсов и мониторинга отказов элементов системы. Диспетчерский пункт 19 связан также с сервером 24 баз данных, который не входит в состав системы и служит для обмена данными с сервисными службами города.
С помощью заявляемой системы (фиг.1) заявляемый способ реализуется следующим образом.
Сигналы с интеллектуальных сенсоров 5 преобразования температуры (ИСПТ) и сенсоров 6 количества (ИСПК) горячей и холодной воды, а также со счетчиков 1-3 электричества, газа и воды через интерфейсные модули 4 собираются локальными концентраторами 7 с квартир и со стояков отопления для их дальнейшей передачи в домовой концентратор (ДК) 13. При потере связи с домовым концентратором 13 каждый локальный концентратор 7 продолжает опрос подключенных приборов и при восстановлении связи передает их в домовой концентратор 13. Дискретность опроса приборов квартирного уровня может регулироваться от 5 минут до 1 часа. Данные со счетчиков 1-3 и ИСПК 6 считаются нарастающим итогом и в ДК 13 передается конечная величина по каждому параметру. При формировании массива измеренных параметров локальный концентратор 7 формирует единый массив времени, согласованный с ДК 13.
Локальный концентратор 7 (фиг.2) запитывается от источника 10 питания – сети 220 В или от аккумулятора. Количество подключаемых квартирных и стояковых приборов – до 32. Входной интерфейс со стороны квартирных приборов HART/RS 485, скорость обмена 9600 бод. Для представления данных квартиросъемщику используется монитор 12 (см. фиг.1), на который локальный (квартирный) концентратор 7 выдает следующую отчетную информацию с начала текущего месяца накопления и архивы за предыдущие месяцы по следующим параметрам:
– тепло;
– ХВС;
– ГВС;
– электричество;
– газ;
– общедомовую составляющую вышеперечисленных параметров.
Локальный концентратор 7 хранит в элементе 9 памяти помесячные архивы вышеупомянутых потребленных параметров за 18 последних месяцев. Архивы и накопленное значение потребления с начала месяца доступны для просмотра квартиросъемщиком на индикаторе монитора 12. Параметры передаются за одну транзакцию и хранятся в энергозависимой памяти монитора 12. При каждом опросе квартирных и стояковых приборов локальный концентратор 7 диагностирует связь с ними. В случае потери связи с каким-либо из сенсоров локальный концентратор 7 активизирует флаг потери связи с прибором в кадре обмена с ДК 13.
По запросу с домового концентратора 13 локальный концентратор 7 выдает уникальный идентификатор «потерянного» прибора. Локальный концентратор 7 имеет внешнюю индикацию на мониторе 12:
– индикация штрафного режима;
– индикация обрыва какого-либо квартирного или стоякового прибора;
– индикация потери связи с домовым концентратором;
– индикация питания от сети и аккумуляторных батарей.
Локальный концентратор 7 имеет возможность конфигурирования параметров через порт RS485.
Домовой концентратор 13 собирает информацию от локальных концентраторов 7 (квартирных и стояковых), затем обрабатывает ее в действительные значения параметров энергоресурсов индивидуального учета. На основе данных, полученных от квартирных локальных концентраторов 7, он вычисляет тепловую энергию, непосредственно потребленную каждой квартирой, и ее денежный эквивалент, пересчитывает потребление воды, газа и электричества с начала месяца и передает эту информацию в квартирные локальные концентраторы 7 для отображения на мониторах 12. Домовой концентратор 13 ведет месячные архивы глубиной до 18 месяцев, суточные – до 45 суток, часовые – 5 суток. На основе данных домового узла теплоучета домовой концентратор 13 вычисляет тепловую энергию, потребленную каждой квартирой и ее денежный эквивалент. Этот параметр имеет две составляющие: энергия, непосредственно потребленная квартирой, и доля каждой квартиры в общедомовом потреблении. Доля непосредственного потребления рассчитывается по данным ИСПТ 5 и данным соответствующих стояковых ИСПК 6. Определение части общедомовых потерь по каждой квартире в общедомовом потреблении тепловой энергии прямо пропорционально площади квартиры. При этом имеется возможность вводить поправочные коэффициенты на расположение квартиры в доме.
При определении части общедомовых потерь ХВС и ГВС по каждой квартире за основу берут величину индивидуального потребления по показаниям квартирных счетчиков воды. Домовой концентратор 13 архивирует в своей памяти информацию по индивидуально потребленным энергоресурсам, а также передает ее в центральный диспетчерский пункт 19 района. К домовому концентратору 13 может быть подключено не более 128 локальных концентраторов 7. Протокол обмена с локальным концентратором 7 – RS485/HART, скорость обмена 19200 бод. ДК 13 имеет выход RS232 для подключения передающего модема 17. Протокол обмена стандартный и открытый, используемый в задачах подобного класса. Связь с теплосчетчиком 15 осуществляется по интерфейсу RS 485/HART. ДК 13 архивирует каждый параметр (ГВС, ХВС, тепло) по индивидуальной потребленной составляющей и составляющей общедомовых потерь отдельно, а по газу и электричеству только по индивидуальному потреблению. Архив в рублях хранится в памяти ДК 13 постоянно и вычисляется на основе архива данных о потребленных энергоресурсах в физических единицах и действующих тарифов.
В квартирные локальные концентраторы 7 домовой концентратор 13 возвращает информацию накопленным итогом с начала месяца по всем вышеперечисленным параметрам. В конце месяца ДК 13 формирует месячный архив потребленных энергоресурсов и передает его в локальный концентратор 7.
С центральным диспетчерским пунктом 19 домовой концентратор 13 обменивается информацией один раз в сутки и передает суточный архив потребленных ресурсов в физических единицах. Денежный эквивалент рассчитывается в компьютере диспетчерского пункта 19 на основе действующих тарифов. Каждый параметр распадается на индивидуально потребленные ресурсы и долю в общем объеме ресурсов, потраченных в общедомовых целях. Перечень параметров, пересылаемых в центральный диспетчерский пункт 17:
– уникальный идентификатор (№ дома, код улицы, № квартиры);
– ГВС (потребление);
– ХВС (потребление);
– электричество (потребление);
– газ(потребление).
Центральный диспетчерский пункт 19 ведет годовой отчет помесячных архивов потребленных ресурсов по каждой квартире с учетом общедомовых потерь и может актуализировать содержимое архива как текущего, так и годового с содержимым домовых концентраторов. В случае расхождения содержимого архивов из ДК 13 и системы диспетчеризации, за правильное принимается значение центрального диспетчерского пункта и в домовой концентратор 13 записывается соответствующее значение. Центральный диспетчерский пункт 19 ведет распечатки квитанций по фактически потребленным энергоресурсам за текущий месяц, а также печать архивов с помощью печатающего устройства за любой период работы системы.
По текущим показаниям ИТП 15, ДК 13 или ЦДЛ 19 возможно регулирование систем отопления, охлаждения и систем бытового водоснабжения с помощью исполнительных механизмов, таких как прибор для гидравлической настройки и балансировки, стояковой регулировочной аппаратуры для отопления и ГВС (балансировочных клапанов). По показаниям квартирного монитора 12 квартиросъемщик может регулировать индивидуальное потребление тепловой энергии и воды при помощи термостатических радиаторных и гидравлических вентилей.
В сравнении с прототипом заявляемый способ позволяет более точно учесть индивидуальное потребление энергоресурсов, а интегрированная система индивидуального учета и регулирования потребления энергоресурсов в жилищно-коммунальном хозяйстве имеет более широкие эксплуатационные возможности при снижении затрат потребителя за счет повышения точности индивидуального учета энергоресурсов.
Формула изобретения
1. Способ индивидуального учета и регулирования потребления энергоресурсов в жилищно-коммунальном хозяйстве, заключающийся в том, что в каждой квартире жилого дома устанавливают счетчики или датчики сигналов по каждому расходуемому энергоносителю: газу, теплу, горячей и холодной воде, электроэнергии, снимают их показания и производят обработку информации по фактически израсходованным потребителями энергоносителям, вычисляя расход каждого из энергоносителей по конкретной квартире, отличающийся тем, что в каждой квартире устанавливают дополнительно термостатические вентили для регулирования теплового режима и средство отображения информации о потребленных энергоресурсах в единицах их измерения и в стоимостном выражении, для измерения расхода газа и электричества используют электромеханические счетчики с интерфейсными модулями для преобразования аналоговых сигналов в цифровые, для измерения тепла и расхода воды используют соответственно интеллектуальные сенсоры преобразования температуры и интеллектуальные сенсоры преобразования количества воды или электромеханические счетчики воды с интерфейсными модулями, замеряют с их помощью температуру и количество воды непосредственно на стояках в квартире и в подъезде, измеряют расход тепла по всему дому с помощью общедомового теплосчетчика и определяют фактический расход тепла на отдельную квартиру, исходя из расчета теплового баланса по принципу равенства измеренного по общедомовому теплосчетчику расхода тепла по всему дому и расхода тепловой энергии, поступившей на отопление отдельных квартир, по формуле
Qдом= Qiинд+ Qнорм+Qобщедом,
где Qiинд – фактический расход тепла на отопление каждой квартиры по показаниям интеллектуальных сенсоров преобразования температуры и стояковых интеллектуальных сенсоров преобразования количества горячей воды;
Qiнорм – количество тепла, рассчитанное по нормативу для каждой из квартир, не оснащенных средствами индивидуального учета;
Qобщедом – количество тепла, потраченное в общедомовых целях, определяемое как
Qобщедом=Qдом– Qiинд– Qнорм,
с учетом “участия” каждой квартиры в общедомовых расходах тепла в количестве
Qiобщедом= i×Qобщедом,
где i – “весовой” коэффициент конкретной квартиры, определяемый как i=Si/Sучета,
где Si – площадь отдельной квартиры;
Sучета – площадь квартир, оснащенных счетчиками, и вычисляют в итоге фактический расход тепла на отдельную квартиру как
Qi=Qiинд+Qiобщедом,
где Qiинд – расход тепла на отдельную квартиру по показаниям интеллектуальных сенсоров преобразования температуры и стояковых интеллектуальных сенсоров преобразования количества горячей воды;
Qiобщедом – расход каждой квартиры на обогрев места общего пользования (общедомовые расходы),
затем с помощью средства отображения предоставляют каждому потребителю информацию о потребленных его квартирой энергоресурсах и их стоимости для контроля и регулирования их потребления с помощью термостатических вентилей.
2. Интегрированная система индивидуального учета и регулирования потребления энергоресурсов в жилищно-коммунальном хозяйстве, включающая установленные в квартирах жилых домов датчики температуры, расхода газа, электричества и воды, выполненные в виде электромеханических счетчиков электрических импульсов, соответствующих заданным “единичным” размерам израсходованного энергоносителя, и расположенные в характерных точках отопительных систем квартир, систем холодного и горячего водоснабжения, локальные концентраторы, выполненные с возможностью запоминания номеров квартир и сбора данных по расходу газа, электричества и воды, энергосодержания горячей воды и запоминания этих величин на время отсутствия сетевого электропитания, снабженные автономными источниками электропитания, блоки электронных преобразователей с сетевыми источниками электропитания, а также домовые концентраторы с запоминающими устройствами, содержащими адреса домов, модемы, электронную вычислительную машину центральной диспетчерской с таймером для запоминания событий во времени и принтером для обеспечения распечатки справок по фактически потребленным энергоресурсам, при этом датчики соединены с локальными концентраторами, которые соединены со счетчиками и с домовыми концентраторами, соединенными через модемы и каналы связи с ЭВМ центрального диспетчерского пункта жилищно-коммунальной службы, отличающаяся тем, что оборудование квартиры содержит дополнительно проводные или беспроводные квартирные мониторы для отображения информации о потребленных энергоресурсах в физических и стоимостных единицах и исправности элементов системы, а в качестве датчиков температуры и расхода воды использованы интеллектуальные сенсоры преобразования температуры и интеллектуальные сенсоры преобразования количества горячей и холодной воды или стандартные счетчики воды с импульсным выходом в совокупности с интерфейсными модулями, предназначенные соответственно для учета индивидуального потребления тепла и горячей и холодной воды, причем интеллектуальные сенсоры преобразования температуры и количества горячей и холодной воды подключены к локальным концентраторам непосредственно, а счетчики газа, электричества и воды подключены к ним при помощи интерфейсных модулей, служащих для преобразования импульсных сигналов в цифровые, система также включает в себя индивидуальные термостатические вентили для поддержания оптимального теплового режима в отдельной квартире, домовой теплосчетчик, установленный в индивидуальном тепловом пункте для учета энергоресурсов, при этом локальные концентраторы служат как устройства сбора информации от интеллектуальных сенсоров, соединены посредством квартирных шин с сенсорами и интерфейсных модулей со счетчиками и связаны посредством шины или радиоканала с квартирными мониторами и с помощью домовой шины с домовым концентратором, который также представляет собой устройство сбора информации от локальных концентраторов и от домового теплосчетчика и соединен с центральным диспетчерским пунктом посредством беспроводного или проводного канала связи, при этом ЭВМ центрального диспетчерского пункта выполняет функции диспетчеризации количества потребленных услуг по каждой квартире и мониторинга неисправностей и вычислительного устройства для передачи необходимой информации.
РИСУНКИ
MM4A – Досрочное прекращение действия патента СССР или патента Российской Федерации на изобретение из-за неуплаты в установленный срок пошлины за поддержание патента в силе
Дата прекращения действия патента: 23.08.2008
Извещение опубликовано: 27.07.2010 БИ: 21/2010
|
|