|
|
(21), (22) Заявка: 2005125348/11, 09.08.2005
(24) Дата начала отсчета срока действия патента:
09.08.2005
(46) Опубликовано: 27.03.2007
(56) Список документов, цитированных в отчете о поиске:
SU 1172762 А, 15.08.1985. SU 1799751 A1, 07.03.1993. EP 0525595 A1, 03.02.1993.
Адрес для переписки:
644046, г.Омск, пр-кт Маркса, 35, Омский государственный университет путей сообщения
|
(72) Автор(ы):
Сидоров Олег Алексеевич (RU), Чертков Иван Евгеньевич (RU), Чертков Михаил Евгеньевич (RU)
(73) Патентообладатель(и):
Омский государственный университет путей сообщения (RU)
|
(54) ТОКОПРИЕМНИК ТРАНСПОРТНОГО СРЕДСТВА
(57) Реферат:
Изобретение относится к транспортной технике, а именно к токоприемникам электроподвижного состава. В токоприемнике транспортного средства установлен датчик предельного износа, который выполнен в виде оптоволоконной линии, расположенной внутри токосъемного элемента на расстоянии предельно допустимого износа от связанной рабочей поверхности и связанной через усилитель с блоком индикации предельного износа, установленным на пульте машиниста. Технический результат заключается в повышении надежности токосъема при повышении скоростей движения транспортных средств и снижении эксплуатационных расходов, связанных с задержкой поездов на линии. 2 ил.
Изобретение относится к транспортной технике, а именно к токоприемникам электроподвижного состава.
К недостаткам известного токоприемника можно отнести конструкцию устройства для гальванической развязки между контактным элементом и приемником сигнала (токоведущие части находятся под высоким напряжением, а измерительные цепи – под низким), которая имеет значительные габариты и массу.
Перечисленных недостатков лишен предлагаемый токоприемник транспортного средства.
Целью изобретения является повышение надежности работы токоприемника транспортного средства путем обеспечения гальванической развязки.
Указанная цель достигается тем, что в известном токоприемнике транспортного средства, содержащем закрепленную шарнирно одним концом на основании штангу, на другом конце которой установлен токосъемный элемент, оснащенный датчиком предельного износа, упомянутый датчик предельного износа выполнен в виде оптоволоконной линии, расположенной внутри токосъемного элемента на расстоянии предельно допустимого износа от рабочей поверхности и связанной через усилитель с блоком индикации предельного износа, установленным на пульте машиниста.
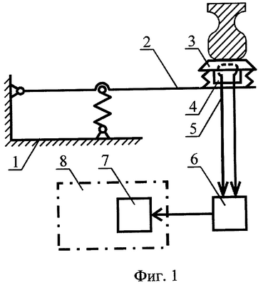
На фиг.1 представлена схема предлагаемого токоприемника транспортного средства, на фиг.2 – сечение токосъемного элемента.
Токоприемник транспортного средства содержит закрепленную шарнирно одним концом на основании 1 штангу 2, на другом конце которой установлен токосъемный элемент 3, оснащенный датчиком 4 предельного износа, который выполнен в виде оптоволоконной линии 5, расположенной внутри токосъемного элемента 3 на расстоянии предельно допустимого износа от рабочей поверхности и связанной через усилитель 6 с блоком индикации 7 предельного износа, установленным на пульте машиниста 8.
Токоприемник работает следующим образом.
При включении машинистом токоприемника поворотная штанга 2 поднимается и вводит в контакт с токопроводом токосъемный элемент 3, оснащенный датчиком 4 предельного износа. Датчик 4 выполнен в виде оптоволоконной линии 5, расположенной внутри токосъемного элемента 3 на расстоянии предельно допустимого износа от рабочей поверхности и связанной через усилитель 6 с блоком индикации 7 предельного износа, установленным на пульте машиниста 8. Таким образом, в качестве носителя информации используется оптический сигнал, передающийся от светодиода к фототранзистору, которые установлены в усилителе 6. При исправном состоянии контактного элемента 3 оптический сигнал, проходящий через оптоволоконную линию 5, поступает на усилитель 6. При износе контактного элемента 3, равном предельно допустимому, происходит перетирание (разрушение) оптоволоконной линии 5, вмонтированной в указанный элемент, при этом в цепи “датчик предельного износа – усилитель” прекращается подача оптического сигнала, при этом усилитель 6 выдает информацию на блок индикации 7 предельного износа, установленный на пульте машиниста 8 (например, горит лампа красного цвета). Машинист при этом обязан принять решение, так как пропадание сигнала в оптоволоконной линии может свидетельствовать не только о превышении износа более чем допустимого, но и о нарушении целостности конструкции самого токоприемника, срыве или изломе его токосъемного элемента 3.
Внедрение предлагаемого токоприемника позволит обеспечить надежный токосъем при повышении скоростей движения транспортных средств за счет уменьшения ущерба токосъемных устройств и снижения эксплуатационных расходов, связанных с задержкой поездов на линии.
Формула изобретения
Токоприемник транспортного средства, содержащий закрепленную шарнирно одним концом на основании штангу, на другом конце которой установлен токосъемный элемент, оснащенный датчиком предельного износа, отличающийся тем, что, с целью повышения надежности работы путем обеспечения гальванической развязки, упомянутый датчик предельного износа выполнен в виде оптоволоконной линии, расположенной внутри токосъемного элемента на расстоянии предельно допустимого износа от рабочей поверхности и связанной через усилитель с блоком индикации предельного износа, установленным на пульте машиниста.
РИСУНКИ
|
|