|
|
(21), (22) Заявка: 2005118385/09, 14.06.2005
(24) Дата начала отсчета срока действия патента:
14.06.2005
(46) Опубликовано: 20.03.2007
(56) Список документов, цитированных в отчете о поиске:
SU 1399758 A1, 30.05.1988. RU 2252453 C1, 20.05.2005. SU 1381537 A1, 15.03.1988. SU 1487062 A1, 15.06.1989. JP 11015686, 22.01.1999. WO 01/84315 A2, 08.11.2001.
Адрес для переписки:
302034, г.Орел, ул. Приборостроительная, 35, Академия ФСО России, БНТИ
|
(72) Автор(ы):
Гречишников Евгений Владимирович (RU), Иванов Владимир Алексеевич (RU), Белов Андрей Сергеевич (RU), Панасенко Артем Николаевич (RU), Жидков Сергей Анатольевич (RU)
(73) Патентообладатель(и):
Государственное образовательное учреждение высшего профессионального образования Академия Федеральной службы охраны Российской Федерации (RU)
|
(54) УСТРОЙСТВО ДЛЯ МОДЕЛИРОВАНИЯ ОТКАЗОВ И ВОССТАНОВЛЕНИЙ СРЕДСТВ СВЯЗИ
(57) Реферат:
Изобретение относится к области моделирования работы средств связи. Техническим результатом является расширение функциональных возможностей за счет обеспечения моделирования процессов отказов и восстановлений средств связи в случае боевых повреждений. Устройство содержит генераторы случайной последовательности импульсов, управляемый генератор импульсов, генератор периодической последовательности импульсов, генераторы импульсов, элементы И, элементы ИЛИ, одновибратор, триггер, усилители, счетчик импульсов, дешифратор. 1 ил.
Изобретение относится к области моделирования работы средств связи.
Техническим результатом является расширение функциональных возможностей путем обеспечения моделирования процессов отказов и восстановлений средств связи в случае боевых повреждений.
Боевое повреждение – это повреждение средств связи, вызванное воздействием на него оружия противника и (или) сопутствующих поражающих факторов [1].
Известно устройство [2], моделирующее отказы и восстановления многоуровневых сложных систем. Его недостатком является отсутствие режима моделирования процессов отказов и восстановлений при боевых повреждениях. Известно также устройство [3], моделирующее отказы элементов сложной системы. Его недостатком также является отсутствие возможности моделирования боевых повреждений и процесса их восстановления. Известно устройство [4], моделирующее работу восстанавливаемого объекта.
Данное устройство является наиболее близким, принятым за прототип. Оно содержит первый генератор случайной последовательности импульсов, управляемый генератор импульсов, первый элемент И, одновибратор и триггер, причем выход первого генератора случайной последовательности импульсов соединен с первым входом первого элемента И, а выход управляемого генератора импульсов подключен к второму входу первого элемента И, выход которого подключен к входу одновибратора, два элемента ИЛИ, два усилителя и генератор периодической последовательности импульсов, выход которого подключен к первым входам первого и второго элементов ИЛИ и входу первого усилителя, выходы первого и второго усилителей объединены и подключены к управляющему входу управляемого генератора импульсов, вход второго усилителя подключен к выходу одновибратора и второму входу первого элемента ИЛИ, выход которого соединен с нулевым входом триггера, причем выход первого элемента И подключен к второму входу второго элемента ИЛИ, выход которого соединен с единичным входом триггера, прямой выход которого является выходом устройства. В него введены второй генератор случайной последовательности импульсов, четыре генератора импульсов, счетчик импульсов, дешифратор, четыре элемента И второй группы, причем выход второго генератора случайной последовательности импульсов подключен к счетчику импульсов и четырем генераторам импульсов, выходы упомянутых генераторов соединены с входами элементов И второй группы, выход счетчика импульсов соединен с входом дешифратора, выходы которого соединены с вторыми входами элементов И второй группы, выходы которых подключены к входам первого и второго элементов ИЛИ.
Техническим результатом является расширение функциональных возможностей путем обеспечения моделирования процесса отказов и восстановлений средств связи при боевых повреждениях. Этот результат достигается тем, что в устройство [4], содержащее первый генератор случайной последовательности импульсов, управляемый генератор импульсов, первый элемент И, одновибратор, триггер, элементы ИЛИ, усилители, генератор периодической последовательности импульсов, введены второй генератор случайной последовательности импульсов 11 [5] (стр.183), четыре генератора импульсов 12.1…12.4 [5] (стр.184), счетчик импульсов 13 [6] (стр.83-85), дешифратор 14 [6] (стр.256-257), четыре элемента И второй группы 15.1…15.4 [5] (стр.47-50).
Известно большое количество объектов, которые в процессе функционирования отказывают и восстанавливаются после отказов. Определение характеристик периодичности отказов и времени восстановления объектов представляет собой сложную задачу, поэтому моделирование таких объектов актуально на этапах их разработки, проектирования и эксплуатации.
Проведенный анализ уровня техники позволил установить, что аналоги, тождественные признакам заявленного технического решения, отсутствуют, что указывает на соответствие заявленного устройства условию патентоспособности «новизна». Введенные отличительные признаки – устройство имитации отказов и восстановлений в случае боевых повреждений – не встречаются в них. Следовательно, заявляемое устройство удовлетворяет критерию «изобретательский уровень». Промышленная применимость введенных элементов обусловлена наличием элементной базы, на основе которой они могут быть выполнены.
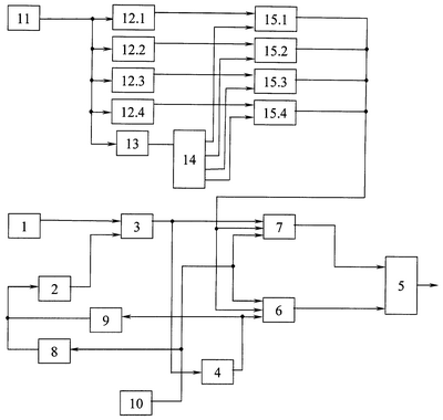
На чертеже обозначено:
1 – первый генератор случайной последовательности импульсов;
2 – управляемый генератор импульсов;
3 – первый элемент И;
4 – одновибратор;
5 – триггер;
6 – первый элемент ИЛИ;
7 – второй элемент ИЛИ;
8 – первый усилитель;
9 – второй усилитель;
10 – генератор периодической последовательности импульсов;
11 – второй генератор случайной последовательности импульсов;
12.1…12.4 – четыре генератора импульсов;
13 – счетчик импульсов;
14 – дешифратор;
15.1…15.4 – четыре элемента И второй группы.
Заявленное устройство поясняется чертежом, на котором показано устройство для моделирования отказов и восстановлений средств связи.
Устройство для моделирования отказов и восстановлений средств связи, показанное на чертеже, содержит первый генератор 1 случайной последовательности импульсов, подключенный к первому элементу И 3, генератор 10 периодической последовательности импульсов, выход которого соединен с входами первого элемента ИЛИ 6 и второго элемента ИЛИ 7, а также с первым элементом И 3 через первый усилитель 8 и управляемый генератор импульсов 2, выходы 6 и 7 элементов ИЛИ подключены к триггеру 5, выход первого элемента И 3 соединен с входом второго элемента ИЛИ 7 напрямую и через одновибратор 4 с входами первого элемента ИЛИ 6 и второго усилителя 9, выход которого подключен к входу управляемого генератора импульсов 2, выход второго генератора 11 случайной последовательности импульсов подключен к счетчику импульсов 13 и четырем генераторам импульсов 12.1…12.4, выходы упомянутых генераторов соединены с входами элементов И второй группы 15.1…15.4, выход счетчика импульсов 13 соединен с входом дешифратора 14, выходы которого соединены с вторыми входами элементов И второй группы 15.1…15.4, выходы которых подключены к входам первого элемента ИЛИ 6 и второго элемента ИЛИ 7.
Устройство работает следующим образом.
Процессы отказов и восстановлений объекта в условиях боевых действий моделирует цепь, начинающаяся со второго генератора 11 случайной последовательности импульсов. Второй генератор 11 случайной последовательности импульсов вырабатывает импульсы, которые запускают четыре генератора импульсов 12.1…12.4, данные генераторы вырабатывают импульсы, по длительности соответствующие времени, необходимому для ликвидации боевых повреждений. Известно, что боевые повреждения можно разделить на четыре вида (слабые, средние, сильные и безвозвратные) [7] (стр.88-94), при которых время восстановления после повреждений и вероятность повреждения различны. Вероятность появления одного из видов боевых повреждений имитируют счетчик импульсов 13 и дешифратор 14. Счетчик импульсов 13 ведет счет импульсов, выработанных вторым генератором 11 случайной последовательности импульсов, по модулю который выбирается исходя из требований по точности результатов моделирования. Дешифратор 14 выбирается, так чтобы он мог дешифровать все коды, приходящие со счетчика импульсов 13, причем выходы его соединяются так, чтобы их осталось четыре (по числу видов возможных боевых повреждений). Таким образом, вероятность повреждения задается соединением выходов дешифратора 14. Например, если счетчик импульсов 13 ведет счет по модулю 16, то дешифратор 14 также должен иметь 16 выходов, соединенных, например, так:
– 3, 7, 15, 1, 11, 8, 2 подключены к элементу И второй группы 15.1, что соответствует вероятности 0,4375 появления боевого повреждения первого вида;
– 14, 10, 5, 16, 9 подключены к элементу И второй группы 15.2, что соответствует вероятности 0,3125 появления боевого повреждения второго вида;
– 4, 6, 12 подключены к элементу И второй группы 15.3, что соответствует вероятности 0,1875 появления боевого повреждения третьего вида;
– 13 подключен к элементу И второй группы 15.4, что соответствует вероятности 0,0625 появления боевого повреждения четвертого вида.
Элементы И второй группы 15.1…15.4 предназначены для осуществления выбора вида боевого повреждения из возможных четырех: сильные, средние, слабые и безвозвратные. Т.е. они разрешают или запрещают выход сигнала с определенного генератора импульсов 12.1…12.4.
Следовательно, на входах первого элемента ИЛИ 6 и второго элемента ИЛИ 7 получается набор импульсов длительностью, равной времени восстановления объекта. Т.е. получается, что объект входит в неработоспособное состояние в одном из следующих случаев: отказ, техническое обслуживание и боевые повреждения. В случае одновременного появления двух или более вышеупомянутых событий первый элемент ИЛИ 6 и второй элемент ИЛИ 7 сделают выборку импульсов таким образом, что объект будет находиться в неработоспособном состоянии в течение наибольшего времени, требующегося для завершения появившихся событий.
Таким образом, на входы триггера 5 поступает импульс, по длительности соответствующий времени восстановления объекта после боевого повреждения, либо времени восстановления объекта после отказа, либо времени, требующемуся на проведение технического обслуживания. Это происходит следующим образом: передний фронт этого импульса переводит триггер 5 в состояние с низким потенциалом на выходе, а своим срезом этот импульс возвращает триггер 5 вновь в состояние, соответствующее работоспособному состоянию объекта.
Подобное моделирование отказов и восстановлений средств связи на этапе их разработки позволяет сократить сроки разработки при сокращении стоимости самих работ и задавать требования ко времени восстановления и средней наработки на отказ для эксплуатируемого объекта.
Источники информации
1. ГОСТ В 25883 – 83. Эксплуатация и ремонт военной техники. Термины и определения. – М.: Издательство стандартов, 1984. – 20 с.
2. Изобретение «Устройство для моделирования отказов»: патент SU 1381537 A1, G 06 F 15/20, 15.03.88 г.
3. Изобретение «Устройство для моделирования отказов в сложных системах»: патент SU 1487062 A1, G 06 F 15/20, 15.06.89 г.
4. Изобретение «Устройство для моделирования процесса функционирования восстанавливаемого объекта»: патент SU 1399758 A1, G 06 F 7/58, 30.05.88 г.
5. Р. Токхейм. Основы цифровой электроники, М., «Мир», 1988.
6. Шило В.А. Популярные цифровые микросхемы: Справочник. 2-е изд., испр. – Челябинск. – Металлургия. Челябинское отд. – 1989 – 352 с.
7. Семенюк А.А. Основы технического обеспечения связи и автоматизации объединений, соединений. – СПб.: ВАС, 1992. – 140 с.
Формула изобретения
Устройство для моделирования отказов и восстановлений средств связи, содержащее первый генератор случайной последовательности импульсов, управляемый генератор импульсов, первый элемент И, одновибратор и триггер, причем выход первого генератора случайной последовательности импульсов соединен с первым входом первого элемента И, а выход управляемого генератора импульсов подключен к второму входу первого элемента И, выход которого подключен к входу одновибратора, два элемента ИЛИ, два усилителя и генератор периодической последовательности импульсов, выход которого подключен к первым входам первого и второго элементов ИЛИ и входу первого усилителя, выходы первого и второго усилителей объединены и подключены к управляющему входу управляемого генератора импульсов, вход второго усилителя подключен к выходу одновибратора и второму входу первого элемента ИЛИ, выход которого соединен с нулевым входом триггера, причем выход первого элемента И подключен к второму входу второго элемента ИЛИ, выход которого соединен с единичным входом триггера, прямой выход которого является выходом устройства, отличающийся тем, что в него введены второй генератор случайной последовательности импульсов, четыре генератора импульсов, счетчик импульсов, дешифратор, четыре элемента И второй группы, причем выход второго генератора случайной последовательности импульсов подключен к счетчику импульсов и четырем генераторам импульсов, выходы упомянутых генераторов соединены с входами элементов И второй группы, выход счетчика импульсов соединен с входом дешифратора, выходы которого соединены с вторыми входами элементов И второй группы, выходы которых подключены к входам первого и второго элементов ИЛИ.
РИСУНКИ
MM4A – Досрочное прекращение действия патента СССР или патента Российской Федерации на изобретение из-за неуплаты в установленный срок пошлины за поддержание патента в силе
Дата прекращения действия патента: 15.06.2007
Извещение опубликовано: 27.01.2009 БИ: 03/2009
|
|