|
|
(21), (22) Заявка: 2004137447/28, 21.12.2004
(24) Дата начала отсчета срока действия патента:
21.12.2004
(43) Дата публикации заявки: 10.06.2006
(46) Опубликовано: 20.03.2007
(56) Список документов, цитированных в отчете о поиске:
RU 2050551 C1, 20.12.1995. RU 2055369 C1, 27.02.1996. SU 1089678 A, 30.04.1984. RU 95114504 A, 10.08.1997. SU 1705752 A1, 15.01.1992. JP 62222121, 30.09.1987. US 4797608, 10.01.1989.
Адрес для переписки:
344020, г.Ростов-на-Дону, ул. Арефьева, 43, Е.Д. Рогачу
|
(72) Автор(ы):
Петин Генри Петрович (RU), Рогач Евгений Дмитриевич (RU), Дудко Владимир Анатольевич (RU)
(73) Патентообладатель(и):
Общество с ограниченной ответственностью Научно-производственное предприятие “Донэлектроприбор” (ООО НПП “Донэлектроприбор”) (RU)
|
(54) ТРЕХУРОВНЕВЫЙ ИНДИКАТОР НАПРЯЖЕНИЯ
(57) Реферат:
Устройство включает входную клемму для подключения контролируемого источника и клемму питания. Также оно содержит однополупериодный выпрямитель напряжения, состоящий из диода и конденсатора, подключенных к резистивному делителю напряжения. Выход последнего через первый резистор подключен к неинвертирующему входу операционного усилителя (ОУ). Инвертирующий вход ОУ соединен с выходом делителя питающего напряжения. Делитель питающего напряжения состоит из последовательно соединенных второго и третьего резисторов. Он через четвертый резистор соединен с выходом ОУ и эмиттером ключевого транзистора, база которого соединена с инвертирующим входом ОУ, а коллектор через второй конденсатор – с неинвертирующим входом ОУ. Делитель питающего напряжения через пятый резистор соединен с общим проводником. Выход ОУ через ограничительный резистор и светодиод подключен к общему проводнику. Коллектор ключевого транзистора подключен к выключателю питания контролируемого источника напряжения. Выход резистивного делителя напряжения через второй диод подключен к датчику температуры силового узла контролируемого устройства. Выход ОУ может быть соединен с электродом пьезоэлектрического излучателя звука, другой электрод которого соединен с общим проводником. Технический результат – упрощение схемной реализации и улучшение условий эксплуатации контролируемого устройства за счет индикации изменения уровня напряжения питающей сети от минимального значения до максимального в пределах допустимой нормы, с последующим миганием светодиода при выходе за пределы штатного режима функционирования. 1 з. п. ф-лы, 2 ил.
Изобретение относится к измерительной технике и может быть использовано в качестве светодиодного индикатора напряжения, например в сварочных аппаратах электродуговой сварки и других устройствах, питаемых от однофазной и трехфазной сети, к которым для обеспечения нормального режима работы предъявляются повышенные требования к уровню питающего напряжения и перегреву силовых узлов.
Известны различные схемные решения, использующие светодиоды для индикации напряжения на контролируемом устройстве.
Так, в известном устройстве визуального контроля величины напряжения [1] к первому и второму светодиоду подключены резистивный делитель и пороговый элемент, выполненный на стабилитроне с последовательно соединенным с ним первым светодиодом. Средняя точка порогового элемента соединена со средней точкой резистивного делителя с помощью второго светодиода, плюсовой вывод которого подключен к средней точке порогового элемента, а минусовой вывод – к средней точке резистивного делителя. Другой известный индикатор напряжения [2] содержит первую цепь, первый вывод которой соединен с первой клеммой устройства для подключения первых выводов контролируемого источника напряжения и дополнительного источника напряжения, а второй выход через первый резистор соединен со второй клеммой устройства для подключения второго вывода дополнительного источника напряжения, второй светоизлучающий элемент и третью клемму для подключения второго вывода контролируемого источника напряжения, опорный элемент, вход управляемого ключа соединен с третьей клеммой устройства через второй резистор.
В известных светодиодных индикаторах напряжения происходит сравнение только с одним уровнем напряжения.
Известен трехуровневый индикатор напряжения [3], содержащий последовательно соединенные первый, второй и третий резисторы, первый вывод первого из которых заземлен, а второй третьего соединен с выходом схемы И-НЕ, точка соединения второго-третьего резисторов через инвертор и первый генератор соединена с первым входом схемы И-НЕ, точка соединения первого-второго резисторов через второй генератор со вторым входом. Вход устройства соединен с плюсовым выводом контролируемого устройства. Недостатком известного устройства является отсутствие индикации изменения напряжения контролируемого источника.
Наиболее близким по выполняемой функции и схемной реализации к заявляемому объекту является трехуровневый индикатор напряжения для автомобильного аккумулятора [4], принимаемый за прототип.
Известный трехуровневый индикатор напряжения содержит входную клемму для подключения контролируемого источника, ключ, резистивный делитель, состоящий из трех резисторов, три D-триггера, коммутатор, два светодиода, два генератора, инвертор, клемму питания, ограничительный резистор. Первый генератор формирует короткие импульсы – 1 мкс с низкой частотой следования – до долей Гц. Когда генератор вырабатывает импульс, ключ открывается, напряжение источника питания подастся на резистивный делитель, и на входах триггеров образуются соответствующие уровни, которые ими запоминаются.
Режимы повышенного и пониженного напряжения идентифицируют в первом случае мигание светодиода, а во втором случае его редкое погасание, что обеспечивает лучшую восприимчивость для глаз. Третий уровень идентифицирует неправильное включение контролируемого источника, при этом светодиод не горит вообще.
Недостатком прототипа является сложность выполнения схемы и ее регулировки вследствие наличия двух генераторов, а также отсутствие индикации изменения величины контролируемого напряжения от минимального значения до максимального в пределах нормы, допустимой паспортными данными контролируемого устройства, и отсутствие индикации аварийного состояния (перегрева) силовых узлов контролируемого устройства.
Визуальная индикация указанных параметров необходима при работе оператора, например, со сварочным аппаратом, в этом случае требуется индикация выхода из штатного режима функционирования контролируемого устройства и индикация изменения напряжения питающей сети в пределах допустимой нормы.
Согласно паспортным данным, для сварочного аппарата напряжение питающей сети, В, должно соответствовать величине 220 (+5 -10) %. При выходе уровня питающего напряжения за указанные пределы нарушается режим горения дуги и ухудшается качество сварного шва, особенно при сварке тонколистового металла толщиной 0,5-1,5 мм. Индикация изменения напряжения питающей сети позволит оператору диагностировать наличие изменения напряжения в сети.
Перегрев силового трансформатора является аварийным состоянием контролируемого устройства.
Задачей, решаемой заявляемым изобретением, является реализация всех перечисленных выше технических результатов в одной простой схеме.
Техническим результатом заявляемого изобретения является упрощение схемной реализации и улучшение условий эксплуатации контролируемого устройства за счет индикации изменения уровня напряжения питающей сети от минимального значения до максимального в пределах допустимой нормы, с последующим миганием светодиода при выходе за пределы штатного режима функционирования.
Авторам не известно из уровня техники использование в качестве информационного параметра индикации изменения напряжения питающей сети в пределах допустимой нормы контролируемого устройства.
Указанный технический результат достигается тем, что трехуровневый индикатор напряжения, включающий входную клемму для подключения контролируемого источника, ключевой элемент, резистивный делитель, светодиод, ограничительный резистор и клемму питания, согласно изобретению содержит однополупериодный выпрямитель напряжения, состоящий из диода и конденсатора, подключенных к резистивному делителю напряжения, выход которого через первый резистор подключен к неинвертирующему входу операционного усилителя (ОУ), инвертирующий вход которого соединен с выходом делителя питающего напряжения, состоящего из последовательно соединенных второго и третьего резисторов, и через четвертый резистор соединен с выходом ОУ и эмиттером ключевого транзистора, база которого соединена с инвертирующим входом ОУ, а коллектор через второй конденсатор – с неинвертирующим входом ОУ и через пятый резистор с общим проводником, выход ОУ через ограничительный резистор и светодиод подключен к общему проводнику, коллектор ключевого транзистора подключен к выключателю питания контролируемого источника напряжения, а выход резистивного делителя напряжения через второй диод подключен к датчику температуры силового узла контролируемого устройства.
Другое отличие состоит в том, что выход ОУ соединен с электродом пьезоэлектрического излучателя звука, другой электрод которого соединен с общим проводником.
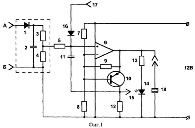
Изобретение поясняется чертежами, где на фиг.1 приведена принципиальная схема трехуровневого индикатора напряжения, а на фиг.2 – зависимость яркости свечения светодиодного индикатора от величины напряжения контролируемого источника.
Трехуровневый индикатор напряжения (фиг.1) содержит входную клемму для подключения контролируемого источника напряжения, однополупериодный выпрямитель напряжения, состоящий из диода 1 и конденсатора 2, подключенных к делителю напряжения на двух резисторах 3 и 4. Выход делителя напряжения через резистор 5 подключен к неинвертирующему входу ОУ 6, инвертирующий вход которого соединен с выходом делителя питающего напряжения (Uп, 12 В), состоящего из двух резисторов 7, 8 и через резистор 9 соединен с выходом ОУ 6 и эмиттером ключевого транзистора 10, база которого соединена с инвертирующим входом ОУ 6, а коллектор через конденсатор 11 – с неинвертирующим входом ОУ 6 и через резистор 12 – с общим проводником.
Выход ОУ 6 через коллектор транзистора 10 соединен с выключателем 15 питания контролируемого устройства. Выход делителя напряжения через диод 16 подключен к датчику температуры 17, установленного на силовом узле контролируемого устройства. Выход ОУ 6 соединен с электродом пьезоэлектрического излучателя звука 18, другой электрод которого – с общим проводником.
Переменное однофазное напряжение подается на вход однополупериодного выпрямителя, с выхода которого поступает на неинвертирующий вход ОУ 6, на инвертирующий вход которого подается сигнал с делителя напряжения 7, 8. При минимально необходимой величине контролируемого напряжения напряжение на входе ОУ 6 достигает величины, достаточной для зажигания светодиода 14 (фиг.2, область 0-1). При дальнейшем увеличении контролируемого напряжения яркость свечения светодиода 14 увеличивается линейно (фиг.2, область 1-2). Когда напряжение на выходе ОУ 6 превысит напряжение на инвертирующем входе ОУ 6, ключевой транзистор 10 отпирается и включается цепь положительной обратной связи с коллектора транзистора через конденсатор 11 на неинвертирующий вход ОУ 6. По мере повышения напряжения на выходе ОУ 6 меняется разность потенциалов между базой и эмиттером ключевого транзистора 10. Пока напряжение на выходе ОУ 6 меньше, чем на неинвертирующем входе, транзистор 10 остается запертым, но когда это напряжение превысит значение напряжения на инвертирующем входе ОУ 6, транзистор 10 открывается. При этом ОУ 6 и транзистор 10 входят в режим генерации прямоугольных импульсов, частота следования которых определяется емкостью конденсатора 11, в результате светодиод 14 начинает мигать с частотой следования прямоугольных импульсов (фиг.2, область 2-3). Благодаря действию цепи глубокой отрицательной обратной связи через резистор 9 напряжение на инвертирующем входе ОУ 6 меняется практически так же, как на его неинвертирующем входе, но выходное напряжение ОУ 6 благодаря эффекту усиления меняется быстрее входного, поданного, неинвертирующий вход ОУ 6.
Если напряжение в сети соответствует величине, заданной техническими требованиями для нормального режима работы контролируемого устройства, яркость свечения светодиода 14 изменяется от максимального необходимого напряжения до максимально допустимого, что для сварочного полуавтомата составляет 180-240 В соответственно. При напряжении, меньшем 180 В, свечение светодиода 14 прекращается, и при напряжении 180-240 В яркость свечения светодиода 14 увеличивается линейно. При напряжении, превышающем 240, В начинается мигание светодиода с частотой прямоугольных импульсов, различимой для визуального восприятия. Индикатор температуры 17, выполненный по стандартной схеме с использованием полупроводникового термистора или биметаллического контакта при превышении предельно допустимой температуры нагрева силового узла контролируемого устройства, вырабатывает положительное напряжение, отпирающее диод 16, что вызывает повышение напряжения на неинвертирующем входе ОУ 6 до максимального и в результате светодиод начинает мигать, то является сигналом автоматического или ручного выключения выключателем 15 питания и прекращения работы контролируемого устройства. Для усиления восприятия оператора возможна одновременно с миганием светодиода подача звукового сигнала от пьезоэлектрического излучателя 18, что является также сигналом ручного выключения питания и прекращения работы контролируемого устройства.
Трехуровневый индикатор напряжения при питании электротехнического устройства от трехфазной сети подключают к каждой фазе (по индикатору) и питание всех индикаторов осуществляют от одного источника стабилизированного напряжения 12 В. Одинаковая визуально воспринимаемая яркость свечения светодиодов свидетельствует о наличии напряжения в пределах допустимой нормы. При разной яркости свечения светодиодов диагностируют перекос фаз.
Трехуровневый индикатор напряжения промышленно освоен и использован в серийно выпускаемом ООО НПП «Донэлектроприбор», г.Ростов-на-Дону полуавтомате углекислотном сварочном «ПИТОН» ПДГ-12-1.3УЗ, 220 В, ПДГ-15, ПДГ-18, ПДГ-20. Потребителями отмечается удобство эксплуатации сварочного полуавтомата.
Источники информации
1. Заявка №95114504, 6 G 01 R 19/155, дата публикации 1997.08.10.
2. №2055369 RU 6 G 01 R 19/155, опубл. 1996.02.27.
3. Авторское свидетельство СССР №1089678, G 01 R 19/165, 1984.
4. №2050551, RU, 6 G 01 R 19/165, опубл. 1995.12.20 – прототип.
Формула изобретения
1. Трехуровневый индикатор напряжения, включающий входную клемму для подключения контролируемого источника, ключевой элемент, резистивный делитель напряжения, светодиод, ограничительный резистор и клемму питания, отличающийся тем, что он содержит однополупериодный выпрямитель напряжения, состоящий из диода и конденсатора, подключенных к резистивному делителю напряжения, выход которого через первый резистор подключен к неинвертирующему входу операционного усилителя (ОУ), инвертирующий вход которого соединен с выходом делителя питающего напряжения, состоящего из последовательно соединенных второго и третьего резисторов, и через четвертый резистор соединен с выходом ОУ и эмиттером ключевого транзистора, база которого соединена с инвертирующим входом ОУ, а коллектор через второй конденсатор – с неинвертирующим входом ОУ и через пятый резистор с общим проводником, выход ОУ через ограничительный резистор и светодиод подключен к общему проводнику, коллектор ключевого транзистора подключен к выключателю питания контролируемого источника напряжения, а выход резистивного делителя напряжения через второй диод подключен к датчику температуры силового узла контролируемого устройства.
2. Индикатор по п.1, отличающийся тем, что выход ОУ соединен с электродом пьезоэлектрического излучателя звука, другой электрод которого соединен с общим проводником.
РИСУНКИ
MM4A – Досрочное прекращение действия патента СССР или патента Российской Федерации на изобретение из-за неуплаты в установленный срок пошлины за поддержание патента в силе
Дата прекращения действия патента: 22.12.2007
Извещение опубликовано: 27.07.2009 БИ: 21/2009
|
|