|
(21), (22) Заявка: 2005117503/28, 07.06.2005
(24) Дата начала отсчета срока действия патента:
07.06.2005
(46) Опубликовано: 20.03.2007
(56) Список документов, цитированных в отчете о поиске:
RU 2247329 С2, 27.02.2005. US 6173616 B1, 16.01.2001. US 5351554 A, 04.10.1994. SU 1326890 A1, 30.07.1987.
Адрес для переписки:
400131, г.Волгоград, пр. Ленина, 28, ВолгГТУ, отдел интеллектуальной собственности
|
(72) Автор(ы):
Шилин Александр Николаевич (RU), Будько Василий Владиславович (RU)
(73) Патентообладатель(и):
Государственное образовательное учреждение высшего профессионального образования Волгоградский государственный технический университет (ВолгГТУ) (RU)
|
(54) ЭЛЕКТРОМАГНИТНЫЙ РАСХОДОМЕР
(57) Реферат:
Расходомер содержит первичный электромагнитный преобразователь расхода, включающий магнитную систему, в зазоре которой установлены трубопроводы с электродами, подсоединенными к измерительной схеме. Один из трубопроводов совместно с измерительной схемой образует измерительный канал с постоянным расходом измеряемой среды, создающий со схемой контроля для управления током питания магнитной системы отрицательную обратную связь, позволяющую компенсировать влияние изменения параметров среды, магнитной системы и измерительной схемы на результат измерения. Измерительная схема содержит последовательно соединенные коммутатор аналоговых сигналов, со входами которого соединены электроды, расположенные на трубопроводах, аналого-цифровой преобразователь и микропроцессор, управляющий коммутатором. Схема контроля включает в себя источник тока питания катушек магнитной системы, управляемый микропроцессором совместно с ШИМ-регулятором, и АЦП, служащий для передачи на вход микропроцессора напряжения, полученного преобразованием тока питания измерительным резистором. Изобретение обеспечивает повышение точности измерения за счет использования переменного прямоугольного тока питания и его коррекции. 4 ил.
Изобретение относится к приборостроению, в частности к измерению расхода электропроводящих сред электромагнитными расходомерами, и может быть использовано при периодической метрологической поверке расходомеров, в промышленности и в научных исследованиях.
Известны устройства – электромагнитные расходомеры для измерения расхода электропроводных сред, содержащие один измерительный преобразователь, один непроводящий трубопровод, одну магнитную систему, два электрода для снятия сигнала, пропорционального расходу, преобразователи сигналов.
Известен электромагнитный расходомер (а.с. №1656328, кл. G 01 F 1/58, опубл. 1991 г.), содержащий в измерительной цепи первичный преобразователь расхода, коммутатор, преобразователь сигнала, регулятор коэффициента передачи, имеющий в режиме измерения постоянный коэффициент передачи, два устройства выборки и хранения аналоговых сигналов, схему сравнения, источник образцового напряжения и индикатор, в котором для уменьшения погрешности измерения расхода из-за нестабильности тока возбуждения происходит периодическая калибровка регулятора коэффициента передачи с использованием контрольного сигнала, в результате выходное напряжение схемы сравнения через второе устройство выборки-хранения изменяет коэффициент передачи до равенства выходного напряжения образцовому.
Недостатком данного расходомера является коррекция тока питания катушек только по источнику стабильного напряжения, поэтому здесь не учитываются параметры измеряемой среды и магнитной системы, что уменьшает точность измерения расхода, и аналоговая элементная база расходомера.
Известен расходомер (а.с. №1826708, кл. G 01 F 1/60, опубл. 1996 г.), содержащий электромагнитный преобразователь расхода, блок управления, генератор, усилители сигналов, мультиплексоры, преобразователь отношений сигналов, суммирующий усилитель, отсчетное устройство, который позволяет повысить точность измерения за счет коррекции аддитивной погрешности, возникающей при движении жидкости через электромагнитный преобразователь расхода, путем сравнения отношений преобразованных сигналов.
Недостатком этого устройства является невозможность коррекции мультипликативной погрешности измерения расхода и отсутствие коррекции зависимости свойств магнитной системы от свойств окружающей и измеряемой среды, что снижает точность измерения расхода, а также аналоговая реализация сравнения измеренных сигналов.
Известен электромагнитный расходомер (US 5351554, кл. G 01 F 1/60, опубл. 1994 г.), состоящий из трубы, имеющей непроводящую внутреннюю поверхность, магнитную систему для создания электромагнитного поля, направленного перпендикулярно к продольной оси трубы, измерительного резистора, схемы контроля для управления током питания магнитной системы, электродов, подсоединенных к противоположным сторонам трубы, схемы измерения, подсоединенной к электродам для генерирования выходного сигнала, пропорционального расходу жидкости, через трубу, и измерительной схемы, включающей средства для непрерывной регистрации переменного напряжения для компенсации колебаний тока питания магнитной системы.
Недостатком этого расходомера является то, что компенсация колебаний тока питания магнитной системы происходит только при изменении параметров самого источника тока и не компенсируется изменение параметров измеряемой жидкости, что уменьшает точность измерения расхода.
Наиболее близкими являются способ измерения расхода электропроводящих сред (патент РФ №2247329, кл. G 01 F 1/56, опубл. 2005 г.) и схема, реализующая способ измерения, которая содержит магнитную систему, основной и дополнительный измерительные каналы с электродами, усилитель мощности, генератор прямоугольных сигналов, предварительный усилитель, суммирующий усилитель, компаратор, схему выборки и хранения аналогового сигнала, источник опорного напряжения, индикатор. В дополнительном измерительном канале поддерживается постоянный расход.
Недостатком схемы измерения является использование аналоговых элементов, что снижает возможность реализации автоматической коррекции погрешности измерения вследствие искажения аналогового сигнала в элементах схемы при его хранении, сравнении и усилении из-за несовершенства элементов и влияния окружающей среды.
В связи с этим важнейшей задачей является создание нового электромагнитного расходомера, в котором используется переменный прямоугольный ток питания и осуществляется его коррекция, что повышает точность измерения.
Техническим результатом заявленного устройства электромагнитного расходомера является повышение точности измерения.
Поставленный технический результат достигается тем, что в электромагнитном расходомере, содержащем первичный электромагнитный преобразователь расхода, включающий магнитную систему с катушками, в зазоре которой установлены трубопровод с электродами, расположенными с противоположных сторон трубопровода и подсоединенными к измерительной схеме, соединенной со схемой контроля для управления током питания магнитной системы, и дополнительный трубопровод с электродами, расположенными с противоположных сторон дополнительного трубопровода и подсоединенными ко входу измерительной схемы, при этом дополнительный трубопровод с измерительной схемой образуют измерительный канал с постоянным расходом измеряемой среды, создающий со схемой контроля для управления током питания магнитной системы отрицательную обратную связь, позволяющую компенсировать влияние изменения параметров измеряемой среды, магнитной системы и измерительной схемы на результат измерения, измерительный резистор, блок отображения, соединенный с измерительной схемой, измерительная схема содержит последовательно соединенные коммутатор аналоговых сигналов, со входами которого соединены электроды, расположенные на трубопроводах, аналого-цифровой преобразователь и микропроцессор, управляющий коммутатором, а схема контроля включает в себя источник тока питания катушек магнитной системы, управляемый микропроцессором совместно с ШИМ-регулятором, и АЦП, служащий для передачи на вход микропроцессора напряжения, полученного преобразованием тока питания измерительным резистором.
Скорость движения среды при постоянном сечении трубопровода пропорциональна расходу, поэтому напряжение, индуцируемое на электродах дополнительного трубопровода, должно быть постоянным. Отклонение напряжения, пропорционального скорости движения среды в дополнительном трубопроводе, от образцового значения означает изменение параметров магнитной системы и измеряемой среды. Поэтому разность между напряжением, пропорциональным скорости движения среды в дополнительном трубопроводе, и образцовым значением поддерживают равной нулю, изменяя ток питания магнитной системы пропорционально этой разнице напряжений.
Таким образом, производится регулирование тока питания магнитной системы с помощью отрицательной обратной связи по величине скорости движения среды в дополнительном трубопроводе, в котором поддерживают постоянный расход среды.
Так как трубопровод и дополнительный трубопровод проходят через магнитную систему первичного электромагнитного преобразователя расхода, то изменение тока питания магнитной системы одинаково влияет на изменение напряжений, пропорциональных скорости движения измеряемой среды, в трубопроводе и дополнительном трубопроводе, следовательно, в трубопроводе происходит коррекция значения расхода.
В результате регулирования тока питания магнитной системы первичного электромагнитного преобразователя расхода значение и распределение магнитной индукции поддерживается на постоянном уровне. Благодаря этому напряжение, пропорциональное скорости движения среды в трубопроводе, получается не зависящем от изменений параметров магнитной системы, от изменения температуры измеряемой и окружающей среды, проводимости среды, а также от других параметров измеряемой среды, что в свою очередь повышает точность измерения расхода.
Таким образом, преимуществом данного электромагнитного расходомера является коррекция значения выходного сигнала не по косвенному, а по прямому параметру, то есть по расходу, что повышает точность измерения.
Также преимуществом данного электромагнитного расходомера является использование переменного прямоугольного тока, что повышает точность измерения расхода.
В инженерных расчетах напряжение, индуцируемое и измеряемое на электродах первичного электромагнитного преобразователя расхода жидкости в трубопроводе круглого сечения при симметричном относительно оси трубы потоке течения жидкости, определяется с помощью выражения:

где D – внутренний диаметр трубопровода; В – индукция магнитного поля; – средняя скорость течения потока жидкости.
Тогда напряжения, индуцируемые на электродах трубопровода Uосн и дополнительного трубопровода Uдоп, соответственно равны:


где Dосн и Dдоп – соответственно внутренние диаметры трубопровода и дополнительного трубопровода: осн и доп – соответственно средние скорости течения потока жидкости в трубопроводе и дополнительном трубопроводе.
Выразим расходы Qосн и Qдоп измеряемой среды соответственно через сечения трубопровода Sосн и дополнительного трубопровода Sдоп расходомера через соответствующие напряжения:


Далее выразим магнитную индукцию В из формулы (3,б) для дополнительного трубопровода

Затем, выполнив подставку формул (4) в (3,а), получим выражение расхода для трубопровода:

Учитывая, что расстояния между электродами в трубопроводе Dосн и дополнительном трубопроводе Dдоп известны, а величины Qдоп и Uдоп постоянны, то выражение расхода можно представить в виде:

где К – коэффициент, который может быть определен опытным путем, а именно тарировкой характеристики измерения расходомера в диапазоне измерения расходов.
Таким образом, согласно формулам (5-6), при использовании дополнительного трубопровода величина измеряемого расхода Qосн определяется только напряжением Uосн трубопровода, а остальные составляющие формулы (5) являются постоянными величинами или поддерживаются на постоянном уровне, и благодаря использованию значения напряжения на электродах дополнительного трубопровода с протекающим постоянным расходом отпадает необходимость знать значение магнитной индукции, входящей в исходное выражение (1).
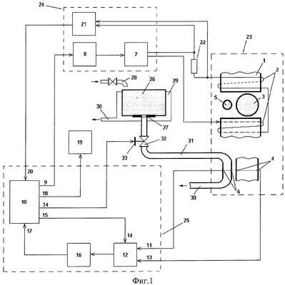
На фиг.1 представлена функциональная схема электромагнитного расходомера. На фиг.2 представлена временная диаграмма сигнала питания катушек магнитной системы электромагнитного расходомера. На фиг.3. и фиг.4 представлены соответственно графики зависимости погрешности измерения от установленного расхода в режиме без коррекции по постоянному расходу и в режиме с коррекцией по постоянному расходу в дополнительном трубопроводе.
Электромагнитный расходомер электропроводящих сред представляет собой магнитную систему 1 с катушками 2, в зазоре которой установлены трубопровод 3 с электродами 4 и дополнительный трубопровод 5 с постоянным расходом измеряемой среды. Напряжение, снимаемое с электродов 6 дополнительного трубопровода 5, используется для управления током питания катушек 2 магнитной системы 1 с помощью источника тока 7. Вход источника тока 7 в свою очередь соединен с выходом ШИМ-регулятора 8, соединенного входом с выходом 9 микропроцессора 10.
Электроды 6 дополнительного трубопровода 5 соединены с входом 11 коммутатора 12 аналоговых сигналов, а с входом 13 коммутатора соединены электроды 4 трубопровода 3. Вход 14 коммутатора 12 аналоговых сигналов соединен с выходом 15 микропроцессора 10, а выход коммутатора 12 аналоговых сигналов подсоединен к входу аналого-цифрового преобразователя 16, подключенного выходом к входу 17 микропроцессора 10. К выходу 18 микропроцессора 10 подключен блок отображения 19.
К входу 20 микропроцессора 10 подключен дополнительный аналого-цифровой преобразователь 21, к входу которого подсоединен измерительный резистор 22, который служит датчиком тока питания катушек 2 магнитной системы 1 для его регулирования. Выход источника тока 7 соединен с аналого-цифровым преобразователем 21.
Магнитная система 1 с катушками 2, трубопровод 3 с электродами 4 и дополнительный трубопровод 5 с электродами 6 представляют собой первичный электромагнитный преобразователь расхода 23.
Аналого-цифровой преобразователь 21, ШИМ-регулятор 8, источник тока 7 питания катушек 2 магнитной системы 1 и управляющая программа микропроцессора 10 представляют собой схему контроля для управления током 24 питания катушек 2 магнитной системы 1.
Коммутатор 12 аналоговых сигналов, аналого-цифровой преобразователь 16 и микропроцессор 10 представляют собой измерительную схему 25 электромагнитного расходомера.
Дополнительный трубопровод и измерительная схема образуют измерительный канал с постоянным расходом. Измерительная схема измеряет напряжения, индуцируемые на электродах 4 трубопровода 3 и электродах 6 дополнительного трубопровода 5 с разделением по времени.
Измерительный канал с постоянным расходом, измерительная схема 25 и схема контроля для управления током 24 питания катушек 2 магнитной системы 1 образуют отрицательную обратную связь по постоянному расходу в дополнительном трубопроводе 5, с помощью которой происходит коррекция мультипликативной составляющей погрешности измерения электромагнитного расходомера.
Для коррекции мультипликативной составляющей погрешности измерения электромагнитного расходомера используется источник постоянного расхода жидкости. Постоянный расход обеспечивается постоянным давлением в дополнительном трубопроводе 5 с постоянным сечением. Постоянное давление устанавливают с помощью поддержания постоянной высоты столба жидкости в емкости 26 с выходным трубопроводом 27. Уровень столба измеряемой среды в емкости 26 поддерживается с помощью подпиточного трубопровода 28, расход которого больше расхода дополнительного трубопровода 5, а излишки измеряемой среды переливаются через край емкости в сливную емкость 29, к которой подсоединен сливной трубопровод 30 для отвода излишков измеряемой среды. Таким образом, постоянный расход поддерживается высотой столба измеряемой среды, а высота столба ограничена верхней кромкой емкости 26. Емкость 26 соединена с помощью трубопровода 31 через управляемую задвижку 32 с дополнительным трубопроводом 5. Задвижка 32 управляется исполнительным механизмом 33, соединенным в свою очередь с выходом 34 микропроцессора 10. Электроды 6 дополнительного трубопровода 5 установлены на горизонтальном участке сливного трубопровода 30.
Электромагнитный расходомер имеет несколько режимов работы:
1) режим измерения расхода жидкости в трубопроводе 3 (основной режим);
2) режим тарировки, т.е. определения характеристики для трубопровода 3 (этот режим используется при изготовлении и первичной поверке);
3) режим определения цифрового значения напряжения (буква N обозначает оцифрованное значение величины) в дополнительном трубопроводе 5, усредненного за время тарировки (этот режим используется перед процессом измерения).
Режимы работы устройства для измерения электропроводящих сред в свою очередь состоят из следующих циклов:
1) цикл измерения напряжения Uосн в трубопроводе 3;
2) цикл измерения напряжения Uосн в дополнительном трубопроводе 5;
3) цикл калибровки АЦП 16;
4) цикл калибровки АЦП 21;
5) цикл измерения тока катушек магнитной системы.
Работа электромагнитного расходомера в режиме измерения осуществляется следующим образом.
В циклах измерения источник тока 7, управляемый микропроцессором 10 совместно с ШИМ-регулятором 8, возбуждает с помощью катушек 2 магнитное поле в расходомере. Возбуждение магнитного поля осуществляется двухполярным прямоугольным сигналом тока с заданным значением и повторением одного цикла (фиг.2), состоящего из периодов: Т1 – возбуждение магнитного поля, Т2 – пауза, Т3 – возбуждение магнитного поля другой полярности по сравнению с периодом Т1, Т4 – пауза. Двухполярный сигнал необходим для исключения эффекта поляризации электродов, а соответственно и уменьшения погрешности измерения. Выборка сигналов напряжений, снимаемых с электродов трубопровода 3 и дополнительного трубопровода 5, осуществляется в моменты времени, когда индукция магнитного поля имеет стабильное значение.
В цикле измерения напряжения в трубопроводе 3 Uосн через коммутатор 12 (вход 13), управляемый через вход 14 микропроцессором 10 (выход 15), поступает через выход на АЦП 16, цифровой код NUосн которого подается на вход 17 микропроцессора 10. Микропроцессор 10 записывает в память измеренные и преобразованные в цифровой код значения и длительность цикла измерения Тосн для дальнейшего вычисления среднего за n циклов измерения значения напряжения NUосн.
В цикле измерения напряжения в дополнительном трубопроводе 5 Uдоп через коммутатор 12 (вход 11), управляемый микропроцессором 10, поступает на АЦП 16, цифровой код NUдоп которого подается на вход 17 микропроцессора 10. Микропроцессор 10 записывает в память измеренные и преобразованные в цифровой код значения и длительность цикла измерения Тдоп для дальнейшего вычисления среднего за n циклов измерения значения напряжения NUдоп.
В циклах калибровки АЦП 16 и АЦП 21 осуществляют калибровку значения смещения нуля и наклона характеристики преобразования встроенными средствами аналого-цифровых преобразователей 16 и 21.
В цикле стабилизации тока питания катушек 2 магнитной системы 1 ток преобразуется с помощью измерительного резистора 22 в напряжение, которое с помощью АЦП 21 преобразуется в цифровой код, а затем подается на вход 20 микропроцессора 10. В микропроцессоре 10 по результатам измерения напряжения выполняется коррекция значения тока питания катушек 2 магнитной системы 1.
Режим тарировки трубопровода 3 выполняется при изготовлении электромагнитного расходомера, во время первичной поверки его метрологических характеристик, а также при последующих поверках.
Целью тарировки трубопровода 3 является получение тарировки характеристики , необходимой для преобразования значения расхода в трубопроводе 3 в цифровое значение напряжения NUосн, пропорционального скорости движения измеряемой среды в трубопроводе 3. В начале процесса тарировки ток питания катушек магнитной системы устанавливается равным начальному значению тока питания , которое заносится в память процессора 10.
В процессе тарировки после каждого цикла измерения напряжения Uосн ток питания периодически измеряется. Измеренное значение NInum сравнивается со значением и по результатам разности токов микропроцессор 10 через ШИМ-регулятор корректирует ток питания катушек магнитной системы. Кроме того, периодически во время работы выполняется цикл калибровки АЦП 21.
В процессе тарировки задается несколько значений расходов среды в трубопроводе 3, последовательно переходя от максимального расхода к минимальному расходу , уделяя особое внимание области малых расходов при ламинарном и переходном течении. Причем, каждый раз, при задании нового значения расхода (начиная от максимального и заканчивая минимальным значением расхода) проливной поверочной установке, как всякой инерционной системе, измерения выполняют при установившихся переходных процессах.
Для получения данных о действительном значении расхода необходимо использовать внешний образцовый расходомер с частотным выходным сигналом, подключенный к микропроцессору 10, в котором реализована функция измерения частоты и вычисления цифрового значения мгновенного расхода . Предварительно в микропроцессор 10 вводится значение веса импульса частотного выхода образцового расходомера. По мгновенному значению расхода измеряемой жидкости NQэталон контролируется стабильность показаний элетромагнитного расходомера.
При построении тарировочной характеристики , для каждого значения расхода , микропроцессор 10 производит некоторое количество n циклов измерений напряжения Uосн при установившемся течении измеряемой среды. Момент окончания переходного процесса микропроцессор 10 определяет по стабильности значений частотного сигнала от образцового расходомера. По окончании n измерений микропроцессор 10 вычисляет среднее за n циклов измерение с длительностью Тосн между началами циклов измерения значения напряжения NUосн:

Среднее значение расхода вычисляется по количеству пришедших импульсов от образцового расходомера по внешнему частотному входу за время проведения n циклов измерения NUосн:

Тарировочный коэффициент в точке расхода определяется из отношения выражений (7) и (8):

Значения тарировочного коэффициента в точках расхода и усредненного напряжения запоминаются в памяти микропроцессора 10.
По окончании процесса тарировки микропроцессор 10 вычисляет тарировочную характеристику с помощью метода кусочной интерполяции по известным точкам в диапазоне измерения расхода и представляет в виде:

где Аj – коэффициенты полинома.
При интерполировании микропроцессор 10 с помощью нескольких вычислений определяет степень полинома и количество полиномов для описания тарировочной характеристики c заданной точностью интерполяции. Коэффициенты интерполяции запоминаются в памяти микропроцессора 10.
При измерении микропроцессор 10 периодически выполняет цикл коррекции аддитивных и мультипликативных погрешностей АЦП 16.
После режима определения тарировочной характеристики выполняется поверка электромагнитного расходомера.
Причем значения расходов, задаваемых при поверке, может отличаться от значений расходов, задаваемых для определения тарировочной характеристики .
В режиме тарировки дополнительного трубопровода 5, при использовании представленного электромагнитного расходомера в качестве образцового, для поверки других расходомеров, предварительно выполняется тарировка дополнительного трубопровода 5, целью которой является получение усредненного по времени цифрового значения напряжения , пропорционального скорости движения измеряемой среды в дополнительном трубопроводе 5.
В начале процесса тарировки дополнительного трубопровода 5 устанавливается ток питания катушек 2, равный начальному значению тока питания , как и при тарировки дополнительного трубопровода 5.
В процессе тарировки дополнительного трубопровода 5 после каждого цикла измерения напряжения Uдоп периодически измеряется ток питания катушек 2. Полученное значение NInum сравнивается со значением , и по значению разности токов микропроцессор 10 с помощью ШИМ-регулятора 8 корректирует ток питания катушек 2 магнитной системы 1. Кроме того, периодически во время работы выполняется цикл калибровки АЦП 21.
Перед измерением напряжения на электродах дополнительного трубопровода 5 заполняется емкость 26. Затем по команде микропроцессор 10 с помощью исполнительного механизма 33 открывает задвижку 32 и контролирует стабильность значений напряжения NUдоп. При достижении стабильности показаний микропроцессор 10 выполняет некоторое количество n циклов измерения значения напряжения NUдоп. Затем по результатам измерений микропроцессор 10 вычисляет среднее значение напряжения за n циклов измерения с длительностью Тдоп между началами циклов измерения напряжения NUдоп:

После прекращения измерений микропроцессор 10 с помощью исполнительного механизма 33 закрывает задвижку 32.
В течение всего времени измерения микропроцессор 10 периодически выполняет коррекцию погрешностей АЦП 16.
Целью режима измерения расхода измеряемой среды в трубопроводе 3 является получение цифрового значения мгновенного расхода измеряемой среды в трубопроводе 3 NQосн. Режим измерения состоит из повторяющихся последовательностей циклов:
а) цикл измерения напряжения Uосн;
б) цикл измерения напряжения Uдоп;
в) цикл измерения тока питания катушек магнитной системы.
Перед измерением расхода в трубопроводе 3 ток питания катушек 2 устанавливается равным начальному значению , установленному при определении тарировочной характеристики трубопровода 3.
В процессе измерения, каждый раз, после циклов измерения напряжений Uосн и Uдоп процессор 10 включает цикл измерения тока питания Inum катушек. При выполнении n измерений значения NUдоп усредняются микропроцессором 10:

Затем среднее значение напряжения сравнивается со средним значением напряжения , полученного при тарировке дополнительного трубопровода 5. По результатам сравнения микропроцессор 10 изменяет ток питания катушек 2 магнитной системы 1 таким образом, чтобы соблюдалось неравенство, определяющее корректировку значения напряжения NUосн по значению постоянного расхода в дополнительном трубопроводе 5 Qдоп:

где – чувствительность АЦП 21, которая значительно меньше чувствительности АЦП 16.
В течение всего процесса измерения микропроцессор 10 периодически включает циклы калибровки чувствительности и смещения нуля шкалы преобразования АЦП 16 и цикл калибровки смещения нуля АЦП 21.
При выполнении n циклов измерений напряжения Uосн с длительностью Тосн микропроцессор 10 вычисляет среднее значение напряжения NUосн:

Затем микропроцессор 10 вычисляет значение расхода по тарировочной характеристике :

Результат измерения расхода в трубопроводе 3 регистрируется блоком отображения 19, соединенным с выходом 18 микропроцессора 10.
Описанный алгоритм автоматической коррекции по постоянному расходу значения напряжения NUдоп в дополнительном трубопроводе 5, имеющем общую магнитную систему 1 с трубопроводом 3, исключает влияние на точность измерения изменения параметров магнитной системы 1. Кроме того, при использовании в обоих трубопроводах одной и той же измеряемой среды, такие параметры измеряемой среды как вязкость, электропроводность, температура также не оказывают отрицательного влияния на точность измерения в трубопроводе 3.
Для подтверждения эффективности использования дополнительного трубопровода с постоянным расходом измеряемой среды были проведены эксперименты на проливной поверочной установке. Результаты измерения расхода и определения погрешности измерения на различных расходах сначала без коррекции, с обычной стабилизацией тока питания катушек электромагнита, и затем с коррекцией по постоянному расходу в дополнительном трубопроводе приведены на графиках фиг.3 и фиг.4.
Как видно из графиков фиг.3 и фиг.4, при сравнении погрешностей измерений электромагнитным расходомером с автоматической коррекцией по постоянному расходу и без нее очевидно, что в нижней части диапазона измерения расходов ниже 3 м3/ч (при максимальном расходе 17 м3/ч), что соответствует ламинарному и переходному характеру течения для диаметра трубопровода 25 мм, точность измерения расхода жидкости при использовании автоматической коррекции по постоянному расходу в дополнительном трубопроводе на 35-45% выше, чем без коррекции.
При использовании заявленного электромагнитного расходомера повышается точность измерения, так как предложенный расходомер производит коррекцию погрешности измерений по конечному результату измерений, а именно по расходу. Предложенный электромагнитный расходомер позволяет учесть все мультипликативные погрешности измерения, вносимые изменениями параметров измеряемой среды и магнитной системы, что также повышает точность измерения, а следовательно, и диапазон измерений.
Таким образом, технические решения предложенного электромагнитного расходомера могут быть использованы в промышленных системах контроля жидких сред, в системах управления различными технологическими процессами, в химической, пищевой промышленности, топливно-энергетическом комплексе, при организации проверки метрологических характеристик расходомерного оборудования, а также при исследованиях в области расходометрии и электромагнитного измерения расхода электропроводящих сред, в частности.
Формула изобретения
Электромагнитный расходомер, содержащий первичный электромагнитный преобразователь расхода, включающий магнитную систему с катушками, в зазоре которой установлены трубопровод с электродами, расположенными с противоположных сторон трубопровода и подсоединенными к измерительной схеме, соединенной со схемой контроля для управления током питания магнитной системы, и дополнительный трубопровод с электродами, расположенными с противоположных сторон дополнительного трубопровода и подсоединенными ко входу измерительной схемы, при этом дополнительный трубопровод с измерительной схемой образуют измерительный канал с постоянным расходом измеряемой среды, создающий со схемой контроля для управления током питания магнитной системы отрицательную обратную связь, позволяющую компенсировать влияние изменения параметров измеряемой среды, магнитной системы и измерительной схемы на результат измерения, измерительный резистор, блок отображения, соединенный с измерительной схемой, отличающийся тем, что измерительная схема содержит последовательно соединенные коммутатор аналоговых сигналов, со входами которого соединены электроды, расположенные на трубопроводах, аналого-цифровой преобразователь и микропроцессор, управляющий коммутатором, а схема контроля включает в себя источник тока питания катушек магнитной системы, управляемый микропроцессором совместно с ШИМ-регулятором, и АЦП, служащий для передачи на вход микропроцессора напряжения, полученного преобразованием тока питания измерительным резистором.
РИСУНКИ
MM4A – Досрочное прекращение действия патента СССР или патента Российской Федерации на изобретение из-за неуплаты в установленный срок пошлины за поддержание патента в силе
Дата прекращения действия патента: 08.06.2008
Извещение опубликовано: 20.06.2010 БИ: 17/2010
|