|
|
(21), (22) Заявка: 2005119925/06, 27.06.2005
(24) Дата начала отсчета срока действия патента:
27.06.2005
(46) Опубликовано: 20.03.2007
(56) Список документов, цитированных в отчете о поиске:
КРЫМОВ Б.Г., РАБИНОВИЧ Л.В., СТЕБЛЕЦОВ В.Г. Исполнительные устройства систем управления летательными аппаратами. – М.: Машиностроение, 1987, с.36 рис.2.3, с.29-30, с.35-40, с.60-62, 64-66, 70-72, 75-76. МЕЛКОЗЕРОВ П.С. Приводы в системах автоматического управления. – М.-Л.: Энергия, 1966, рис.1-5,а, с.12. RU 2218549 C1, 10.12.2003. DE 4135557 A1, 06.05.1993. DE 4009549 A1, 26.09.1991.
Адрес для переписки:
300001, г.Тула, Щегловская засека, ГУП “Конструкторское бюро приборостроения”
|
(72) Автор(ы):
Артющев Владимир Васильевич (RU), Галантэ Александр Иосифович (RU), Тошнов Федор Федорович (RU)
(73) Патентообладатель(и):
Государственное унитарное предприятие “Конструкторское бюро приборостроения” (RU)
|
(54) ЭЛЕКТРОГИДРАВЛИЧЕСКИЙ ПРИВОД СИСТЕМ УПРАВЛЕНИЯ РАКЕТ И УСТАНОВОК ВООРУЖЕНИЯ
(57) Реферат:
Привод предназначен для систем управления ракет и установок вооружения. Привод содержит сумматор, первый вход которого является входом привода, и последовательно соединенные с ним усилитель мощности, электромеханический преобразователь, гидроусилитель, дроссельный гидрораспределитель и гидродвигатель, выход которого является выходом привода, кинематически связанным с объектом управления, соединенным через элемент обратной связи с вторым входом сумматора, в который введены последовательно соединенные первый корректирующий фильтр, первый релейный элемент, дополнительный сумматор, второй корректирующий фильтр, второй релейный элемент и последовательно соединенные датчик тока и инвертор, вход первого корректирующего фильтра соединен с выходом сумматора, а выход второго релейного элемента – с входом усилителя мощности, выход которого через датчик тока и инвертор подключен ко второму входу дополнительного сумматора. Технический результат – повышение надежности. 1 ил.
Предлагаемое изобретение относится к силовым системам управления летательных аппаратов и установок вооружения и может быть использовано в электрогидравлических следящих приводах с дроссельным и объемным регулированием скорости систем управления ракет, установок вооружения объектов бронетанковой техники, зенитных самоходных установок других объектов вооружения, а также может быть использовано в точном машиностроении.
Известен электрогидравлический привод, принятый в качестве аналога, описанный в книге: Мелкозеров П.С. Приводы в системах автоматического управления. – М.-Л.: Энергия, 1966, рис.1-5,а); с.12. Двигатель гидравлического привода является двухкаскадным. Первый каскад составляет электромеханический преобразователь (ЭМП) и гидроусилитель (ГУ), а второй – золотник (3) и силовой механизм (СМ), связанный через кинематическую передачу (КП) с органом (объектом) управления (ОУ). Угол поворота ЭМП преобразуется в перемещение золотника. Электрическая обратная связь реализуется с помощью потенциометра обратной связи (ПОС) на валу органа управления или на штоке силового механизма. Электромеханический преобразователь представляет собой электромагнитное устройство, предназначенное для преобразования электрических сигналов управления в механическое перемещение (поворот) якоря электромагнита. Электромеханический преобразователь управляется электронным усилителем (УС). Недостатком привода является низкая точность отработки сигналов управления Uвх вследствие линейного режима работы привода и входящих в него элементов.
Известен электрогидравлический рулевой привод, принятый авторами в качестве ближайшего аналога (прототипа) [Электрогидравлический рулевой привод. В кн.: Б.Г.Крымов, Л.В.Рабинович, В.Г.Стеблецов. Исполнительные устройства систем управления летательными аппаратами. – М.: Машиностроение, 1987, с.36 рис.2.3, с.29-30; с.35-40; с.60-62; 64-66; 70-72; 75-76]. Этот тип привода описан также в некоторых других источниках информации [1, 2], которыми придется воспользоваться в дальнейшем по ходу описания.
Под электрогидравлическим приводом (ЭГП) подразумевается замкнутая автоматическая система, состоящая из гидравлического силового привода и электрической или электрогидравлической систем управления им [2, c.29].
Наличие в ЭГП обратной электрической связи, охватывающей силовой гидропривод и его элементы управления, позволяет отнести его к классу следящих приводов. Поэтому ЭГП иногда называют электрогидравлическим следящим приводом.
В известном электрогидравлическом рулевом приводе [3, с.29-98] измеряют выходную координату привода (угол поворота рулей) с помощью датчика обратной связи, сравнивают измеренное значение с заданным и формируют управляющий сигнал на привод в соответствии с ошибкой управления (рассогласования). Устройством, обеспечивающим усиление сигнала ошибки, является электронный (полупроводниковый) усилитель мощности.
Известный электрогидравлический рулевой привод состоит из следующих основных последовательно соединенных частей: сумматора, первый вход которого является входом привода, усилителя мощности, электромеханического преобразователя, гидроусилителя, дроссельного гидрораспределителя и гидродвигателя, выход которого является выходом привода, кинематически связанным с объектом управления, соединенным через элемент обратной связи с вторым входом сумматора.
На вход электронного усилителя подаются два электрических сигнала, управляющий Uп и обратной связи Uос, снимаемый с датчика обратной связи. Входным сигналом электронного усилителя является разность Uп-Uос= U, выходным – разность токов iy1-iy2=iу, текущих по дифференциальной обмотке управления электромеханического преобразователя. В статике существует прямая пропорциональность iy=Ky U, где Ky – коэффициент усиления электронного усилителя по току.
Недостатками известного электрогидравлического рулевого привода являются:
1. Низкое быстродействие и точность работы, что обусловлено непрерывным режимом работы привода и его элементов и применением в схеме управления привода позиционного электромеханического преобразователя, обладающего сравнительно большой инерционностью.
2. При непрерывном режиме работы привода и его элементов не обеспечивается линеаризация нелинейностей в приводе и его элементах, например, таких как люфт и трение в механической системе привода выход привода – нагрузка и выход привода – выход датчика обратной связи, нелинейностей статических характеристик элементов привода, например, электромеханического преобразователя и первого каскада гидроусилителя сопло-заслонка, золотникового дроссельного гидрораспределителя, силового гидроцилиндра (гидродвигателя), приводящих к снижению точности работы привода, снижению надежности работы привода и ухудшению тактико-экономических показателей приводов. При работе, например, электрогидравлического привода при отрицательных температурах окружающей среды, приводящих к повышению вязкости рабочего тела (жидкости) привода и снижению вследствие этого боеготовности установок вооружения, так как в этом случае требуется дополнительное время на прогрев жидкости.
3. Сравнительно большая трудоемкость изготовления в производстве, так как элементы приводов должны иметь линейные статические характеристики, которые необходимо обеспечивать и контролировать в процессе производства.
4. Необходимость обеспечения устойчивости замкнутого контура привода накладывает ограничение на величину его добротности и связанные с этим технические трудности обеспечения при этом высокой добротности по скорости привода, необходимой для обеспечения заданной точности работы привода, а именно, чем выше точность, тем труднее обеспечить устойчивость.
Все сказанное в части недостатков в отношении известного электрогидравлического рулевого привода, в котором осуществляется дроссельное регулирование скорости гидродвигателя, в полной мере присуще также электрогидравлическим приводам с объемным управлением, в которых осуществляется объемное регулирование скорости гидродвигателя [1, с.26 1-й абзац снизу; с.27-38]. В электрогидравлических приводах с гидравлическими машинами объемного типа регулирование скорости двигателя производится изменением объема жидкости, вырабатываемой насосом, с помощью механизма управления путем изменения угла наклона люльки или шайбы [1, с.37, 1-й абзац сверху, являющейся регулирующим органом гидронасоса. В маломощных электрогидравлических приводах насос подает постоянный объем жидкости, а регулирование скорости гидродвигателя производится при помощи дросселя (золотника). Преимуществом машин объемного типа является возможность получения высокого КПД до 0,7 вместо 0,273 в дроссельных машинах [1, с.38 1-й абзац сверху; с.109 1-й абзац снизу].
В рулевых приводах чаще всего применяются электрогидравлические приводы с дроссельным регулированием скорости гидродвигателя [3, с.30 2-й абзац сверху, с.99 4-й абзац снизу] мощностью но более 400-500 Вт [1, c.27]. На большие мощности эти машины не используются из-за низкого кпд.
В электрогидравлических приводах систем наведения и стабилизации установок вооружения на большие мощности (свыше 0,5 кВт) применяются электрогидравлические приводы большой мощности с объемным регулированием скорости гидропривода [2, с.481-512; 4 с.335, 346]. Схема привода состоит из двух частей: управляющего электрогидравлического привода, в качестве которого применяется дроссельный гидропривод, о котором говорилось выше, предназначенный в качестве привода регулирующего органа гидронасоса, управляющего углом наклона люльки (шайбы) гидронасоса, и мощного силового гидропривода с исполнительным элементом в виде системы гидронасос-гидродвигатель, работающего на большие нагрузки (качающаяся, вращающаяся части установки вооружения).
Управляющий привод имеет свою электрическую обратную связь и является замкнутым следящим приводом, схема которого полностью совпадает с подробно рассмотренной выше в описании.
Устройством, определяющим динамические и точностные свойства всего электрогидравлического привода большой мощности, является дроссельный гидропривод, динамические свойства которого следует выбирать так, чтобы они улучшили (корректировали) динамические свойства силового гидропривода и всего привода в целом для устранения недостатков, отмеченных в пунктах 1-4 настоящего описания.
То есть без высокачественного управляющего привода по быстродействию, точности, плавности движения не представляется возможным конструктору-разработчику создать высококачественный силовой электрогидравлический привод, наиболее полно удовлетворяющий заданным техническим требованиям, предъявляемым к приводам систем наведения и стабилизации подвижных установок вооружения, в которых параметры точности, быстродействия, плавности движения привода, наряду с высокими эксплуатационными характеристиками при обеспечении минимальных массогабаритных показателей приводов, являются определяющими как при создании вновь разрабатываемых, так и при модернизации существующих установок вооружения.
Задачей предлагаемого изобретения является повышение быстродействия и точности работы электрогидравлического привода систем управления ракет и установок вооружения, упрощение привода и повышение надежности его работы, снижение трудоемкости и стоимости изготовления привода.
Это достигается тем, что в электрогидравлический привод систем управления ракет и установок вооружения, содержащий сумматор, первый вход которого является входом привода, и последовательно соединенные с ним усилитель мощности, электромеханический преобразователь, гидроусилитель, дроссельный гидрораспределитель и гидродвигатель, выход которого является выходом привода, кинематически связанным с объектом управления, соединенным через элемент обратной связи с вторым входом сумматора, введены последовательно соединенные первый корректирующий фильтр, первый релейный элемент, дополнительный сумматор, второй корректирующий фильтр, второй релейный элемент и последовательно соединенные датчик тока и инвертор, вход первого корректирующего фильтра соединен с выходом сумматора, а выход второго релейного элемента – с входом усилителя мощности, выход которого через датчик тока и инвертор подключен ко второму входу дополнительного сумматора.
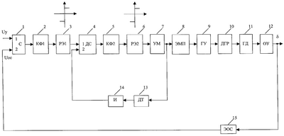
Принципиальная схема электрогидравлического привода систем управления ракет и установок вооружения приведена на чертеже. Схема содержит сумматор (С) 1, первый корректирующий фильтр (КФ1) 2, первый релейный элемент (РЭ1) 3, дополнительный сумматор (ДС) 4, второй корректирующий фильтр (КФ2) 5, второй релейный элемент (РЭ2) 6, усилитель мощности (УМ) 7, электромеханический преобразователь (ЭМП) 6, гидроусилитель (ГУ) 9, дроссельный гидрораспределитель (ДГР) 10, гидродвигатель (ГД) 11, кинематически (с помощью редуктора, рычажной передачи и др.) связанный с объектом управления (ОУ) 12, например рулями в случае рулевого привода или регулирующим органом (поворотная люлька, шайба) гидронасоса в случае электрогидравлического привода с объемным регулированием скорости установки наведения и стабилизации вооружения, датчик тока (ДТ) 13, инвертор (И) 14, элемент обратной связи (ЭОС) 15. На чертеже обозначено: Uy – сигнал управления, Uос – сигнал обратной связи, – угол поворота (выходная координата) объекта управления ОУ.
Электронная часть (С, КФ1, РЭ1, ДС, КФ2, РЭ2, И) схемы управления электрогидравлическим приводом реализована на универсальных операционных усилителях типа 140УД6.
За счет соответствующего выбора схемы и параметров цепи отрицательной обратной связи и входной цепи микросхемы обеспечивается требуемая передаточная функция элемента схемы управления, общие принципы выбора которых и схемные реализации приведены в источнике информации [7].
В качестве конкретных примеров схемной реализации можно рекомендовать соответствующие элементы, приведенные, например, в известных источниках информации [5, 6].
В качестве датчика тока (ДТ) используется резистор, включенный последовательно с обмоткой управления электромеханического преобразователя электрогидравлического привода.
Величина резистора выбирается значительно меньше активного сопротивления обмотки ЭМП, для того чтобы не было заметного влияния на динамические и статические характеристики ЭМП, то есть Rдт, где Rдт – сопротивление датчика тока, должно составлять около (1-5)% Rоу, где Rоу – величина активного сопротивления обмотки управления ЭМП.
В предлагаемой схеме электрогидравлического привода за счет введения релейных элементов РЭ1, РЭ2, дополнительного сумматора ДС, отрицательной обратной связи по разности токов в обмотках управления электромеханического преобразователя с помощью датчика тока ДТ и инвертора И образуются два релейных автоколебательных контура: внутренний высокочастотный по разности токов с частотой автоколебаний несколько сотен герц и внешний по выходной координате привода с существенно более низкой частотой автоколебаний вследствие значительной инерционности входящих в контур элементов электрогидравлического привода.
Работа электрогидравлического привода осуществляется следующим образом. Сигнал управления Uy поступает на первый вход сумматора I, где он сравнивается с сигналом обратной связи Uoc с выхода элемента обратной связи 15, в качестве которого используется, например, датчик угла. Сигнал ошибки (рассогласования) U=Uy-Uoc с выхода сумматора 1 через первый корректирующий фильтр 2 поступает на вход первого релейного элемента 3, переводя его в одно из двух возможных устойчивых положений, которое определяется знаком сигнала ошибки. Сигнал с выхода релейного элемента 3 поступает на вход дополнительного сумматора 4, где он сравнивается с сигналом обратной связи по разности токов в обмотках управления электромеханического преобразователя 8 с выхода инвертора 14. После достижения разности токов в обмотках управления электромеханического преобразователя, достаточной для управления гидродвигателем 11 величин, в контуре, образованном обратной связью по разности токов в обмотках управления электромеханического преобразователя, возникают высокочастотные автоколебания. Якорь (ротор) электромеханического преобразователя поворачивается на максимальный рабочий угол, и в результате создавшейся разницы давлении в междроссельных камерах гидроусилителя 9 “сопло-заслонка” золотник перемещается в крайнее положение. Рабочая жидкость через щели золотникового распределительного устройства поступает в гидродвигатель 11 (в рабочие полости силовых гидроцилиндров для гидродвигателя, выполненного, например, в виде силового гидроцилиндра в случае ограниченных углов поворота или перемещения), который перемещает объект управления 12, осуществляя позиционирование электрогидравлического привода. После достижения объектом управления требуемого положения по выходной координате сигнал ошибки на выходе сумматора 1 меняет знак, осуществляя переключение релейного элемента 3, после чего начинается торможение электрогидравлического привода. Вследствие инерционности элементов электрогидравлического привода объект управления 12 перемещается с одновременными его автоколебаниями с отклонением от среднего значения не более чем на амплитуду автоколебаний. Частота автоколебаний по выходной координате электрогидравлического привода, как правило, но менее чем на порядок ниже частоты автоколебаний в контуре, образованном обратной связью по разности токов (по току) в обмотках управления электромеханического преобразователя.
Частота автоколебаний в замкнутом контуре по току определяется быстродействием усилителя мощности с нагрузкой (обмотками управления электромеханического преобразователя), то есть электрической постоянной времени апериодического звена с постоянной времени Т, равной отношению Т=L/R, где L и R – соответственно суммарное значение индуктивности и сопротивления обмотки управления с учетом индуктивности и сопротивления выходных каскадов усилителя мощности.
При неидеальности, то есть наличии петлевой характеристики релейного элемента 6 в контуре по току, на частоту автоколебаний по току будет сказываться также и ширина петли статической характеристики релейного элемента (в сторону уменьшения частоты автоколебаний). Для обеспечения заданной частоты автоколебаний в контур по току вводится корректирующий фильтр 5 типа апериодического фильтра с постоянной времени Tф, достаточной для обеспечения заданной частоты автоколебаний по току, измеряемой несколькими сотнями герц. В случае необходимости, связанной с повышением точности и быстродействия автоколебательного контура по току при отработке ошибки управления электрогидравлического привода, структура фильтра может быть и более сложной, чем принятая в виде фильтра апериодического типа.
Частота автоколебаний в контуре по выходной координате электрогидравлического привода вследствие инерционности элементов контура привода обеспечивается значительно ниже частоты автоколебаний по току, например, несколько десятков герц, а вибрации достаточны для линеаризации сил трения и люфтов на выходе привода и его элементах. При этом не только усилитель мощности, но и электромеханический преобразователь с золотниковым распределителем работает в режиме широтно-импульсного управления, что исключает влияние на точность работы электрогидравлического привода нелинейности статических характеристик электромеханического преобразователя и первого каскада гидроусилителя “сопло-заслонка”.
Для повышения точности работы электрогидравлического привода в цепь ошибки вводится корректирующий фильтр 2, например, интегродифференцирующего типа с преобладанием интегрирования на частотах автоколебаний выходной координаты электрогидравлического привода с передаточной функцией
,
где Т2>T1 – постоянные времени фильтра.
Это позволяет уменьшить амплитуду автоколебаний выходной координаты электрогидравлического привода на входе релейного элемента (РЭ1) 3 и тем самым увеличить крутизну выходной характеристики этого релейного элемента при отработке сигнала управления (медленноменяющийся составляющей сигнала ошибки привода), а следовательно, повысить точность работы привода как при отработке им сигналов управления, так и в режиме удержания нулевого положения выходной координаты при отсутствии сигнала управления.
В случае необходимости, связанной с повышением частоты автоколебаний в контуре по выходной координате привода и тем самым уменьшением амплитуды автоколебаний выходной координаты, структура корректирующего фильтра 2 может быть усложнена в части обеспечения введения фазового опережения на частоте автоколебаний.
Таким образом, предлагаемое техническое решение по сравнению с известным позволяет повысить точность работы электрогидравлического привода за счет вибрационной линеаризации трения и люфтов в элементах механизма управления и на регулирующем органе гидронасоса, а также исключения нелинейности статических характеристик электромеханического преобразователя и первого каскада гидроусилителя “сопло-заслонка” механизма управления, обеспечивающихся низкочастотными автоколебаниями по регулирующему органу гидронасоса.
При экспериментальных проверках опытных образцов предлагаемого электрогидравлического привода установки вооружения было получено увеличение точности по сравнению с прототипом в три раза с одновременным увеличением быстродействия при обеспечении высокой надежности работы привода.
За счет исключения непрерывного режима работы электрогидравлического привода и его элементов путем введения релейного автоколебательного режима работы привода удалось упростить аппаратуру управления привода за счет введения более простых элементов, таких как усилитель, управляющий электромагнит электромеханического преобразователя, работающих в релейном режиме. Нет необходимости иметь в приводе элементы с линейными статическими характеристиками, обеспечение которых и контроль в процессе производства связан с определенными техническими трудностями.
За счет введения автоколебательного режима работы электрогидравлического привода обеспечена линеаризация нелинейностей в приводе и его элементах, таких как, например, люфт и трение в механической системе привода выход привода – нагрузка, выход привода – выход датчика обратной связи и др., нелинейностей статических характеристик, приводящих к снижению точности работы привода и ухудшению технико-экономических показателей привода.
Повышена боеготовность установки вооружения при работе в диапазоне отрицательных температур, соответствующих заданным условиям эксплуатации, за счет существенного снижения (в несколько раз) дополнительного времени на прогрев рабочей жидкости в электрогидравлическом приводе для снижения ее вязкости, так как прогрев жидкости происходит буквально в течение нескольких циклов автоколебании, частота которых высокая.
Нет необходимости обеспечивать устойчивость замкнутого контура привода при автоколебательном режиме работы и всех связанных с этим технических проблем.
Таким образом, опыт изготовления, испытаний и эксплуатации автоколебательных электрогидравлических приводов систем управления установок вооружения подтвердил эффективность заложенных технических решений и показал, что предлагаемый электрогидравлический привод наиболее полно удовлетворяет предъявляемым к нему техническим требованиям и может быть использован при проектировании электрогидравлических приводов, в том числе и систем управления ракет и других летательных аппаратов, а также и в других областях техники, в которых есть необходимость применения таких приводов.
ИСТОЧНИКИ ИНФОРМАЦИИ
1. Гидравлический привод. В кн.: Мелкозеров П.С. Приводы в системах автоматического управления. – М.-Л.: Энергия, 1966, рис.1-5,а.
2. Электрогидравлический механизм. В кн.: Устройства и элементы систем автоматического регулирования и управления /Под ред. Солодовникова В.В. Книга 3. Исполнительные устройства и сервомеханизмы. М.: Машиностроение, 1976, с.433 рис.УШ.21.
3. Крымов Б.Г., Рабинович Л.В., Стеблецов В.Г. Исполнительные устройства систем управления летательными аппаратами. М.: Машиностроение, 1987.
4. Гидравлические и пневматические силовые системы управления. /Под ред. Дж.Блэкборн, Г.Ритхоф, Дж.Л.Шерер. М.: ИИЛ, 1962.
5. Электропневматический рулевой привод управляемого снаряда. RU, патент №2218549, кл. МПК 7 F 42 В 15/01, 10/60, БИ №34, 10.12.2003.
6. Способ управления электропневматическим рулевым приводом управляемого снаряда и устройство для его реализации. RU, патент №2206861, кл. МПК 7 F 42 В 10/62, 15/01, БИ №17, 20.06.2003.
7. Тетельбаум И.М., Шнейдор Ю.Р. Практика аналогового моделирования динамических систем. Справочное пособие. М.: Энергоатомиздат, 1987.
Формула изобретения
Электрогидравлический привод систем управления ракет и установок вооружения, содержащий сумматор, первый вход которого является входом привода, и последовательно соединенные с ним усилитель мощности, электромеханический преобразователь, гидроусилитель, дроссельный гидрораспределитель и гидродвигатель, выход которого является выходом привода, кинематически связанным с объектом управления, соединенным через элемент обратной связи с вторым входом сумматора, отличающийся тем, что в него введены последовательно соединенные первый корректирующий фильтр, первый релейный элемент, дополнительный сумматор, второй корректирующий фильтр, второй релейный элемент и последовательно соединенные датчик тока и инвертор, вход первого корректирующего фильтра соединен с выходом сумматора, а выход второго релейного элемента – с входом усилителя мощности, выход которого через датчик тока и инвертор подключен ко второму входу дополнительного сумматора.
РИСУНКИ
|
|