|
|
(21), (22) Заявка: 2005124977/06, 05.08.2005
(24) Дата начала отсчета срока действия патента:
05.08.2005
(46) Опубликовано: 20.03.2007
(56) Список документов, цитированных в отчете о поиске:
RU 2051318 C1, 27.12.1995. RU 2213609 C1, 10.10.2003. RU 2047062 C1, 27.10.1995. US 6612129 В2, 02.09.2003. US 6351970 А, 05.03.2002.
Адрес для переписки:
121433, Москва, ул. Звенигородская, 8, корп.2, кв.45, М.Ю. Савинову
|
(72) Автор(ы):
Савинов Михаил Юрьевич (RU)
(73) Патентообладатель(и):
Савинов Михаил Юрьевич (RU)
|
(54) СПОСОБ УПРАВЛЕНИЯ РЕКТИФИКАЦИОННОЙ УСТАНОВКОЙ
(57) Реферат:
Изобретение относится к криогенной технике, в частности к управлению установок по очистке и разделению криптоно-ксенонового концентрата, получаемого на воздухоразделительных установках. Способ управления ректификационной установкой для переработки сжатых смесей включает регулирование расходов исходной смеси в установку и питания ректификационных колонн, давлений и количества выводимых из колонн верхнего и нижнего продуктов. Ректификационные колонны оборудованы пробоотборниками в концентрационной части и конденсаторами-испарителями с промежуточным теплоносителем в замкнутой полости. Смесь на входе в установку стабилизируют по температуре и давлению, расход смеси в установку устанавливают дроссельным клапаном, обеспечивая перепад давления на дроссельном клапане для критического истечения смеси. Дополнительно осуществляют анализ из паровой зоны куба, при этом для каждой колонны определяют ключевые компоненты и их содержание в упреждающем анализе и анализе из паровой зоны куба. Концентрации ключевых компонентов регулируют изменением в контактном устройстве потоков пара и флегмы. Отбор верхнего продукта осуществляют в газообразном виде с постоянным расходом, нижний продукт отбирают постоянно или периодически в парообразном и (или) жидком виде по результатам содержания ключевого компонента в смеси из паровой зоны куба с последующей газификацией перед регулирующим клапаном. Полезный объем куба увеличивают относительно часовой производительности соответствующей колонны по нижнему продукту не менее двух раз, а давление в контактном устройстве колонн устанавливают изменением давления и (или) количества промежуточного теплоносителя и тепловой мощности кипятильника куба. Использование изобретения позволит разработать экономичное управление ректификационной установкой при получении особо чистых целевых компонентов. 1 ил.
Изобретение относится к криогенной технике, в частности к управлению установок по очистке и разделению криптоно-ксенонового концентрата, получаемого на воздухоразделительных установках, и может быть использовано в химической и нефтехимической промышленности.
Известен способ регулирования устройства получения криптона и ксенона из смеси газов (см. патент Российской Федерации 2051318, Кл. 6 F 25 Y 3/02, опубл. 27.12.95, бюл. №36). Согласно известному способу определяют номинальные и текущие параметры расхода смеси газов на входе в колонну предварительного разделения и уровня жидкой ксеноновой фракции в кубе колонны предварительного разделения, разности температур в испарителе и конденсаторе колонн очистки криптона и ксенона, сравнивают в пульте управления текущие значения с номинальными и по результатам сравнения корректируют текущий расход смеси газов электрической мощностью, подводимой к электронагревателю, установленному в конденсаторе криптоновой колонны, уровень жидкой ксеноновой фракции расходом жидкой ксеноновой фракции из этой колонны, изменяемым открытием-закрытием электромагнитного клапана, разность температур в испарителе и конденсаторе в колоннах очистки криптона и ксенона изменением расхода отдувочных газов аналогичными электромагнитными клапанами до приближения текущих параметров к номинальным.
Известный способ невозможно использовать при получении особо чистых криптона и ксенона. Это связано с дестабилизацией работы колонн при постоянном регулировании расходов потоков питания, невозможностью контроля работы колонн по разности температур между испарителем и конденсатором, когда присутствующие микроконцентрации примесей практически не влияют на температуру среды. Кроме этого, недостатком способа является повышенный расход хладоагента, вызванный испарением “лишнего” хладоагента в электронагревателе конденсатора криптоновой колонны.
Целью изобретения является разработка экономичного способа управления ректификационной установкой при получении особо чистых целевых компонентов.
Поставленная цель достигается тем, что в способе управления ректификационной установкой для переработки сжатых смесей, включающем регулирование расходов исходной смеси в установку и питания ректификационных колонн, давлений и количества выводимых из колонн верхнего и нижнего продуктов, отличительной особенностью является то, что ректификационные колонны оборудованны: пробоотборниками в концентрационной части и конденсаторами-испарителями с промежуточным теплоносителем в замкнутой полости, смесь на входе в установку стабилизируют по температуре и давлению, расход смеси в установку устанавливают дроссельным клапаном, обеспечивая перепад давления на дроссельном клапане для критического истечения смеси, дополнительно осуществляют анализ из паровой зоны куба, при этом для каждой колонны определяют ключевые компоненты и их содержание в упреждающем анализе и анализе из паровой зоны куба, концентрации ключевых компонентов регулируют изменением в контактном устройстве потоков пара и флегмы, отбор верхнего продукта осуществляют в газообразном виде с постоянным расходом, нижний продукт отбирают постоянно или периодически в парообразном и (или) жидком виде по результатам содержания ключевого компонента в смеси из паровой зоны куба с последующей газификацией перед регулирующим клапаном, при этом полезный объем куба увеличивают относительно часовой производительности соответствующей колонны по нижнему продукту не менее двух раз, а давление в контактном устройстве колонн устанавливают изменением давления и (или) количества промежуточного теплоносителя и тепловой мощности кипятильника куба.
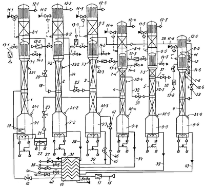
Заявляемый способ управления ректификационной установкой поясняется на примере установки разделения криптоно-ксенонового концентрата, схематично приведенной на чертеже.
Установка содержит предварительную ректификационную колонну 1, дополнительную криптоновую колону 2, продукционную криптоновую колонну 3, дополнительную ксеноновую колонну 4, продукционную ксеноновую колонну 5, колонну выделения криптона 6. Каждая ректификационная колонна в голове имеет конденсатор-испаритель 7-1÷7-6, снабженный замкнутой полостью 8-1÷8-6, заполняемой теплоносителем, а внизу – куб 9-1÷9-6 с кипятильником и штуцером А1-1÷А1-6 анализных труб из паровой зоны куба. Куб 9-1 предварительной ректификационной колонны 1 содержит также испаритель 10. Все ректификационные колонны имеют пробоотборники А2-1÷А2-6 упреждающих анализов, расположенные в верхней зоне концентрационной части контактного устройства колонн. Все конденсаторы-испарители имеют линии 11-1÷11-6, снабженные регулирующими клапанами, подачи жидкого хладоагента. Замкнутые полости конденсаторов-испарителей соединены с линиями 13-1÷13-6 подачи теплоносителя, снабженные регуляторами давления и запорными клапанами, и линиями 14-1÷14-6 с регулирующими клапанами отвода теплоносителя.
Предварительная ректификационная колонна 1 в средней части имеет патрубок, соединенный трубопроводом через испаритель 10 с линией 15 потока криптоно-ксенонового концентрата, снабженной регулирующим клапаном 16, регулятором давления 17 и змеевиком водяного теплообменника 18, в верхней части – патрубок, соединенный линией 19 потока криптоновой фракции, содержащей регулирующий клапан 20, с патрубком в средней части дополнительной криптоновой колонны 2, а в нижней части куб 9-1 имеет патрубок, соединенный линией 21 потока ксеноновой фракции, снабженной испарителем 22 и регулирующим клапаном 23, с патрубком в средней части дополнительной ксеноновой колонны 4.
Дополнительная криптоновая колонна 2 имеет в верхней части патрубок, соединенный линией 24 потока очищенной криптоновой фракции, содержащий регулирующий клапан 25, с патрубком в средней части продукционной криптоновой колонны 3, а в нижней части, в кубе 9-2, – патрубок, соединенный линией 26 потока промежуточных примесей через змеевик водяного теплообменника 18 и регулирующий клапан 27, с выходом из установки.
Продукционная криптоновая колонна 3 имеет в верхней части патрубок, соединенный линией 28 потока отдувочных газов криптоновой колонны, содержащей регулировочный клапан 29 с патрубком в средней части колонны выделения криптона 6, а в нижней части, в кубе 9-3, – патрубок, соединенный жидкостной линией 30 потока продукционного криптона через запорный клапан 45, змеевик водяного теплообменника 18 и регулировочный клапан 31 с выходом из установки или паровой линией 46, запорный клапан 47 и далее линией 30 через змеевик водяного теплообменника и регулировочный клапан 31 с выходом из установки.
Дополнительная ксеноновая колонна 4 в верхней зоне концентрационной части имеет патрубок, соединенный линией 32 потока очищенной ксеноновой фракции, снабженной регулирующим клапаном 33, с патрубком в средней части продукционной ксеноновой колонны 5, а в нижней части, в кубе 9-4, – патрубок, соединенный линией 34 потока высококипящих примесей через змеевик водяного теплообменника 18 и регулирующий клапан 36 с выходом из установки.
Продукционная ксеноновая колонна 5 в верхней зоне концентрационной части имеет патрубок, соединенный линией 37 потока отдувочных газов ксеноновой колонны, снабженной регулирующим клапаном 38, с выходом из установки, а в нижней части, в кубе 9-5, – патрубок, соединенный линией 39 потока продукционного ксенона через змеевик водяного теплообменник 18 и регулировочный клапан 40 с выходом из установки.
Колонна выделения криптона 6 имеет в верхней части патрубок, соединенный линией 41 потока низкокипящих примесей, снабженной регулирующим клапаном 42 с выходом из установки, а в нижней части, в кубе 9-6, – патрубок, соединенный линией 43 потока выделенного криптона через змеевик теплообменника 18 и регулирующий клапан 44 с выходом их установки.
Предварительно проанализированный в баллонах криптоно-ксеноновый концентрат, получаемый на воздухоразделительных установках, очищенный от углеводородов, влаги и диоксида углерода, содержащий в своем составе криптон Kr, ксенон Хе с примесями, например, азота N2, кислорода O2, аргона Ar, неона Ne, гелия Не, водорода Н2, оксида углерода СО, тетрафторметана CF4, гексафторэтана С2F6, монофтортрихлорметана (фреон 11) CFCl3, дифторхлорметана (фреон 12) CF2Cl2 и др. подают на вход ректификационной установки в линию 15. Регулятором давления 17 устанавливают такой перепад давления на регулирующем клапане 16, который обеспечивает в клапане критическое истечение смеси. Например, при давлении за клапаном (противодавлении) 0,25 МПа давление перед регулирующим клапаном должно быть не менее 0,52 МПа. Водяным теплообменником 18 поддерживается практически постоянная температура смеси. Регулирующим клапаном 16 устанавливают требуемый расход криптоно-ксенонового концентрата в предварительную ректификационную колонну 1. Подачей в конденсатор-испаритель 7-1 по линии 11-1 хладоагента, заполнением замкнутой полости 8-1 конденсатора-испарителя теплоносителем и подводом электрической мощности к кипятильнику куба 9-1 осуществляют в контактном устройстве колонн процесс ректификации.
При этом устанавливают и затем автоматически регулируют клапаном на линии 11-1 подачи хладоагента такое давление теплоносителя в замкнутой полости 8-1, чтобы температура насыщения теплоносителя превышала температуру кристаллизации конденсируемой среды. Так как флегмой в колонне предварительного разделения 1 является конденсат криптона (температура кристаллизации 115, 76К), то при использовании в качестве теплоносителя, например кислорода, его давление должно быть не менее 0,8 МПа, а при использовании азота – не менее 2,05 МПа.
Давление в контактном устройстве ректификационной колонны при различных потоках флегмы и пара устанавливают постоянным и корректируют давлением и (или) количеством (уровнем жидкости) теплоносителя в замкнутой полости, тепловой мощностью кипятильника куба.
Отбор криптоновой фракции (верхнего продукта) из предварительной ректификационной колонны 1 осуществляют в газообразном виде, поток криптоновой фракции направляют по линии 19 в дополнительную криптоновую колонну 2, в которой поддерживают более низкое, чем в предварительной ректификационной колонне 1, но постоянное давление, например, 0,21 МПа, а расход устанавливают регулирующим клапаном 20 в зависимости от концентрации ксенона в смеси из пробоотборника А2-1 упреждающего анализа, который является в данном случае ключевым компонентом. В дальнейшем при работе установки положение регулирующего органа клапана 20 и расход криптоновой фракции остаются неизменными, а концентрацию ключевого компонента в упреждающем анализе в допустимых пределах поддерживают условиями массобмена в контактном устройстве предварительной ректификационной колонны 1 путем изменения потоков флегмы и пара.
Отбор ксеноновой фракции (нижнего продукта) из предварительной ректификационной колонны 1 осуществляют в жидком виде и направляют по линии 21 в испаритель 22, а затем через регулирующий клапан 23 в среднюю часть дополнительной ксеноновой колонны 4, в которой поддерживают более низкое, чем в предварительной ректификационной колонне 1, но постоянное давление. Расход устанавливают регулирующим клапаном 23 при достижении в ксеноновой фракции концентрации криптона (ключевого компонента) из А1-1 в необходимых пределах. В дальнейшем при работе установки положение регулирующего органа клапана 23 и расход ксеноновой фракции длительное время остаются неизменными. При этом расход ксеноновой фракции может несколько отличаться от расхода, соответствующего материальному балансу колонны, благодаря запасу полезного объема куба относительно часовой производительности колонны не менее двух раз. Испаритель 22 уменьшает перепад давления между 1 и 4 колоннами из-за исключения гидростатического сопротивления столба жидкости в линии 21 при подаче потока ксеноновой фракции из куба 9-1 в среднюю часть дополнительной ксеноновой колонны 4.
Управление процессом ректификации в дополнительной криптоновой колонне 2, продукционной криптоновой колонне 3, колонне выделения криптона 6 осуществляют аналогично изложенному управлению процессом ректификации в предварительной ректификационной колонне 1. При этом ключевым компонентом в смеси из пробоотборника А2-2 упреждающего анализа для колонны 2 (при переработке криптоно-ксенонового концентрата с приведенным выше составом примесей) является тетрафторметан CF4 – примесь, по отношению к которой криптон обладает наименьшим коэффициентом разделения, в смеси из пробоотборников А2-3 и А2-6 упреждающих анализов – криптон. Ключевым компонентом в смеси из анализа А1-2 паровой зоны куба 9-2 является криптон, в смеси из анализа А1-3 паровой зоны куба 9-3 – кислород, в смеси из анализа А1-6 паровой зоны куба 9-6 – кислород. Отвод нижнего продукта из куба 9-2 дополнительной криптоновой колонны 2 осуществляют, как правило, периодически при достижении требуемой концентрации по криптону в смеси из анализа А2-1.
Вывод нижнего продукта (продукционного криптона) из куба 9-3 осуществляют постоянно в виде жидкости по линии 30 через запорный клапан 45 с дальнейшей газификацией в водяном теплообменнике 18 перед регулирующим клапаном 31 или в виде пара по линии 46 через запорный клапан 47, линии 30 с последующим подогревом в водяном теплообменнике 18 перед регулирующим клапаном 31. При этом расход продукционного криптона в каждый момент времени не обязательно должен соответствовать материальному балансу установки. Полезный объем куба, увеличенный относительно часовой предварительности продукционной криптоновой колонны 3 по продукционному криптону не менее двух раз, позволяет использовать куб как буферную емкость.
Возможность вывода нижнего продукта в паровой или жидкой фазе дополнительно изменяет концентрацию примесей в выводимом продукте, так как позволяет выводить из колонны ту фазу, где в результате действия парожидкостного равновесия этих примесей меньше (или больше).
Газификация жидкостного потока перед регулирующим клапаном позволяет улучшить качество регулирования, а также упростить установку за счет, например, применения “теплых” регулируемых клапанов и исключения в ряде случаев предохранительных клапанов на линиях подачи нижних продуктов к компрессорам (на схеме не показаны).
Вывод нижнего продукта выделенного криптона из куба 9-6 колонны 6 выделения криптона осуществляют преимущественно периодически при достижении требуемой концентрации по кислороду в смеси с криптоном из анализа А1-6 паровой зоны куба.
Управление процессами ректификации в дополнительной ксеноновой колонне 4 и в продукционной ксеноновой колонне 5 также осуществляют аналогично изложенному управлению процессом ректификации в предварительной ректификационной колоне 1. Ключевым компонентом в смеси из упреждающего анализа А2-4 должна быть примесь, относительно которой ксенон обладает минимальным коэффициентом разделения (это может быть, например, гексафторэтан С2F6), в смеси из пробоотборника А2-5 упреждающего анализа – ксенон. Ключевым компонентом в смеси из пробоотборника А1-4 упреждающего анализа паровой зоны куба 9-4 является ксенон, а в смеси из анализа А1-5 паровой зоны куба 9-5 – криптон.
Предлагаемый способ управления ректификационной установкой позволяет экономично при разделении криптоно-ксенонового концентрата практически с любыми примесями достичь коэффициента извлечения по криптону и ксенону не менее 0,99995 при содержании примесей в продукционных криптоне и ксеноне не более 10×10-11 об. доли.
Формула изобретения
Способ управления ректификационной установкой для переработки сжатых смесей, включающий регулирование расходов исходной смеси в установку и питания ректификационных колонн, давлений и количества выводимых из колонн верхнего и нижнего продуктов, отличающийся тем, что ректификационные колонны оборудованы пробоотборниками в концентрационной части и конденсаторами-испарителями с промежуточным теплоносителем в замкнутой полости, смесь на входе в установку стабилизируют по температуре и давлению, расход смеси в установку устанавливают дроссельным клапаном, обеспечивая перепад давления на дроссельном клапане для критического истечения смеси, дополнительно осуществляют анализ из паровой зоны куба, при этом для каждой колонны определяют ключевые компоненты и их содержание в упреждающем анализе и анализе из паровой зоны куба, концентрации ключевых компонентов регулируют изменением в контактном устройстве потоков пара и флегмы, отбор верхнего продукта осуществляют в газообразном виде с постоянным расходом, нижний продукт отбирают постоянно или периодически в парообразном и (или) жидком виде по результатам содержания ключевого компонента в смеси из паровой зоны куба с последующей газификацией перед регулирующим клапаном, при этом полезный объем куба увеличивают относительно часовой производительности соответствующей колонны по нижнему продукту не менее двух раз, а давление в контактном устройстве колонн устанавливают изменением давления и (или) количества промежуточного теплоносителя и тепловой мощности кипятильника куба.
РИСУНКИ
QB4A – Регистрация лицензионного договора на использование изобретения
Лицензиар(ы): Савинов Михаил Юрьевич
Вид лицензии*: НИЛ
Лицензиат(ы): Общество с ограниченной ответственностью “Хром”
Договор № РД0034906 зарегистрирован 10.04.2008
Извещение опубликовано: 20.05.2008 БИ: 14/2008
* ИЛ – исключительная лицензия НИЛ – неисключительная лицензия
|
|