|
(21), (22) Заявка: 2005101187/06, 19.01.2005
(23) Дата поступления дополнительных материалов к ранее поданной заявке: 2004.11.15 2003119903 от 30.06.200
(24) Дата начала отсчета срока действия патента:
19.01.2005
(43) Дата публикации заявки: 27.06.2006
(46) Опубликовано: 20.03.2007
(56) Список документов, цитированных в отчете о поиске:
US 4152901 А, 08.05.1979. SU 1078216 А, 07.03.1984. SU 67299 А, 31.10.1946. SU 1176149 А, 30.08.1985. WO 8911071 A1, 16.11.1989. JP 2004003765 A, 08.01.2004.
Адрес для переписки:
690002, г.Владивосток, ул.Комсомольская, 3, кв.80, В.П. Беляеву
|
(72) Автор(ы):
Беляев Владимир Павлович (RU)
(73) Патентообладатель(и):
Беляев Владимир Павлович (RU)
|
(54) АБСОРБЦИОННО-МЕМБРАННАЯ УСТАНОВКА
(57) Реферат:
Абсорбционно-мембранная установка осуществляет получение холода и тепловой энергии в режиме теплового насоса путем выделения из крепкого раствора хладагента через полупроницаемую мембрану под давлением выше осмотического, создаваемым насосом, кипения хладагента, нагреваемого от внешнего источника низкопотенциальной энергии, при низком давлении с получением холодильного эффекта и поглощения образующихся паров слабым раствором хладагента с получением тепловой энергии конденсации и растворения. Давление под мембраной поддерживают выше давления кипения хладагента при окружающей температуре. Детандер установлен по потоку слабого раствора хладагента после мембранного блока с использованием механической энергии детандера на привод насоса и (или) на привод бустер-компрессора, поджимающего пары холодильного агента до смешивания их со слабым раствором хладагента и абсорбирования. Использование изобретения позволит расширить возможности установки. 4 з.п. ф-лы, 7 ил.
Установка может использоваться в холодильной технике, кондиционировании воздуха, а также в энергетических установках и для отопления объектов.
Известна бромисто-литиевая абсорбционная холодильная установка для производства холода путем выделения из слабого раствора хладагента, кипения его при низком давлении с получением холодильного эффекта и поглощения образующихся паров крепким раствором при размещении установки в шахте. Выделение хладагента из слабого раствора ведут через полунепроницаемую мембрану под давлением выше осмотического, которое создают столбом воды, имеющим высоту, соответствующую глубине шахты (см. а.с. SU 1078216, 1984).
Недостатком способа являются ограничения его применения – только в шахте, только на получение холода и только используя кипение холодильного агента.
Ближайшим аналогом заявленного изобретения является абсорбционно-мембранная установка получения холода и тепловой энергии в режиме теплового насоса путем выделения из крепкого раствора хладагента через полупроницаемую мембрану под давлением выше осмотического, создаваемым насосом, причем давление под мембраной поддерживают выше давления кипения хладагента при окружающей температуре, кипения хладагента, нагреваемого от внешнего источника низкопотенциальной энергии, при низком давлении с получением холодильного эффекта и поглощения образующихся паров слабым раствором хладагента с получением тепловой энергии конденсации и растворения (см. патент US 4152901, 08.05.1979).
Задачей изобретения является расширение возможностей устройства.
Поставленная задача достигается за счет того, что абсорбционно-мембранная установка получения холода и тепловой энергии в режиме теплового насоса путем выделения из крепкого раствора хладагента через полупроницаемую мембрану под давлением выше осмотического, создаваемым насосом, причем давление под мембраной поддерживают выше давления кипения хладагента при окружающей температуре, кипения хладагента, нагреваемого от внешнего источника низкопотенциальной энергии, при низком давлении с получением холодильного эффекта и поглощения образующихся паров слабым раствором хладагента с получением тепловой энергии конденсации и растворения, согласно изобретению снабжена детандером, установленным по потоку слабого раствора хладагента после мембранного блока с использованием механической энергии детандера на привод насоса и (или) на привод бустер-компрессора, поджимающего пары холодильного агента до смешивания их со слабым раствором хладагента и абсорбирования.
Понижение давления кипения хладагента и интенсификацию процесса абсорбции паров хладагента слабым раствором хладагента осуществляют эжектором, включенным последовательно по потоку движения слабого раствора хладагента, подсасывающим пары хладагента, смешиванием их со слабым раствором хладагента, сжиманием смеси и направлением смеси на абсорбирование.
Выделение хладагента ведется последовательно на полупроницаемой мембране при давлении выше осмотического из крепкого раствора хладагента первой ступени с повышением концентрации абсорбента в слабом растворе хладагента и последующим выделением хладагента повышенной чистоты при давлении выше осмотического во второй ступени выделения хладагента.
Выделение хладагента из крепкого раствора хладагента и повышение концентрации абсорбента в слабом растворе хладагента осуществляется ступенчато при количестве ступеней более двух.
Установка снабжена дополнительной абсорбционно-мембранной установкой, в которой последовательно по потоку паров хладагента после кипения его при высоком давлении установлен тепловой двигатель получения механической энергии, пары хладагента после теплового двигателя абсорбируют слабым раствором при низком давлении при охлаждении, хладагент подогревают в процессе кипения.
В предлагаемой установке можно использовать различные хладагенты, как в парожидкостной фазе, так и в газовой для получения тепловой энергии растворения хладагента в абсорбенте.
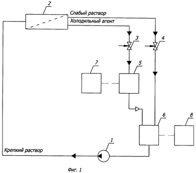
На фиг.1 представлена абсорбционно-мембранная установка получения холода и тепловой энергии в режиме теплового насоса.
Установка состоит из насоса высокого давления 1, мембранного блока 2, регулирующих вентилей 3, 4, испарителя 5, абсорбера 6. К испарителю подключается потребитель холода 7, а к абсорберу – потребитель тепла 8. Ограничений по размещению установки нет. Могут применяться различные холодильные агенты и абсорбенты.
Установка работает следующим образом.
Подготовка к работе.
Комплектование установки контрольно-измерительными, защитными и регулирующими приборами, вакуумирование и заполнение установки раствором хладагента и абсорбента необходимо выполнять в соответствии с правилами технической эксплуатации холодильных установок в зависимости от применяемого холодильного агента.
Пуск.
При закрытом регулирующем вентиле 3 и открытом 4 запускается насос высокого давления 1. Прикрывая регулирующий вентиль 4, устанавливают необходимое давление крепкого раствора хладагента над полупроницаемой мембраной в мембранном блоке 2. После того как давление над мембраной будет установлено выше осмотического, начнется выделение хладагента из крепкого раствора хладагента. Давление хладагента под мембраной будет увеличиваться по мере накопления хладагента под мембраной, когда давление хладагента под мембраной достигнет величин давления выше давления кипения хладагента при окружающей температуре, что будет означать, что полость под мембраной заполнена жидким хладагентом, открывается регулирующий вентиль 3 и холодильный агент начет поступать в испаритель.
После выделения хладагента на выходе мембранного блока 2 появится слабый раствор хладагента и установится низкое парциальное давление хладагента, так как ранее установка была вакуумирована.
Испаритель соединен с абсорбером трубопроводом, или испаритель и абсорбер выполнены в одном корпусе, поэтому над поверхностью хладагента в испарителе также установится низкое давление, при котором хладагент будет кипеть за счет теплоты, отбираемой от потребителя холода 7, поглощая теплоту парообразования хладагента. Пары хладагента, поступающие в абсорбер 6, поглощаются слабым раствором хладагента, при этом выделяется теплота конденсации и растворения хладагента абсорбентом, которая используется потребителем тепла 8.
Регулирование в процессе работы.
Регулирование сводится к поддержанию давления крепкого раствора над мембраной выше осмотического, а под мембраной – выше давления кипения хладагента при окружающей температуре.
На фиг.2 представлена абсорбционно-мембранная установка получения холода и тепловой энергии в режиме теплового насоса с применением эжектора 9 для дополнительного понижения давления кипения хладагента и интенсификации процесса абсорбции.
Подготовка установки к работе, пуск и регулирование выполняются так же, как и в установке, представленной на фиг.1.
Подключение эжектора 9 позволяет использовать потенциальную энергию слабого раствора хладагента для понижения давления кипения хладагента за счет подсасывания паров хладагента эжектором, в котором слабый раствор хладагента протекает с высокой скоростью от сопла к диффузору в виде капель жидкости. При этом производится интенсивное перемешивание паров хладагента с каплями слабого раствора хладагента, что интенсифицирует процесс абсорбции. Дальнейшее сжатие смеси в диффузоре эжектора позволяет понизить давление кипения хладагента за счет подсасывания и вести абсорбцию при наиболее низком давлении абсорбции, так как площадь контакта паров со слабым раствором хладагента максимальная.
На фиг.3 представлена схема абсорбционно-мембранной установки получения холода и тепловой энергии в режиме теплового насоса с применением двухступенчатого выделения хладагента, что позволяет получить хладагент из трудноразделяемых растворов. На первой стадии разделения в мембранном блоке 2 происходит выделение хладагента при давлении насоса 1 и конструкции мембран, позволяющей выделить как можно больше хладагента. После этого снова поднять давление выделенного хладагента вторым насосом 10 и на мембране 11 получить уже чистый хладагент.
Пуск установки выполняется при закрытых вентилях 3, 12. После пуска насоса 1 вентилем 4 устанавливается давление выделения хладагента в мембранном блоке 2.
После повышения давления хладагента в трубопроводе к насосу 10 и соответственно в мембранном блоке 11 до 3 выше давления парообразования хладагента при окружающей температуре открывается регулирующий вентиль 3 и включается насос 10, который создает давление выше осмотического над мембраной блока 11.
Выделение хладагента под мембраной 11 контролируется регулирующим вентилем 12, чтобы оно не падало ниже давления парообразования хладагента при температуре окружающей среды. Процессы кипения и абсорбции не отличаются от соответствующих процессов в установке, представленной на фиг.1.
В процессе работы регулирование сводится к регулированию перепадов давления на мембранных блоках 2, 11. В случае применения насоса 1 с давлением, равным сумме давлений выше осмотического в мембранных блоках 2, 11 насос 10 не нужен.
На фиг.4 представлена схема абсорбционно-мембранной установки получения холода и тепловой энергии в режиме теплового насоса с применением многоступенчатого выделения хладагента и абсорбента. Многоступенчатое выделение хладагента и абсорбента необходимо для получения сверхнизких температур кипения холодильного агента. Выделение хладагента в многоступенчатой установке не отличается от описанного выше. Двухступенчатое выделение абсорбента выполняется без дополнительного насоса высокого давления. Используется насос 1. Материал мембран 15, 16 должен иметь противоположные свойства, т.е. выделять абсорбент и задерживать холодильный агент. Последующие ступени выделения хладагента и абсорбента требуют применения дополнительных насосов.
Подготовка установки к работе, пуск и регулирование выполняются так же, как и в установке, представленной на фиг.3.
На фиг.5 представлена схема абсорбционно-мембранной установки получения холода и тепловой энергии в режиме теплового насоса с применением детандера. В качестве детандера может применяться поршневой или ротационный насос. Детандер 18 позволяет вернуть часть энергии, затраченной в насосе 1 на повышение давления и прокачивание раствора через мембранный блок 2. Насос 1 и детандер 18 могут быть объединены на одном валу. Детандер позволяет уменьшить затраты энергии на привод насоса высокого давления до 50%.
Подготовка установки к работе, пуск и регулирование выполняются так же, как и в установке, представленной на фиг.1.
На фиг.6 представлена схема абсорбционно-мембранной установки получения механической энергии в режиме теплового двигателя. В качестве двигателя 19 может применяться паровая поршневая машина или турбина. Назначение и принцип действия комплектующих изделий абсорбционно-мембранной установки не изменяется. Кипение хладагента в испарителе 5 происходит при высокой температуре и давлении, а абсорбция в абсорбере 6 – при низкой температуре и давлении. Температурные условия работы испарителя 5 и абсорбера 6 создаются внешним источником тепла 21 и внешним источником холода 22. При наличии источника только низкопотенциального тепла в качестве внешнего источника тепла может использоваться дополнительная абсорбционно-мембранная установка (см. фиг.7). В этом случае абсорбер 6 теплового двигателя объединяется в одном блоке с испарителем 27 охлаждающей установки, а испаритель 5 теплового двигателя подогревается охлаждающей средой после абсорбера 28 нагревательной установки. При наличии внешних источников низкопотенциального тепла и холода абсорбционно-мембранная установка с тепловым двигателем может работать от этих источников.
Подготовка к работе, пуск и регулирование не отличаются от процессов, описанных выше.
Пример 1. Установка может быть реализована по схеме фиг.1 с использованием серийно выпускаемых комплектующих изделий. Рассмотрим работу теоретической абсорбционно-мембранной холодильно-нагревательной установки, собранной на базе обратноосмотической установки «Шарья-М500», серийно выпускаемой НПП «Биотехпрогресс». Установка «Шарья-М500» должна быть укомплектована обратноосмотическим элементом для морской воды SW30-2540. Для работы обратноосмотического элемента необходима подача исходной воды в объеме 1,4 м3/час при давлении 6,9 МПа, при этом выход чистой воды 83 л/час. Указанные параметры соответствуют установке «Шарья-М500», в которой обеспечивается подача исходной воды на элемент 1,0-1,35 м3/час при давлении на входе в насос высокого давления 0,15-0,3 МПа. Чтобы обеспечить на входе насоса высокого давления подпор 0,15-0,3 МПа, необходимо предусмотреть подкачивающий насос с производительностью не менее 1,0 м3/час при напоре не менее 0,15 МПа. Указанным условиям удовлетворяет бытовой насос «Кама 10».
В установке может быть применена конструкция испарителя и абсорбера, аналогичная конструкции испарительно-абсорберного барабана установки ХАБ-3, с соответствующим изменением размеров.
Холодильный агент – вода, абсорбент – хлористый натрий NaCl (поваренная соль). Поскольку применен холодильный агент – вода, процесс протекает в условиях глубокого вакуума. Установка заполняется раствором NaCl с концентрацией такой же, какая применяется для испытания обратноосмотических элементов SW30-2540 (3,5% раствор), что соответствует солесодержанию 3,5 кг NaCl в 100 кг раствора. По интерполяции табличных данных «Физические свойства водных растворов хлористого натрия» определяем удельный вес раствора, который будет равен 1,024 кг/л при 15°С.
По таблице «Упругость паров над растворами хлористого натрия в мм.рт.ст.» определяем упругость паров в испарителе и абсорбере.
Предполагаем, что температура окружающей среды и в абсорбере одинаковая и равняется +6°С.
Упругость паров в абсорбере при температуре 6°С для удельного веса раствора 1,024 равна 6,86 мм рт.ст. (по интерполяции цифр 6,88-6,82 таблицы «Упругость паров над растворами хлористого натрия, мм рт.ст.). В испаритель от мембранного блока в соответствии со схемой подается холодильный агент – очищенная от соли вода. Степень очистки 99,2-99,4%.
Свободная поверхность над раствором в абсорбере намного больше, чем поверхность над водой в испарителе, поэтому в испарителе над поверхностью воды установится упругость паров абсорбера 6,86 мм рт.ст. Излишки паров воды, образующиеся в испарителе (при температуре +6°С, упругость паров 7,01 мм рт.ст.), абсорбируются раствором в абсорбере, и в испарителе температура понижается до температуры 5,7°С, что и является охлаждающим эффектом.
Предложенная конструкция абсорбционно-мембранной холодильной установки идеализирована, так как не учитываются тепловые напоры и соотношение поверхностей испарителя и абсорбера. Производительность мембранной установки по холодильному агенту будет 83 л (кг)/час. Теплота парообразования воды при температуре +6°С равна 593,9 ккал/кг. Холодопроизводительность установки 83×593,9=49293,7 ккал/час (57328,57 Вт).
Энергетические затраты на привод насосов:
– Насос высокого давления. Максимальная потребляемая мощность 3 кВт.
– Подкачивающий насос «Кама 10». Потребляемая мощность 0,4 кВт.
Общая потребляемая мощность, без учета энергозатрат на вакуумирование, составляет 3,4 кВт.
Холодильный коэффициент 57,328:3,4=16,8, тепловыделение в абсорбере при использовании установки в режиме теплового насоса при использовании установки в качестве нагревательной установки 57,328 кВт+3,4 кВт=60,7 кВт.
Пример 2. Абсорбционно-мембранная установка получения холода и тепловой энергии с применением струйного аппарата (эжектора). Предположительная область применения – охлаждение воздуха в цехах обработки мясных и рыбных продуктов с температурой внутри цеха +12°С – +15°С и подогрев воздуха в душевых, раздевалках и сушилках до температуры +25°С при температуре наружного воздуха +18°С.
Холодильный агент – вода, абсорбент – бромистый литий.
Схема установки показана на фиг.2
Установка изготавливается из серийно выпускаемых комплектующих изделий.
Состав установки
1. Насос высокого давления, контрольно-измерительные приборы, арматура и вспомогательные устройства применяются от обратноосмотической установки «Шарья-М500», серийно выпускаемой НПП «Биотехпрогресс». Подача исходной воды 1,4 м3/час при 0,15-0,3 МПа. Предполагаемый выход чистой воды – 0,083 м3/час 7%, что соответствует традиционным абсорбционным установкам. Давление процесса выделения хладагента – 6,9 МПа. Максимальная потребляемая мощность насосом высокого давления – 3 кВт.
2. Подкачивающий насос – «Кама-10».
Технические данные:
– Номинальная объемная подача – 1,8 м3/час;
– Напор – 2,0 м (0,2 МПа);
– Высота всасывания – не более 7 м.
Насос необходимо установить ниже абсорбера на 5 м для обеспечения необходимого подпора раствора на всасывании насоса, так как в абсорбере – вакуум.
3. Испаритель – применяется воздухоохладитель фирмы ГЮНТНЕР. Ижевск. Тип.0718/34.
Поверхность теплообмена – 340 м2.
Холодопроизводительность – 60,3 кВт при температурном напоре 7°С.
Вентиляторы – 3 шт. по 0,91 кВт.
Вход хладагента – 28 мм.
Выход паров – 64 мм.
4. Абсорбер. В качестве абсорбера применяется воздухоохладитель той же фирмы следующего типоразмера 081А/34.
Поверхность теплообмена – 369 м2.
Производительность – 73,9 кВт при температурном напоре 7°С.
Вентиляторы – 3 шт. по 1,280 кВт.
Аппарат устанавливается в перевернутом положении, в этом случае обеспечиваются соответствующие проходные сечения входного и выходного патрубков условиям работы.
Вход смеси паров и жидкостей – 64 мм.
Выход крепкого раствора хладагента – 28 мм.
5. Эжектор. В установке возможно применение эжектора ВЭЖ 25 ОСТ 5.5033-71. Диаметр сопла (dc) уменьшен с 15,1 мм до 2,1 мм согласно расчету. Остальные размеры эжектора сохраняются по ОСТ 5.5033-71. Проходное сечение патрубков подключения эжектора к воздухоохладителю и абсорберу выбрана по патрубкам указанных аппаратов.
При рабочем давлении раствора 7 МПа и вакууме в абсорбере сопло эжектора будет работать как топливная форсунка дизельного двигателя. Распыление раствора позволяет интенсифицировать процесс абсорбции паров хладагента и одновременно регенерировать часть потенциальной энергии слабого раствора хладагента. Вместе это снижает давление в абсорбере и соответственно в испарителе.
В сопле эжектора потенциальная энергия слабого раствора (давление 7 МПа) преобразуется в кинетическую. Скорость жидкости на выходе из сопла согласно расчету – 115 м/с.
В технической литературе отсутствуют методики расчета эжекторов для указанных выше условий.
По соотношению кинетической энергии потока слабого раствора хладагента с кинетической энергией пара в пароэжекторной холодильной машине с учетом рабочих температур снижение температуры в испарителе за счет применения эжектора будет на 3°С.
Теплотехнические характеристики установки с эжектором,
Холодопроизводительность установки
Qou=G·r,
где G – количество хладагента, испарившегося в воздухоохладителе – 83 кг/час
r – теплота парообразования хладагента при температуре кипения +6°С 593,9 ккал/час
Q5=83·593,9=49293,7 ккал/час (57,33 кВт)
Воздухоохладитель 071 В/34 имеет производительность по хладону R22 – 60 кВт при температурном напоре 7°С, что обеспечивает температуру воздуха в охлаждаемых помещениях +13 – +14°С, температура кипения 7°С.
Тепловая нагрузка на абсорбер (конденсатор).
Q6=Q5+L
О6=57,33+4,5=61,83 кВт
Теплота растворения хладагента намного меньше теплоты конденсации, поэтому она не учитывается.
Теплообменная поверхность и производительность аппарата 081 А/34 выбрана с запасом QaAB=73,9 кВт.
Температурный напор на абсорбере такой же, как на воздухоохладителе 7°С.
Температура абсорбции 18°C+7°C=25°C.
Холодильный коэффициент 57,33:3,5=16,38.
Энергозатраты на работу вентиляторов 6,57 кВт.
Пример 3. Абсорбционно-мембранная установка получения холода и тепловой энергии с применением двухступенчатого выделения хладагента и повышения концентрации абсорбента в растворе.
Двухступенчатая установка позволяет получить низкую температуру кипения хладагента. В этом случае понижение температуры кипения достигается за счет повышения чистоты хладагента и за счет повышения концентрации абсорбента в слабом растворе хладагента.
Работа мембранных блоков на больших концентрациях требует повышения давления исходного раствора, направляемого на мембранный блок. Повышенное давление позволяет строить двухступенчатые установки с одним насосом высокого давления.
При давлении насоса 150 кг/см2 можно применить мембранный блок первой ступени, работающий при давлениях: вход – 150 кг/см2, выход холодильного агента – 70 кг/см2 ( Р=80 кг/см ) и вторая ступень: вход – 70 кг/см2 и выходное давление выше давления кипения холодильного агента при температуре мембранного блока. Например, для R22 при температуре мембранного блока +25°С давление хладагента не должно быть ниже 11 кг/см2, иначе процесс кипения хладагента начнется в мембране с образованием пузырьков, охлаждением мембраны ниже допустимых температур и кавитационным воздействием потока хладагента на материал мембраны.
Применительно к абсорбционно-мембранной установке первой ступени происходит грубое разделение растворов предположительно на нанофильтрационной мембране, при котором выделяется как можно больше холодильного агента, при давлении намного выше осмотического и с применением материала мембраны, позволяющего выделить большое количество холодильного агента. При этом концентрация абсорбента в слабом растворе хладагента после первой ступени повышается, что способствует снижению парциального давления над слабым раствором хладагента в абсорбере и соответственно ведет к снижению давления в абсорбере и испарителе. Хладагент после первой ступени очищается от примесей абсорбента на второй ступени очистки и направляется в испаритель, а слабый раствор хладагента, образующийся после второй ступени, минуя абсорбер, сразу поступает на всасывание насоса.
Пример 4. Абсорбционно-мембранная установка получения холода и тепловой энергии с применением многоступенчатого выделения хладагента и многоступенчатого повышения концентрации абсорбента в слабом растворе хладагента.
Двухступенчатое выделение хладагента из крепкого раствора хладагента описано выше. Многоступенчатое принципиально не отличается. Многоступенчатое выделение абсорбента требует специального материала мембраны, позволяющего пропускать абсорбент и задерживать холодильный агент.
Возможность создания многоступенчатых мембранных блоков по повышению концентрации абсорбента, направляемого в абсорбер, подтверждается информацией по средствам измерения состава многокомпонентных смесей.
Учитывая, что через фторопластовые мембраны проницаемость уменьшается с увеличением молекулярной массы углеводородов, а через резиновые – увеличивается (см. Фарзане Н.Г. Технологические измерения и приборы, Москва: Высшая школа, 1989, с.361) и что углеводороды широко применяются в холодильных установках и то, что молекулярная масса абсорбентов, как правило, намного больше молекулярной массы соответствующего холодильного агента, можно создавать одно- либо многоступенчатые мембранные блоки по повышению концентрации абсорбента, что в свою очередь ведет к повышению эффективности установки.
Пример 5. Абсорбционно-мембранная установка получения холода и тепловой энергии с применением детандера.
Опытом применения детандеров на установках очистки или опреснения воды обладает фирма ROCHEM. Детандеры фирма использует для снижения энергетических затрат на привод насоса высокого давления. В качестве детандера могут применяться поршневой аксиальный или ротационный насосы.
Фирма ROCHEM по установкам очистки воды регенерирует до 50% энергии, затраченной на привод насоса высокого давления.
Применение детандера не должно исключать применение эжектора, так как эжектор необходим для интенсификации процесса абсорбции.
Часть энергии насоса высокого давления может регенерироваться в детандере, часть – в эжекторе, например, в детандере после второй ступени выделения холодильного агента, а после первой ступени – в эжекторе. Если требуется значительное понижение температуры кипения хладагента, то детандер можно подключить к компрессору (турбокомпрессор), который будет работать как бустер-компрессор.
Пример 6. Установка получения механической энергии с использованием абсорбционно-мембранной установки.
Для работы теплового двигателя, как правило, требуется источник тепла и источник холода для конденсации паров. В испаритель 5 от внешнего источника 21 подводится тепловая энергия высокого потенциала. При кипении холодильного агента при высокой температуре образуются пары холодильного агента высокого давления. Пары холодильного агента высокого давления подводятся к двигателю 19. На второй стороне двигателя создается низкое давление паров холодильного агента за счет охлаждения абсорбера 6 от внешнего источника холода 22. Перепад давления паров холодильного агента обеспечивает работу двигателя 19. Механическая работа расходуется на привод насоса высокого давления 1 и привод внешних устройств 20.
На фиг.7 показан частный случай абсорбционно-мембранной установки получения механической энергии, когда отсутствует источник холода для работы теплового двигателя. Рассматривается тепловой двигатель, для которого требуется только источник тепла с температурой +28°С, источником холода служит вторая абсорбционно-мембранная установка.
Предлагается к рассмотрению теоретическая сдвоенная абсорбционно-мембранная установка, состоящая из следующих устройств.
1. Установка, работающая как тепловой двигатель. Холодильный агент -аммиак, абсорбент – вода или соли аммиака NH4CNS.
2. Установка, работающая в режиме получения холода и тепловой энергии. Холодильный агент – вода, абсорбент – бромистый литий; или хлористый литий; или бромистый цинк; или серная кислота.
Температуры, на которые будет работать вторая установка t°o=+5°C, t°к=+35°C, позволяют применить бромистолитиевую абсорбционно-мембранную установку. Холодильный агент вода – теплота парообразования 594 ккал/кг. При реализации бромисто-литиевой установки применяются эжектор и детандер, применение многоступенчатого выделения хладагента и абсорбента не рассматривается, так как это усложняет установку.
Тепловой баланс.



где Q6 – теплота абсорбции паров холодильного агента в абсорбере 6;
Q5 – теплота кипения холодильного агента в испарителе 5;
Q19 – теплота, потребляемая двигателем 19;
L1 – работа насоса высокого давления 1;
Q28 – теплота абсорбции паров холодильного агента в абсорбере 28;
Q27 – теплота кипения холодильного агента в испарителе 27;
L23 – работа насоса высокого давления 23;
L24 – работа подкачивающего насоса 24;
L31 – работа насоса теплоносителя 31.
1/3 работы насосов высокого давления регенерируется детандерами.
Коэффициент полезного действия преобразования тепловой энергии в механическую около 20%.
Q19=Q5·0,2
Теплота абсорбера 6 равна теплоте испарителя 27, так как аппараты объединены в одном блоке, что позволяет приравнять O6=Q27,


Чтобы левая часть уравнения имела положительное значение нужно, чтобы вода от насоса 31, охлаждая абсорбер 28, нагревалась t 2°C, а в испарителе 5 охлаждалась t 4°C, то есть исходная вода должна охлаждаться.
Правая часть уравнения представляет собой выражение полезной работы
или
L=Q5-Q28
Для реализации сдвоенной установки необходима следующая техническая характеристика комплектующих изделий:
– Бромисто-литиевая установка (тепловой насос)
– Насос высокого давления установки от опреснительной установки KRO-030-V (Корея), со следующими характеристиками.
– Qнас.23=15 л/мин (0,9 м3/час)
– Рнас.23=155 кг/см2
Nнас.2=6 кВт.
Подкачивающий насос.
– Q24=18 м3/час
– Р24=1,1÷1,5 кг/см2
– N24=0,5 кВт
Мембранный блок 25, эжектор 29, детандер 30, испаритель 27 и абсорбер 28 должны обеспечить выделение хладагента из раствора в количестве 0,135 м3/час (15%) и кипение его при температуре t0=+5°C. Детандер 30 используется на возврат энергии привода насоса высокого давления 23 в количестве 1/3. Остальная энергия слабого раствора хладагента используется в эжекторе 29.
Потребление электроэнергии теплонасосной установкой 6,5 кВт без учета детандера, с учетом детандера 
Холодопроизводительность Q27=135 кг/час·594,5 ккал/кг=80257 ккал/час (93,33 кВт).
Теплота, выделяемая в абсорбере Q28=93,33+4,5=97,83 кВт
Вода охлаждения абсорбера 28 имеет температуру +28°С и в абсорбере нагревается до +30°С. Температура абсорбции +35°С.
Аммиачная установка 1 (тепловой двигатель).
Холодильный агент – аммиак, теплота парообразования при температуре +25°С – 278,66 ккал/кг.
Насос высокого давления 1 должен обеспечивать производительность большую, чем в установке 2.
Принимаем увеличение установки 1 по сравнению с теплонасосной установкой 2 в 2,3 раза
– Qнас.1=0,9·2,3=2,07 м3/час
– Рнас.1=155 кг/см2
– Nнас.1=6·2,3=13,8 кВт
Мембранный блок и остальное оборудование должно обеспечивать выделение 15% аммиака 2,07·0,15=0,31 м3/час, кипение его при температуре +25°С и абсорбцию при температуре +7 – +8°С. Испаритель установки 2 и абсорбер установки 1 объединены в одном блоке, предположительно пластинчатом теплообменнике, перепад температур 2÷3°С, Q6=Q27.
Детандер 18 в установке используется на возврат энергии привода насоса высокого давления 1 в количестве 1/3.
Холодопроизводительность аммиачной установки:
Q5=310 кг/час·278,66 ккал/час=86384 ккал/час (100 кВт).
Теплота Q5 может быть преобразована в механическую энергию с КПД преобразования 20%, что составит 100·0,2=20 кВт. Из этого необходимо на привод насосов с учетом возврата 1/3 энергии с помощью детандера:
Установка 
Установка 
Общий циркуляционный насос подачи воды 31 N=2 кВт
Всего: 15,7 кВт
Выработано 20 кВт, израсходовано 15,7 кВт, возможное получение механической энергии 4,3 кВт.
Теплота абсорбера установки 1.
Q6=100-20+13,8=93,8 кВт
Условие Q6=Q27 выполняется: 93,8 93,33.
Результатом работы такой сдвоенной абсорбционно-мембранной установки будет получение механической энергии 4,3 кВт при нагревании установки от внешнего источника энергии – воды с температурой +28°С.
Вода с такой температурой имеется в неограниченном количестве в тропических районах океана.
Формула изобретения
1. Абсорбционно-мембранная установка получения холода и тепловой энергии в режиме теплового насоса путем выделения из крепкого раствора хладагента через полупроницаемую мембрану под давлением выше осмотического, создаваемым насосом, причем давление под мембраной поддерживают выше давления кипения хладагента при окружающей температуре, кипения хладагента, нагреваемого от внешнего источника низкопотенциальной энергии, при низком давлении с получением холодильного эффекта и поглощения образующихся паров слабым раствором хладагента с получением тепловой энергии конденсации и растворения, отличающаяся тем, что она снабжена детандером, установленным по потоку слабого раствора хладагента после мембранного блока с использованием механической энергии детандера на привод насоса и (или) на привод бустер-компрессора, поджимающего пары холодильного агента до смешивания их со слабым раствором хладагента и абсорбирования.
2. Установка по п.1, отличающаяся тем, что понижение давления кипения хладагента и интенсификацию процесса абсорбции паров хладагента слабым раствором хладагента осуществляют эжектором, включенным последовательно по потоку движения слабого раствора хладагента, подсасывающим пары хладагента, смешиванием их со слабым раствором хладагента, сжиманием смеси и направлением смеси на абсорбирование.
3. Установка по п.1, отличающаяся тем, что выделение хладагента ведется последовательно на полупроницаемой мембране при давлении выше осмотического из крепкого раствора хладагента первой ступени с повышением концентрации абсорбента в слабом растворе хладагента и последующим выделением хладагента повышенной чистоты при давлении выше осмотического во второй ступени выделения хладагента.
4. Установка по п.3, отличающаяся тем, что выделение хладагента из крепкого раствора хладагента и повышение концентрации абсорбента в слабом растворе хладагента осуществляется ступенчато при количестве ступеней более двух.
5. Установка по любому из пп.1-3, отличающаяся тем, что она снабжена дополнительной абсорбционно-мембранной установкой, в которой последовательно по потоку паров хладагента после кипения его при высоком давлении установлен тепловой двигатель получения механической энергии, пары хладагента после теплового двигателя абсорбируют слабым раствором при низком давлении при охлаждении, хладагент подогревают в процессе кипения.
РИСУНКИ
|