|
|
(21), (22) Заявка: 2005109339/03, 01.04.2005
(24) Дата начала отсчета срока действия патента:
01.04.2005
(43) Дата публикации заявки: 10.09.2006
(46) Опубликовано: 20.03.2007
(56) Список документов, цитированных в отчете о поиске:
ШУСТЕР Р.А. и др., Оползни, Москва, Мир, 1981, стр.35. SU 1789593 А1, 23.01.1993. SU 848530 A1, 23.07.1981. RU 2081234 C1, 10.06.1997. RU 2099471 C1, 20.12.1997. RU 2133314 C1, 20.07.1999.
Адрес для переписки:
117292, Москва, ул. Ив. Бабушкина, 23, к.3, кв.6, А.П.Хамову
|
(72) Автор(ы):
Хамов Арнольд Петрович (RU)
(73) Патентообладатель(и):
Хамов Арнольд Петрович (RU)
|
(54) СПОСОБ ОПРЕДЕЛЕНИЯ И ПОВЫШЕНИЯ НАДЕЖНОСТИ ОТКОСОВ
(57) Реферат:
Предложен способ определения и повышения надежности откосов, который может быть использован в гидротехническом, промышленном, гражданском строительстве и на транспорте. Техническим результатом является повышение надежности и уменьшения трудоемкости работ по инженерно-геологическому исследованию откосов. Для этого способ включает инженерно-геологическое обследование грунта откоса с использованием легкого ручного зонда, определение физико-механических свойств и положения по глубине поверхности скольжения грунта откоса устройством реперной системы из забивных элементов и укрепление грунта откоса забивными элементами с использованием забивного оборудования в виде кольцевого молота, выполненного целиковым, с радиальным сквозным отверстием с резьбой для стопорного болта и бойка в виде двух симметричных жестких пластин с отверстиями для болтов с гайками, при этом на внешней поверхности одной из жестких симметричных пластин имеются углубления для головок болтов. 18 з.п. ф-лы, 8 ил.
Предложен способ определения и повышения надежности откосов, который может быть использован в гидротехническом, промышленном, гражданском строительстве и на транспорте.
Известен способ (1) определения надежности откосов, включающий инженерно-геологическое исследование грунта откоса путем бурения скважин и определение его физико-механических свойств и литологического состава на основе отбора проб грунта нарушенной структуры, например, при бурении шнеком, и по результатам бурения и расчетов устанавливают глубину поверхности скольжения откоса, и при необходимости наблюдений за деформациями откоса за его пределами устраивают реперную систему из реперов в виде труб, погружаемых в буровые скважины, а на откосе устанавливают марки в виде труб в буровых скважинах, нижний конец которых находится выше определяемой по результатам расчетов поверхности скольжения откоса, при этом наблюдения за перемещениями марок относительно реперов производят, например, с помощью электронных тахеометров и, если по результатам инженерно-геологического исследования грунтов откосов и наблюдениями за его деформациями возникает необходимость укрепления грунта откоса, то его производят путем устройства контрбанкета.
Недостатками этого способа является невысокая надежность определения физико-механических свойств грунта откоса по результатам шнекового бурения, а также определения положения поверхности скольжения расчетным путем и высокая трудоемкость работ по бурению скважин при устройстве реперной системы для наблюдений за деформациями откоса, а укрепление откоса контрбанкетом трудоемко, дорого и недостаточно надежно в условиях подтопления и на косогорах.
Известен способ (2) определения надежности откосов путем инженерно-геологического исследования с использованием бурения скважин и отбором образцов грунта ненарушенной структуры и определением физико-механических свойств грунта в лабораторных условиях и расчетом положения поверхности скольжения откоса по глубине, и при необходимости наблюдений за деформациями откоса устройством в буровых скважинах, реперов, расположенных на откосе на глубине, превышающей расчетную глубину поверхности скольжения откоса, и позволяющих наблюдать за смещением откоса и установить фактическое положение поверхности скольжения откоса, и при необходимости укрепление откоса, например, сваями.
Недостатками этого способа является его недостаточная надежность и высокая трудоемкость, так как в уровне поверхности скольжения откоса, положение которой по глубине откоса не известно, прочность грунта может быть меньше прочности грунта массива в несколько раз.
Таким образом, образцы грунта, отобранные вне поверхности скольжения, будут иметь прочность, существенно отличающуюся от прочности грунта в уровне поверхности скольжения.
Также недостаточно надежна и трудоемка установка реперов в буровых скважинах, так как положение фактической поверхности скольжения откоса не известно, а репера имеют сложное устройство для наблюдений за смещением откоса и также являются недостаточно надежными, а применение свай для укрепления откосов требует устройство подъездных дорог, а также специальных площадок для установки оборудования для свайного укрепления.
Этот способ принят за прототип.
Целью предложенного изобретения является повышение надежности и уменьшение трудоемкости работ по инженерно-геологическому исследованию откосов, устройству реперной системы по наблюдениям за деформациями откосов и укреплению их в процессе эксплуатации и строительства.
Для достижения этой цели на откосах с углом наклона  1° к горизонту инженерно-геологическое обследование откосов и установление положения поверхности скольжения откоса по глубине производят путем зондирования грунта откоса с использованием легкого ручного зонда, например зонда РЗГ – “Русский зонд” (3), путем определения по результатам зондирования минимальных значений Рmin – сопротивление грунта зондированию в каждой скважине зондирования, расположенных примерно в створе, перпендикулярному бровке откоса и его подошве, а изменчивость положения значений Рmin по глубине для данной поверхности скольжения определяется по формуле: , где hmax и hmin соответственно максимальное и минимальное значение глубины положения Pmin в створе откоса для данной поверхности скольжения откоса, при этом если по результатам зондирования грунта откоса принято решение о необходимости наблюдений за его деформациями, то устраивают реперную систему из забивных элементов, например арматурных стержней, состоящую из реперов и марок, при этом забивные элементы реперов, расположенные на откосе, забивают на глубину h1, определяемую по формуле:
, где hп – глубина положения поверхности скольжения грунта откоса в месте забивки элемента репера, ниже которой грунт можно считать неподвижным, при этом забивные элементы марок располагают на откосе и при наличии нескольких поверхностей скольжения глубина h2 забивки элемента марки в грунт откоса определяется для ближайшей к поверхности откоса его поверхности скольжения по формуле:
, где hп1 – глубина расположения ближайшей к поверхности откоса его поверхности скольжения в месте забивки элемента марки, а для более глубоких поверхностей скольжения в месте забивки элемента марки в грунт откоса на глубину h2 эта глубина определяется по формуле:
, где hпi – глубина положения предыдущей более мелкой поверхности скольжения грунта откоса, hпi+1 – глубина положения следующей более глубокой поверхности скольжения грунта откоса в месте забивки элемента марки, при этом расстояние 1 между забивными элементами реперов и марок определяется по формуле:
, где d – наибольший диаметр или наибольший размер стороны поперечного сечения смежных, обращенных друг к другу этими сторонами и диаметрами забивных элементов, при этом расстояние между реперами и марками измеряют рулеткой, например лазерной, и, если по результатам инженерно-геологических исследований грунта зондированием и результатам наблюдений за деформациями откоса принимают решение по его укреплению, то забивают элементы в грунт откоса на глубину h3, определяемую по формуле:
, где hп – глубина положения поверхности скольжения откоса в месте забивки элементов, ниже которой грунт откоса можно считать неподвижным, при этом забивные элементы располагают на откосе по свободной схеме, определяемой расчетом и условиями проектирования, например в шахматном порядке, причем перед забивкой элемента его укладывают на грунт и со стороны конца, который будет нижним при забивке элемента в грунт, на нем жестко закрепляют боек, а на другом конце, верхнем при забивке элемента в грунт, одевают кольцевой молот, выполненный целиковым с возможностью его свободного перемещения относительно забивного элемента, при этом на боковой поверхности кольцевого молота закреплены параллельно его продольной оси симметрично расположенные П-образные ручки, например четыре, а также имеется одно или более сквозных радиальных отверстий с резьбой для стопорного болта, после чего рабочие за ручки П-образной формы поднимают кольцевой молот с расположенным внутри него забивным элементом в вертикальное или наклонное положение над точкой забивки, после чего рабочие за ручки П-образной формы поднимают кольцевой молот относительно арматурного стержня вверх и затем, придавая ему руками ускорение дополнительное к ускорению свободного падения, опускают его вниз, ударяя по бойку, после чего кольцевой молот снова поднимают вверх и с силой ударяют по бойку и т.д., до погружения забивного элемента на глубину, при которой боек окажется вблизи поверхности грунта, после чего кольцевой молот поднимают по забивному элементу на заданную высоту и закрепляют на этой высоте стопорным болтом, затем открепляют боек и перемещают его вверх по забивному элементу на нужную высоту и закрепляют боек на этой высоте, а стопорный болт открепляют и преступают к забивке элемента с помощью кольцевого молота на большую глубину и т.д., до погружения забивного элемента в грунт на требуемую глубину, при этом на откосах с углом наклона к горизонту >10° на грунт откоса перед забивкой элемента устанавливают платформы Г-образной формы с горизонтальной площадкой для рабочего, причем более короткий вертикальный элемент Г-образной платформы обращен в сторону бровки откоса, а более длинный обращен в сторону его подошвы и после установки на откос вертикальные элементы вдавливают в грунт откоса, при этом для защиты забивного стержня от коррозии и повышения его несущей способности на горизонтальную и вертикальную нагрузки забивной элемент может быть выполнен с уширением в нижнем, забиваемом в грунт конце, а образовавшийся при забивке в грунт зазор между боковой поверхностью забивного элемента и грунтом заливают твердеющим во времени раствором, например цементным, в процессе забивки элемента или после нее, при этом Г-образные платформы могут быть выполнены сварными и решетчатыми из арматурной стали, при этом на торцах кольцевого молота могут быть выполнены отверстия (углубления) для подпорок для страховки его фиксации на заданной высоте, при этом рабочий для страховки может удерживать кольцевой молот, зафиксированный стопорным болтом на данной высоте забивного элемента, при этом осевое отверстие кольцевого молота и отверстие, образуемое двумя симметрично расположенными жесткими пластинами бойка, объединенных болтами через сквозные отверстия в них с гайками на конце, могут иметь форму поперечного сечения, близкую к форме поперечного сечения, забиваемого в грунт элемента, причем на внешней поверхности одной из жестких симметричных пластин бойка отверстия для болтов могут быть выполнены с углублением для головки болта, близких к ним по размерам и форме, при этом осевое отверстие кольцевого молота может быть выполнено различного поперечного сечения по высоте, причем на расстоянии U от торцов молота оно имеет больший диаметр, чем в средней части, и может быть определено по формуле: , где Н – высота кольцевого молота, при этом после зондирования грунта откоса и определения положения поверхности скольжения откоса по глубине может быть выполнено бурение скважины на откосе с целевым отбором проб грунта ненарушенной структуры в массиве и в уровне поверхности скольжения откоса с последующим определением физико-механических свойств грунта в лаборатории, при этом при вдавливании наконечника зонда в грунт через отверстие в опорной пяте на опорную пяту может быть приложено вертикально вниз сила Q, например, в виде веса человека или создаваемое анкеровкой опорной пяты в грунте анкерами, например, в виде забитых в грунт, через отверстия в опорной пяте, стержнями со шляпками и удерживающими грунт от выпора на поверхность при небольшой глубине погружения наконечника зонда в грунт, при этом сила Q может быть определена по формуле:
, где N – максимальное значение сил выпора грунта на его поверхность при погружении наконечника зонда в грунт, причем диаметр D1 отверстия внутри опорной пяты для наконечника зонда может быть определен по формуле: , где D – диаметр или наибольший размер диагонали основания конического или пирамидального наконечника зонда, а опорная пята может иметь форму круга, прямоугольника и т.д., при этом минимальное расстояние М от оси отверстия в опорной пяте до внешнего края опорной пяты может быть определено по формуле:
М/D 1,05, при этом длина m муфты, объединяющей штанги зонда, может превосходить совместную длину n резьбы двух объединенных штанг зонда и определяемых по формуле: , при этом спецмуфта, объединяющая штанги зонда в месте удара молота, может быть выполнена с осевыми отверстиями (углублениями) по торцам под штанги зонда и поперечной перегородкой посередине, причем она может быть выполнена в форме двух усеченных конусов, объединенных между собой верхними меньшими основаниями, а нижние большие основания являются торцами спецмуфты, причем на боковой поверхности спецмуфты может быть закреплен, например, на резьбе стержень, объединенный хомутом с параллельным стержнем с возможностью параллельного перемещения, при этом на конце параллельного стержня установлена, например, на резьбе марка-отражатель для лазерной рулетки, при этом параллельный стержень может быть зафиксирован крепежным болтом, установленным на резьбе в сквозном отверстии хомута, при этом лазерная рулетка может быть укреплена, например, на резьбе на стержне, установленном вертикально вблизи зонда, при чем лазерная рулетка располагается выше марки-отражателя на расстоянии, регламентируемым техническими данными лазерной рулетки и условиями производства работ,
при этом на боковой поверхности муфт, объединяющих штанги зонда, могут быть вертикальные ребра, при этом на дне торцевых отверстий спецмуфты могут быть распололожены упругие прокладки, например деревянные,
при этом репера из забивных элементов на железнодорожной насыпи могут быть расположены у бровки откоса, а контрольный репер – в междупутье,
причем при возведении насыпи разрыхленная зона, прилегающая к поверхности откоса, образовавшаяся по технологическим причинам, а также зона развития вероятной поверхности скольжения откоса, которые могут быть причиной его деформации в процессе эксплуатации, могут быть перекрыты армирующим материалом, например арматурными сетками, при этом ширина зоны перекрытия S может быть определена по формуле:
, где L – ширина зоны неуплотненного грунта откоса, прилегающая к его поверхности или расстояние от поверхности откоса до потенциальной поверхности скольжения, причем армирование грунта откоса выполняют послойно по мере его возведения,
при этом расстояние между забивными элементами, укрепляющими откос, может быть определено с учетом равновесия сил расклинивания грунта откоса вследствие его дилатенсии и направленных вертикально вверх и веса грунта откоса, а также других сил, препятствующих подъему грунта, например, сил трения по боковой поверхности забивного элемента, расположенного выше закрепляемой поверхности скольжения и которое может быть определено по формуле: ( hп·F+Ф):(Рд·F)>0,3, где – удельный вес грунта, расположенного выше закрепляемой поверхности скольжения откоса на глубине hп, F – площадь откоса, закрепляемая забивными элементами, принимаемая равной 1 м2, Ф – силы, препятствующие расклиниванию грунта откоса вследствие дилатенсии на 1 м2, например, силы трения грунта по боковой поверхности забивного элемента, Рд – силы расклинивания грунта откоса вследствие дилатенсии на 1 м2 грунта откоса, при этом 1 м2 площади откоса соответствует его ортогональной проекции,
при этом поперечное сечение муфт, объединяющих штанги зонда, может иметь форму квадрата или многоугольника,
при этом наконечник зонда может иметь диаметр основания конуса или наибольший размер поперечного сечения диагонали основания пирамиды больший диаметра или наибольшего размера поперечного сечения муфты, объединяющей штанги зонда.
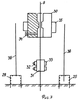
Выполнение предложенного способа показано на фиг.1-8. На фиг.1 показан откос, имеющий поверхности скольжения грунта 2, 3, при этом у бровки откоса установлен репер 4 и контрольный репер 5 в междупутье железной дороги 6 из забивных элементов, а на откосе установлены марки 7, 8 из забивных элементов для наблюдений за деформациями откоса 1 в уровне поверхностей скольжения 2,3. На откосе 1 показаны также скважины зондирования C1, С2, С3 и графики зондирования в виде зависимостей Р-сопротивлений грунта погружению зонда от глубины H1 зондирования грунта откоса 1, а также минимальное значение Pmin на этих графиках, по которым проведены поверхности скольжения 2, 3. На фиг.2 показан откос 1 с поверхностями скольжения 2, 3, укрепленный забивными элементами 9. На фиг.3 показан забивной элемент 9 с уширением 10 со скважиной, образованной после забивки элемента 9 в грунт и заполненной твердеющим во времени раствором, например цементным 11. На фиг.4 показан ручной зонд РЗГ – “Русский зонд” в рабочем положении. Он состоит из наконечника 12, кольцевого молота 13, штанг 14, спецмуфты 15 (показана в разрезе), с отверстиями для штанг 14 зонда, поперечной перегородки 16, упругой прокладки 17, муфты 18 с продольными ребрами 19 (показана в разрезе), опорной пяты 20, анкерных стержней 21, лазерной рулетки 22, опорного стержня 23, марки-отражателя 24, болта 25, хомута 26, стержня 27, объединенного со спецмуфтой 15, например, на резьбе, и параллельного ему стержня 28, объединенного с маркой-отражателем 24, например, на резьбе. На фиг.5 показана платформа 29 Г-образной формы на откосе 1, выполненная решетчатой из арматурных стержней. На фиг.6 показано оборудование для забивки элементов 9 в грунт в лежачем положении на грунте откоса 1, которое состоит из кольцевого молота 30, бойка 31, состоящего их двух симметричных жестких пластин, объединенных гайками 32 на болтах 33 через сквозные отверстия в симметричных жестких пластинах, а также стопорный болт 34 и ручки 35. На фиг.7 показано оборудование для забивки элементов 9 в рабочем положении, которое состоит из кольцевого молота 30 (показан в разрезе), бойка 31, образованного двумя симметричными жесткими пластинами, объединенными через сквозные отверстия в них гайками 32 на болтах 33, стопорного болта 34, ручек П-образной формы 35, рабочих 36, стоящих на платформе Г-образной формы 29.
На фиг.8 представлен откос 1, полученный в процессе возведения насыпи, где зона А и поверхность скольжения 2 соответствуют рыхлой зоне откоса, полученной в процессе его возведения, и зона В и соответствующая ей поверхность скольжения 3 с армирующими элементами 37.
Предложенный способ выполняется в следующем порядке. Зондом РЗГ – “Русский зонд” выполняют зондирование грунта откоса 1 в скважинах зондирования C1, C2, С3, по которым строят графики зависимости сопротивления Р грунта зондированию от глубины H1, и по минимальным значениям Рmin определяют положение поверхностей скольжения 2, 3, как это показано на фиг.1, а затем при необходимости наблюдений за деформациями откосов устанавливают репера 4 из забивных элементов и контрольного репера 5 в междупутье железной дороги 6, а также марки 7, 8 из забивных элементов для наблюдения за деформациями откоса 1 вдоль поверхности скольжения 2 и за деформациями откоса 1 вдоль поверхности скольжения 3. После чего, как это показано на фиг.2, производят забивку элементов 9 в грунт откоса 1 ниже поверхности скольжения 2 и 3. При наличии активного к коррозии металла грунта или при необходимости увеличения несущей способности забивного элемента 9 забивной элемент 9 устраивают с уширением 10 в нижнем конце, как это показано на фиг.3. При этом образовавшуюся в грунте скважину заливают твердеющим во времени материалом, например цементным раствором 11. Зондировние грунта откоса 1 производят зондом РЗГ – “Русский зонд”, показанным на фиг.4, в следующем порядке. На поверхность грунта устанавливают опорную пяту 20, анкеруя ее в грунте стержнями 21 со шляпками, и при необходимости прикладывают к поверхности опорной пяты 20 вертикальную силу Q, например, от веса человека. Осевой молот 13, закрепленный на штанге 14 с возможностью свободного перемещения относительно нее, сбрасывают с заданной высоты. Удар кольцевого молота 13 через спецмуфту 15 (показана в разрезе) передается на нижележащие штанги 14 зонда, объединенные муфтами 18 (показана в разрезе), имеющими вертикальные ребра 19 на ее боковой поверхности. При этом ребра 19 способствуют более легкому завинчиванию и развинчиванию муфт руками, а развитая торцевая поверхность муфты 15, а также наличие упругих прокладок 17 уменьшают напряжение удара и вероятность повреждения штанг 14 и спецмуфты 15 зонда. При этом отсутствие резьбы в торцевых отверстиях для штанг 14 зонда спецмуфты 15 исключает повреждение резьбы штанг зонда, а также ускоряет операцию по установке и съему штанг 14 зонда из торцевых отверстий спецмуфты 15. Энергия удара молота 13, достигая наконечника зонда 12, передается на грунт, в результате чего происходит погружение наконечника 12 зонда в грунт. При этом происходит выпор грунта (показан линиями со стрелками) из-под наконечника зонда 12 на поверхность, что может искажать результаты зондирования. Для предотвращения этого силы выпора грунта N уравновешивают силами Q, приложенными к поверхности опорной пяты, а также при необходимости анкерными стержнями 21 со шляпками. В процессе зондирования производят измерения глубины погружения зонда в грунт с помощью лазерной рулетки 22, установленной на стержне 23, закрепленным в грунте. При этом положение марки-отражателя 24 предварительно регулируется таким образом, чтобы луч лазерной рулетки 22 (показан на фиг.4 пунктиром) падал отвесно на марку-отражатель 24, для этого открепляют болт 25 хомута 26 и перемещают параллельный стержень 27 с маркой-отражателем 24 так, чтобы добиться нужного его положения относительно луча лазерной рулетки. И это положении марки-отражателя 24 фиксируют болтом 25. При этом вертикальность стержня 23 и отвесность луча лазера относительно марки-отражателя 24 может быть установлена, например, с помощью нитяного отвеса или уровня, установленного на лазерной рулетке (на чертеже не показан) или стержне 23.
На фиг.5 показана Г-образная платформа 29, которую устанавливают на откосе 1, вдавливая частично ее вертикальные стержни в грунт откоса и предавая верхней площадке платформы горизонтальное положение. Такие платформы устанавливают для двух рабочих. Далее приступают к установке оборудования для забивки элемента 9 в грунт. Для этого забивной элемент 9 укладывают на откос 1 и на один его конец одевают кольцевой молот 30, а на другой конец на некотором расстоянии от него закрепляют боек 31, фиксируя положение бойка на забивном элементе 9 с помощью гаек 32 на болтах 33. При этом углубление для головок болтов 33 в одной из симметричных жестких пластин бойка 31 препятствует их проворачиванию. Для вращения гаек 32 используют накладные ключи. После этого рабочие 36 за ручки 35 поднимают кольцевой молот 30 с забивным элементом 9 и бойком 31 и устанавливают его наклонно или вертикально на грунт так, чтобы нижний конец забивного элемента 9 оказался в заданной точке на поверхности грунта, как это показано на фиг.7. После чего рабочие 36 (показаны условно вертикальной линией) становятся на горизонтальную часть платформы 29 и, поднимая кольцевой молот 30 за ручки 35 и придавая ему руками ускорение, дополнительное к ускорению силы тяжести, с силой ударяют по бойку 31, который вместе с забивным элементом 9 перемещается вниз и забивной элемент 9 погружается в грунт. После того, как нижний торец бойка 31 окажется вблизи поверхности грунта, рабочие 36 за ручки 35 поднимают кольцевой молот 30 вверх относительно забивного элемента 9 и фиксируют его положение с помощью стопорного болта 34, после чего гайки 32 разворачивают и боек 31 перемещают вверх по забивному элементу 9 и фиксируют его положение гайками 32 и т.д. При этом большее поперечное сечение осевого отверстия у торцов кольцевого молота 30, чем в средней его части, уменьшает силу трения забивного элемента 9 по поверхности осевого отверстия кольцевого молота 30.
При возведении насыпи, как это показано на фиг.8, каждый ее слой можно усилить укладкой армирующих материалов 37, перекрывающих рыхлую зону А, образующуюся вблизи поверхности откоса 1 вследствие невозможности ее уплотнения по технологическим причинам и являющуюся потенциально опасной в процессе эксплуатации насыпи, а также при необходимости и зону В, которая ограничивается вероятной поверхностью скольжения 3. При этом часть армирующего грунт откоса 1 материала 37 укладывается на поверхность грунта за пределами потенциально опасных зон А и В, создавая анкерный эффект.
Литература
1. Справочник по земляному полотну эксплуатируемых железных дорог. М., Транспорт, 1980 г.
2. Р.Шустер, Р.Кризек. Оползни. М., Мир, 1981 г.
3. А.П.Хамов, Г.П.Аникина. Ручной зонд глубокого зондирования грунта – РЗГ. Патенты 2099471.
4. А.П.Хамов, Г.П.Аникина. Забивное устройство. Патент N 2133314.
Формула изобретения
1. Способ определения и повышения надежности откосов, включающий инженерно-геологическое обследование откоса, устройство реперной системы для наблюдения за деформациями откоса, а также укрепление откоса в процессе его эксплуатации и возведения путем армирования грунта, отличающийся тем, что инженерно-геологическое обследование откоса и установление положения поверхности скольжения откоса по глубине производят путем зондирования грунта откоса с использованием легкого ручного зонда, по результатам зондирования определяют минимальные значения Pmin сопротивления грунта зондированию в каждой скважине зондирования, расположенной примерно в створе, перпендикулярном бровке откоса и его подошве, а изменчивость положения значений Pmin по глубине для данной поверхности скольжения определяют по формуле
1max/hmin<3,
где hmax и hmin – соответственно максимальное и минимальное значения глубины положения Pmin в створе откоса для данной поверхности скольжения откоса,
по результатам зондирования грунта откоса принимают решение о необходимости наблюдений за его деформациями, выполняют реперную систему из забивных элементов, например арматурных стержней, состоящую из реперов и марок, при этом забивные элементы реперов, расположенные на откосе, забивают на глубину h1, определяемую по формуле
1hп1<10hп,
где hп – глубина положения поверхности скольжения грунта откоса в месте забивки элемента репера, ниже которой грунт можно считать неподвижным,
при этом забивные элементы марок располагают на откосе и при наличии нескольких поверхностей скольжения глубину h2 забивки элемента марки в грунт откоса определяют для ближайшей к поверхности откоса его поверхности скольжения по формуле
02<1,2hп1,
где hп1 – глубина расположения ближайшей к поверхности откоса его поверхности скольжения в месте забивки элемента марки,
а для более глубоких поверхностей скольжения в месте забивки элемента марки в грунт откоса на глубину h2 эту глубину определяют по формуле
hпi2<1,2hпi+1,
где hпi – глубина положения предыдущей более мелкой поверхности скольжения грунта откоса;
hпi+1 – глубина положения следующей более глубокой поверхности скольжения грунта откоса в месте забивки элемента марки,
при этом расстояние l между забивными элементами реперов и марок определяют по формуле
l 2d,
где d – наибольший диаметр или наибольший размер поперечного сечения смежных обращенных друг к другу этими сторонами и диаметрами забивных элементов,
при этом расстояние между реперами и марками измеряют рулеткой, например, лазерной и по результатам инженерно-геологических исследований грунта зондированием и результатам наблюдений за деформациями откоса принимают решение по его укреплению и забивают элементы в грунт откоса на глубину h3, определяемую по формуле
1,01hп3<10hп,
где hп – глубина положения поверхности скольжения откоса в месте забивки элементов, ниже которой грунт откоса можно считать неподвижным,
при этом забивные элементы располагают на откосе по свободной схеме, определяемой расчетом и условиями проектирования, например в шахматном порядке, причем перед забивкой элемента его укладывают на грунт и со стороны конца, который будет нижним при забивке элемента в грунт, на нем жестко закрепляют боек, а на другой конец, верхний при забивке элемента в грунт, надевают кольцевой молот, выполненный целиковым, с возможностью его свободного перемещения относительно забивного элемента, при этом на боковой поверхности кольцевого молота закрепляют параллельно его продольной оси симметрично расположенные П-образные ручки, например, четыре, а также выполнено одно или более сквозных радиальных отверстий с резьбой для стопорного болта, последовательными ударами кольцевого молота по бойку погружают забивной элемент на глубину, при которой боек окажется вблизи поверхности грунта, после чего кольцевой молот поднимают на заданную высоту по забивному элементу и закрепляют на этой высоте стопорным болтом, затем открепляют боек и перемещают его вверх по забивному элементу на нужную высоту и закрепляют боек на этой высоте, а стопорный болт открепляют и приступают к забивке элемента с помощью кольцевого молота на большую глубину, до погружения забивного элемента в грунт на требуемую глубину, при этом на откосах с углом наклона к горизонту >10° на грунт откоса перед забивкой элемента устанавливают платформы Г-образной формы с горизонтальной площадкой для рабочего, причем более короткий вертикальный элемент Г-образной платформы обращен в сторону бровки откоса, а более длинный обращен в сторону его подошвы, и после установки на откос вертикальные элементы вдавливают в грунт откоса.
2. Способ по п.1, отличающийся тем, что для защиты забивного элемента от коррозии и повышения его несущей способности забивной элемент выполняют с уширением в нижнем, забиваемом в грунт конце, а образовавшийся при забивке в грунт зазор между боковой поверхностью забивного элемента и грунтом заливают твердеющим во времени раствором, например цементным, в процессе забивки элемента или после нее.
3. Способ по п.1, отличающийся тем, что Г-образные платформы выполняют сварными и решетчатыми из арматурной стали.
4. Способ по п.1, отличающийся тем, что на торцах кольцевого молота выполняют отверстия или углубления для его фиксации стопорным болтом на заданной высоте.
5. Способ по п.1, отличающийся тем, что осевое отверстие кольцевого молота и отверстия, образуемые двумя симметрично расположенными жесткими пластинами бойка, объединенные болтами через сквозные отверстия в них с гайками на конце, имеют форму поперечного сечения, близкую к форме поперечного сечения забиваемого в грунт элемента, причем на внешней поверхности одной из жестких симметричных пластин бойка отверстия для болтов выполнены с углублением для головки болтов, близких им по размерам и форме.
6. Способ по п.1, отличающийся тем, что осевое отверстие кольцевого молота выполнено различного поперечного сечения по высоте, причем на расстоянии U от торцов молота оно имеет больший диаметр, чем в средней части, а значение U определяют по формуле
0,01H
где Н – высота кольцевого молота.
7. Способ по п.1, отличающийся тем, что после зондирования грунта откоса и определения положения поверхности скольжения откоса по глубине выполняют бурение скважины на откосе с целевым отбором проб грунта ненарушенной структуры в массиве и в уровне поверхности скольжения откоса с последующим определением физико-механических свойств грунта в лаборатории.
8. Способ по п.1, отличающийся тем, что при вдавливании наконечника зонда в грунт через отверстие в опорной пяте на опорную пяту прилагают вертикально вниз силу Q, например, в виде веса человека или создаваемую анкеровкой опорной пяты в грунте анкерами, например, в виде забитых в грунт через отверстия в опорной пяте стержней со шляпками и удерживают грунт от выпора на поверхность при небольшой глубине погружения наконечника зонда в грунт, при этом силу Q определяют по формуле
0,1N
где N – максимальное значение сил выпора грунта на его поверхность при погружении наконечника зонда в грунт,
причем диаметр D1 отверстия внутри опорной пяты для наконечника зонда определяют по формуле
11/D<4,
где D – диаметр или наибольший размер диагонали основания конического или пирамидального наконечника зонда,
а опорная пята имеет форму круга, прямоугольника,
при этом минимальное расстояние М от оси отверстия в опорной пяте до внешнего края опорной пяты определяют по формуле
M/D 1,05.
9. Способ по п.1, отличающийся тем, что зонд включает штанги, при этом длина m муфты, объединяющей штанги зонда, превосходит совместную длину n резьбы двух объединенных штанг зонда и определяется по формуле
1
10. Способ по п.1, отличающийся тем, что зонд включает штанги и муфту, объединяющую штанги зонда в месте удара молота, при этом муфта выполнена с осевыми отверстиями или углублениями по торцам под штанги зонда и поперечной перегородкой посередине, причем она может быть выполнена в форме двух усеченных конусов, объединенных между собой верхними, меньшими основаниями, а нижнее, большее основание является торцами муфты.
11. Способ по п.10, отличающийся тем, что на боковой поверхности муфты, объединяющей штанги зонда в месте удара молота, закрепляют, например, на резьбе стержень, объединенный хомутом с параллельным стержнем с возможностью параллельного перемещения, при этом на конце параллельного стержня установлена, например, на резьбе марка-отражатель для лазерной рулетки, при этом параллельный стержень зафиксирован крепежным болтом, установленным на резьбе в сквозном отверстии хомута.
12. Способ по п.1, отличающийся тем, что лазерную рулетку укрепляют на резьбе на стержне, установленном вертикально вблизи зонда, причем лазерная рулетка располагается выше марки-отражателя на расстоянии, регламентируемом техническими данными лазерной рулетки и условиями производства работ.
13. Способ по п.9, отличающийся тем, что на боковой поверхности муфт, объединяющих штанги зонда, выполняют вертикальные ребра.
14. Способ по п.10, отличающийся тем, что на дне торцевых отверстий муфты располагают упругие прокладки, например, деревянные.
15. Способ по п.1, отличающийся тем, что репера из забивных элементов на железнодорожной насыпи располагают у бровки откоса, а контрольный репер – в междупутье.
16. Способ по п.1, отличающийся тем, что при возведении насыпи разрыхленную зону, прилегающую к поверхности откоса, образовавшуюся по технологическим причинам, а также зону развития вероятной поверхности скольжения откоса, которые могут быть причиной его деформации в процессе эксплуатации, перекрывают армирующим материалом, например арматурными сетками, при этом ширину зоны перекрытия S определяют по формуле
1
где L – ширина зоны неуплотненного грунта откоса, прилегающая к его поверхности, или расстояние от поверхности откоса до потенциальной поверхности скольжения,
причем армирование грунта откоса выполняют послойно по мере его возведения.
17. Способ по п.1, отличающийся тем, что расстояние между забивными элементами, укрепляющими откос, определяют с учетом равновесия сил расклинивания грунта откоса вследствие его дилатенсии, направленных вертикально вверх, и веса грунта откоса, а также других сил, препятствующих подъему грунта, например сил трения по боковой поверхности забивного элемента, расположенного выше закрепляемой поверхности скольжения, и которое определяют по формуле
( hпF+Ф):(Рд·F)>0,3,
где – удельный вес грунта, расположенного выше закрепляемой поверхности скольжения откоса на глубине hп;
F – площадь откоса, закрепляемая забивными элементами, принимаемая равной 1 м2;
Ф – силы, препятствующие расклиниванию грунта откоса вследствие дилатенсии на 1 м2, например силы трения грунта по боковой поверхности элемента;
Рд – силы расклинивания грунта откоса вследствие дилатенсии на 1 м2 грунта откоса, при этом 1 м2 площади откоса соответствует его ортогональной проекции.
18. Способ по п.9, отличающийся тем, что поперечное сечение муфт, объединяющих штанги зонда, имеет форму квадрата или многоугольника.
19. Способ по п.9, отличающийся тем, что наконечник зонда имеет диаметр основания конуса или наибольший размер диагонали основания пирамиды больше диаметра или наибольшего размера поперечного сечения муфты, объединяющей штанги зонда.
РИСУНКИ
MM4A – Досрочное прекращение действия патента СССР или патента Российской Федерации на изобретение из-за неуплаты в установленный срок пошлины за поддержание патента в силе
Дата прекращения действия патента: 02.04.2008
Извещение опубликовано: 20.04.2010 БИ: 11/2010
|
|