|
|
(21), (22) Заявка: 2005125128/11, 08.08.2005
(24) Дата начала отсчета срока действия патента:
08.08.2005
(46) Опубликовано: 20.03.2007
(56) Список документов, цитированных в отчете о поиске:
RU 2217325 С1, 27.11.2003. Автомобили: Конструкция, конструирование и расчет. Трансмиссия. / Под ред. А.И.Гришкевича. – Минск: Высшая школа, 1985, с.240. RU 2196689 С1, 20.01.2003. US 6440032 B1, 27.08.2002. US 5351569 А, 04.10.1994.
Адрес для переписки:
625000, г.Тюмень, ул. Володарского, 38, ТюмГНГУ, патентно-информационный отдел
|
(72) Автор(ы):
Некрасов Владимир Иванович (RU)
(73) Патентообладатель(и):
Государственное образовательное учреждение высшего профессионального образования “Тюменский государственный нефтегазовый университет” (RU)
|
(54) СООСНАЯ ВАЛЬНО-ПЛАНЕТАРНАЯ ПЕРЕДАЧА
(57) Реферат:
Изобретение относится к транспортному машиностроению, в частности к трансмиссии транспортных машин. Сущностью заявленной соосной вальнопланетарной коробки передач является то, что шестерня 10 на первичном валу 2 закреплена и находится в зацеплении с шестерней 7, имеющей зубчатый венец увеличенной ширины, свободно установленной на промежуточном валу 6. Шестерня 11 вторичного вала 3 также имеет зубчатый венец увеличенной ширины рядом с зубчатым венцом шестерни 10 первичного вала 2. На этих зубчатых венцах расположена полумуфта переключения передач 24, взаимосвязанная вилкой переключения 26 с другой полумуфтой 25, установленной на зубчатых венцах шестерен 7 и 8 промежуточного вала 6. Зубчатый венец 19 выходного вала водила 15 двухпозиционный. Зубчатый венец 20 выходного вала агрегата 5 трехпозиционный, муфта переключения 28 на этом венце имеет три внутренних зубчатых венца. На ползуне 30 муфты переключения 28 жестко закреплен зубчатый венец 31 с внутренним и внешним зацеплением, внешнее зацепление которого связано с трехпозиционным зубчатым венцом 23 корпуса агрегата 1. В результате достигается увеличение диапазона передаточных чисел вального редуктора при снижении его габаритов и металлоемкости, усовершенствовании механизма переключения передач планетарного механизма. 2 ил.
Изобретение относится к транспортному машиностроению, в частности к трансмиссии транспортных машин.
Известны агрегаты трансмиссии со ступенчатым изменением передаточных чисел, содержащие шестерни, валы, опоры, устройства переключения передач, применяемые на отечественных и зарубежных автомобилях. (Автомобили: Конструкция, конструирование и расчет. Трансмиссия. / Под ред. А.И.Гришкевича. Мн.: Выш. шк., 1985. – 240 с.)
Эти агрегаты конструктивно сложны, металлоемки.
Наиболее близкой к предлагаемой коробке передач (КП) является КП по патенту RU 2217325 С1 (Бюл. №33 от 27.11.2003).
Коробка передач содержит корпус агрегата, в котором расположены трехвальный соосный редуктор с тремя парами взаимозацепленных шестерен внешнего зацепления, шестерни на первичном и вторичном валах редуктора установлены свободно, между ними расположены две муфты переключения передач, шестерни на промежуточном валу объединены в блок, на выходе этого редуктора расположен простой трехзвенный планетарный механизм с водилом, сателлитами, эпициклическим колесом и солнечной шестерней, закрепленной на вторичном валу, первичный, вторичный валы редуктора, выходной вал водила и выходной вал агрегата расположены соосно, корпус трехвального редуктора, трубчатый вал водила и корпус эпициклического колеса имеют рядом расположенные зубчатые венцы, корпус эпициклического колеса с другой стороны, выходной вал водила и выходной вал агрегата имеют рядом расположенные зубчатые венцы, на зубчатом венце выходного вала агрегата установлена муфта переключения, которая имеет два внутренних зубчатых венца, она вилкой переключения и ползуном подвижно взаимосвязана с муфтой переключения, имеющей два внутренних зубчатых венца, установленной на зубчатом венце корпуса редуктора.
Описанная КП проще типовых конструкций трансмиссионных агрегатов, приведенных в книге, обеспечивает достаточный диапазон передаточных чисел (отношение передаточных чисел низшей передачи к высшей), но имеет ограниченные эксплуатационные возможности из-за увеличенного размера шестерни, свободно установленной на первичном валу, что ограничивает величину передаточного числа в зацеплении, затруднено переключение передач при изменении направления движения, так как между поддиапазонами заднего хода и низших передач расположен поддиапазон высших передач, усложнена конструкция муфты переключения, останавливающей водило или эпициклическое колесо относительно корпуса редуктора.
Задача, на решение которой направлено заявляемое изобретение, заключается в расширении эксплуатационных возможностей транспортного средства при упрощении конструкции и снижении металлоемкости трансмиссионного агрегата.
Поставленная задача решается за счет достижения технического результата, который заключается в увеличении диапазона передаточных чисел вального редуктора при снижении его габаритов и металлоемкости, усовершенствовании механизма переключения передач планетарного механизма.
Указанный технический результат достигается тем, что соосная вальнопланетарная коробка передач содержит корпус агрегата, в котором расположены трехвальный соосный редуктор с тремя парами взаимозацепленных шестерен внешнего зацепления, две шестерни на промежуточном валу объединены в блок, шестерни на вторичном валу редуктора установлены свободно, между ними расположена муфта переключения передач, на выходе этого редуктора расположен простой трехзвенный планетарный механизм с водилом, сателлитами, эпициклическим колесом и солнечной шестерней, закрепленной на вторичном валу, первичный, вторичный валы редуктора, выходной вал водила и выходной вал агрегата расположены соосно, водило и корпус эпициклического колеса имеют рядом расположенные зубчатые венцы, трубчатый вал корпуса эпициклического колеса, выходной вал водила и выходной вал агрегата имеют рядом расположенные зубчатые венцы, на зубчатом венце выходного вала агрегата установлена муфта переключения, которая вилкой переключения взаимосвязана с ползуном, шестерня на первичном валу закреплена, она находится в зацеплении с шестерней, имеющей зубчатый венец увеличенной ширины, свободно установленной на промежуточном валу, шестерня вторичного вала также имеет зубчатый венец увеличенной ширины рядом с зубчатым венцом шестерни первичного вала, на этих зубчатых венцах расположена полумуфта переключения передач, взаимосвязанная вилкой переключения с другой полумуфтой, установленной на зубчатых венцах шестерен промежуточного вала, зубчатый венец выходного вала водила двухпозиционный, зубчатый венец выходного вала агрегата трехпозиционный, муфта переключения на этом венце имеет три внутренних зубчатых венца, на ползуне муфты переключения жестко закреплен зубчатый венец с внутренним и внешним зацеплением, внешнее зацепление которого связано с трехпозиционным зубчатым венцом корпуса планетарного механизма.
Шестерня, свободно установленная на первичном валу, имела увеличенный диаметр, она ограничивала диапазон передаточных чисел вального редуктора, увеличивала его габариты и металлоемкость за счет роста межосевого расстояния. Планетарный механизм (ПМ) коробки передач прототипа обеспечивал три режима работы, но не в оптимальном режиме, при переходе с низшей передачи на задний ход надо переходить через положение высших передач; для переключения передач требовалось две муфты с подвижным соединением между ними.
Предлагаемое техническое решение позволяет снизить габариты и металлоемкость вального редуктора за счет объединения шестерни с первичным валом, упростить механизм переключения передач за счет применения зубчатого венца с внутренним и внешним зацеплением вместо муфты переключения и реализовать три режима работы ПМ с оптимальным режимом переключения передач: I-Uh ab=-К; II-Ub ah=К+1; III-U(bh)=1 при установке двухпозиционного зубчатого венца выходного вала водила и трехпозиционного зубчатого венца выходного вала агрегата.
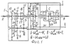
На фиг.1 изображена схема КП, на фиг.2 – лучевая диаграмма и таблицы положения муфт переключения на различных передачах переднего хода (вверху) и заднего хода (внизу).
Вертикальный луч соответствует передаточному числу, равному единице. Чем больше наклон луча, тем выше величина передаточного числа. В логарифмическом масштабе наклон луча постоянный на любом участке лучевой диаграммы. Лучи пар шестерен внешнего зацепления обозначены I, II, III, а лучи, характеризующие режимы работы планетарного механизма, – U=1,0; Ub ah и Uh ab.
В опорах корпуса агрегата 1 соосно расположены первичный вал 2, вторичный вал 3, выходной вал водила 4 и выходной вал агрегата 5. Параллельно им установлен промежуточный вал 6, на котором свободно установлена шестерня 7 и закреплен блок шестерен внешнего зацепления 8 и 9. Эти шестерни взаимозацеплены соответственно с шестернями внешнего зацепления 10, 11 и 12, шестерня 10 закреплена на первичном валу 2 (изготовлена заодно с ним), шестерни 11 и 12 свободно установлены на вторичном валу 3. На вторичном валу 3 закреплена солнечная шестерня 13, которая зацеплена с сателлитами 14, установленными на осях водила 15 и зацепленными с эпициклическим колесом 16. Трубчатым валом 17 корпус эпициклического колеса 16 соединен с однопозиционным зубчатым венцом 18. На выходном валу водила 4 рядом с зубчатым венцом 18 закреплен двухпозиционный зубчатый венец 19. На выходном валу агрегата 5, рядом с зубчатыми венцами 18 и 19 закреплен трехпозиционный зубчатый венец 20. На наружной поверхности корпуса эпициклического колеса 16 расположен зубчатый венец 21. Рядом с зубчатым венцом 21 расположен зубчатый венец 22 водила 15. Трехпозиционный зубчатый венец 23 закреплен на корпусе агрегата 1 напротив зубчатых венцов 21 и 22. Муфта переключения (А) состоит из двух полумуфт 24 и 25, соединенных вилкой переключения 26, они установлены соответственно между шестернями 10-11 и 7-8. Муфта 27 (В) установлена на ступице вторичного вала 3 между шестернями 11 и 12. Муфта (С) 28 расположена на зубчатом венце 20 выходного вала агрегата 5. Вилка переключения 29 ползуном 30 подвижно соединена с муфтой переключения 28, на внутреннем конце ползуна 30 закреплен зубчатый венец 31 с внутренним и внешним зацеплениями.
Работа КП осуществляется следующим образом:
Первая передача
Муфты переключения А и В(27) находятся в правом положении (П) – (см. фиг.2, таблица вверху справа), муфта переключения С (28) – в среднем положении (II). В этом случае (см. фиг.1) муфта А полумуфтой 25 соединяет шестерню 7 с шестерней 8 промежуточного вала 6, полумуфта 24 находится на зубчатом венце шестерни 11 вторичного вала 3 и не соединяет его с первичным валом 2, муфта В соединяет шестерню 12 с вторичным валом 3, муфта С (28) соединяет (см. фиг.1 внизу справа) зубчатый венец 19 выходного вала водила 4 с зубчатым венцом 20 выходного вала агрегата 5, вилкой переключения 29, ползуном 30 и зубчатым венцом 31 соединяет зубчатый венец 23 корпуса агрегата 1 с зубчатым венцом 21 и останавливает эпициклическое колесо 16 (b) относительно корпуса агрегата 1. Планетарный механизм (ПМ) находится в режиме с передаточным числом Ub ah=К+1. Верхний символ указывает на остановленное звено – b, нижние символы – на звенья входа (а – солнечная шестерня) и выхода (h – водило) крутящего момента, К – внутренний параметр ПМ, равный отношению чисел зубьев эпициклического колеса и солнечной шестерни – для приведенного на лучевой диаграмме варианта исполнения ПМ он равен 3, а передаточное число ПМ равно 4.
Крутящий момент от первичного вала 2 шестерней 10 передается на шестерню 7 (пара шестерен I) полумуфтой 25 на зубчатый венец шестерни 8 и промежуточный вал 6, шестерней 9 на шестерню 12 (пара шестерен III). От шестерни 12 муфтой переключения В (27) крутящий момент передается на вторичный вал 3 и солнечную шестерню 13. Солнечная шестерня 13 вращает сателлиты 14, которые, обкатываясь по остановленному эпициклическому колесу 16, передают увеличенный крутящий момент на водило 15, выходной вал водила 4, зубчатый венец 19, муфту переключения С (28), зубчатый венец 20 и выходной вал агрегата 5.
На лучевой диаграмме этой передаче соответствуют три последовательно соединенных луча: из т.0 на средней шкале слева (см. фиг.2) луч I направо вниз, затем луч III направо вверх и далее пологий луч (Ub ab=К+1) к т.1 справа на верхней шкале.
Вторая передача
Перемещаем муфту А в левое положение, при этом пара шестерен I выключается из работы, так как полумуфта 25 разобщает шестерни 7 и 8, включается пара шестерен II.
Крутящий момент от первичного вала 2 передается полумуфтой 24 на шестерню 11, далее на шестерню 8, затем, как на предыдущей передаче. На лучевой диаграмме этой передаче так же соответствуют три луча, но вместо луча I представлен луч II.
Третья передача
Изменяем положения муфт А и В, муфта А возвращается в положение, соответствующее первой передаче, а муфта В соединяет с вторичным валом 3 шестерню 11.
До шестерен промежуточного вала крутящий момент передается, как на первой передаче, далее по паре шестерен II (8-11), муфте 27 на вторичный вал 3, затем, как на предыдущих передачах.
На лучевой диаграмме этой передаче соответствуют лучи I, II и Ub ah, направленные от т.0 к т.3.
Четвертая передача
Перемещаем муфту А в левое положение – обе муфты соединены с шестерней 11.
Крутящий момент от первичного вала 2 передается на вторичный вал 3 напрямую по полумуфте 24, шестерне 11 и муфте 27, затем, как на предыдущих передачах.
На лучевой диаграмме этой передаче соответствует один луч Ub ah, направленный из т.0 к т.4.
Пятая передача
Возвращаем муфты А и В в состояние, соответствующее первой передаче, а муфту С перемещаем в положение III. Зубчатый венец 31 выходит из соединения с зубчатым венцом 21 корпуса эпициклического колеса 16 и находится в правом (выключенном) положении, муфта 28 левым и средним внутренними венцами соединяет правую часть зубчатого венца 19 водила 15 с зубчатым венцом 18 эпициклического колеса 16. При фиксированном соединении относительно друг друга двух звеньев ПМ он блокируется – все три звена вращаются с одинаковой частотой. Это состояние ПМ на лучевой диаграмме представлено вертикальными лучами – U=1,0.
Крутящий момент до ПМ передается, как на первой передаче, затем напрямую по ПМ и далее зубчатыми венцами 18 и 19, муфтой переключения 28 на зубчатый венец 20 и выходной вал агрегата 5.
На лучевой диаграмме эта передача представлена тремя лучами: два первых луча I и III соответствуют первой передаче, а третий луч направлен вертикально вверх к т.5.
Шестая передача
Переключаем муфту А в левое положение.
Крутящий момент до ПМ передается, как на второй передаче, а далее – как на предыдущей.
На лучевой диаграмме этой передаче соответствуют лучи II, III и U=1,0.
Седьмая передача
Изменяем положение муфт А и В в положение третьей передачи.
До ПМ крутящий момент передается, как на третьей передаче, далее – как на двух последних передачах. На лучевой диаграмме луч I с наклоном направо вниз и лучи II и U=1,0 характеризуют эту передачу.
Восьмая передача – прямая
Передвигаем муфту А налево.
До ПМ крутящий момент передается, как на четвертой передаче, затем – как на трех последних передачах.
На лучевой диаграмме эта передача представлена одним вертикальным лучом U=1,0 от т.0 к т.8.
Передачи заднего хода обеспечиваются ПМ при переключении муфты С в положение I – при этом зубчатый венец 31 от муфты С соединяет зубчатый венец 22 водила 15 с зубчатым венцом 23 корпуса агрегата 1 и останавливает водило, муфта 28 средним зубчатым венцом (см. фиг.1 вверху справа) соединяет зубчатый венец 18 эпициклического колеса 16 с зубчатым венцом 20 выходного вала агрегата 5. ПМ работает в режиме Uh ab=-К, солнечная шестерня 13 сателлитами 14, установленными на осях остановленного водила 15, медленно вращает эпициклическое колесо 16 и выходной вал агрегата 5 в противоположном направлении.
Первый задний ход – 1R
Устанавливаем муфты А и В в положение первой передачи для движения вперед, а муфту С – в положение I (см. фиг.2, таблица внизу справа).
До ПМ крутящий момент передается, как на первой передаче переднего хода, далее от солнечной шестерни 13 сателлитами 14 на эпициклическое колесо 16, затем по трубчатому валу 17, зубчатому венцу 18, муфте 28, зубчатому венцу 20 на выходной вал агрегата 5.
На лучевой диаграмме эта передача заднего хода представлена тремя лучами: I, III и Uh ab=-К от т.0 к т.1R.
Второй задний ход – 2R
Переключаем муфту А в левое положение.
Крутящий момент до ПМ передается, как на второй передаче переднего хода, затем, как на предыдущей передаче.
На лучевой диаграмме этой передаче соответствуют три луча: II, III и Uh ab=-К.
Третий задний ход – 3R
Изменяем положения муфт А и В.
До ПМ крутящий момент поступает, как на третьей передаче переднего хода, далее, как на двух последних передачах.
На лучевой диаграмме три луча I, II и и Uh ab=-К характеризуют эту передачу.
Четвертый задний ход – 4R
Перемещаем муфту А в левое положение.
До ПМ крутящий момент передается напрямую, как на четвертой передаче переднего хода, затем, как на последних передачах.
Пологий луч Uh ab=-К от т.0 до T.4R представляет эту передачу.
При изменении параметров шестерен внешнего зацепления и ПМ распределение передач и наклон лучей тоже изменятся.
Формула изобретения
Соосная вально-планетарная коробка передач, содержащая корпус агрегата, в котором расположены трехвальный соосный редуктор с тремя парами взаимозацепленных шестерен внешнего зацепления, две шестерни на промежуточном валу объединены в блок, шестерни на вторичном валу редуктора установлены свободно, между ними расположена муфта переключения передач, на выходе этого редуктора расположен простой трехзвенный планетарный механизм с водилом, сателлитами, эпициклическим колесом и солнечной шестерней, закрепленной на вторичном валу, первичный, вторичный валы редуктора, выходной вал водила и выходной вал агрегата расположены соосно, водило и корпус эпициклического колеса имеют рядом расположенные зубчатые венцы, трубчатый вал корпуса эпициклического колеса, выходной вал водила и выходной вал агрегата имеют рядом расположенные зубчатые венцы, на зубчатом венце выходного вала агрегата установлена муфта переключения, которая вилкой переключения взаимосвязана с ползуном, отличающаяся тем, что шестерня на первичном валу закреплена, она находится в зацеплении с шестерней, имеющей зубчатый венец увеличенной ширины, свободно установленной на промежуточном валу, шестерня вторичного вала также имеет зубчатый венец увеличенной ширины рядом с зубчатым венцом шестерни первичного вала, на этих зубчатых венцах расположена полумуфта переключения передач, взаимосвязанная вилкой переключения с другой полумуфтой, установленной на зубчатых венцах шестерен промежуточного вала, зубчатый венец выходного вала водила двухпозиционный, зубчатый венец выходного вала агрегата трехпозиционный, муфта переключения на этом венце имеет три внутренних зубчатых венца, на ползуне муфты переключения жестко закреплен зубчатый венец с внутренним и внешним зацеплением, внешнее зацепление которого связано с трехпозиционным зубчатым венцом корпуса агрегата.
РИСУНКИ
MM4A – Досрочное прекращение действия патента СССР или патента Российской Федерации на изобретение из-за неуплаты в установленный срок пошлины за поддержание патента в силе
Дата прекращения действия патента: 09.08.2008
Извещение опубликовано: 10.07.2010 БИ: 19/2010
|
|