|
(21), (22) Заявка: 2005126939/11, 25.08.2005
(24) Дата начала отсчета срока действия патента:
25.08.2005
(46) Опубликовано: 20.03.2007
(56) Список документов, цитированных в отчете о поиске:
RU 2217325 С1, 27.11.2003. RU 2196689 C1, 20.01.2003. RU 2177882 С2, 10.01.2002.
Адрес для переписки:
625000, г.Тюмень, ул. Володарского, 38, ТюмГНГУ, патентно-информационный отдел
|
(72) Автор(ы):
Некрасов Владимир Иванович (RU)
(73) Патентообладатель(и):
Государственное образовательное учреждение высшего профессионального образования “Тюменский государственный нефтегазовый университет” (RU)
|
(54) МНОГОСТУПЕНЧАТАЯ СООСНАЯ ВАЛЬНО-ДВУХПЛАНЕТАРНАЯ КОРОБКА ПЕРЕДАЧ
(57) Реферат:
Изобретение относится к транспортному машиностроению и может быть использовано в автомобилях, тракторах, дорожно-строительной технике и т.д. В коробке передач шестерня 11 объединена с первичным валом 2. Дополнительный простой трехзвенный планетарный механизм (ПМ) имеет два зубчатых венца, зубчатый венец 22 перегородки корпуса агрегата 1 и муфту переключения 23. Основной ПМ имеет зубчатые венцы 31, 32 водила 25 и корпуса эпициклического колеса 26 напротив зубчатого венца корпуса агрегата. Зубчатые венцы 28, 29, 30 трубчатого вала 27 корпуса эпициклического колеса 26, выходного вала водила 25 и выходного вала 6 агрегата расположены рядом. Муфта переключения D вилкой 39 и ползуном 40 соединена с зубчатым венцом 41, имеющим внутреннее и внешнее зацепления, расположенным на зубчатом венце 33 корпуса агрегата. Технический результат – расширение эксплуатационных возможностей транспортного средства. 2 ил.
Изобретение относится к транспортному машиностроению, в частности к трансмиссии транспортных машин.
Известны агрегаты трансмиссии со ступенчатым изменением передаточных чисел, содержащие шестерни, валы, опоры, устройства переключения передач, применяемые на отечественных и зарубежных автомобилях. (Автомобили: Конструкция, конструирование и расчет. Трансмиссия. / Под ред. А.И.Гришкевича. Мн.: Выш. шк., 1985. – 240 с.).
Эти агрегаты конструктивно сложны, металлоемки.
Наиболее близкой к предлагаемой многоступенчатой вальнодвухпланетарной коробке передач (МКП) является КП по патенту RU 2217325 С1 (Бюл. №33 от 27.11.2003).
Коробка передач содержит корпус агрегата, в котором расположены трехвальный соосный редуктор с тремя парами взаимозацепленных шестерен внешнего зацепления, шестерни на первичном и вторичном валах редуктора установлены свободно, между ними расположены две муфты переключения передач, шестерни на промежуточном валу объединены в блок, на выходе агрегата расположен простой трехзвенный планетарный механизм с водилом, сателлитами, эпициклическим колесом и солнечной шестерней, закрепленной на вторичном валу, первичный, вторичный валы редуктора, выходной вал водила и выходной вал агрегата расположены соосно, корпус трехвального редуктора, трубчатый вал водила и корпус эпициклического колеса имеют рядом расположенные зубчатые венцы, корпус эпициклического колеса с другой стороны, выходной вал водила и выходной вал агрегата имеют рядом расположенные зубчатые венцы, на зубчатом венце выходного вала агрегата установлена муфта переключения, которая имеет два внутренних зубчатых венца, она вилкой переключения и ползуном подвижно взаимосвязана с муфтой переключения, имеющей два внутренних зубчатых венца, установленной на зубчатом венце корпуса редуктора.
Описанная КП проще типовых конструкций трансмиссионных агрегатов, приведенных в книге, но имеет ограниченные эксплуатационные возможности при использовании на большегрузных транспортных средствах с высокомоментными двигателями, так как не обеспечивает достаточный диапазон передаточных чисел (отношение передаточных чисел низшей передачи к высшей), затруднено переключение передач при изменении направления движения, так как между поддиапазонами заднего хода и низших передач расположен поддиапазон высших передач, усложнена конструкция муфты переключения останавливающей водило или эпициклическое колесо относительно корпуса редуктора, из-за увеличенного размера шестерни свободно установленной на первичном валу, ограничена величина передаточного числа в зацеплении.
Задача, на решение которой направлено заявляемое изобретение, заключается в расширении эксплуатационных возможностей транспортного средства за счет возможности трансформирования больших крутящих моментов, расширения диапазона передаточных чисел и увеличения числа передач, оптимизации переключения передач при упрощении конструкции и снижении металлоемкости узлов трансмиссионного агрегата.
Поставленная задача решается за счет достижения технического результата, который заключается в применении дополнительного планетарного механизма (ПМ), росте числа передач и увеличении диапазона передаточных чисел, как вального редуктора, так и агрегата в целом, при снижении габаритов и металлоемкости его узлов, усовершенствовании механизма переключения передач основного планетарного механизма.
Указанный технический результат достигается тем, что многоступенчатая соосная вальнодвухпланетарная коробка передач содержит корпус агрегата, в котором расположены трехвальный соосный редуктор с тремя парами взаимозацепленных шестерен внешнего зацепления, две шестерни на промежуточном валу объединены в блок, шестерни на вторичном валу редуктора установлены свободно, между ними расположена муфта переключения передач, на выходе агрегата расположен основной простой трехзвенный планетарный механизм с водилом, сателлитами, солнечной шестерней и эпициклическим колесом, первичный, вторичный валы редуктора, выходной вал водила и выходной вал агрегата расположены соосно, водило и корпус эпициклического колеса имеют рядом расположенные зубчатые венцы, трубчатый вал корпуса эпициклического колеса, выходной вал водила и выходной вал агрегата имеют рядом расположенные зубчатые венцы, на зубчатом венце выходного вала агрегата установлена муфта переключения, которая вилкой переключения взаимосвязана с ползуном, шестерня на первичном валу закреплена, она находится в зацеплении с шестерней, имеющей зубчатый венец увеличенной ширины, свободно установленной на промежуточном валу, шестерня вторичного вала также имеет зубчатый венец увеличенной ширины рядом с зубчатым венцом шестерни первичного вала, на этих зубчатых венцах расположена полумуфта переключения передач, взаимосвязанная вилкой переключения с другой полумуфтой, установленной на зубчатых венцах шестерен промежуточного вала, зубчатый венец выходного вала водила двухпозиционный, зубчатый венец выходного вала агрегата трехпозиционный, муфта переключения на этом венце имеет три внутренних зубчатых венца, на ползуне муфты переключения жестко закреплен зубчатый венец с внутренним и внешним зацеплением, внешнее зацепление которого связано с трехпозиционным зубчатым венцом корпуса агрегата, между соосным вальным редуктором и основным трехзвенным планетарным механизмом установлен дополнительный трехзвенный планетарный механизм, у него солнечная шестерня закреплена на выходе вторичного вала, на выходном валу водила закреплены зубчатый венец и солнечная шестерня основного планетарного механизма, зубчатый венец трубчатого вала эпициклического колеса расположен между зубчатыми венцами выходного вала водила и перегородки корпуса агрегата, на этих зубчатых венцах расположена муфта переключения.
Дополнительный трехзвенный планетарный механизм удваивает число передач и позволяет существенно увеличить диапазон МКП, так как обладает высокой несущей способностью (может трансформировать большие крутящие моменты); шестерня, свободно установленная на первичном валу, имела увеличенный диаметр, она ограничивала диапазон передаточных чисел вального редуктора, увеличивала его габариты и металлоемкость за счет роста межосевого расстояния. Планетарный механизм (ПМ) коробки передач прототипа обеспечивал три режима работы, но не в оптимальном режиме, при переходе с низшей передачи на задний ход надо переходить через положение высших передач; для переключения передач требовалось две муфты с подвижным соединением между ними.
Предлагаемое техническое решение позволяет увеличить передаваемый крутящий момент, диапазон передаточных чисел и удвоить число передач за счет дополнительного трехзвенного планетарного механизма с зубчатыми венцами на выходном валу водила, трубчатом валу эпициклического колеса и перегородке корпуса агрегата с муфтой переключения, снизить габариты и металлоемкость вального редуктора за счет объединения шестерни с первичным валом, упростить механизм переключения передач за счет применения зубчатого венца с внутренним и внешним зацеплением вместо муфты переключения и реализовать три режима работы ПМ с оптимальным режимом переключения передач: I-Uh ab=-К; II-Ub ah=К+1; III-U(bh)=1 при установке двухпозиционного зубчатого венца выходного вала водила и трехпозиционного зубчатого венца выходного вала агрегата.
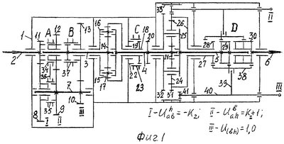
На фиг.1 изображена схема МКП, на фиг.2 – лучевая диаграмма и таблицы положения муфт переключения на различных передачах переднего хода (вверху) и заднего хода (внизу).
Вертикальный луч соответствует передаточному числу, равному единице. Чем больше наклон луча, тем выше величина передаточного числа. В логарифмическом масштабе наклон луча постоянный на любом участке лучевой диаграммы. Лучи пар шестерен внешнего зацепления обозначены I, II, III; а лучи, характеризующие режимы работы планетарных механизмов, – U=1,0; Ub ah и Uh ab.
В опорах корпуса агрегата 1 соосно расположены первичный вал 2, вторичный вал 3, выходной вал водила дополнительного ПМ 4, выходной вал водила основного ПМ 5 и выходной вал агрегата 6. Параллельно им установлен промежуточный вал 7, на котором свободно установлена шестерня 8 и закреплен блок шестерен внешнего зацепления 9 и 10. Эти шестерни взаимозацеплены соответственно с шестернями внешнего зацепления 11, 12 и 13, шестерня 11 закреплена на первичном валу 2 (изготовлена заодно с ним), шестерни 12 и 13 свободно установлены на вторичном валу 3. На вторичном валу 3 закреплена солнечная шестерня 14 дополнительного ПМ, которая зацеплена с сателлитами 15, установленными на осях водила 16 и зацепленными с эпициклическим колесом 17. Трубчатым валом 18 корпус эпициклического колеса 17 соединен с зубчатым венцом 19. На выходном валу водила 4 рядом с зубчатым венцом 19 закреплены зубчатый венец 20 и солнечная шестерня 21 основного ПМ. На перегородке корпуса агрегата 1 рядом с зубчатым венцом 19 закреплен зубчатый венец 22, на этих зубчатых венцах установлена муфта переключения 23 (С). Солнечная шестерня 21 основного ПМ зацеплена с сателлитами 24, установленными на осях водила 25 и зацепленными с эпициклическим колесом 26. Трубчатым валом 27 корпус эпициклического колеса 26 соединен с однопозиционным зубчатым венцом 28. На выходном валу водила 5 основного планетарного механизма рядом с зубчатым венцом 28 закреплен двухпозиционный зубчатый венец 29. На выходном валу агрегата 6 рядом с зубчатыми венцами 28 и 29 закреплен трехпозиционный зубчатый венец 30. На наружной поверхности корпуса эпициклического колеса 26 расположен зубчатый венец 31. Рядом с зубчатым венцом 31 расположен зубчатый венец 32 водила 25. Трехпозиционный зубчатый венец 33 закреплен на корпусе агрегата 1 напротив зубчатых венцов 31 и 32. Муфта переключения (А) состоит из двух полумуфт 34 и 35, соединенных вилкой переключения 36, они установлены соответственно между шестернями 11-12 и 8-9. Муфта 37 (В) установлена на ступице вторичного вала 3 между шестернями 12 и 13. Муфта (D) 38 расположена на зубчатом венце 30 выходного вала агрегата 6. Вилка переключения 39 ползуном 40 подвижно соединена с муфтой переключения 38, на внутреннем конце ползуна 40 закреплен зубчатый венец 41 с внутренним и внешним зацеплениями.
Работа КП осуществляется следующим образом.
Первая передача
Полумуфта 34 и муфта переключения (В) 37 находятся в правом положении (П) – (см. фиг.2 таблица вверху справа), муфта переключения С (23) – в левом положении (Л), муфта переключения D (38) – в среднем положении (II). В этом случае (см. фиг.1) полумуфта 34 разъединяет шестерню 12 от первичного вала 2, полумуфта 35 соединяет шестерню 8 с шестерней 9 промежуточного вала 7, муфта В (37) соединяет шестерню 13 с вторичным валом 3. Муфта С (23) соединяет зубчатый венец 19 трубчатого вала 18 эпициклического колеса 17 дополнительного ПМ с зубчатым венцом 22 перегородки корпуса агрегата 1, дополнительный ПМ находится в режиме с передаточным числом Ub ah=K1+1. Зубчатый венец 41 соединяет зубчатые венцы 33 корпуса агрегата 1 и 31 корпуса эпициклического колеса 26 основного ПМ, муфта D (38) средним внутренним венцом (см. фиг.1 вверху справа) соединяет зубчатый венец 29 выходного вала водила 5 с зубчатым венцом 30 выходного вала агрегата 6. Основной ПМ находится в режиме с передаточным числом Ub ah=K2+1. Верхний символ указывает на остановленное звено – b, нижние символы – на звенья входа (а – солнечная шестерня) и выхода (h – водило) крутящего момента, К – внутренний параметр ПМ, равный отношению чисел зубьев эпициклического колеса и солнечной шестерен – для приведенного на лучевой диаграмме варианта исполнения для дополнительного ПМ – К1=1,5; для основного ПМ – K2=5,3.
Крутящий момент от первичного вала 2 и шестерни 11 передается на шестерню 8 (пара шестерен I), полумуфтой 35 передается на шестерню 9, по промежуточному валу 7 на шестерню 10, далее на шестерню 13 (пара шестерен III). От шестерни 13 муфтой переключения В (37) крутящий момент передается на вторичный вал 3 и солнечную шестерню 14 дополнительного ПМ. Солнечная шестерня 14 вращает сателлиты 15, которые, обкатываясь по остановленному эпициклическому колесу 17, передают увеличенный крутящий момент на водило 16, выходной вал водила 4, солнечную шестерню 21 основного ПМ. Солнечная шестерня 21 вращает сателлиты 24, которые, обкатываясь по остановленному эпициклическому колесу 26, передают еще более увеличенный крутящий момент на выходной вал водила 5, зубчатый венец 29, муфту переключения D (38), зубчатый венец 30 и выходной вал агрегата 6.
На лучевой диаграмме этой передаче соответствуют четыре последовательно соединенных луча: из т.0 на второй снизу шкале слева (см. фиг.2) луч I направо вниз, затем луч III направо вверх и далее пологие лучи Ub ah к т.1 справа на верхней шкале.
Вторая передача
Перемещаем муфту А в левое положение – полумуфта 34 соединяет шестерни 11 и 12, полумуфта 35 разъединяет шестерни 8 и 9, при этом включаются в работу пары шестерен II и III.
Крутящий момент от первичного вала 2 передается полумуфтой 34 на шестерню 12, далее на шестерню 9 (пара шестерен II), по промежуточному валу 7 на шестерню 10, от нее на шестерню 13 (пара шестерен III), по муфте 37 на вторичный вал 3, затем как на предыдущей передаче.
На лучевой диаграмме этой передаче соответствуют четыре луча: II – направо вниз, III – направо вверх и два луча Ub ah – также направо вверх к т.2.
Третья передача
Переключаем муфту А из левого положения в правое, а муфту В – в левое – полумуфта 34 разъединяет шестерню 11 с шестерней 12, муфта В (37) соединяет шестерню 12 с вторичным валом 3, при этом включаются в работу пары шестерен I и II.
От первичного вала 2 крутящий момент передается на пару шестерен 11-8, далее по полумуфте 35, шестерням 9-12 и муфте В на вторичный вал 3, затем как на предыдущих передачах.
На лучевой диаграмме этой передаче соответствуют лучи I, II и Ub ah, направленные от т.0 к т.3.
Четвертая передача
Перемещаем муфту А в левое положение – получаем прямую передачу в вальном редукторе.
Крутящий момент от первичного вала 2 передается полумуфтой 34 на шестерню 12, муфтой 37 на вторичный вал 3, далее как на предыдущих передачах.
На лучевой диаграмме этой передаче соответствует два луча Ub ah, направленные из т.0 к т.4.
Пятая передача
Переключаем муфты А, В и С из левого положения в правое. Муфты А и В возвращают вальный редуктор в положение первой передачи. Муфта С (23) выходит из зацепления с зубчатым венцом 22 перегородки корпуса агрегата 1 и соединяет зубчатый венец 19 трубчатого вала 18 эпициклического колеса 17 с зубчатым венцом 20 выходного вала 4 водила 16, при этом дополнительный ПМ блокируется.
Крутящий момент от первичного вала 2 муфтой А передается на пару шестерен I, по промежуточному валу 7, паре шестерен 10-13 и муфте 37 на вторичный вал 3, по заблокированному дополнительному ПМ на солнечную шестерню 21 основного ПМ и далее как на предыдущих передачах.
Четыре луча: I, III, U=1,0 и Ub ah от т.0 к т.5 представляют эту передачу.
Шестая передача
Переключаем муфту А в левое положение – заменяем пару шестерен I на пару шестерен II.
До вторичного вала 3 крутящий момент передается как на второй передаче, затем как на предыдущей передаче.
Лучи II, III, U=1,0 и Ub ah от т.0 до т.6 соответствуют этой передаче.
Седьмая передача
Переключаем муфту А в правое положение, а муфту В – в левое.
Крутящий момент передается до вторичного вала 3, как на третьей передаче, затем как на предыдущей передаче.
Лучи I, II, U=1,0 и Ub ah соответствуют этой передаче.
Восьмая передача.
Переключаем муфту А в левое положение – пары шестерен соосного редуктора выключены из работы.
Крутящий момент от первичного вала 2 передается напрямую на вторичный вал 3, далее как на предыдущих передачах.
На лучевой диаграмме эта передача представлена лучами U=1,0 и Ub ah из т.0 к т.8.
Девятая передача
Муфты А, В и С возвращаем в положение первой передачи, а муфту D и зубчатый венец 41 ползуном 40 перемещаем в правое положение III (см. фиг.1 внизу справа). При фиксированном соединении относительно друг друга двух звеньев основного ПМ он блокируется – все три звена вращаются с одинаковой частотой. Это состояние ПМ на лучевой диаграмме представлено вертикальными лучами – U=1,0.
Крутящий момент до основного ПМ передается, как на первой передаче, затем напрямую по основному ПМ и далее зубчатыми венцами 28 и 29, муфтой переключения 38 на зубчатый венец 30 и выходной вал агрегата 6.
На лучевой диаграмме эта передача представлена четырьмя лучами: три первых луча I, III и Ub ah соответствуют первой передаче, а четвертый луч направлен вертикально вверх к т.9.
Десятая передача
Переключаем муфту А в левое положение – муфты вального редуктора и дополнительного ПМ находятся в состоянии второй передачи.
Крутящий момент до основного ПМ передается, как на второй передаче, а далее – как на предыдущей передаче.
На лучевой диаграмме этой передаче соответствуют лучи II, III, Ub ah и U=1,0.
Одиннадцатая передача
Перемещаем муфту А направо и муфту В влево – в положение третьей передачи.
До основного ПМ крутящий момент передается
как на третьей передаче, далее – как на двух последних передачах.
На лучевой диаграмме луч I с наклоном направо вниз, луч II – налево вверх, пологий луч Ub ah направо вверх и луч U=1,0 вертикально вверх характеризуют эту передачу.
Двенадцатая передача
Переключаем муфту А в левое положение, первые три муфты в левом положении, соответствующем четвертой передаче.
До основного ПМ крутящий момент передается, как на четвертой передаче, далее как на предыдущих передачах.
На лучевой диаграмме лучи Ub ah и U=1,0 представляют эту передачу.
Тринадцатая передача
Перемещаем три муфты направо – в положение пятой передачи. Муфта С блокирует дополнительный ПМ.
До основного ПМ крутящий момент передается, как на пятой передаче, далее по заблокированному основному ПМ, как на предыдущих передачах.
Лучи I, III и два луча U=1,0 характеризуют эту передачу.
Четырнадцатая передача
Переключаем муфту А налево.
До основного ПМ крутящий момент передается, как на шестой передаче, далее как на предыдущих передачах.
Лучи II, III и два луча U=1,0 соответствуют этой передаче.
Пятнадцатая передача
Переключаем муфту А направо, а муфту В налево.
Крутящий момент до основного ПМ передается, как на седьмой передаче, далее как на предыдущих передачах.
Лучи I, II и два луча U=1,0 представляют эту передачу.
Шестнадцатая передача – прямая
Передвигаем муфту А налево.
До основного ПМ крутящий момент передается, как на восьмой передаче, затем – как на последних передачах.
На лучевой диаграмме эта передача представлена двумя вертикальными лучами U=1,0 от т.0 к т.16.
Передачи заднего хода обеспечиваются основным ПМ при переключении зубчатого венца 41 и муфты D в положение I – при этом зубчатый венец 41 соединяет зубчатый венец 32 водила 25 основного ПМ с зубчатым венцом 33 корпуса агрегата 1 и останавливает водило, муфта 38 средним внутренним венцом соединяет зубчатый венец 28 трубчатого вала 27 эпициклического колеса 26 с зубчатым венцом 30 выходного вала агрегата 6. Основной ПМ работает в режиме Ub ah=-К2, солнечная шестерня 21 сателлитами 24, установленными на осях остановленного водила 25, медленно вращает эпициклическое колесо 26 и выходной вал агрегата 6 в противоположном направлении.
Первый задний ход – 1R
Устанавливаем муфты А, В и С в положение первой передачи для движения вперед, а муфту D – в положение I (см. фиг.2 таблица внизу справа).
До основного ПМ крутящий момент передается, как на первой передаче переднего хода, далее от солнечной шестерни 21 сателлитами 24 на эпициклическое колесо 26, затем по трубчатому валу 27, зубчатому венцу 28, муфте 38, зубчатому венцу 30 на выходной вал агрегата 6.
На лучевой диаграмме эта передача заднего хода представлена четырьмя лучами: I, III, Ub ah и Ub ah=-К2 от т.0 к т.1R.
Второй задний ход – 2R
Переключаем муфту А в левое положение.
Крутящий момент до основного ПМ передается, как на второй передаче переднего хода, затем как на предыдущей передаче.
На лучевой диаграмме этой передаче соответствуют четыре луча: II, III, Ub ah и Uh ab=-К2.
Третий задний ход – 3R
Переключаем муфту А в правое положение и муфту В в левое положение.
До основного ПМ крутящий момент поступает, как на третьей передаче переднего хода, далее как на двух последних передачах.
На лучевой диаграмме четыре луча: I, II, Ub ah и Uh ab=-К2 характеризуют эту передачу.
Четвертый задний ход – 4R
Перемещаем муфту А в левое положение.
До основного ПМ крутящий момент передается, как на четвертой передаче переднего хода, затем как на последних передачах.
Пологие лучи Ub ah и Uh ab=-К2 от т.0 до т.4R представляют эту передачу.
Пятый задний ход – 5R
Перемещаем все три муфты редуктора из левого положения в правое.
Крутящий момент до основного ПМ передается, как на пятой передаче переднего хода и далее как на предыдущих передачах.
Лучи I, III, U=1,0 и Uh ab=-К2 соответствуют этой передаче.
Шестой задний ход – 6R
Переключаем муфту А в левое положение.
Крутящий момент до основного ПМ передается, как на шестой передаче переднего хода, далее как на предыдущих передачах.
Лучи II, III, U=1,0 и Uh ab=-К2 соответствуют этой передаче.
Седьмой задний ход – 7R
Переключаем муфту А направо, а муфту В налево.
До основного ПМ крутящий момент передается, как на седьмой передаче переднего хода, затем как на последних передачах.
Лучи I, II, U=1,0 и Uh ab=-K2 соответствуют этой передаче.
Восьмой задний ход – 8R
Перемещаем муфту А в левое положение.
Крутящий момент по вальному редуктору и дополнительному ПМ передается напрямую и преобразуется только в ПМ.
На лучевой диаграмме лучи U=1,0 и Uh ab=-К2 соответствуют этой передаче.
При изменении параметров шестерен внешнего зацепления и ПМ распределение передач и наклон лучей тоже изменятся.
Формула изобретения
Многоступенчатая соосная вально-двухпланетарная коробка передач, содержащая корпус агрегата, в котором расположены трехвальный соосный редуктор с тремя парами взаимозацепленных шестерен внешнего зацепления, две шестерни на промежуточном валу объединены в блок, шестерни на вторичном валу редуктора установлены свободно, между ними расположена муфта переключения передач, на выходе агрегата расположен основной простой трехзвенный планетарный механизм с водилом, сателлитами, солнечной шестерней и эпициклическим колесом, первичный, вторичный валы редуктора, выходной вал водила и выходной вал агрегата расположены соосно, водило и корпус эпициклического колеса имеют рядом расположенные зубчатые венцы, трубчатый вал корпуса эпициклического колеса, выходной вал водила и выходной вал агрегата имеют рядом расположенные зубчатые венцы, на зубчатом венце выходного вала агрегата установлена муфта переключения, которая вилкой переключения взаимосвязана с ползуном, отличающаяся тем, что шестерня на первичном валу закреплена, она находится в зацеплении с шестерней, имеющей зубчатый венец увеличенной ширины, свободно установленной на промежуточном валу, шестерня вторичного вала также имеет зубчатый венец увеличенной ширины рядом с зубчатым венцом шестерни первичного вала, на этих зубчатых венцах расположена полумуфта переключения передач, взаимосвязанная вилкой переключения с другой полумуфтой, установленной на зубчатых венцах шестерен промежуточного вала, зубчатый венец выходного вала водила двухпозиционный, зубчатый венец выходного вала агрегата трехпозиционный, муфта переключения на этом венце имеет три внутренних зубчатых венца, на ползуне муфты переключения жестко закреплен зубчатый венец с внутренним и внешним зацеплением, внешнее зацепление которого связано с трехпозиционным зубчатым венцом корпуса агрегата, между соосными вальным редуктором и основным трехзвенным планетарным механизмом установлен дополнительный трехзвенный планетарный механизм, у него солнечная шестерня закреплена на выходе вторичного вала, на выходном валу водила закреплены зубчатый венец и солнечная шестерня основного планетарного механизма, зубчатый венец трубчатого вала эпициклического колеса расположен между зубчатыми венцами выходного вала водила и перегородки корпуса агрегата, на этих зубчатых венцах расположена муфта переключения.
РИСУНКИ
MM4A – Досрочное прекращение действия патента СССР или патента Российской Федерации на изобретение из-за неуплаты в установленный срок пошлины за поддержание патента в силе
Дата прекращения действия патента: 26.08.2008
Извещение опубликовано: 27.07.2010 БИ: 21/2010
|