|
(21), (22) Заявка: 2005126936/11, 25.08.2005
(24) Дата начала отсчета срока действия патента:
25.08.2005
(46) Опубликовано: 20.03.2007
(56) Список документов, цитированных в отчете о поиске:
RU 2025304 C1, 30.12.1994. SU 2177882 С2, 10.01.2002. SU 1146217 А, 23.03.1985.
Адрес для переписки:
625000, г.Тюмень, ул. Володарского, 38, ТюмГНГУ, патентно-информационный отдел
|
(72) Автор(ы):
Некрасов Владимир Иванович (RU)
(73) Патентообладатель(и):
Государственное образовательное учреждение высшего профессионального образования “Тюменский государственный нефтегазовый университет” (RU)
|
(54) НЕСООСНАЯ ВАЛЬНО-ПЛАНЕТАРНАЯ КОРОБКА ПЕРЕДАЧ
(57) Реферат:
Изобретение относится к транспортному машиностроению, в частности к трансмиссии транспортных машин. На вторичном валу 3 коробки передач свободно установлены шестерня 11 и блок шестерен 9-10. На ступице вторичного вала 3 между этой шестерней 11 и блоком шестерен 9-10 расположена муфта переключения 24(В). Две шестерни 7-8 на первичном валу 2 объединены в блок и расположены напротив муфты переключения вторичного вала 3. Зубчатый венец 18 выходного вала 4 водила 14 двухпозиционный. Зубчатый венец 19 выходного вала 5 агрегата 1 трехпозиционный. Муфта переключения 25(С) на этом венце имеет три внутренних зубчатых венца. На ползуне 27 муфты переключения 25(С) жестко закреплен зубчатый венец 28 с внутренним и внешним зацеплением, внешнее зацепление которого связано с трехпозиционным зубчатым венцом корпуса агрегата. Технический результат – улучшение эксплуатационных возможностей транспортного средства за счет оптимального распределения передач по диапазону, усовершенствование механизма переключения передач и снижение металлоемкости агрегата. 2 ил.
Изобретение относится к транспортному машиностроению, в частности к трансмиссии транспортных машин.
Известны агрегаты трансмиссии со ступенчатым изменением передаточных чисел, содержащие шестерни, валы, опоры, устройства переключения передач, применяемые на отечественных и зарубежных автомобилях. (Автомобили: Конструкция, конструирование и расчет. Трансмиссия. / Под ред. А.И.Гришкевича. Мн.: Выш. шк., 1985. – 240 с.).
Эти агрегаты конструктивно сложны, металлоемки.
Наиболее близкой к предлагаемой коробке передач (КП) является КП по патенту RU 2025304 С1 (Бюл. №24 от 30.12.1994).
Коробка передач содержит корпус агрегата, в котором расположены двухвальный несоосный редуктор с двумя парами взаимозацепленных шестерен внешнего зацепления, шестерни на валах редуктора установлены свободно, между шестернями первичного вала расположена муфта переключения передач, шестерни на вторичном валу объединены в блок, на боковых сторонах блока установлены муфты переключения, на выходе двухвального редуктора расположен простой трехзвенный планетарный механизм с водилом, сателлитами, солнечной шестерней и эпициклическим колесом, вторичный вал редуктора с закрепленной на нем солнечной шестерней, трубчатые валы эпициклического колеса и водила, а также выходной вал агрегата расположены соосно, со стороны двухвального редуктора корпус агрегата, трубчатые валы корпуса эпициклического колеса и водила имеют рядом расположенные зубчатые венцы и муфту переключения, с другой стороны трубчатые валы корпуса эпициклического колеса и водила, вторичный вал редуктора и солнечной шестерни, а также выходной вал агрегата имеют рядом расположенные зубчатые венцы, на зубчатом венце выходного вала агрегата установлена муфта переключения, которая имеет два внутренних зубчатых венца.
Описанная КП проще типовых конструкций трансмиссионных агрегатов, приведенных в книге, обеспечивает достаточный диапазон передаточных чисел (отношение передаточных чисел низшей передачи к высшей), но имеет ограниченные эксплуатационные возможности из-за неоптимального (неравномерного) распределения передаточных чисел по диапазону, требует применения зубчатой пары с большим передаточным числом, что увеличивает габариты и металлоемкость агрегата, наличие нескольких трубчатых коаксиальных валов с каждой стороны планетарного механизма (ПМ) усложняет конструкцию агрегата и требует применения пяти муфт и ползунов переключения (пятиходовая КП).
Задача, на решение которой направлено заявляемое изобретение, заключается в расширении эксплуатационных возможностей транспортного средства за счет оптимального распределения передач по диапазону при упрощении процесса переключения передач, конструкции и снижении металлоемкости трансмиссионного агрегата.
Поставленная задача решается за счет достижения технического результата, который заключается в оптимизации распределения передаточных чисел диапазона при равных интервалах между передачами, снижении его габаритов и металлоемкости, усовершенствовании механизма переключения передач планетарного механизма.
Указанный технический результат достигается тем, что несоосная вальнопланетарная коробка передач содержит корпус агрегата, в котором расположены двухвальный несоосный редуктор с попарно взаимозацепленными шестернями внешнего зацепления, две шестерни на вторичном валу объединены в блок, напротив этого блока между шестернями первичного вала расположена муфта переключения передач, шестерни на валах редуктора установлены свободно, на выходе двухвального редуктора расположен простой трехзвенный планетарный механизм с водилом, сателлитами, солнечной шестерней и эпициклическим колесом, вторичный вал редуктора с закрепленной на нем солнечной шестерней, выходной вал водила и выходной вал агрегата расположены соосно, водило и корпус эпициклического колеса имеют рядом расположенные зубчатые венцы, трубчатый вал корпуса эпициклического колеса, выходной вал водила и выходной вал агрегата имеют рядом расположенные зубчатые венцы, на зубчатом венце выходного вала агрегата установлена муфта переключения, на вторичном валу свободно установлена шестерня, на ступице вторичного вала между этой шестерней и блоком шестерен расположена муфта переключения, аналогично две шестерни на первичном валу объединены в блок и расположены напротив муфты переключения вторичного вала, зубчатый венец выходного вала водила двухпозиционный, зубчатый венец выходного вала агрегата трехпозиционный, муфта переключения на этом венце имеет три внутренних зубчатых венца, на ползуне муфты переключения жестко закреплен зубчатый венец с внутренним и внешним зацеплением, внешнее зацепление которого связано с трехпозиционным зубчатым венцом корпуса агрегата.
Одна из зубчатых пар двухвального редуктора должна была обеспечивать большую величину передаточного числа, увеличивала его габариты и металлоемкость за счет роста межосевого расстояния. Планетарный механизм (ПМ) коробки передач прототипа обеспечивал пять режимов работы, что нарушало равномерное распределение передач по диапазону и усложняло конструкцию механизма переключения передач (пятиходовая КП), для переключения передач ПМ требовалось четыре муфты и несколько трубчатых валов для соединения звеньев ПМ с зубчатыми венцами для муфт переключения, две муфты переключения между вальным редуктором и ПМ увеличивали габариты и металлоемкость агрегата.
Предлагаемое техническое решение позволяет снизить габариты и металлоемкость агрегата за счет снижения межосевого расстояния двухвального редуктора при уменьшении величины передаточного числа пар шестерен, уменьшить длину агрегата при исключения из конструкции двух муфт переключения между двухвальным редуктором и ПМ, а также двух трубчатых валов водила, упростить механизм переключения передач за счет применения зубчатого венца с внутренним и внешним зацеплением вместо муфты переключения и реализовать три режима работы ПМ с оптимальным режимом переключения передач: I-Uh ab=-К; II-Ub ah=К+1; III-U(bh)=1 при установке двухпозиционного зубчатого венца выходного вала водила и трехпозиционного зубчатого венца выходного вала агрегата, что в целом существенно упрощает переключение передач – КП стала трехходовой вместо пятиходовой.
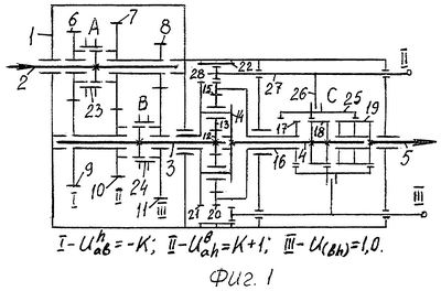
На фиг.1 изображена схема КП; на фиг.2 – лучевая диаграмма и таблицы положения муфт переключения на различных передачах переднего хода (вверху) и заднего хода (внизу).
Вертикальный луч соответствует передаточному числу, равному единице. Чем больше наклон луча, тем выше величина передаточного числа. В логарифмическом масштабе наклон луча постоянный на любом участке лучевой диаграммы. Лучи пар шестерен внешнего зацепления обозначены I, II, III; а лучи, характеризующие режимы работы планетарного механизма, – U=1,0; Ub ah и Uh ab.
При изменении параметров шестерен внешнего зацепления и ПМ распределение передач и наклон лучей изменятся.
В опорах корпуса агрегата 1 расположен первичный вал 2, параллельно ему установлены вторичный вал 3, выходной вал водила 4 и выходной вал агрегата 5. На первичном валу 2 свободно установлены шестерня 6 и блок шестерен внешнего зацепления 7 и 8. Эти шестерни взаимозацеплены соответственно с шестернями внешнего зацепления 9, 10 и 11, которые свободно установлены на вторичном валу 3, шестерни 9 и 10 объединены в блок. На вторичном валу 3 закреплена солнечная шестерня 12 планетарного механизма, которая зацеплена с сателлитами 13, установленными на осях водила 14 и зацепленными с эпициклическим колесом 15. Трубчатым валом 16 корпус эпициклического колеса 15 соединен с однопозиционным зубчатым венцом 17. На выходном валу водила 4 рядом с зубчатым венцом 17 закреплен двухпозиционный зубчатый венец 18. На выходном валу агрегата 5 рядом с зубчатыми венцами 17 и 18 закреплен трехпозиционный зубчатый венец 19. На наружной поверхности корпуса эпициклического колеса 15 расположен зубчатый венец 20. Рядом с зубчатым венцом 20 расположен зубчатый венец 21 водила 14. Трехпозиционный зубчатый венец 22 закреплен на корпусе агрегата 1 напротив зубчатых венцов 20 и 21. Муфта переключения 23 (А) установлена между шестернями 6 и 7 первичного вала 2. Муфта 24 (В) установлена на ступице вторичного вала 3 между шестернями 10 и 11. Муфта (С) 25 расположена на зубчатом венце 19 выходного вала агрегата 5. Вилка переключения 26 с ползуном 27 подвижно соединена с муфтой переключения 25, на внутреннем конце ползуна 27 закреплен зубчатый венец 28 с внутренним и внешним зацеплениями.
Работа КП осуществляется следующим образом:
Первая передача
Муфта переключения А (23) находится в левом положении (Л), а муфта В (24) находится в правом положении (П) – (см. фиг.2, таблица вверху справа), муфта переключения С (25) – в среднем положении (II). В этом случае (см. фиг.1) муфта А соединяет шестерню 6 с первичным валом 2, муфта В соединяет шестерню 11 с вторичным валом 3, муфта С (25) соединяет (см. фиг.1, вверху справа) зубчатый венец 18 выходного вала водила 4 с зубчатым венцом 19 выходного вала агрегата 5, вилкой переключения 26, ползуном 27 и зубчатым венцом 28 соединяет зубчатый венец 22 корпуса агрегата 1 с зубчатым венцом 20 и останавливает эпициклическое колесо 15 (b) относительно корпуса агрегата 1. Планетарный механизм (ПМ) находится в режиме с передаточным числом Ub ah=K+1. Верхний символ указывает на остановленное звено – b, нижние символы – на звенья входа (а – солнечная шестерня) и выхода (h – водило) крутящего момента, К – внутренний параметр ПМ, равный отношению чисел зубьев эпициклического колеса и солнечной шестерен, для приведенного на лучевой диаграмме варианта исполнения ПМ он равен 3.
Крутящий момент от первичного вала 2 шестерней 6 передается на шестерню 9 (пара шестерен I), по трубчатому валу блока на шестерню 10, от нее на шестерню 7 (пара шестерен II), по трубчатому валу блока на шестерню 8, от нее на шестерню 11 (пара шестерен III). От шестерни 11 муфтой переключения В (24) крутящий момент передается на вторичный вал 3 и солнечную шестерню 12. Солнечная шестерня 12 вращает сателлиты 13, которые, обкатываясь по остановленному эпициклическому колесу 15, передают увеличенный крутящий момент на водило 14, выходной вал водила 4, зубчатый венец 18, муфту переключения С (25), зубчатый венец 19 и выходной вал агрегата 5.
На лучевой диаграмме этой передаче соответствуют четыре последовательно соединенные луча: из т.0 на нижней шкале слева (см. фиг.2) луч I направо вверх, далее луч II направо вниз, затем луч III направо вверх и далее пологий луч (Ub ah=К+1) к т.1 справа на верхней шкале.
Вторая передача
Перемещаем муфту А в правое положение, при этом пары шестерен I и II выключаются из работы.
Крутящий момент от первичного вала 2 передается муфтой 23 по блоку шестерен на шестерню 8, далее на шестерню 11, затем как на предыдущей передаче. На лучевой диаграмме этой передаче соответствуют два луча: луч III направо вверх и далее пологий луч (Ub ah=К+1) к т.2 справа на верхней шкале.
Третья передача
Изменяем положения муфт А и В, муфта А возвращается в положение, соответствующее первой передаче, а муфта В соединяет с вторичным валом шестерню 9.
На шестерни 6 и 9 крутящий момент передается как на первой передаче, далее по муфте 24 на вторичный вал 3, затем как на предыдущих передачах.
На лучевой диаграмме этой передаче соответствуют лучи I и Ub ah, направленные от т.0 к т.3.
Четвертая передача
Перемещаем муфту А в правое положение.
Крутящий момент от первичного вала 2 передается на вторичный вал 3 по муфте 23, шестерням 7 и 10, муфте 24, затем как на предыдущих передачах.
На лучевой диаграмме этой передаче соответствует два луча: II и Ub ah, направленные из т.0 к т.4.
Пятая передача
Возвращаем муфты А и В в состояние, соответствующее первой передаче, а муфту С перемещаем в положение III. Зубчатый венец 28 выходит из соединения с зубчатым венцом 20 корпуса эпициклического колеса 15 и находится в правом (выключенном) положении, муфта 25 левым и средним внутренними венцами соединяет правую часть зубчатого венца 18 водила 14 с зубчатым венцом 17 эпициклического колеса 15 (см. фиг.1 внизу справа). При фиксированном соединении относительно друг друга двух звеньев ПМ он блокируется – все три звена вращаются с одинаковой частотой. Это состояние ПМ на лучевой диаграмме представлено вертикальными лучами – U=1,0.
Крутящий момент до ПМ передается как на первой передаче, затем напрямую по ПМ и далее зубчатыми венцами 17 и 18, муфтой переключения 25 на зубчатый венец 19 и выходной вал агрегата 5.
На лучевой диаграмме эта передача представлена четырьмя лучами: три первых луча I, II и III соответствуют первой передаче, а четвертый луч направлен вертикально вверх к т.5.
Шестая передача
Переключаем муфту А в правое положение.
Крутящий момент до ПМ передается как на второй передаче, а далее – как на предыдущей.
На лучевой диаграмме этой передаче соответствуют лучи III и U=1,0.
Седьмая передача
Изменяем положение муфт А и В в состояние третьей передачи.
До ПМ крутящий момент передается как на третьей передаче, далее – как на двух последних передачах. На лучевой диаграмме луч I с наклоном направо вверх и луч U=1,0 характеризуют эту передачу.
Восьмая передача
Передвигаем муфту А направо.
До ПМ крутящий момент передается как на четвертой передаче, затем – как на трех последних передачах.
На лучевой диаграмме эта передача представлена лучом II вверх налево и вертикальным лучом U=1,0 от т.0 к т.8.
Передачи заднего хода обеспечиваются ПМ при переключении муфты С в положение I, при этом зубчатый венец 28, передвинутый ползуном 27 муфты С, соединяет зубчатый венец 21 водила 14 с зубчатым венцом 22 корпуса агрегата 1 и останавливает водило, муфта 25 средним зубчатым венцом соединяет зубчатый венец 17 эпициклического колеса 15 с зубчатым венцом 19 выходного вала агрегата 5. ПМ работает в режиме Uh ab=-К, солнечная шестерня 12 сателлитами 13, установленными на осях остановленного водила 14, медленно вращает эпициклическое колесо 15 и выходной вал агрегата 5 в противоположном направлении.
Первый задний ход – 1R
Устанавливаем муфты А и В в положение первой передачи для движения вперед, а муфту С – в положение I (см. фиг.2, таблица внизу справа).
До ПМ крутящий момент передается как на первой передаче переднего хода, далее от солнечной шестерни 12 сателлитами 13 на эпициклическое колесо 15, затем по трубчатому валу 16, зубчатому венцу 17, муфте 25, зубчатому венцу 19 на выходной вал агрегата 5.
На лучевой диаграмме эта передача заднего хода представлена лучами: I, II, III и Uh ab=-К от т.0 к т.1R.
Второй задний ход – 2R
Переключаем муфту А в правое положение.
Крутящий момент до ПМ передается как на второй передаче переднего хода, затем как на предыдущей передаче.
На лучевой диаграмме этой передаче соответствуют два луча: III и Uh ab=-К.
Третий задний ход – 3R
Изменяем положения муфт А и В.
До ПМ крутящий момент поступает как на третьей передаче переднего хода, далее – как на двух последних передачах.
На лучевой диаграмме два луча I и Uh ab=-К характеризуют эту передачу.
Четвертый задний ход – 4R
Перемещаем муфту А в правое положение.
До ПМ крутящий момент передается как на четвертой передаче переднего хода, затем как на последних передачах.
На лучевой диаграмме два луча II и Uh ab=-К характеризуют эту передачу.
Формула изобретения
Несоосная вально-планетарная коробка передач, содержащая корпус агрегата, в котором расположены двухвальный несоосный редуктор с попарно взаимозацепленными шестернями внешнего зацепления, две шестерни на вторичном валу объединены в блок, напротив этого блока между шестернями первичного вала расположена муфта переключения передач, шестерни на валах редуктора установлены свободно, на выходе двухвального редуктора расположен простой трехзвенный планетарный механизм с водилом, сателлитами, солнечной шестерней и эпициклическим колесом, вторичный вал редуктора с закрепленной на нем солнечной шестерней, выходной вал водила и выходной вал агрегата расположены соосно, водило и корпус эпициклического колеса имеют рядом расположенные зубчатые венцы, трубчатый вал корпуса эпициклического колеса, выходной вал водила и выходной вал агрегата имеют рядом расположенные зубчатые венцы, на зубчатом венце выходного вала агрегата установлена муфта переключения, отличающаяся тем, что на вторичном валу свободно установлена шестерня, на ступице вторичного вала между этой шестерней и блоком шестерен расположена муфта переключения, аналогично две шестерни на первичном валу объединены в блок и расположены напротив муфты переключения вторичного вала, зубчатый венец выходного вала водила двухпозиционный, зубчатый венец выходного вала агрегата трехпозиционный, муфта переключения на этом венце имеет три внутренних зубчатых венца, на ползуне муфты переключения жестко закреплен зубчатый венец с внутренним и внешним зацеплением, внешнее зацепление которого связано с трехпозиционным зубчатым венцом корпуса агрегата.
РИСУНКИ
MM4A – Досрочное прекращение действия патента СССР или патента Российской Федерации на изобретение из-за неуплаты в установленный срок пошлины за поддержание патента в силе
Дата прекращения действия патента: 26.08.2007
Извещение опубликовано: 10.03.2009 БИ: 07/2009
|