|
|
(21), (22) Заявка: 2002127531/02, 14.10.2002
(24) Дата начала отсчета срока действия патента:
14.10.2002
(43) Дата публикации заявки: 10.04.2004
(46) Опубликовано: 20.03.2007
(56) Список документов, цитированных в отчете о поиске:
Выпрямитель сварочный типа ВДУ-505, паспорт ИЕАЖ 435312.015 ПС, 1984. SU 1600174 A1, 27.02.1995. SU 1371820 A1, 27.02.1988. US 5406050 A, 11.04.1995. JP 09-182963 A, 15.07.1997. JP 09-076063 A, 25.03.1997.
Адрес для переписки:
624250, Свердловская обл., г. Заречный, ул. Курчатова, 31/3, кв.47, О.П.Лещеву
|
(72) Автор(ы):
Лещев Олег Павлович (RU)
(73) Патентообладатель(и):
Лещев Олег Павлович (RU)
|
(54) УСТРОЙСТВО ДЛЯ ДИСТАНЦИОННОГО РЕГУЛИРОВАНИЯ СВАРОЧНОГО ТОКА
(57) Реферат:
Изобретение относится к электродуговой сварке, в частности к устройствам дистанционного регулирования сварочного тока. Устройство содержит выносной пульт управления (1), регулируемый сварочный источник питания (5) со встроенным в него блоком управления (4) с регулятором тока и сварочные кабели (8) и (9). Пульт управления (1) состоит из металлического корпуса для обеспечения электрического контакта со свариваемым изделием (11), управляющих контактов (2) и (3), выполненных с возможностью электрического контакта со сварочным электродом (10), и размещенного в упомянутом корпусе высокочастотного генератора. Генератор подключен к металлическому корпусу и управляющим контактам (2) и (3) и получает питание от сварочного источника (5) и передающего команды управления в виде ВЧ-сигналов в блок управления (4) по сварочным кабелям (8) и (9). Блок управления (4) содержит высокочастотный приемник команд управления и исполнительный элемент (7), воздействующий на регулятор тока сварочного источника питания (5). Степень изменения тока пропорциональна времени включения пульта или числу включений, а направление изменения (“больше” или “меньше”) определяется выбором соответствующего управляющего контакта. Такое выполнение устройства регулирования позволяет исключить наличие специальных проводов-кабелей между пультом управления и сварочным источником питания, а также органы управления в виде рукояток, ручек, кнопок и т.п. 1 ил.
Предлагаемое изобретение относится к электродуговой сварке, в частности к системам дистанционного регулирования сварочного тока при ручной дуговой сварке.
Известно аналогичное устройство для дистанционного регулирования сварочного тока, содержащее переносной блок подачи команд и исполнительный блок, состоящий из балластного реостата с коммутирующими элементами. [А.с. №1189619, кл. В 23 К 9/10, 1983 г.].
К причинам, препятствующим достижению указанного ниже технического результата при использовании данного устройства, относится то, что в этом устройстве обязательно наличие специальных проводов-кабелей конечной длины для подключения переносного блока подачи команд к исполнительному блоку, что затрудняет организацию сварочных работ на сколько-нибудь значительном расстоянии от исполнительного блока. Кроме того, использование балластного реостата в качестве регулятора сварочного тока обуславливает нежелательную дискретность регулирования и, что еще хуже, неизбежно сопровождается потерями электроэнергии, выделяемой на активном сопротивлении реостата в виде тепла.
Наиболее близким к заявленному изобретению устройством того же назначения по совокупности признаков является устройство для дистанционного регулирования сварочного тока, состоящее из выносного пульта управления и блока управления, встроенного в регулируемый сварочный источник питания [Выпрямитель сварочный типа ВДУ-505. Паспорт ИЕАЖ 435312.015Пс, 1984 г.] – принято за прототип.
К причинам, препятствующим достижению указанного ниже технического результата при использовании известного устройства, принятого за прототип, относится то, что в этом устройстве обязательно наличие специальных проводов-кабелей конечной длины для подключения выносного пульта управления к встроенному в регулируемый сварочный источник питания блоку управления, что затрудняет организацию сварочных работ на сколько-нибудь значительном расстоянии от сварочного источника питания. Кроме того, наличие органа управления в виде ручки потенциометра создает неудобства в пользовании пультом управления.
Актуальность задачи дистанционного регулирования сварочного тока на значительных расстояниях от места сварки до сварочного источника питания, что характерно для полевых условий и работ в труднодоступных местах, обусловлена необходимостью обеспечения высокой производительности сварки и не менее высокого качества, определяемого в первую очередь установкой заданного значения сварочного тока, что особенно отчетливо проявляется при переходах с одного режима сварки на другой (например, при сварке неповоротных стыков трубопроводов при ремонтных работах на АЭС).
Заявленное изобретение направлено на решение задачи дистанционного регулирования сварочного тока без использования специальных проводов-кабелей и обеспечивает при осуществлении следующий технический результат – возможность регулирования сварочного тока на любом расстоянии от места сварки до источника питания с использованием для целей регулирования энергии самого сварочного источника. Кроме того, из конструкции пульта управления исключены органы управления в виде рукояток, ручек, кнопок и т.п.
Указанный технический результат достигается тем, что в устройстве для дистанционного регулирования сварочного тока, содержащем выносной пульт управления и блок управления, встроенный в регулируемый сварочный источник питания, особенностью является то, что пульт управления оснащен двумя управляющими контактами и содержит высокочастотный генератор, получающий питание от сварочного источника и передающий команды управления в виде ВЧ-сигналов в блок управления по сварочным кабелям, а блок управления содержит высокочастотный приемник команд управления и исполнительный элемент, воздействующий на регулятор тока сварочного источника питания.
При исследовании отличительных признаков описываемого устройства не выявлено каких-либо аналогичных известных решений, касающихся реализации процесса дистанционного регулирования сварочного тока при традиционной схеме использования сварочных источников питания и позволяющих осуществить процесс регулирования тока на любом расстоянии от места сварки до источника питания без специальных проводов-кабелей, какого-либо автономного питания пульта управления и органов управления в виде рукояток, ручек, кнопок и т.п.
Характеризующие заявленное изобретение отличительные признаки необходимы для достижения вышеуказанного технического результата, то есть находятся в причинно-следственной связи с указанным результатом и, значит, являются существенными.
Совокупность вышеизложенных существенных признаков заявленного изобретения достаточна для достижения вышеуказанного технического результата и, таким образом, выражает сущность изобретения.
Проведенный анализ уровня техники, включающий поиск по патентным и научно-техническим источникам информации, а также выявление источников, содержащих сведения об аналогах заявленного изобретения, позволил установить, что не обнаружен аналог, характеризующийся признаками, тождественными всем существенным признакам заявленного изобретения. Определение из перечня выявленных аналогов прототипа, как наиболее близкого по совокупности существенных признаков аналога, позволило выявить совокупность существенных по отношению к техническому результату отличительных признаков заявленного устройства, изложенных в формуле изобретения.
Следовательно, заявленное изобретение соответствует условию новизны.
Для проверки соответствия заявленного изобретения условию изобретательского уровня проведен дополнительный поиск известных решений, чтобы выявить признаки, совпадающие с отличительными от прототипа признаками заявленного устройства. Результаты поиска показали, что заявленное изобретение не вытекает для специалиста явным образом из известного уровня техники, поскольку не выявлено влияние предусматриваемых существенными признаками заявленного изобретения преобразований на достижение технического результата, в частности заявленным изобретением не предусматриваются следующие преобразования:
– исключение какой-либо части средства с одновременным исключением обусловленной ее наличием функции и достижением при этом обычного для такого исключения результата;
– дополнение известного средства какой-либо известной частью (частями), присоединенной к нему по известным правилам, для достижения технического результата, в отношении которого установлено влияние именно таких дополнений.
Следовательно, заявленное изобретение соответствует условию изобретательского уровня.
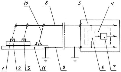
Чертежом поясняется состав предлагаемого устройства, взаимосвязь составных частей и их взаимодействие.
Устройство для дистанционного регулирования сварочного тока состоит из пульта управления 1, внутри которого размещен высокочастотный генератор (на схеме не показан), подключенный к изолированным управляющим контактам 2, 3 и металлическому корпусу пульта, а также блока управления 4, встроенного в регулируемый сварочный источник питания 5 и состоящего в свою очередь из высокочастотного приемника 6 команд управления и исполнительного элемента 7.
На чертеже также показаны сварочные кабели 8 и 9, электрод 10 и свариваемое изделие 11.
Устройство работает следующим образом. При сварке источник питания 5 включен и сварочный ток подводится по сварочным кабелям 8, 9 к электроду 10, свариваемому изделию 11 и сварочной дуге между ними. При обрыве дуги (перерывах в сварке) в сварочной цепи тока нет, а электрод 10 находится под напряжением сварочного источника 5. В обоих случаях пульт управления 1 обесточен, а высокочастотный приемник 6 и исполнительный элемент 7 находятся в режиме ожидания. Для изменения сварочного тока в большую или меньшую стороны пульт управления 1 размещается на свариваемом изделии 11 или вблизи от него, но с обеспечением электрического контакта между изделием 11 и металлическим корпусом пульта, а электрод 10 вводится в соприкосновение с одним из управляющих контактов 2 или 3 в соответствии с требуемой командой (“больше” или “меньше”). При этом пульт управления 1 с размещенным внутри высокочастотным генератором получает питание от сварочного источника 5 по сварочным кабелям 8, 9 через электрод 10 и свариваемое изделие 11, вырабатывает и посылает команду управления по этим же сварочным кабелям 8, 9 в блок управления 4, где она (команда) принимается высокочастотным приемником 6, который расшифровывает ее значение (“больше” или “меньше”) и приводит в соответствующее действие исполнительный элемент 7, воздействующий в свою очередь на регулятор тока сварочного источника 5. Степень изменения тока пропорциональна времени включения пульта управления 1 или числу включений, а направление изменения (“больше” или “меньше”) определяется выбором соответствующего управляющего контакта 2 или 3.
Вышеизложенные сведения свидетельствуют о выполнении при использовании заявленного изобретения следующей совокупности условий:
– средство, воплощающее заявленное изобретение при его осуществлении, предназначено для использования в промышленности, а именно в области электродуговой сварки, в частности для дистанционного регулирования сварочного тока при ручной электродуговой сварке;
– для заявленного устройства в том виде, как оно охарактеризовано в независимом пункте изложенной формулы изобретения, подтверждена возможность его осуществления с помощью описанных в заявке или известных до даты приоритета средств и методов;
– средство, воплощающее заявленное изобретение при его осуществлении, способно обеспечить достижение вышеизложенного технического результата.
Преимущество изобретения состоит в том, что дистанционное регулирование сварочного тока осуществляется путем передачи команд управления от пульта управления до блока управления по сварочной цепи, исключая использование специальных проводов-кабелей и органов управления в виде рукояток, ручек, кнопок и т.п. А реализация процесса оперативного регулирования сварочного тока на любом расстоянии от источника питания позволяет без затруднений поддерживать на высоком уровне производительность и качество сварочных работ.
Следовательно, заявленное устройство соответствует условию промышленной применимости.
Формула изобретения
Устройство для дистанционного регулирования сварочного тока, содержащее выносной пульт управления, регулируемый сварочный источник питания со встроенным в него блоком управления с регулятором тока и сварочные кабели, отличающееся тем, что пульт управления состоит из металлического корпуса для обеспечения электрического контакта со свариваемым изделием, управляющих контактов, выполненных с возможностью электрического контакта со сварочным электродом, и размещенного в упомянутом корпусе высокочастотного генератора, подключенного к металлическому корпусу и управляющим контактам, получающего питание от сварочного источника и передающего команды управления в виде ВЧ-сигналов в блок управления по сварочным кабелям, а блок управления содержит высокочастотный приемник команд управления и исполнительный элемент, воздействующий на регулятор тока сварочного источника питания.
РИСУНКИ
|
|