|
|
(21), (22) Заявка: 2004119902/12, 01.07.2004
(24) Дата начала отсчета срока действия патента:
01.07.2004
(43) Дата публикации заявки: 20.02.2006
(46) Опубликовано: 20.03.2007
(56) Список документов, цитированных в отчете о поиске:
RU 2212263 C2, 20.09.2003. GB 2013884 A, 15.08.1979. SU 857833 A1, 23.08.1981. SU 1140020 A1, 15.02.1985. SU 1114935 A1, 23.09.1984.
Адрес для переписки:
115563, Москва, ул. Шипиловская, 29, к.2, кв.36, Л.В. Винокурову
|
(72) Автор(ы):
Винокуров Леонид Васильевич (RU)
(73) Патентообладатель(и):
Винокуров Леонид Васильевич (RU)
|
(54) ПОРТАТИВНОЕ УСТРОЙСТВО ОБНАРУЖЕНИЯ ВЗРЫВНОЙ ГАЗОВОЙ СМЕСИ
(57) Реферат:
Портативное устройство обнаружения взрывной газовой смеси относится к области защиты жизнедеятельности человека, контактирующего с взрывными газовыми смесями. Устройство предназначено для обнаружения взрывной газовой смеси в точке нахождения человека. Цель предлагаемого изобретения – повышение точности и информативности за счет контроля момента вхождения атмосферы в полосу нижнего предела взрывоопасной концентрации газовой смеси в точке нахождения человека и оперативности принятия решения по выходу из опасной зоны. Устройство обнаруживает взрывную газовую смесь путем принудительного взрывания ее во взрывобезопасной камере при образовании нижнего предела взрываемости. Устройство изготовлено на микросхемах, питание от батареи продолжительностью 12 часов. 1 ил.
Устройство предназначено для обнаружения взрывной газовой смеси в точке нахождения человека.
Устройство обнаруживает взрывную газовую смесь путем принудительного взрывания ее во взрывобезопасной камере при образовании нижнего предела взрываемости. Устройство изготовлено на микросхемах, питание от батареи продолжительностью 12 часов. Устройство обеспечивает повышение точности определения момента образования взрывной газовой смеси в атмосфере в точке нахождения человека и оперативности принятия решения по выходу из опасной зоны.
Изобретение относится к области защиты жизнедеятельности человека, контактирующего с взрывными газовыми смесями.
Цель предлагаемого изобретения – повышение точности и информативности за счет контроля момента вхождения атмосферы в точке нахождения человека в полосу нижнего предела взрывоопасной концентрации газовой смеси.
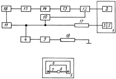
Поставленная цель достигается усовершенствованием портативного устройства обнаружения взрывной газовой смеси, содержащего взрывобезопасную камеру сгорания 1, в которую введены две пары электродов 2 и 3, пара 2 электрозажигания снабжена пробиваемым воздушным зазором, пара 3 сигнализации подключена к делителю напряжения 4 и снабжена прижимными контактами и элементом 5 фиксации нижнего предела взрываемости газовой смеси, содержащим П-образную текстолитовую поделку 6 с закрепленной на ее концах пластинкой 7 из легкоплавкого припоя, снабженной пироксилиновой навеской 8, искробезопасный прибор сигнализации 9, таймер 10 периодической подачи электросигнала зажигания, подключенный к батарее электропитания 11, герконовое реле 12, включенное в цепь электродов 2 электрозажигания и к выходу таймера 10, и подключено к накопителю электроэнергии 13, подключенному к выпрямителю 14 и через трансформатор 15, и мультивибратор 16 к батарее электропитания 11, резистор 17 включен между батареей 11 и парой 3 электродов сигнализации, а резистор 18 включен между прибором сигнализации 9 и землей.
Наиболее близким по технической сущности является устройство обнаружения взрывной газовой смеси в жилых и нежилых помещениях (патент РФ №2212263 Способ и устройство обнаружения взрывной газовой смеси в жилых и нежилых помещениях), которое содержит взрывобезопасную камеру сгорания, пару электродов электрозажигания, пару электродов сигнализации, делитель напряжения, элемент фиксации нижнего предела взрываемости газовой смеси, П-образную текстолитовую поделку, пластинку из легкоплавкого припоя, пироксилиновую навеску, искробезопасный прибор сигнализации, таймер, искробезопасный источник питания, герконовое реле, вилку и провод подвода электроэнергии от электросети 220 В для питания устройства.
Недостатком известного устройства является невозможность достоверно фиксировать образование взрывоопасной газовой смеси, соответствующей нижнему пределу взрываемости в точке нахождения человека, так как устройство стационарное и не может находиться всегда в точке пребывания человека.
Работа предлагаемого изобретения. При движении в производственных условиях человек может оказаться в точке образовавшейся газовой смеси, концентрация которой находится в полосе взрываемости. Эта смесь проходит внутрь взрывобезопасной камеры 1. На электроды пары зажигания 2 периодически подается инициирующее взрыв газовой смеси напряжение, находящееся в накопителе 13, которое образуется путем генерации напряжения мультивибратором 16, преобразования его трансформатором 15 и выпрямления этого напряжения выпрямителем 14. Заданная периодичность подачи напряжения обеспечивается таймером 10 и герконовым реле 12. Происходит принудительный микровзрыв газовой смеси во взрывобезопасной камере 1, который инициирует второй микровзрыв (поджиг) пироксилиновой навески 8, расположенной на пластинке 7 элемента сигнализации 5, при этом происходит разрыв (расплавка) пластинки 7, в результате обесточивается цепь, шунтирующая прибор сигнализации 9, который начнет сигнализировать о наличии взрывной газовой смеси в точке нахождения человека с портативным устройством обнаружения взрывной газовой смеси.
Установка во взрывобезопасной камере 1 исправного элемента сигнализации 5 обеспечит дальнейшую работу портативного устройства.
Формула изобретения
Портативное устройство обнаружения взрывной газовой смеси, содержащее взрывобезопасную камеру сгорания, делитель напряжения, пару электродов зажигания и пару электродов сигнализации, элемент фиксации нижнего предела взрываемости, П-образную текстолитовую поделку с пластинкой из легкоплавкого припоя, снабженной пироксилиновой навеской, прибор сигнализации, таймер, герконовое реле, отличающееся тем, что устройство снабжено батареей электропитания, мультивибратором, трансформатором, выпрямителем, накопителем электроэнергии и двумя резисторами, при этом к батарее электропитания последовательно подключены мультивибратор, трансформатор, выпрямитель, накопитель электроэнергии, герконовое реле, соединенное с электродами зажигания и через таймер с батареей электропитания, и через резистор с электродами сигнализации, а прибор сигнализации через делитель соединен с батареей электропитания и через резистор – с землей.
РИСУНКИ
|
|