|
|
(21), (22) Заявка: 2005124695/09, 03.08.2005
(24) Дата начала отсчета срока действия патента:
03.08.2005
(30) Конвенционный приоритет:
05.04.2005 UA a200503185
(46) Опубликовано: 10.03.2007
(56) Список документов, цитированных в отчете о поиске:
Извещатель пожарный дымовой оптико-электронный ИП212-201 «ДЫМ-1». Руководство по эксплуатации ИЦМГ.425231.001 РЭ. ТУ У 31.6.19127306-043:2003. RU 2221278 C1, 10.01.2004. RU 2168767 C1, 10.06.2001. RU 2217796 C2, 27.11.2003. US 5477218 A, 12.12.1995. WO 9730426 A1, 21.08.1997. GB 1555182 A, 07.11.1979.
Адрес для переписки:
58029, г. Черновцы, пр. Незалежности, 106, к.239, частное предприятие “АРТОН”
|
(72) Автор(ы):
Абушкевич Владимир Антонович (UA), Баканов Владимир Викторович (UA), Мисевич Игорь Захарович (UA), Михавчук Михаил Иванович (UA)
(73) Патентообладатель(и):
Частное предприятие “АРТОН” (UA)
|
(54) ДЫМОВОЙ ПОЖАРНЫЙ ИЗВЕЩАТЕЛЬ
(57) Реферат:
Изобретение относится к области пожарной сигнализации и может быть использовано в системах пожарной сигнализации для выявления увеличения оптической плотности воздуха по интенсивности рассеяния светового инфракрасного излучения. Технический результат – повышение надежности извещателя за счет исключения эффекта стабилизации падения напряжения на логических элементах на величине, меньшей минимального значения рабочего напряжения этих логических элементов. Результат достигается за счет введения цепи управления тактовым генератором от схемы сброса по напряжению питания, разделения входной цепи токового ключа фильтром высокой частоты и логическим элементом И от выхода старшего разряда сдвигового регистра, разделения цепей питания токового ключа от других элементов схемы интегратором. Все это позволяет обеспечить устойчивый запуск схемы извещателя при каждом включении питающего напряжения. 1 ил.
Изобретение относится к области пожарной сигнализации и может быть использовано в системах пожарной сигнализации для выявления увеличения оптической плотности воздуха по интенсивности рассеяния инфракрасного излучения.
Известны пожарные извещатели, оптические датчики дыма и устройства регистрации дыма, работающие по принципу периодического излучения импульсов инфракрасного излучения и последующего их приема, усиления и обработки полученного сигнала различными способами, формируя сигнал о наличии или отсутствии дыма (см. журнал “Системы безопасности связи и телекоммуникации”, 2000, 33, с.65).
Известно устройство регистрации дыма (патент Российской Федерации RU 2221278, 7 G 08 B 17/10, опубл. 2004.01.10), которое содержит две клеммы для подключения к шлейфу пожарной сигнализации, к первой из которых подключен вход элемента односторонней проводимости, выход которого соединен с первым выводом электропитания формирователя сигнала регистрации дыма и входом токоограничительного элемента, выход которого подключен к первому выводу конденсатора, второй вывод которого соединен с общей шиной, второй клеммой для подключения к шлейфу пожарной сигнализации и со вторым выводом электропитания формирователя сигнала регистрации дыма, выход которого подключен к индикатору, а вход – к выходу двоичного счетчика, к С-входу этого счетчика и ко входу тактового генератора, выход которого подключен к V-входу двоичного счетчика и первому входу схемы сравнения, выход которой соединен с R-входом двоичного счетчика, второй вход схемы сравнения подключен к выходу усилителя, а третий вход – к выходу схемы сброса по напряжению питания, к входам усилителя подключен фотодиод, оптически связанный через камеру со светопоглощающими стенками с инфракрасным излучателем, подключенным к выходу токового ключа, первый вывод питания которого соединен с первым выводом конденсатора и входом интегратора, выход которого подключен к первому выводу питания усилителя, второй вывод питания которого соединен со вторым выводом питания токового ключа и общей шиной. Вход токового ключа подключен к выходу тактового генератора, а выводы питания тактового генератора, схемы сравнения, схемы сброса по напряжению питания и двоичного счетчика подключены к выводам конденсатора.
Недостатком известного устройства является низкая надежность его работы особенно при малом, например менее 0,1 мА, токе электропитания. Логические узлы, выполненные на КМОП микросхемах после включения электропитания при выходе на рабочее напряжение (более 3 В) значительно увеличивают потребление тока, особенно те узлы, которые охвачены обратной связью: генераторы, пороговые элементы и т.д. Причем с увеличением рабочего напряжения увеличивается ток потребления, например ток потребления тактового генератора при максимальном значении рабочего напряжения может достигать значения единиц миллиампер, т.е. превосходить установленный предел тока потребления в целом для извещателя в несколько раз.
Наиболее близким к предлагаемому изобретению является выбранный в качестве прототипа дымовой пожарный извещатель (Извещатель пожарный дымовой оптико-электронный ИП212-201 “ДЫМ-1” Руководство по эксплуатации ИЦМГ.425231.001 РЭ, ТУ У 31.6.19127306-043:2003), который содержит две клеммы для подключения к шлейфу пожарной сигнализации, к первой из которых подключен вход элемента односторонней проводимости, выход которого соединен с первым выводом электропитания формирователя сигнала регистрации дыма и входом токоограничительного элемента, выход которого подключен к первому выводу конденсатора, второй вывод которого соединен с общей шиной, второй клеммой для подключения к шлейфу пожарной сигнализации и со вторым выводом электропитания формирователя сигнала регистрации дыма, выход которого подключен к индикатору, выход тактового генератора соединен со счетным входом первого сдвигового регистра, выход которого соединен со входом первого интегратора, информационный вход этого регистра подключен к шине питания, к которой подключены первые выводы питания тактового генератора, сдвиговых регистров, порогового элемента, логических элементов И, ИЛИ, И-НЕ, вторые выводы питания которых соединены с общей шиной, вход сброса первого сдвигового регистра через элемент ИЛИ соединен с выходом старшего разряда второго сдвигового регистра и входом формирователя сигнала регистрации дыма, выход первого разряда второго сдвигового регистра через первый фильтр высокой частоты подключен к первому входу элемента И-НЕ, второй вход которого подключен к выходу схемы сброса по напряжению питания, а выход этого элемента – к входу сброса второго сдвигового регистра, информационный вход которого через пороговый элемент подключен к выходу усилителя, первый вывод питания которого через второй интегратор соединен с первым выводом питания токового ключа, второй вывод питания которого соединен с общей шиной и вторым выводом питания усилителя, к входам которого подключен фотодиод, оптически связанный через камеру со светопоглощающими стенками с инфракрасным излучающим диодом, выводы которого подключены к выходам токового ключа. Выход первого сдвигового регистра подключен к входу токового ключа, а выход первого интегратора соединен со входом первого порогового элемента, выход которого соединен со счетным входом второго сдвигового регистра, а через последовательно соединенные третий интегратор и третий пороговый элемент соединен со вторым входом элемента ИЛИ. Выводы питания тактового генератора, схемы сброса по напряжению питания, сдвиговых регистров, логических и пороговых элементов подключены к общей шине и шине питания, которая соединена с первым выводом конденсатора.
Недостатком известного извещателя также является низкая надежность особенно при малом, например менее 0,1 мА, токе электропитания. Если величина тока, потребляемого усилителем, тактовым генератором, пороговыми и логическими элементами, схемой сброса по напряжению питания, сдвиговыми регистрами, токовым ключом совместно с током утечки конденсатора, достигнет величины заданной токоограничительным элементом, то возможна стабилизация напряжения на логических элементах, причем на такой величине, которая меньше допустимого нижнего значения рабочего напряжения логических элементов. Это означает, что, потребляя от шлейфа пожарной сигнализации установленное значение тока, извещатель может не выйти на дежурный режим работы при любом очередном включении питающего напряжения. Причем такой отказ извещателя может быть установлен после того, как такой извещатель не выполнит своей основной функции. А при любом очередном переключении питающего напряжения в шлейфе пожарной сигнализации может возникнуть отказ любого аналогичного извещателя, установленного в этот шлейф пожарной сигнализации или выход извещателя из такого состояния, хаотичным образом.
При полностью разряженном конденсаторе ток утечки в начальный момент после включения достигнет значения ограниченного токоограничительным элементом, затем медленно, в течение нескольких минут будет достигать значения, равного
Iутеч=K×C×U+A,
Iутеч – ток утечки конденсатора;
К – коэффициент, зависящий от типа конденсатора, например 0,05 для конденсаторов типа К50-6;
С – емкость конденсатора, микрофарады;
U – рабочее напряжение конденсатора, Вольты;
А – постоянное значение тока утечки, например 5 мкА для конденсаторов типа К50-6.
Например, для используемых в извещателе двух конденсаторов с номиналами 47 мкФ 25 В величина суммарного тока утечки двух конденсаторов может достигать паспортного значения тока потребления всем извещателем ИП212-201-150 мкА. Таким образом, при включении такого извещателя напряжение на конденсаторе может застабилизироваться на величине менее 3 В, когда логические состояния на выходах логических элементов еще не определены. Уменьшить влияние токов утечки можно выбором типа используемого конденсатора, однако полностью исключить влияние тока заряда и тока утечки конденсатора невозможно. Необходимо, чтобы ток, проходящий через токоограничительный элемент, значительно превосходил ток утечки применяемого конденсатора.
При наличии прямой гальванической связи между логическим выходом первого сдвигового регистра и входом токового ключа уровень напряжения на выходе этого сдвигового регистра может оказаться достаточным, чтобы приоткрыть токовый ключ еще до достижения падения напряжения на конденсаторе значения рабочего напряжения логических элементов. В этом случае ток, протекающий через излучающий инфракрасный диод, еще уменьшит ток заряда конденсатора, а это означает, что падение напряжения на конденсаторе может никогда не достигнуть рабочего напряжения логических элементов. В таком состоянии извещатель может находиться бесконечно долго, не выполняя своей основной функции.
Способствовать такому отказу извещателя могут также логические элементы, охваченные отрицательной обратной связью, например, на которых собран тактовый генератор. Именно эти логические элементы потребляют значительную часть тока, протекающего через токоограничительный элемент, так как значительную часть времени они находятся в активном состоянии – в процессе переключения. Поэтому, при включении питающего напряжения логические элементы тактового генератора резко увеличивают потребление тока, когда падение напряжения на конденсаторе достигнет значения минимального рабочего напряжения, что может привести к уменьшению падения напряжения на конденсаторе, и дальнейшее увеличение падения напряжения на конденсаторе станет невозможным.
В основу изобретения поставлена задача повышения надежности работы извещателя за счет исключения эффекта стабилизации падения напряжения на логических элементах на величине, меньшей минимального значения рабочего напряжения этих логических элементов.
Указанная цель достигается тем, что дымовой пожарный извещатель, который содержит две клеммы для подключения к шлейфу пожарной сигнализации, к первой из которых подключен вход элемента односторонней проводимости, выход которого соединен с первым выводом электропитания формирователя сигнала регистрации дыма и входом токоограничительного элемента, выход которого подключен к первому выводу конденсатора, второй вывод которого соединен с общей шиной, второй клеммой для подключения к шлейфу пожарной сигнализации и со вторым выводом электропитания формирователя сигнала регистрации дыма, выход которого подключен к индикатору, выход тактового генератора соединен со счетным входом первого сдвигового регистра, выход которого соединен со входом первого интегратора, информационный вход этого регистра подключен к шине питания, к которой подключены первые выводы питания тактового генератора, сдвиговых регистров, порогового элемента, логических элементов И, ИЛИ, И-НЕ, вторые выводы питания которых соединены с общей шиной, вход сброса первого сдвигового регистра через элемент ИЛИ соединен с выходом старшего разряда второго сдвигового регистра и входом формирователя сигнала регистрации дыма, выход первого разряда второго сдвигового регистра через первый фильтр высокой частоты подключен к первому входу элемента И-НЕ, второй вход которого подключен к выходу схемы сброса по напряжению питания, а выход этого элемента – к входу сброса второго сдвигового регистра, информационный вход которого через пороговый элемент подключен к выходу усилителя, первый вывод питания которого через второй интегратор соединен с первым выводом питания токового ключа, второй вывод питания которого соединен с общей шиной и вторым выводом питания усилителя, к входам которого подключен фотодиод, оптически связанный через камеру со светопоглощающими стенками с инфракрасным излучающим диодом, выводы которого подключены к выходам токового ключа, отличающийся тем, что дополнительно содержит логический элемент И и второй фильтр высоких частот, выход которого подключен к входу токового ключа, а вход – к счетному входу второго сдвигового регистра и к выходу логического элемента И, первый вход которого подключен к выходу схемы сброса по напряжению питания и входу тактового генератора, второй вход логического элемента И подключен к выходу первого сдвигового регистра, а выход первого интегратора подключен ко второму входу логического элемента ИЛИ, шина питания соединена с первыми выводами питания усилителя.
За счет введения цепи управления тактовым генератором от схемы сброса по напряжению питания, позволяющей включить тактовый генератор после того, как падение напряжения на логических элементах превысит мининальное значение рабочего напряжения, обеспечивается уменьшение потребления тока логическими элементами тактового генератора в первоначальный момент включения питающего напряжения. Разделение входной цепи токового ключа фильтром высокой частоты и логическим элементом И от выхода старшего разряда сдвигового регистра обеспечивает надежное удержание в закрытом состоянии токового ключа и тем самым уменьшение тока потребления токовым ключом в момент включения извещателя. Разделение цепей питания токового ключа от других элементов схемы интегратором обеспечивает создание разницы потенциалов на токовом ключе и на логических элементах схемы извещателя. За счет этой разницы потенциалов обеспечивается устойчивая работа извещателя, так как кратковременные провалы напряжения на выводах конденсатора в моменты его разряда токовым ключом за счет второго интегратора не изменят потенциала питания шины, от которой осуществляется питание логических элементов. Все это позволяет исключить эффект стабилизации падения напряжения на логических элементах на величине, меньшей минимального значения рабочего напряжения этих логических элементов, и обеспечить устойчивый запуск схемы извещателя при каждом включении питающего напряжения.
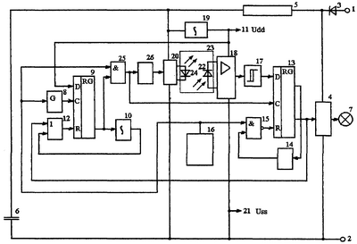
На чертеже представленная блок-схема дымового пожарного извещателя.
Дымовой пожарный извещатель (см. чертеж) содержит клеммы 1 и 2 для подключения к шлейфу пожарной сигнализации. К первой клемме 1 подключен вход элемента 3 односторонней проводимости, выход которого соединен с первым выводом электропитания формирователя 4 сигнала регистрации дыма и входом токоограничительного элемента 5. Выход токоограничительного элемента 5 подключен к первому выводу первого конденсатора 6, второй вывод которого соединен со второй клеммой 2, вторым выводом питания формирователя 4 сигнала регистрации дыма, выход которого подключен к индикатору 7. Выход тактового генератора 8 соединен со счетным входом первого сдвигового регистра 9, выход которого соединен со входом первого интегратора 10, информационный вход этого регистра подключен к шине питания 11. Вход сброса первого сдвигового регистра 9 подключен к выходу элемента ИЛИ 12, первый вход которого соединен с выходом старшего разряда второго сдвигового регистра 13. Выход первого разряда второго сдвигового регистра 13 через фильтр 14 высоких частот подключен к первому входу элемента И-НЕ 15. Второй вход элемента И-НЕ 15 подключен к выходу схемы 16 сброса по напряжению питания, а его выход – к входу сброса второго сдвигового регистра 13. Информационный вход второго сдвигового регистра 13 через пороговый элемент 17 подключен к выходу усилителя 18. Первый вывод питания усилителя 18 через второй интегратор 19 соединен с первым выводом питания токового ключа 20. Второй вывод питания токового ключа 20 соединен с общей шиной 21 и вторым выводом питания усилителя 18. К входам усилителя 18 подключен фотодиод 22, оптически связанный через камеру 23 со светопоглощающими стенками с инфракрасным излучающим диодом 24, выводы которого подключены к выходам токового ключа 20. Выход схемы 16 сброса по напряжению питания подключен к входу тактового генератора 8 и к первому входу элемента И 25, второй вход которого соединен с выходом первого сдвигового регистра 9. Выход элемента И 25 подключен к счетному входу второго сдвигового регистра 13, а через второй фильтр 26 высокой частоты соединен с входом токового ключа 20. Выход первого интегратора 10 подключен ко второму входу логического элемента ИЛИ 12, шина питания 11 соединена с первыми выводами питания усилителя 18.
На чертеже выводы питания схемы 16 сброса по напряжению питания, тактового генератора 8, сдвиговых регистров 9 и 13, порогового элемента 17, логических элементов ИЛИ 12, И-НЕ 15, И 25 условно не показаны.
Дымовой пожарный извещатель работает таким образом.
При подаче напряжения питания на входные клеммы 1 и 2 через элемент 3 односторонней проводимости и токоограничительный элемент 5 осуществляется заряд накопительного конденсатора 6. Элемент 3 односторонней проводимости осуществляет защиту других элементов дымового пожарного извещателя при ошибочном подключении полярности напряжения питания, которое поступает от шлейфа пожарной сигнализации. Пока напряжение на выводах накопительного конденсатора 6 недостаточное для нормальной работы дымового пожарного извещателя падение напряжения на интеграторе 19 незначительное – значительно меньше падения напряжения между шиной 11 питания и общей шиной 21. Это обусловлено низким потреблением тока логическими элементами в статическом режиме. Еще до достижения минимального значения рабочего напряжения на выходе схемы 16 сброса по напряжению питания формируется низкий потенциальный уровень, который запрещает работу тактового генератора 8. Но при этих напряжениях на выходах логических элементов ИЛИ 12, И-НЕ 15, И 25, а также на выходах сдвиговых регистров 9 и 13 будут присутствовать потенциалы, близкие к половине падения напряжения на шине 11 питания относительно общей шины 21. Второй фильтр 26 верхних частот не позволяет токовому ключу 20 открыться. В момент достижения минимального значения рабочего напряжения все элементы схемы извещателя будут находиться в статическом режиме. В этом случае второй сдвиговый регистр 13 будет находиться в нулевом состоянии независимо от сигналов на других его входах. Формирователь 4 сигнала регистрации дыма будет закрыт и индикатор 7 будет выключен. В то же время низкий потенциальный уровень, который поступает с выхода старшего разряда второго сдвигового регистра 13 через элемент ИЛИ 12 на вход сброса первого сдвигового регистра 9 разрешает работу этого сдвигового регистра 9.
Потребление тока тактовым генератором 8 существенно зависит от напряжения питания, поэтому необходимо, чтобы переключение схемы 16 сброса по напряжению питания осуществлялось при рабочем напряжении, близком к его минимальному значению, но превышающим его. В момент изменения состояния на выходе схемы 16 сброса по напряжению питания запускается тактовый генератор 8, а на входе сброса первого сдвигового регистра 9 устанавливается потенциальный уровень, который разрешает изменение состояний этого регистра 9 при перепадах напряжения на его счетном входе. С этого момента падение напряжения между шиной 11 питания и общей шиной 21 стабилизируется, а падение напряжения на накопительном конденсаторе 6 продолжает расти. Через время около 1 с после разрешения работы на выходе первого сдвигового регистра 9 появится короткий, продолжительностью несколько десятков микросекунд, импульс. Длительность этого импульса определяется постоянной времени первого интегратора 10. С такой же длительностью и периодичностью около 1 с будут повторяться импульсы на выходе этого регистра 9. Такое состояние будет наблюдаться до появления сигнала на входе тактового генератора 8, который запрещает его работу, или сигнала на входе сброса первого сдвигового регистра 9, который запрещает работу этого сдвигового регистра 9.
С выхода первого сдвигового регистра 9 импульсы поступают через элемент И 25 и второй фильтр 26 высокой частоты на вход токового ключа 20. Токовый ключ 20 обеспечивает разряд накопительного конденсатора 6 заданной величиной тока через свой выход на инфракрасный излучающий диод 24. Величина, на которую будет разряжаться накопительный конденсатор 6, будет зависеть от продолжительности и периода импульсов, которые появляются на выходе первого сдвигового регистра 9, а также отношения тока заряда накопительного конденсатора 6 через токоограничительный элемент 5 к току разряда этого конденсатора 6 через токовый ключ 20. Таким образом, в установившемся режиме работы падение напряжения на накопительном конденсаторе 6 будет превышать потенциал шины 11 питания на величину падения напряжения на интеграторе 19. За счет этой разницы потенциалов обеспечивается устойчивая работа извещателя, так как кратковременные провалы напряжения на выводах накопительного конденсатора 6 в моменты его разряда токовым ключом 20 за счет интегратора 19 не изменят потенциала шины 11 питания.
Рассеянное оптической камерой 23 со светопоглощающими стенками инфракрасное излучение инфракрасного диода 24 поступает на фотодиод 22. Усиленные усилителем 18 импульсы по своей амплитуде и фазе будут существенно зависеть от оптической плотности воздуха в оптической камере 23. Так, при абсолютной прозрачности воздуха на выходе усилителя 18 будут присутствовать треугольные импульсы малой амплитуды, так как будет иметь место некоторое отражение от стенок оптической камеры 23. Импульс треугольной формы на выходе усилителя 18 будет достигать своего максимума в момент окончания импульса на выходе первого сдвигового регистра 9. При малой амплитуде этих импульсов на выходе порогового элемента 17 будет присутствовать низкий потенциальный уровень сигнала. Таким образом на двух его выходах будет присутствовать низкий потенциальный уровень. Этот низкий потенциальный уровень поступает на вход формирователя 4 сигнала регистрации дыма, поэтому индикатор 7 не будет светиться. Извещатель будет оставаться в дежурном режиме работы, потребляя от шлейфа пожарной сигнализации, который подключен к клеммам 1 и 2 ток, величина которого ограничена токоограничительным элементом 5.
По мере увеличения удельной оптической плотности среды будет увеличиваться амплитуда импульсов на выходе усилителя 18, пока не достигнет порогового значения, при котором произойдет переключение порогового элемента 17. Если по каждому положительному перепаду на счетном входе второго сдвигового регистра 13 на его информационном входе будут присутствовать импульсы, то будет отбиваться заполнение этого регистра 13 логическими “1”. После заполнения этого сдвигового регистра 13 логическими “1” на выходе старшего разряда появится сигнал, изменяющий состояние формирователя 4 сигнала регистрации дыма, индикатора 7, что соответствует состоянию извещателя – “ПОЖАР”. Этим же сигналом также сбрасывается в нулевое состояние первый сдвиговый регистр 9. Если в процессе заполнения второго сдвигового регистра 13 на первом разряде произойдет переключение сигнала на низкий уровень, то через первый фильтр 14 высокой частоты отрицательный импульс поступит на вход элемента И-НЕ 15. Импульс с выхода этого элемент сбросит второй сдвиговый регистр 13 в нулевое состояние, а если в моменты перепадов на счетном входе второго сдвигового регистра 13 будут присутствовать импульсы на его информационном входе, то заполнение этого регистра начнется сначала.
При наличии высокого потенциального уровня на старшем разряде второго сдвигового регистра 13 открывается формирователь 4 сигнала регистрации дыма, что обеспечивает заданное потребление тока от шлейфа пожарной сигнализации, к которому подключен дымовой пожарный извещатель своими клеммами 1 и 2. Благодаря току, протекающему через формирователь 4 сигнала регистрации дыма, резко уменьшается разность потенциалов между клеммами 1 и 2. Если это падение напряжения будет превышать минимальное значение рабочего напряжения, то извещатель будет находиться в состоянии “ПОЖАР” бесконечно долго. Вывести извещатель из этого состояния возможно только отключением напряжения питания шлейфа пожарной сигнализации на время, достаточное для разряда накопительного конденсатора 6 до величины, при которой на выходе схемы 16 сброса по напряжению питания установится низкий потенциальный уровень.
За счет введения цепи управления тактовым генератором 8 от схемы 16 сброса по напряжению питания, гальванического разделения входной цепи токового ключа 20 фильтром 26 высокой частоты и разделения цепей питания токового ключа 20 от других элементов схемы интегратором 19 обеспечивается устойчивый запуск при включении напряжения питания и повышение надежности работы извещателя, так как исключается эффект “защелкивания” падения напряжения на логических элементах на величине, меньшей минимального значения рабочего напряжения.
Формула изобретения
Дымовой пожарный извещатель, который содержит две клеммы для подключения к шлейфу пожарной сигнализации, к первой из которых подключен вход элемента односторонней проводимости, выход которого соединен с первым выводом электропитания формирователя сигнала регистрации дыма и входом токоограничительного элемента, выход которого подключен к первому выводу конденсатора, второй вывод которого соединен с общей шиной, второй клеммой для подключения к шлейфу пожарной сигнализации и со вторым выводом электропитания формирователя сигнала регистрации дыма, выход которого подключен к индикатору, выход тактового генератора соединен со счетным входом первого сдвигового регистра, выход которого соединен со входом первого интегратора, информационный вход этого регистра подключен к шине питания, к которой подключены первые выводы питания тактового генератора, сдвиговых регистров, порогового элемента, логических элементов И, ИЛИ, И-НЕ, вторые выводы питания которых соединены с общей шиной, вход сброса через элемент ИЛИ соединен с выходом старшего разряда второго сдвигового регистра и входом формирователя сигнала регистрации дыма, выход первого разряда второго сдвигового регистра через первый фильтр высокой частоты подключен к первому входу элемента И-НЕ, второй вход которого подключен к выходу схемы сброса по напряжению питания, а выход этого элемента – к входу сброса второго сдвигового регистра, информационный вход которого через пороговый элемент подключен к выходу усилителя, первый вывод питания которого через второй интегратор соединен с первым выводом питания токового ключа, второй вывод питания которого соединен с общей шиной и вторым выводом питания усилителя, к входам которого подключен фотодиод, оптически связанный через камеру со светопоглощающими стенками с инфракрасным излучающим диодом, выводы которого подключены к выходам токового ключа, отличающийся тем, что дополнительно содержит логический элемент И и второй фильтр высоких частот, выход которого подключен к входу токового ключа, а вход – к счетному входу второго сдвигового регистра и к выходу логического элемента И, первый вход которого подключен к выходу схемы сброса по напряжению питания и входу тактового генератора, второй вход логического элемента И подключен к выходу первого сдвигового регистра, а выход первого интегратора подключен ко второму входу логического элемента ИЛИ, шина питания соединена с первым выводом питания усилителя.
РИСУНКИ
|
|