|
|
(21), (22) Заявка: 2005133565/09, 31.10.2005
(24) Дата начала отсчета срока действия патента:
31.10.2005
(46) Опубликовано: 27.02.2007
(56) Список документов, цитированных в отчете о поиске:
АНДРЕЕВ В.А. и др. Релейная защита, автоматика и телемеханика в системах электроснабжения. – М.: Высшая школа, 1975, с.139-140. RU 2050660 С1, 20.12.1995. RU 2037246 C1, 09.06.1995. SU 991544 A1, 23.01.1983. US 6347025 А, 12.12.2002.
Адрес для переписки:
302019, г.Орел, ул. Ген. Родина, 69, ФГОУ ВПО ОрелГАУ
|
(72) Автор(ы):
Васильев Валерий Георгиевич (RU), Чернышов Вадим Алексеевич (RU)
(73) Патентообладатель(и):
Федеральное государственное учреждение высшего профессионального образования “Орловский государственный аграрный университет” (ФГОУ ВПО ОрелГАУ) (RU)
|
(54) СПОСОБ ОПРЕДЕЛЕНИЯ ЛИНИИ С ЗАМЫКАНИЕМ НА ЗЕМЛЮ В ЭЛЕКТРИЧЕСКИХ СЕТЯХ С ИЗОЛИРОВАННОЙ НЕЙТРАЛЬЮ
(57) Реферат:
Использование: для определения отходящей линии с замыканием на землю (ЗНЗ) в электрических сетях с изолированной нейтралью. Технический результат заключается в повышении надежности электроснабжения потребителей при определении линии с ЗНЗ путем исключения необоснованного отключения других линий, не имеющих ЗНЗ. Способ заключается в том, что регистрируют напряжение нулевой последовательности на шинах низковольтного напряжения силового трансформатора, при появлении напряжения нулевой последовательности включают на землю одну из фаз шин низковольтного напряжения через токоограничивающее сопротивление, и если в момент включения этой фазы через токоограничивающее сопротивление не протекает ток, то эту фазу отключают и включают на землю любую другую через токоограничивающее сопротивление, при этом контролируют одновременно с этим появление тока двойного замыкания на землю в одной из отходящих линий, при его появлении делают вывод о том, что в этой линии произошло замыкание на землю. 1 ил.
Изобретение относится к электрическим сетям и предназначено для определения отходящей линии с замыканием на землю (ЗНЗ) в электрических сетях с изолированной нейтралью.
Известен способ определения линии с ЗНЗ в электрических сетях с изолированной нейтралью, заключающийся в регистрации напряжения нулевой последовательности на шинах низковольтного напряжения силового трансформатора. Определение линии с ЗНЗ осуществляется путем поочередного отключения отходящих линий. Исчезновение напряжения нулевой последовательности на шинах низковольтного напряжения при отключении той или иной линии свидетельствует о ее ЗНЗ. [В.А.Андреев, Е.В.Бондаренко. Релейная защита, автоматика и телемеханика в системах электроснабжения. – М.: Высш. шк., 1975. Стр.139-140 – прототип.]
Недостатком известного способа является то, что процесс отыскания линии с ЗНЗ путем поочередного отключения отходящих линий, неизбежно сопровождается кратковременным отключением “здоровых” линий, а соответственно и питаемых ими потребителей, что приводит к нарушению их функциональной деятельности.
Процесс определения линии с ЗНЗ таким способом несовершенен, и приводит к снижению надежности электроснабжения потребителей, и как следствие этого – к экономическому ущербу.
Задачей предлагаемого изобретения является повышение надежности электроснабжения потребителей при определении линии с ЗНЗ путем исключения необоснованного отключения других линий, не имеющих ЗНЗ.
Указанная задача решается благодаря тому, что в известном способе определения линии с ЗНЗ в электрических сетях с изолированной нейтралью, заключающемся в регистрации напряжения нулевой последовательности на шинах низковольтного напряжения силового трансформатора, согласно изобретению, при появлении напряжения нулевой последовательности включают на землю одну из фаз шин низковольтного напряжения через токоограничивающее сопротивление, и если в момент включения этой фазы через токоограничивающее сопротивление не протекает ток, то эту фазу отключают и включают на землю любую другую через токоограничивающее сопротивление, при этом контролируют одновременно с этим появление тока двойного замыкания на землю в одной из отходящих линий, при его появлении делают вывод о том, что в этой линии произошло замыкание на землю.
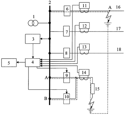
Суть предполагаемого изобретения поясняется чертежом, где представлена структурная схема определения линии с ЗНЗ.
Схема содержит силовой трансформатор 1, шины низковольтного напряжения 2, устройство контроля изоляции 3, блок управления 4, указатель номера линии с ЗНЗ 5, отходящие линии 16, 17 и 18, коммутируемые трехфазными выключателями 6, 7 и 8, однофазные выключатели 9 и 10, датчики тока 11, 12, 13 и 14, токоограничивающее сопротивление 15.
Предлагаемый способ работает следующим образом:
При возникновении ЗНЗ в любой линии, например в линии 16, в фазе А, устройство контроля изоляции 3, подключенное к шинам низковольтного напряжения 2 силового трансформатора 1, регистрирует появление напряжения нулевой последовательности и формирует сигнал. Сигнал поступает на блок управления 4, выдающий команду на включение выключателя 9, который включает одну из фаз, например фазу А, шин низковольтного напряжения 2 на землю через токоограничивающее сопротивление 15. Если в момент включения выключателя 9 через токоограничивающее сопротивление 15 не будет зафиксировано датчиком тока 14 протекание тока двойного замыкания, то блок управления 4 выдает сигнал на отключение выключателя 9 и на включение другой фазы, например фазы В, выключателем 10 на землю через токоограничивающее сопротивление 15. При этом фиксируют датчиком тока 14 протекание тока двойного замыкания через токоограничивающее сопротивление 15, одновременно с этим контролируют датчиком тока 11 появление тока двойного замыкания на землю в линии 16, в фазе А с ЗНЗ.
Зафиксировав одновременность протекания токов двойного замыкания на землю, протекающих через токоограничивающее сопротивление 15, и в линии 16, в фазе с ЗНЗ, делается вывод о том, что ЗНЗ произошло в этой линии.
Номер линии с ЗНЗ отображается указателем номера линии 5. Одновременно с выдачей сигнала на вход указателя номера линии с ЗНЗ 5 сигнал с блока 4 отключает выключатель 10.
Предлагаемый способ позволяет не нарушать электроснабжение потребителей при определении линии с ЗНЗ, сокращает вероятность неправильного определения линии с ЗНЗ, характеризуется быстродействием и высокой надежностью, а также не требует больших материальных затрат и легко может быть реализован на практике.
Формула изобретения
Способ определения линии с замыканием на землю в электрических сетях с изолированной нейтралью, заключающийся в регистрации напряжения нулевой последовательности на шинах низковольтного напряжения силового трансформатора, отличающийся тем, что при появлении напряжения нулевой последовательности включают на землю одну из фаз шин низковольтного напряжения через токоограничивающее сопротивление и, если в момент включения этой фазы через токоограничивающее сопротивление не протекает ток, то эту фазу отключают и включают на землю любую другую через токоограничивающее сопротивление, при этом контролируют одновременно с этим появление тока двойного замыкания на землю в одной из отходящих линий, а при его появлении делают вывод о том, что в этой линии произошло замыкание на землю.
РИСУНКИ
MM4A – Досрочное прекращение действия патента СССР или патента Российской Федерации на изобретение из-за неуплаты в установленный срок пошлины за поддержание патента в силе
Дата прекращения действия патента: 01.11.2007
Извещение опубликовано: 27.06.2009 БИ: 18/2009
|
|