|
|
(21), (22) Заявка: 2005129560/12, 23.09.2005
(24) Дата начала отсчета срока действия патента:
23.09.2005
(46) Опубликовано: 27.02.2007
(56) Список документов, цитированных в отчете о поиске:
SU 1382790 A1, 23.03.1988. SU 1640085 A1, 07.04.1991. SU 617502 A, 17.07.1978. SU 699058 A, 25.11.1979. SU 1341133 A1, 30.09.1987. SU 776975 A, 07.11.1980. US 5582122 A, 10.12.1996. US 5505148 A, 09.04.1996.
Адрес для переписки:
115998, Москва, ул. Садовническая, 33, МГУДТ
|
(72) Автор(ы):
Пятаев Евгений Вячеславович (RU), Козлов Александр Сергеевич (RU)
(73) Патентообладатель(и):
Московский государственный университет дизайна и технологии (МГУДТ) (RU)
|
(54) УСТРОЙСТВО ДЛЯ ПОШТУЧНОЙ ПОДАЧИ ШВЕЙНЫХ ИЗДЕЛИЙ В ЗОНУ ОБРАБОТКИ
(57) Реферат:
Изобретение относится к швейной отрасли и может быть использовано в качестве транспортного устройства в пошивочных и подготовительных цехах при изготовлении одежды и технических изделий. Устройство для поштучной подачи деталей швейных изделий содержит магазин для деталей швейных изделий, отсекатель и средство подачи деталей швейных изделий из магазина с элементом захвата. Средство подачи представляет собой двухкоромысловый четырехзвенный механизм, ведомое звено которого закреплено на двух коромыслах, одно из которых закреплено на валу горизонтального перемещения транспортной рейки швейной машины и соединено с ведомым звеном посредством оси, которая зафиксирована в пазу коромысла, а другое состоит из двух звеньев, зафиксированных в заданном положении, закреплено на валу вертикального перемещения транспортной рейки швейной машины и соединено с ведомым звеном посредством оси; на ведомом звене закреплен элемент захвата, выполненный в виде пластины с иглами и снабженный сбрасывателем; ведомое звено синхронно перемещается с транспортной рейкой швейной машины по эллипсной траектории. Ведомое звено имеет возможность регулировки величины перемещения по горизонтали и вертикали. Предложенное устройство, обладая достаточно упрощенной конструкцией, позволяет обеспечить синхронизацию работы устройства для поштучной подачи деталей швейных изделий в зону обработки с транспортной рейкой швейной машины, а также надежное отделение детали швейных изделий от пачки и ее снятие с захватного элемента в зоне обработки. 1 з.п. ф-лы, 1 ил.
Изобретение относится к швейной отрасли и может быть использовано в качестве транспортного устройства в пошивочных и подготовительных цехах при изготовлении одежды и технических изделий.
Известно устройство для поштучной подачи деталей швейных изделий в зону обработки, содержащее магазин для деталей швейных изделий, отсекатель, средство подачи деталей швейных изделий из магазина с элементом захвата (АС СССР №1382790, кл. В 65 Н 3/00, 1988).
Недостатком известного устройства является необходимость подключения отдельного привода, ненадежность процесса отделения деталей швейных изделий от пачки и подачи ее в зону обработки, отсутствие гарантированного отделения детали швейных изделий от элемента захвата.
Технической задачей изобретения является синхронизация работы устройства со швейной машиной, повышение надежности отделения детали швейных изделий от пачки и подачи их в зону обработки и гарантированное отделение детали швейных изделий от элемента захвата, упрощение конструкции.
Поставленная задача решается следующим образом. Устройство для поштучной подачи деталей швейных изделий, содержащее магазин для деталей швейных изделий, отсекатель, средство подачи деталей швейных изделий из магазина с элементом захвата, представляющее собой двухкоромысловый четырехзвенный механизм, ведомое звено которого закреплено на двух коромыслах, одно из которых закреплено на валу горизонтального перемещения транспортной рейки швейной машины и соединено с ведомым звеном посредством оси, которая зафиксирована в пазу коромысла; другое состоит из двух звеньев, зафиксированных в заданном положении, закреплено на валу вертикального перемещения транспортной рейки швейной машины и соединено с ведомым звеном посредством оси; на ведомом звене закреплен элемент захвата, выполненный в виде пластины с иглами, снабженный сбрасывателем; ведомое звено синхронно перемещается с транспортной рейкой швейной машины по эллипсной траектории. Коромысло, закрепленное на валу горизонтального перемещения, имеет паз для перемещения по нему оси и фиксации оси в определенной его точке для регулировки величины перемещения ведомого звена по горизонтали. Коромысло, закрепленное на валу вертикального перемещения, состоящее из двух звеньев, которые позволяют менять положение и величину перемещения ведомого звена по вертикали.
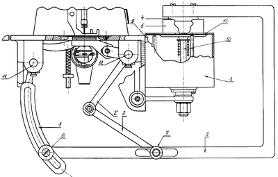
На чертеже изображено предлагаемое устройство, общий вид.
Устройство содержит коромысло 1, которое крепят на валу 11 горизонтального перемещения рейки швейной машины, звено 2′ закреплено на валу 12 вертикального перемещения рейки швейной машины и соединено со звеном 2 в единое, образуя друг с другом единое звено – коромысло. С коромыслами 1 и 2 соединено ведомое звено 3, на котором крепится пластина с иглами 4, которая в свою очередь снабжена сбрасывателем 5. Магазин 8 содержит подпружиненный толкатель 10, в зоне выдачи установлен отсекатель 9 с возможностью регулировки его положения относительно магазина 8 (средство регулировки не показано).
Устройство работает следующим образом. Валы 11 и 12 совершают колебательные движения, которые коромысла 1 и 2 соответственно передают на ведомое звено 3, перемещающееся по эллипсной траектории, отделяя и перемещая верхнюю деталь швейных изделий 13 из пакета деталей швейных изделий (пакет швейных изделий не показан). Взаимодействуя с отсекателем 9 и пластиной с иглами 4, верхняя деталь швейных изделий 13 перемещается в зону обработки, при этом детали швейных изделий, расположенные ниже, контактируя с отсекателем 9, отделяются от верхней детали швейных изделий 13 и остаются в магазине 8.
Когда пластина с иглами 4 достигает зоны обработки, сбрасыватель 5 под действием собственной силы тяжести опускается, тем самым сбрасывая с пластины с иглами 5 и оставляя в зоне обработки деталь швейных изделий 13.
Затем ведомое звено 4 совершает обратный ход к магазину 8. Далее цикл повторяется.
Предложенное устройство, обладая достаточно упрощенной конструкцией, позволяет обеспечить синхронизацию работы устройства для поштучной подачи деталей швейных изделий в зону обработки с транспортной рейкой швейной машины, а также надежное отделение детали швейных изделий от пачки и ее снятие с захватного элемента в зоне обработки.
Формула изобретения
1. Устройство для поштучной подачи деталей швейных изделий, содержащее магазин для деталей швейных изделий, отсекатель и средство подачи деталей швейных изделий из магазина с элементом захвата, отличающееся тем, что средство подачи деталей выполнено в виде двухкоромыслового четырехзвенного механизма, ведомое звено которого закреплено на двух коромыслах, одно из которых закреплено на валу горизонтального перемещения транспортной рейки швейной машины и соединено с ведомым звеном посредством оси, которая зафиксирована в пазу коромысла, а другое состоит из двух звеньев, зафиксированных в заданном положении, закреплено на валу вертикального перемещения транспортной рейки швейной машины и соединено с ведомым звеном посредством оси, при этом на ведомом звене закреплен элемент захвата, выполненный в виде пластины с иглами и снабженный сбрасывателем, а ведомое звено синхронно перемещается с транспортной рейкой швейной машины по эллипсной траектории.
2. Устройство по п.1, отличающееся тем, что ведомое звено имеет возможность регулировки величины перемещения по горизонтали и по вертикали.
РИСУНКИ
MM4A – Досрочное прекращение действия патента СССР или патента Российской Федерации на изобретение из-за неуплаты в установленный срок пошлины за поддержание патента в силе
Дата прекращения действия патента: 24.09.2007
Извещение опубликовано: 20.02.2009 БИ: 05/2009
|
|