|
|
(21), (22) Заявка: 2004107507/28, 25.06.2002
(24) Дата начала отсчета срока действия патента:
25.06.2002
(30) Конвенционный приоритет:
13.08.2001 US 09/928,607
(43) Дата публикации заявки: 20.03.2005
(46) Опубликовано: 20.02.2007
(56) Список документов, цитированных в отчете о поиске:
US 5332547 A, 26.07.1994. US 5279795 A, 18.01.1994. SU 1459974 A1, 23.02.1989. SU 1631520 A1, 28.02.1991.
(85) Дата перевода заявки PCT на национальную фазу:
15.03.2004
(86) Заявка PCT:
US 02/19857 (25.06.2002)
(87) Публикация PCT:
WO 03/016892 (27.02.2003)
Адрес для переписки:
129010, Москва, ул. Б.Спасская, 25, стр.3, ООО “Юридическая фирма Городисский и Партнеры”, пат.пов. Ю.Д.Кузнецову, рег.№ 595
|
(72) Автор(ы):
ПРАТТ Стивен Д. (US), МУТХУСВАМИ Сивакумар (US), КЕЛЛИ Рональд Дж. (US), ПЕННИСИ Роберт У. (US)
(73) Патентообладатель(и):
МОТОРОЛА, ИНК. (US)
|
(54) СПОСОБ (ВАРИАНТЫ) И УСТРОЙСТВО ДЛЯ ОПРЕДЕЛЕНИЯ КОЛИЧЕСТВА ВОДОРОДА В КОНТЕЙНЕРЕ
(57) Реферат:
Настоящее изобретение относится к способу и устройству для измерения количества водорода в контейнере для хранения водорода. Технический результат изобретения – обеспечение возможности измерения в контейнерах, выделяющих водород. Сущность: в устройстве и способе для измерения количества водорода в контейнере для хранения водорода водородного топливного элемента использована зависимость между давлением, составом, температурой (ДСТ) среды для хранения. Способ включает в себя измерение температуры среды для хранения водорода в одной или более точках на контейнере для хранения водорода, измерение механической деформации в одной или более точках на контейнере для хранения водорода, вычисление давления внутри контейнера, основываясь на измерениях деформации, обращаясь к таблице соответствия или уравнению, представляющему кривую давления, состава, температуры (ДСТ) для конкретного состава среды для хранения водорода. 4 н. и 8 з.п. ф-лы, 6 ил.
ОБЛАСТЬ ТЕХНИКИ
Настоящее изобретение относится к топливным элементам, а более конкретно – к способу и системе для измерения количества водорода в контейнере для хранения водорода.
ПРЕДШЕСТВУЮЩИЙ УРОВЕНЬ ТЕХНИКИ
За последние годы почти все электронные устройства уменьшились в размерах и стали более легкими, в особенности переносные электронные устройства. Это стало возможным, частично, благодаря разработке новых химических составов для аккумуляторных батарей, таких как никель-металлгидридные, литий-ионные, цинково-воздушные и литиевые полимеры, которые дают возможность аккумулировать большее количество энергии в меньшей емкости. Эти вторичные или перезаряжаемые батареи должны перезаряжаться при истощении их электрической емкости. Это выполняется с помощью подключения батареи к зарядному устройству, которое преобразовывает переменный ток в постоянный ток низкого напряжения 2-12 В. Цикл зарядки длится минимум 1-2 часа, а обычно 4-14 часов. Хотя новые батареи являются огромным продвижением вперед по сравнению с предыдущими поколениями батарей, они все еще имеют сложный режим заряда и медленную скорость заряда.
Топливные элементы, как ожидается, будут следующим основным источником энергии для переносных электронных изделий. Проще говоря, топливные элементы каталитически преобразовывают водородную молекулу в водородные ионы и электроны и затем извлекают электроны через мембрану в виде электроэнергии при окислении водородных ионов в Н2O и удалении воды как побочного продукта. Огромное преимущество топливных элементов заключается в возможности обеспечивать значительно большее количество энергии в небольшом корпусе по сравнению с аккумуляторной батареей.
Их потенциальная способность обеспечивать продолжительное время разговора и время работы в режиме ожидания при применении в переносных устройствах связи ведет к миниатюризации технологии топливных элементов. Основанные на полимерных электролитических мембранах (ПЭМ, РЕМ), дышащие наглухо закрытые топливные элементы идеально подходят для электропитания переносных устройств связи. Наиболее зрелой из технологий хранения топлива для данного класса топливных элементов является использование гидридных материалов, упакованных в контейнер, в котором находится водород и выпускается по требованию. Хранение водорода в контейнере, содержащем обратимый металлгидрид, является обычной практикой в области топливных элементов.
Фундаментальным требованием заказчика для любого вида переносных источников энергии является возможность измерения и передачи информации о емкости, оставшейся в источнике (как долго он может снабжать электроэнергией устройство?). Кроме того, остаточная емкость должна измеряться непрерывно, пока устройство находится в работе, для передачи пользователю информации о текущем состоянии источника электропитания. В системах топливного элемента, поскольку аспекты аккумулирования энергии и преобразования энергии разъединены, ключом к измерению остаточной емкости является возможность точного измерения количества топлива, оставшегося в контейнере для хранения. В переносных устройствах с источниками электроэнергии, использующими топливные элементы, остаточная энергия непосредственно зависит от количества топлива, оставшегося в контейнере для хранения топлива. Так как множество топливных элементов используют водород, хранящийся в твердой среде, такой как металлгидриды, химические гидриды и нанотрубки (сверхминиатюрные волокна), способы и системы для измерения количества водорода, хранящегося в этих средах, необходимы для успешного развития этих технологий для коммерческого применения.
Известные технологии для измерения давления в контейнере для гидрида не могут точно измерить количество водорода в контейнере из-за зависимости концентрации водорода от других параметров, кроме давления в контейнере для хранения топлива. Известные способы могут использоваться только при условиях равновесия, когда система не выделяет водород к топливному элементу или другому устройству нагрузки. Другим критическим фактором является различие между характеристиками заряда и разряда среды для хранения. Из-за гистерезиса характеристики среды для хранения водорода при разряде отличаются от характеристик при заряде. Кроме описанных выше недостатков, отсутствует возможность учитывать уменьшение емкости гидридного материала для хранения водорода через какое-то время, поскольку уменьшается процентное содержание активного гидрида во всем составе.
КРАТКОЕ ИЗЛОЖЕНИЕ СУЩЕСТВА ИЗОБРЕТЕНИЯ
Задачей настоящего изобретения является создание способа и устройства для определения количества водорода в контейнере для хранения водорода.
Поставленная задача решена путем создания способа определения количества водорода в контейнере для хранения водорода, содержащем известное количество среды для хранения водорода, заключающегося в том, что:
измеряют температуру в одной или более точках на контейнере для хранения водорода и вычисляют среднюю температуру среды для хранения водорода,
измеряют механическую деформацию в одной или более точках на контейнере для хранения водорода и вычисляют давление в контейнере для хранения водорода, основываясь на измеренной механической деформации,
выбирают рабочую кривую давления, состава, температуры (ДСТ) из семейства кривых ДСТ для среды для хранения водорода, основываясь на вычисленной средней температуре,
выбирают рабочую точку на выбранной рабочей кривой ДСТ, соответствующей вычисленному давлению в контейнере для хранения водорода,
определяют значение отношения количества водорода к количеству металла на выбранной рабочей кривой ДСТ, соответствующей выбранной рабочей точке,
вычисляют концентрацию водорода в контейнере для хранения водорода, умножая найденное значение отношения количества водорода к количеству металла на количество среды для хранения водорода.
Целесообразно, чтобы используемая кривая ДСТ представляла собой кривую поглощения, связанную с характеристиками зарядки среды для хранения водорода.
Предпочтительно, чтобы используемая кривая ДСТ представляла собой кривую выделения, связанную с характеристиками разрядки среды для хранения водорода.
Предпочтительно, чтобы среду для хранения водорода выбирали из группы, состоящей из гидридов металлов, химических гидридов, органических гидридов и однослойных углеродных нанотрубок.
Поставленная задача решена также путем создания способа определения количества водорода в контейнере для хранения водорода, содержащем известное количество среды для хранения водорода, когда контейнер для хранения водорода выделяет водород, заключающегося в том, что:
измеряют температуру в одной или более точках на контейнере для хранения водорода и вычисляют среднюю температуру среды для хранения водорода,
измеряют механическую деформацию в одной или более точках на контейнере для хранения водорода и вычисляют давление в контейнере для хранения водорода, основываясь на измеренной механической деформации,
выбирают рабочую кривую давления, состава, температуры (ДСТ) из семейства ДСТ кривых для среды для хранения водорода, основываясь на вычисленной средней температуре,
выбирают рабочую точку на выбранной рабочей кривой ДСТ, соответствующей вычисленному давлению в контейнере для хранения водорода,
определяют значение отношения количества водорода к количеству металла на выбранной рабочей кривой ДСТ, соответствующей выбранной рабочей точке,
вычисляют концентрацию водорода в контейнере для хранения водорода, умножая найденное значение отношения количества водорода к количеству металла на значение количества среды для хранения водорода.
Целесообразно, чтобы используемая кривая ДСТ представляла собой кривую выделения, связанную с характеристиками разряда среды для хранения водорода.
Поставленная задача согласно изобретению решена также путем создания способа определения изменения количества водорода в контейнере для хранения водорода, содержащем известное количество среды для хранения водорода в известном начальном состоянии, заключающегося в том, что:
сохраняют начальные параметры состояния, содержащие количество водорода в контейнере для хранения водорода, температуру среды для хранения водорода в начальном состоянии и давление в контейнере для хранения водорода в начальном состоянии,
измеряют температуру в одной или более точках на контейнере для хранения водорода и вычисляют среднюю температуру среды для хранения водорода,
измеряют механическую деформацию в одной или более точках на контейнере для хранения водорода и вычисляют давление в контейнере для хранения водорода, основываясь на измеренной механической деформации,
выбирают параметры Вант-Гоффа, используя таблицу соответствия для среды для хранения водорода,
вычисляют изменение количества водорода, используя дифференциальную форму зависимости Вант-Гоффа

где х – изменение количества водорода в контейнере для хранения водорода; ln P – разность между давлением в контейнере для хранения водорода в начальном состоянии и вычисленным давлением в контейнере для хранения водорода; (1/Т) – разность между обратной величиной температуры среды для хранения водорода в начальном состоянии и обратной величиной вычисленной средней температурой среды для хранения водорода; R – универсальная газовая постоянная, которая имеет значение 8,314 килоджоулей/киломоль Кельвина; Н – изменение энтальпии среды для хранения водорода,
обновляют сохраненные начальные параметры состояния с помощью вычисленной средней температуры, вычисленного давления и вычисленного изменения количества водорода.
Полезно, чтобы среду для хранения водорода выбирали из группы, состоящей из гидридов металла, химических гидридов, органических гидридов и однослойных углеродных нанотрубок.
Поставленная задача решена также путем создания системы для определения количества водорода в контейнере для хранения водорода, содержащем известное количество среды для хранения водорода, содержащей:
средство для измерения давления в контейнере для хранения водорода,
средство для измерения температуры в одной или более точках на контейнере для хранения водорода и вычисления среднего значения измеренных температур,
вычислительное средство для оценки количества водорода в контейнере для хранения водорода, предназначенное для:
выбора рабочей кривой давления, состава, температуры (ДСТ) из семейства кривых ДСТ для среды для хранения водорода, основываясь на вычисленной средней температуре,
выбора рабочей точки на выбранной рабочей кривой ДСТ, соответствующей измеренному давлению в контейнере для хранения водорода,
определения значения отношения количества водорода к количеству металла на выбранной рабочей кривой ДСТ, соответствующей выбранной рабочей точке,
вычисления концентрации водорода в контейнере для хранения водорода путем умножения найденного значения отношения количества водорода к количеству металла на количество среды для хранения водорода.
Полезно, чтобы среда для хранения водорода была выбрана из группы, состоящей из гидридов металла, химических гидридов, органических гидридов и однослойных углеродных нанотрубок.
Целесообразно, чтобы средство для измерения температуры было выбрано из группы, состоящей из термопар, термисторов, резисторов, инфракрасных датчиков и диодов.
Предпочтительно, чтобы средство для измерения давления было выбрано из группы, состоящей из тензометрических датчиков, манометров и датчиков давления.
КРАТКОЕ ОПИСАНИЕ ЧЕРТЕЖЕЙ
В дальнейшем изобретение поясняется описанием предпочтительных вариантов воплощения со ссылками на сопровождающие чертежи, на которых:
фиг.1 изображает диаграммы идеальной зависимости между давлением, составом и температурой во время поглощения водорода гидридом металла;
фиг.2 – диаграммы реальной зависимости между давлением, составом и температурой во время поглощения и выделения водорода гидридом металла;
фиг.3 – последовательность шагов в соответствии с первым вариантом осуществления способа измерения количества водорода согласно изобретению;
фиг.4 – последовательность шагов в соответствии со вторым вариантом осуществления способа измерения количества водорода согласно изобретению;
фиг.5 – последовательность шагов в соответствии с третьим вариантом осуществления способа измерения количества водорода согласно изобретению;
фиг.6 – схему устройства для осуществления способа измерения количества водорода согласно изобретению.
ПОДРОБНОЕ ОПИСАНИЕ ПРЕДПОЧТИТЕЛЬНОГО ВАРИАНТА ОСУЩЕСТВЛЕНИЯ ИЗОБРЕТЕНИЯ
Согласно изобретению предложены устройство и способ для измерения количества водорода в контейнере для хранения водорода водородного топливного элемента, используя зависимость между давлением, составом, температурой (ДСТ, РСТ) среды для хранения. Предложенный способ измерения количества водорода включает в себя измерение температуры среды для хранения водорода в одной или более точках на контейнере для хранения водорода, измерение механической деформации в одной или более точках на контейнере для хранения водорода, вычисление давления в контейнере, основываясь на результатах измерения деформации, обращаясь к таблице соответствия или к уравнению, представляющему кривую ДСТ при разряде для конкретного состава среды для хранения водорода при измеренной температуре, и вычисление концентрации водорода при измеренном давлении. Изменения температуры и давления во время поглощения-выделения (адсорбции-десорбции) водорода, которые характерны для данного состава среды для хранения водорода, используются для измерения показателя концентрации – отношения количества водорода к количеству среды для хранения водорода.
На фиг.1 представлены диаграммы поглощения и выделения водорода металлами как изотермы состава от давления. Отношение количества водорода к количеству металла, которое является отношением количества водорода в среде для хранения водорода к количеству среды для хранения водорода, отложено на оси X, натуральный логарифм давления в контейнере для хранения водорода отложен по оси Y. Большинство элементарных металлов будет поглощать водород, когда газообразный водород (H2) соединяют с металлической (М) поверхностью. Некоторые из металлов и сплавов, используемых для хранения водорода, – сплавы никель-лантан, никель-кальций, никель-магний, никель-железо, железо-олово, ванадий, палладий. На этом этапе водород растворяется в металле. Поглощение может быть записано как: Н2+М МН2. Использование двойной стрелки означает, что реакция может происходить в обоих направлениях. Направление определяется давлением газообразного водорода. При высоком начальном давлении водород входит в металл. Через определенный период времени достигается равновесие, и водород входит в металл с той же скоростью, с какой он покидает металл. Если давление газообразного водорода уменьшается, то водород выходит из металла в окружающую среду. Если средой является закрытый контейнер, то давление в конечном счете увеличится до значения, когда равновесие будет еще раз достигнуто. Этот простой процесс поглощения водорода представлен линейной частью 110 кривой поглощения на фиг.1.
В металлгидридной системе при давлении выше некоторого значения газообразный водород (H2) поглощается металлической поверхностью, где он диссоциируется (разлагается) на атомы водорода (Н) и вводит промежуточные узлы в решетку. На втором этапе атомы водорода можно добавлять к металлу без какого-либо соответствующего увеличения в давлении. Область 120 плоского участка кривой представляет область двухфазного равновесия. Насыщение достигается при таком значении отношения количества водорода к металлу (Н/М), когда все промежуточные узлы заполнены. В этой точке нельзя больше добавлять водород к металлической решетке и дополнительное увеличение количества водорода требует соответствующего увеличения давления, как представлено третьей областью 130. Весь этот процесс обратим с некоторой степенью гистерезиса (запаздывания). На фиг.1 представлена идеальная изотерма давления-состава для поглощения-выделения для системы металл-водород, где давление на плоском участке кривой является постоянным. Хотя такие изотермы, как на фиг.1, могут иметь место для большинства гидридов, имеются отклонения от идеального поведения. В дополнение к тому, что в области плоского участка кривая наклонна и границы этой области не столь хорошо определены, также существует гистерезис между кривыми выделения и поглощения.
На фиг.2 представлены диаграммы реальных изотерм давления-состава для поглощения-выделения, которые включают в себя наклон в области плоского участка кривой и эффект гистерезиса. Изотермы 210 для поглощения показывают зависимость между давлением и концентрацией водорода во время фазы зарядки, в то время как изотермы 220 для выделения показывают зависимость между давлением и концентрацией водорода во время фазы разрядки.
Во время работы топливного элемента он отбирает водород из контейнера для хранения водорода, и эта операция разрядки обычно происходит в области плоского участка кривых, показанных на фиг.2. Операция разрядки может быть почти изотермической, или изменения температуры могут зависеть от скорости разряда и рабочего давления в топливном элементе, который присоединен к контейнеру для хранения. Почти изотермический процесс является эффективным способом, при котором хранящийся газообразный водород выпускают из среды для хранения с помощью уменьшения давления газообразного водорода, предпочтительно до значения, которое ниже, чем давление плоского участка кривой при, по существу, той же самой температуре. Температура сохраняется почти постоянной путем удаления тепла во время поглощения и добавления тепла во время выделения. Другой менее предпочтительный процесс происходит с тепловыми колебаниями, т.е. водород поглощается при низкой температуре и выделяется при более высокой температуре. Однако этот процесс имеет более высокие требования к нагреванию и охлаждению. Третий режим работы – изменяемый изотермический процесс, в котором разрешается умеренное тепловое колебание, чтобы предоставить возможность выделения водорода при относительно более высоком давлении.
Таким образом, для материалов для хранения водорода, которые имеют наклонную область плоского участка кривой, основываясь на взаимосвязи температуры, давления и содержания водорода, при любой заданной температуре содержание водорода в материале определяется с помощью парциального давления водорода, который находится в контакте с этим материалом. В общем случае, когда температура повышается, требуется большее парциальное давление водорода для поддержания заданной концентрации водорода в материале. Обратное также правильно при уменьшении температуры.
Последовательность операций способа измерения количества водорода в контейнере для хранения водорода согласно первому варианту осуществления настоящего изобретения показана на фиг.3, где прямоугольники представляют элементы структуры процесса, а прямоугольники с закругленными углами представляют этапы способа для различных объектов структуры. Процесс измерения начинают с измерения температуры 310 среды для хранения водорода в контейнере 300 для хранения водорода. Типичными способами измерения согласно изобретению являются использование термопар, термисторов, резисторов, инфракрасных датчиков и диодов. В то же время давление в контейнере измеряют с помощью измерения деформации 320 стенки контейнера для гидрида. После этапа измерения деформации вычисляют 330 давление в контейнере для хранения, основываясь на геометрии и свойстве материала контейнера и калибровки тензометрического датчика. Поскольку давление и температура уже известны, выполняют операцию 340 поиска, которая выбирает концентрацию водорода, соответствующую измеренному давлению на изотерме 340, соответствующей измеренной температуре, на графике 350 ДСТ для конкретного состава гидрида, используемого в контейнере 300 для хранения водорода. Изотерма 340, используемая на этапе поиска, это одна из изотерм 220 при выделении при конкретной температуре. Если для измеренной температуры не существует изотермы, то ее генерируют с помощью интерполяции и экстраполяции по мере необходимости из изотерм, которые существуют для температур, непосредственно выше и ниже измеренного значения.
Настоящее изобретение не ограничено указанными способами. Любой способ измерения температуры и давления, известный из предшествующего уровня техники, может использоваться в пределах структуры, описанной в предпочтительном варианте осуществления.
Альтернативный вариант осуществления настоящего изобретения показан на фиг.4, в котором используется зависимость (правило) Вант-Хоффа

которая является математической зависимостью между парциальным давлением, составом и температурой для материалов для хранения водорода для вычисления количества водорода в контейнере, где: х – количество водорода в контейнере, Р – измеренное давление в контейнере, Т – температура среды для хранения, R – универсальная газовая постоянная, Н – изменение энтальпии, которая является функцией температуры Т, С – константа для данного состава материала гидрида. Операция 340 поиска заменена операцией 440 вычисления. Операции вычисления используют сохраненные параметры 450 Вант-Хоффа для вычисления количества водорода.
Еще один вариант осуществления настоящего изобретения показан на фиг.5, в котором используется изменение температуры и давления между известным начальным состоянием и текущими условиями для вычисления количества водорода, оставшегося в контейнере для хранения, используя дифференциальную версию зависимости Вант-Хоффа
,
которая является математической зависимостью между изменением парциального давления, составом и изменением температуры для материалов для хранения водорода, где х – общее изменение количества водорода в контейнере, ln P – изменение в измеренном давлении в контейнере, (1/Т) – изменение температуры среды хранения, R – универсальная газовая постоянная, Н – изменение в энтальпии, которая является функцией температуры Т и состава гидрида. В этом варианте осуществления измерение давления и температуры производят вначале, когда количество водорода, хранящегося в контейнере для хранения водорода, известно. Эти значения температуры, давления и количества водорода хранятся в средстве 580 хранения состояния для будущего использования. Этап 505 инициализации может выполняться в конце процесса заряда контейнера для хранения водорода. Во время работы процесс измерения при выделении водорода начинают с измерения температуры 510 среды для хранения водорода в контейнере 500. Для этого используют термопары, термисторы, резисторы, резисторные термодатчики (РТД, RTD), инфракрасные датчики и диоды. В то же время измеряют давление в контейнере для хранения с помощью измерения деформации 520 стенки контейнера для гидрида. После измерения деформации вычисляют 530 давление в контейнере для хранения, основываясь на геометрии и свойстве материала контейнера и калибровки тензометрического датчика. Поскольку давление и температура известны к данному моменту времени, выполняют операцию 540 вычисления, при которой используют сохраненные параметры 550 Вант-Хоффа, сохраненные параметры 580 предыдущего состояния и дифференциальную форму зависимости Вант-Хоффа, показанную выше. На вычислительном этапе оценивают оставшееся количество водорода, вычитая изменение количества водорода из начального количества. После того, как вычисление закончено, параметры 580 предыдущего состояния обновляют 570 с помощью параметров текущего состояния, температуры, давления и количества оставшегося водорода. Они будут служить параметрами предыдущего состояния для следующего цикла измерения. Так как в данном способе только изменение температуры и давления используется для оценки количества водорода, условия, зависящие от состава гидрида, удаляют из зависимости Вант-Хоффа. Этот вариант осуществления хорошо подходит для измерения количества оставшегося в контейнере водорода, используя гидридные материалы, которые значительно разрушаются через какое-то время из-за многих циклов зарядки/разрядки.
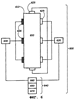
Устройство для осуществления способа измерения количества водорода согласно изобретению содержит контейнер для хранения, имеющий водородный поглотитель (материал, адсорбирующий водород), такой как гидрид металла, систему измерения температуры и деформации и элемент оценки, который выполняет вычисление, хранение и поиск, необходимые для оценки количества водорода в контейнере, из результатов измерения давления и температуры. Устройство 600 (Фиг.6) для измерения количества водорода в контейнере со средой для хранения водорода содержит контейнер 610 для хранения водорода, средство 620 измерения температуры, средство 630 измерения деформации и программное средство 640, которое выполняет вычисление, хранение и поиск. Средство 620 измерения температуры состоит из одного или более температурных датчиков 625, распределенных на контейнере 600 для хранения и связанных друг с другом. В предпочтительном варианте осуществления температуру контейнера для гидрида измеряют, используя резистивную термометрию, которая основана на использовании материала, удельное сопротивление которого изменяется при изменении температуры. Стандартные коммерческие резистивные датчики используют никелевые или никелевые/манганиновые сетки, хотя датчики специального назначения также доступны с сетками из медной фольги. Температурные датчики присоединяют к конструкциям, используя стандартные методы инсталляции тензодатчиков, они могут измерять температуру поверхности от -269 до +260°С. Из-за чрезвычайно низкой тепловой массы и большой площади области соединения датчики определяют изменения температуры поверхности конструкции, на которую они установлены, с незначительным временем запаздывания. Ниже указаны некоторые из моделей резистивных температурных датчиков, изготавливаемых компанией Measurements Group Inc., Raleigh, NC: ETG-50A 50 Ом; специального назначения ETG-50B 50 Ом; специального назначения WTG-50A 50 Ом; специального назначения WTG-50B 50 Ом; специального назначения WWT-TG-W200B-050 50 Ом. Температурные датчики соединены с элементом 640 оценки для измерения температуры по требованию.
В дополнение к данным о температуре выходная информация от резистивных температурных датчиков также используется для температурной компенсации измерений тензометрического датчика. Так как типичные контейнеры, используемые для хранения водорода в водородных элементах, – металлы, которые имеют хорошую теплопроводность, температура среды может быть косвенно измерена с приемлемой точностью, измеряя температуру в одной или более точках на внешней стороне контейнера для хранения водорода.
Давление в контейнере для гидрида может быть надежно измерено с помощью измерения деформации на внешней стороне контейнера для гидрида. Средство 630 измерения деформации состоит из одного или более тензометрических датчиков, распределенных на контейнере 610 для хранения и связанных друг с другом. Множество различных методов могут использоваться для измерения деформации. В предпочтительном варианте осуществления для измерения деформации используется стандартный тензометрический датчик или многорешетчатый тензодатчик. Ниже указаны некоторые из моделей тензометрических датчиков, изготавливаемых компанией Entran Devices, Inc., Fairfield, NJ, которые могут быть использованы: ENTRAN ®, имеющие «плоскую» форму и «U»-образную форму тензометрические датчики, которые поставляются в следующих моделях: ESB-020-350, ESB-020-500 и ESU-025-500. Температурная калибровка и компенсация тензометрических датчиков осуществляется с учетом измеренного средством 630 измерения значения температуры.
Элемент 640 оценки имеет вычислительный компонент 650, интерфейс 660 измерения и запоминающий элемент 670. Вычислительный компонент выполняет вычисления и поиск, необходимые для преобразования измеренных значений деформации в давление, интерполяцию между изотермами и оценку количества водорода, оставшегося в контейнере. Интерфейс 660 измерения активизирует тензометрические датчики и температурные датчики при необходимости, обеспечивает необходимую температурную компенсацию тензометрического датчика, объединяет информацию, выводимую от многочисленных датчиков, и сообщает объединенные значения вычислительному компоненту. Запоминающий элемент хранит состав гидридного материала, изотермы ДСТ поглощения-выделения для конкретного гидрида, информацию о геометрии и параметрах контейнера, а также параметры калибровки для других элементов.
Хотя во всех вариантах осуществления изобретения гидридные материалы указывались в качестве среды для хранения водорода, может использоваться любой другой известный материал для хранения водорода, который имеет уникальную зависимость ДСТ.
Настоящее изобретение позволяет точно измерять количество водорода в контейнере со средой для хранения водорода. Эта способность измерять количество водорода позволяет реализовать систему водородных элементов, которые могут обеспечить точные оценки емкости энергии, доступной в системе во время их работы. Этих результатов достигают, используя уникальную зависимость ДСТ поглощения-выделения различных сред для хранения водорода, которые используются для хранения топлива в топливном элементе. Этот способ использования уникален, он устраняет проблемы, возникающие в схемах предшествующего уровня техники.
ПРОМЫШЛЕННАЯ ПРИМЕНИМОСТЬ
Изобретение обеспечивает способ и устройство для измерения количества водорода в контейнере для хранения водорода, которые преодолевают недостатки способов предшествующего уровня техники и устройств этого общего типа. Этот новый способ измерения прост в осуществлении и управлении. Настоящее изобретение продвигает вперед уровень развития техники для точного измерения количества водорода в системе хранения водорода при динамических условиях разряда. Оно имеет дополнительное преимущество в том, что способно учитывать уменьшение емкости среды для хранения.
Изобретение не ограничено предпочтительными вариантами осуществления.
Формула изобретения
1. Способ определения количества водорода в контейнере для хранения водорода, содержащем известное количество среды для хранения водорода, заключающийся в том, что
измеряют температуру в одной или более точках на контейнере для хранения водорода и вычисляют среднюю температуру среды для хранения водорода,
измеряют механическую деформацию в одной или более точках на контейнере для хранения водорода и вычисляют давление в контейнере для хранения водорода, основываясь на измеренной механической деформации,
выбирают рабочую кривую давления, состава, температуры (ДСТ) из семейства кривых ДСТ для среды для хранения водорода, основываясь на вычисленной средней температуре,
выбирают рабочую точку на выбранной рабочей кривой ДСТ, соответствующей вычисленному давлению в контейнере для хранения водорода,
определяют значение отношения количества водорода к количеству металла на выбранной рабочей кривой ДСТ, соответствующей выбранной рабочей точке,
вычисляют концентрацию водорода в контейнере для хранения водорода, умножая найденное значение отношения количества водорода к количеству металла на количество среды для хранения водорода.
2. Способ по п.1, отличающийся тем, что используемая кривая ДСТ представляет собой кривую поглощения, связанную с характеристиками зарядки среды для хранения водорода.
3. Способ по п.1, отличающийся тем, что используемая кривая ДСТ представляет собой кривую выделения, связанную с характеристиками разрядки среды для хранения водорода.
4. Способ по п.1, отличающийся тем, что среду для хранения водорода выбирают из группы, состоящей из гидридов металлов, химических гидридов, органических гидридов и однослойных углеродных нанотрубок.
5. Способ определения количества водорода в контейнере для хранения водорода, содержащем известное количество среды для хранения водорода, когда контейнер для хранения водорода выделяет водород, заключающийся в том, что
измеряют температуру в одной или более точках на контейнере для хранения водорода и вычисляют среднюю температуру среды для хранения водорода,
измеряют механическую деформацию в одной или более точках на контейнере для хранения водорода и вычисляют давление в контейнере для хранения водорода, основываясь на измеренной механической деформации,
выбирают рабочую кривую давления, состава, температуры (ДСТ) из семейства ДСТ кривых для среды для хранения водорода, основываясь на вычисленной средней температуре,
выбирают рабочую точку на выбранной рабочей кривой ДСТ, соответствующей вычисленному давлению в контейнере для хранения водорода,
определяют значение отношения количества водорода к количеству металла на выбранной рабочей кривой ДСТ, соответствующей выбранной рабочей точке,
вычисляют концентрацию водорода в контейнере для хранения водорода, умножая найденное значение отношения количества водорода к количеству металла на значение количества среды для хранения водорода.
6. Способ по п.5, отличающийся тем, что используемая кривая ДСТ представляет собой кривую выделения, связанную с характеристиками разряда среды для хранения водорода.
7. Способ определения изменения количества водорода в контейнере для хранения водорода, содержащем известное количество среды для хранения водорода в известном начальном состоянии, заключающийся в том, что
сохраняют начальные параметры состояния, содержащие количество водорода в контейнере для хранения водорода, температуру среды для хранения водорода в начальном состоянии и давление в контейнере для хранения водорода в начальном состоянии,
измеряют температуру в одной или более точках на контейнере для хранения водорода и вычисляют среднюю температуру среды для хранения водорода,
измеряют механическую деформацию в одной или более точках на контейнере для хранения водорода и вычисляют давление в контейнере для хранения водорода, основываясь на измеренной механической деформации,
выбирают параметры Вант-Гоффа, используя таблицу соответствия для среды для хранения водорода,
вычисляют изменение количества водорода, используя дифференциальную форму зависимости Вант-Гоффа

где х – изменение количества водорода в контейнере для хранения водорода;
ln P – разность между давлением в контейнере для хранения водорода в начальном состоянии и вычисленным давлением в контейнере для хранения водорода;
(1/Т) – разность между обратной величиной температуры среды для хранения водорода в начальном состоянии и обратной величиной вычисленной средней температурой среды для хранения водорода;
R – универсальная газовая постоянная, которая имеет значение 8,314 кДж/(кмоль·К);
Н – изменение энтальпии среды для хранения водорода,
обновляют сохраненные начальные параметры состояния с помощью вычисленной средней температуры, вычисленного давления и вычисленного изменения количества водорода.
8. Способ по п.7, отличающийся тем, что среду для хранения водорода выбирают из группы, состоящей из гидридов металла, химических гидридов, органических гидридов и однослойных углеродных нанотрубок.
9. Система для определения количества водорода в контейнере для хранения водорода, содержащем известное количество среды для хранения водорода, содержащая
средство для измерения давления в контейнере для хранения водорода,
средство для измерения температуры в одной или более точках на контейнере для хранения водорода и вычисления среднего значения измеренных температур,
вычислительное средство для оценки количества водорода в контейнере для хранения водорода, предназначенное для
выбора рабочей кривой давления, состава, температуры (ДСТ) из семейства кривых ДСТ для среды для хранения водорода, основываясь на вычисленной средней температуре,
выбора рабочей точки на выбранной рабочей кривой ДСТ, соответствующей измеренному давлению в контейнере для хранения водорода,
определения значения отношения количества водорода к количеству металла на выбранной рабочей кривой ДСТ, соответствующей выбранной рабочей точке,
вычисления концентрации водорода в контейнере для хранения водорода путем умножения найденного значения отношения количества водорода к количеству металла на количество среды для хранения водорода.
10. Система по п.9, отличающаяся тем, что среда для хранения водорода выбрана из группы, состоящей из гидридов металла, химических гидридов, органических гидридов и однослойных углеродных нанотрубок.
11. Система по п.9, отличающаяся тем, что средство для измерения температуры выбрано из группы, состоящей из термопар, термисторов, резисторов, инфракрасных датчиков и диодов.
12. Система по п.9, отличающаяся тем, что средство для измерения давления выбрано из группы, состоящей из тензометрических датчиков, манометров и датчиков давления.
РИСУНКИ
|
|