|
|
(21), (22) Заявка: 2005123757/09, 26.07.2005
(24) Дата начала отсчета срока действия патента:
26.07.2005
(46) Опубликовано: 10.02.2007
(56) Список документов, цитированных в отчете о поиске:
Энергоснабжение и высоковольтные преобразователи частоты./ Новости приводной техники. 2002, № 9, с.2-3. RU 2069033 C1, 10.11.1996. RU 29420 U1, 10.05.2003. SU 316168 A1, 01.01.1971. SU 1494191 A1, 15.07.1989. SU 1421271 A3, 07.10.1982. SU 1700738 A1, 23.12.1991. GB 1353759 A, 22.05.1974. US 3717807 A, 20.02.1973. US 2004/0075406 A1, 14.04.2004. FR 2509546 A1, 14.01.1983. WO 2005034333 A1, 14.04.2005.
Адрес для переписки:
630092, г.Новосибирск, пр-кт Карла Маркса, 20, НГТУ
|
(72) Автор(ы):
Малахов Алексей Петрович (RU), Музалевский Леонид Викторович (RU), Малышев Артем Олегович (RU)
(73) Патентообладатель(и):
Новосибирский государственный технический университет (RU)
|
(54) ЧАСТОТНО-РЕГУЛИРУЕМЫЙ ЭЛЕКТРОПРИВОД
(57) Реферат:
Изобретение относится к области электротехники и может быть использовано в частотно-регулируемом электроприводе. Техническим результатом является повышение надежности частотно-регулируемого привода. Частотно-регулируемый электропривод содержит источник питания, частотно-регулируемые инверторы и приводной электродвигатель, емкостной фильтр. Источник питания выполнен в виде выпрямителя, параллельно которому подключен емкостной фильтр. Приводной электродвигатель выполнен из N=1, 2, 3, … трехфазных систем обмоток, каждая из которых соединена с N последовательно соединенными трехфазными частотно-регулируемыми инверторами, которые подключены к выпрямителю. Каждый частотно-регулируемый инвертор снабжен параллельно соединенными между собой стабиловольтом, резистором и конденсатором, которые параллельно подключены к питающим шинам частотно-регулируемых инверторов. В многополюсных приводных электродвигателях количество трехфазных обмоток кратно числу полюсов или пар полюсов. 1 ил.
Изобретение относится к силовой промышленной электронике, а именно к частотно-регулируемым электроприводам (ЧРЭ).
Недостатком такого ЧРЭ является сложность силовой части и невысокая надежность из-за высокого рабочего напряжения двигателя и силовой части выпрямительно-инверторного преобразователя.
Недостатком этого ЧРЭ является большое количество однофазных преобразователей частоты, напряжения которых последовательно складываются и их сумма в трехфазном виде прикладывается к обмоткам двигателя, что существенно усложняет конструкцию и снижает надежность работы ЧРЭ в целом.
Задачей изобретения является повышение надежности работы ЧРЭ и упрощение электропривода.
Указанная задача достигается тем, что в ЧРЭ, содержащем входной источник питания, частотно-регулируемые инверторы и приводной электродвигатель, отличающийся тем, что частотно-регулируемый электропривод снабжен емкостным фильтром, входной источник питания выполнен в виде выпрямителя, параллельно которому подключен емкостной фильтр, указанный приводной электродвигатель выполнен из N=1, 2, 3, … трехфазных систем обмоток, каждая из которых соединена с N последовательно соединенными трехфазными частотно-регулируемыми инверторами, которые подключены к выпрямителю, а каждый частотно-регулируемый инвертор в свою очередь снабжен дополнительными, параллельно соединенными между собой стабиловольтом, резистором и конденсатором, также параллельно подключенными к питающим шинам частотно-регулируемых инверторов.
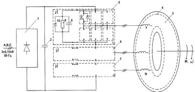
На чертеже приведена принципиальная электрическая схема предлагаемого частотно-регулируемого электропривода.
ЧРЭ содержит входной силовой выпрямитель 1 с параллельно подключенным к нему емкостным фильтром 2, N трехфазных систем фазных обмоток 3 приводного электродвигателя 4, N последовательно соединенных трехфазных частотно-регулируемых инверторов 5, 6, 7, каждый частотно-регулируемый инвертор снабжен параллельно к нему подключенными, дополнительными, также параллельно соединенными между собой конденсаторными фильтрами 8, резисторами 9 и стабиловольтами 10, а каждый частотно-регулируемый инвертор своими трехфазными выходами подключен к приводному электродвигателю 4, выполненному соответственно из N трехфазных обмоток.
Предлагаемый частотно-регулируемый электропривод работает следующим образом.
Подается напряжение на входной силовой выпрямитель 1, его напряжением заряжается емкостной фильтр 2 и конденсаторы 8 инверторов 5, 6, 7. Равномерность напряжений инверторов выполняется резисторами 9 и стабиловольтами 10. Затем синхронно подается управление на инверторы 5, 6, 7, которые одинаковыми токами запитывают соответствующие трехфазные катушечные группы 3(1-N) приводного электродвигателя 4. Во всех фазах инверторов 5, 6, 7 и двигателя 4 формируются одинаковые по величине и с соответствующим сдвигом по фазе токи и двигатель работает так же, как и при питании этих обмоток в высоковольтном варианте.
Таким образом, в предлагаемом изобретении по сравнению с прототипом при сохранении всех качественных показателей в силовой части отсутствует дорогостоящий согласующий трансформатор, уменьшается как минимум в 3 раза количество инверторов, а двигатель, выполняемый из N катушечных групп, становится низковольтным, что значительно повышает надежность работы ЧРЭ и одновременно упрощает его силовую схему.
Формула изобретения
Частотно-регулируемый электропривод, содержащий входной источник питания, частотно-регулируемые инверторы и приводной электродвигатель, отличающийся тем, что частотно-регулируемый электропривод снабжен емкостным фильтром, входной источник питания выполнен в виде выпрямителя, параллельно которому подключен емкостной фильтр, указанный приводной электродвигатель выполнен из N=1, 2, 3, … трехфазных систем обмоток, каждая из которых соединена с N последовательно соединенными трехфазными частотно-регулируемыми инверторами, которые подключены к выпрямителю, а каждый частотно-регулируемый инвертор в свою очередь снабжен дополнительными, параллельно соединенными между собой стабиловольтом, резистором и конденсатором, также параллельно подключенными к питающим шинам частотно-регулируемых инверторов.
РИСУНКИ
|
|