|
|
(21), (22) Заявка: 2005103939/09, 15.02.2005
(24) Дата начала отсчета срока действия патента:
15.02.2005
(46) Опубликовано: 10.02.2007
(56) Список документов, цитированных в отчете о поиске:
SU 1615850 A1, 23.12.1990. RU 2210851 С2, 20.08.2003. US 6094365 А, 25.07.2000.
Адрес для переписки:
127083, Москва, ул. 8 Марта, 10, стр.3, ЗАО “Связь инжиниринг”
|
(73) Патентообладатель(и):
ЗАО “Связь инжиниринг” (RU)
|
(54) НЕСИММЕТРИЧНЫЙ ПОЛУМОСТОВОЙ ПРЕОБРАЗОВАТЕЛЬ НАПРЯЖЕНИЯ С РАСШИРЕННЫМ ДИАПАЗОНОМ ВЫХОДНОГО НАПРЯЖЕНИЯ
(57) Реферат:
Изобретение относится к области преобразовательной техники, в частности к несимметричным полумостовым преобразователям (НПП), преобразующим постоянное напряжение в постоянное, которые могут использоваться в системах энергообеспечения для телекоммуникаций. Техническим результатом, на достижение которого направлено данное изобретение, является обеспечение надежной работы преобразователя и более высокий КПД при расширенном диапазоне выходного сигнала. НПП содержит ключевые элементы, последовательно соединенные с источником входного напряжения. Первичная обмотка трансформатора одним концом подсоединена к точке соединения ключей, а другим через конденсатор – к первому полюсу источника входного напряжения и одному из ключевых элементов. Последние переключаются синхронно и противофазно, обеспечивая необходимый коэффициент D заполнения импульсов, то есть отношение длительности промежутка времени проводящего состояния ключевого элемента, подсоединенного ко второму полюсу источника входного напряжения, к периоду Т переключения ключевых элементов. Вторичная обмотка трансформатора подключена к двум последовательно соединенным дросселям и анодам двух диодов, катоды которых подключены к первым выводам выходного конденсатора преобразователя и нагрузки. Вторичная обмотка трансформатора имеет отвод, который через дополнительный диод и последовательно включенный с ним полевой транзистор связан с первым выводом выходного конденсатора и нагрузки. Схема управления, состоящая из дополнительного источника питания, источника опорного напряжения, компаратора и транзисторного ключа, включает полевой транзистор при высоких значениях выходного напряжения, обеспечивая поступление напряжения от вторичной обмотки и отвода к нагрузке, и отключает этот транзистор, если на выходе требуется пониженное напряжение или если низкое напряжение на выходе получается вследствие действия защиты по току НПП. Управление дополнительным полевым транзистором при работе НПП с расширенным диапазоном выходного напряжения позволяет повысить КПД НПП, одновременно повысив надежность работы выходного диода, работающего в интервале времени (1-D)T, поскольку снижается средний ток, проходящий через этот диод, и уменьшается обратное напряжение на нем. Таким образом, снижаются требования к диоду, проводящему ток в течение промежутка времени (1-D)T. В результате надежность всего НПП повышается. 1 ил.
Изобретение относится к области преобразовательной техники, в частности к несимметричным полумостовым преобразователям (НПП), преобразующим постоянное напряжение в постоянное, которые могут использоваться в системах энергообеспечения для телекоммуникаций.
В таких системах энергообеспечения напряжение на вход НПП обычно поступает с выхода корректора коэффициента мощности и является стабилизированным, изменяющимся не более чем на ±2% от номинального значения. С другой стороны, выходное напряжение НПП может изменяться в широких допустимых пределах, обычно с кратностью 1,5-3, что определяется условиями работы системы энергоснабжения, гарантирующей непрерывность питания потребителя при использовании аккумуляторных батарей. Выходное напряжение НПП может еще больше снижаться (вплоть до нуля) при перегрузке НПП по току или при коротком замыкании на его выходе.
Известен полумостовой преобразователь напряжения, содержащий трансформатор, первичная обмотка которого вместе с включенным последовательно с ней первым конденсатором через первый ключевой элемент связана с источником напряжения, второй ключевой элемент подключен параллельно указанной цепи, состоящей из последовательно соединенных первичной обмотки трансформатора и первого конденсатора, а параллельно вторичной обмотке подключена цепь, состоящая из двух последовательно соединенных дросселей, нагрузочной цепи, представляющей собой соединенные параллельно первый резистор и второй конденсатор, два диода, одни выводы которых соединены между собой, другие выводы – с выводами вторичной обмотки трансформатора, нагрузочная цепь подключена к соединенным между собой выводам указанных дросселей и соединенным между собой выводам указанных диодов. Такой принцип построения преобразователя с частотно-импульсным управлением использован, например, в устройстве по авторскому свидетельству СССР №1615850. В таком преобразователе не может быть реализовано мягкое переключение ключей, а потери в открытом состоянии получаются большими из-за формы тока, определяемой резонансным процессом.
В данной заявке полумостовой преобразователь работает несимметрично в режиме ШИМ с постоянной частотой коммутации. Несимметричность режима работы преобразователя заключается в том, что ключи работают синхронно и противофазно, причем длительности их включенного состояния за период переключения Т не равны. Первый из ключей замыкается на время DT, где D – коэффициент заполнения импульсов – отношение длительности промежутка времени включенного первого ключа к периоду. Второй ключ замыкается на время (1-D)T. Однако при снижении выходного напряжения один из выходных диодов преобразователя, работающий в интервале паузы – интервале времени (1-D)T периода – подвергается повышенному обратному напряжению и через него проходит повышенный средний ток, что снижает КПД и может привести к отказу преобразователя. Кроме того, повышаются потери в ключах и силовом трансформаторе преобразователя. Следствием такой ситуации являются повышение требований к диоду по допустимому обратному напряжению и среднему току, увеличение размеров теплоотводящих радиаторов и всего преобразователя. Однако диоды с большим допустимым обратным напряжением имеют большее прямое падение напряжения и большее время восстановления обратного сопротивления, что также приводит к увеличению потерь в преобразователе.
Техническим результатом, на достижение которого направлено данное изобретение, является обеспечение надежной работы и получение более высокого КПД преобразователя при расширенном диапазоне выходного напряжения.
Технический результат достигается тем, что несимметричный полумостовой преобразователь напряжения, содержащий трансформатор, первичная обмотка которого вместе с включенным последовательно с ней первым конденсатором через первый ключевой элемент связана с источником напряжения, второй ключевой элемент подключен параллельно указанной цепи, состоящей из последовательно соединенных первичной обмотки трансформатора и первого конденсатора, а параллельно вторичной обмотке подключена цепь, состоящая из двух последовательно соединенных дросселей, нагрузочной цепи, представляющей собой соединенные параллельно первый резистор и второй конденсатор, два диода, одни выводы которых соединены между собой, другие выводы – с выводами вторичной обмотки трансформатора, нагрузочная цепь подключена к соединенным между собой выводам указанных дросселей и соединенным между собой выводам указанных диодов, снабжен двумя конденсаторами, тремя резисторами, третьим диодом, компаратором и транзисторным ключом, причем компаратор и транзисторный ключ, подключенные к отдельному источнику питания, управляют полевым транзистором, один силовой вывод которого соединен с одним из выводов третьего диода, другой силовой вывод – с соединенными между собой выводами первых двух упомянутых диодов и коллектором транзистора транзисторного ключа, а управляющий вывод полевого транзистора – с эмиттером транзисторного ключа, база которого подключена к выходу компаратора, инверсный вход которого соединен с первыми выводами второго резистора и третьих резистора и конденсатора, второй вывод второго резистора подключен к соединенным выводам дросселей и нагрузочной цепи, второй вывод третьего резистора – к источнику опорного напряжения, второй вывод третьего конденсатора и первые выводы параллельно соединенных четвертых резистора и конденсатора подключены к отрицательному полюсу источника питания компаратора и транзисторного ключа, а вторые выводы четвертых резистора и конденсатора соединены с прямым входом компаратора, при этом трансформатор снабжен дополнительной обмоткой, один вывод которой подключен к другому выводу вторичной обмотки трансформатора, а другой вывод соединен с другим выводом третьего диода.
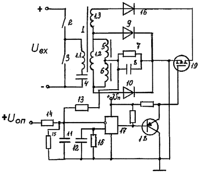
На чертеже представлена схема заявляемого преобразователя.
Несимметричный полумостовой преобразователь напряжения содержит трансформатор 1 и ключевые элементы – первый 2 и второй 3. Первичная обмотка 1.1 вместе с включенным последовательно с ней первым конденсатором 4 через ключевой элемент 2 связана с источником напряжения. Ключевой элемент 3 подключен параллельно цепи, состоящей из последовательно соединенных первичной обмотки 1.1 трансформатора 1 и первого конденсатора 4. Параллельно вторичной обмотке 1.2 трансформатора 1 подключена цепь, состоящая из двух последовательно соединенных дросселей 5 и 6. Нагрузочная цепь представляет собой соединенные параллельно первый резистор 7 и второй конденсатор 8. Имеются два диода 9 и 10, одни выводы которых соединены между собой, другие выводы – с выводами вторичной обмотки 1.2 трансформатора 1. Нагрузочная цепь включена между соединенными выводами дросселей 5 и 6 и соединенными выводами диодов. Преобразователь снабжен двумя конденсаторами 11 и 12, тремя резисторами 13-15, третьим диодом 16, компаратором 17, транзисторным ключом, в котором транзистор 18 включен по схеме с общим коллектором, причем компаратор 17 и транзисторный ключ подключены к отдельному, дополнительному, источнику питания. Имеется также управляемый полевой транзистор 19, один силовой вывод которого соединен с одним из выводов диода 16, другой силовой вывод – с соединенными между собой выводами диодов 9 и 10 и коллектором транзистора 18 транзисторного ключа, а управляющий вывод – с эмиттером транзистора 18 транзисторного ключа. База транзистора 18 подключена к выходу компаратора 17, инверсный вход которого соединен с первыми выводами второго резистора 13, третьих резистора 14 и конденсатора 11 и резистора 15. Второй вывод второго резистора 13 подключен к соединенным выводам дросселей 5 и 6 и нагрузочной цепи. Второй вывод третьего резистора 14 – к источнику опорного напряжения. Второй вывод третьего конденсатора 11 и первые выводы параллельно соединенных пятого резистора 16 и четвертого конденсатора 12 подключены к отрицательному полюсу источника питания компаратора и транзисторного ключа. Вторые выводы четвертого резистора 16 и четвертого конденсатора 12 соединены с прямым входом компаратора 17. Трансформатор 1 снабжен дополнительной обмоткой (отводом) 1.3, один вывод которой подключен к другому выводу вторичной обмотки 1.2 трансформатора 1, а другой вывод соединен с другим выводом третьего диода 16. Преобразователь является стабилизированным. Цепи управления ключевыми элементами 2 и 3 на графических материалах не показаны, поскольку управления указанными ключевыми элементами 2 и 3 может быть осуществлено по любой известной схеме.
За счет поочередного включения ключевых элементов 2 и 3 меняется полярность напряжения на трансформаторе. Коэффициент трансформации трансформатора может быть изменен для различных условий работы преобразователя. Дополнительная вторичная обмотка трансформатора W’2 может быть подключена или она может быть отключена. Сигнал на инверсном входе компаратора 17 сравнивается с нулевым уровнем, присутствующим на прямом входе компаратора 17 и в зависимости от полярности напряжения на инверсном входе компаратора 17 полевой транзистор 19 может закрываться или открываться.
При высоких выходных напряжениях полевой транзистор 19 открывается схемой управления, выполненной на компараторе 17 и транзисторном ключе, содержащем транзистор 18. При этом к запертому диоду 10 приложено напряжение
U=Uвхn'(1-D),
где Uвх – напряжение на входе преобразователя;
D – коэффициент заполнения импульсов, то есть отношение длительности промежутка времени, в течение которого замкнут ключевой элемент 2, к периоду переключения ключевых элементов 2 и 3;
n’=(W2+W’2)/W1,
где W2, W’2 и W1 – число витков соответственно вторичной обмотки, отвода и первичной обмотки трансформатора 1.
При высоких выходных напряжениях работают диоды 10 и 16.
При снижении выходного напряжения от максимального значения происходит переключение полевого транзистора, который оказывается разомкнутым при достижении выходным напряжением некоторого порогового значения. Поэтому, начиная с порогового значения напряжения и при дальнейшем его снижении, будут работать диоды 9 и 10. Диод 16 останется постоянно выключенным. К запертому диоду 10 в этом режиме работы преобразователя будет приложено напряжение
U=Uвхn(1-D1),
где n=W2/W1; D1 – новое значение коэффициента заполнения (D1>D).
Поскольку n
Схема управления, состоящая из дополнительного источника питания, источника опорного напряжения, компаратора 17 и транзисторного ключа, включает полевой транзистор 19 при высоких значениях выходного напряжения, обеспечивая поступление напряжения от вторичной обмотки 1.2 и отвода 1.3 к нагрузке, и отключает транзистор 19, если на выходе требуется пониженное рабочее напряжение или если низкое напряжение на выходе получается вследствие действия защиты по току.
Управление полевым транзистором 19 при работе НПП с расширенным диапазоном выходного напряжения позволяет повысить КПД НПП, одновременно повысив надежность работы диода, работающего в интервале времени (1-D)Т, поскольку снижается средний ток, проходящий через этот диод, и уменьшается обратное напряжение на нем. Таким образом, снижаются требования к диоду, проводящему ток в течение промежутка времени (1-D)T. В результате надежность всего НПП повышается.
Формула изобретения
Несимметричный полумостовой преобразователь напряжения, содержащий трансформатор, первичная обмотка которого вместе с включенным последовательно с ней первым конденсатором через первый ключевой элемент связана с источником напряжения, второй ключевой элемент, подключенный параллельно цепи, состоящей из последовательно соединенных первичной обмотки трансформатора и первого конденсатора, параллельно вторичной обмотке трансформатора подключена цепь, состоящая из двух последовательно соединенных дросселей, нагрузочную цепь, представляющую собой соединенные параллельно первый резистор и второй конденсатор, первый и второй диоды, одни выводы которых соединены между собой, другие выводы – с соответствующими выводами вторичной обмотки трансформатора, нагрузочная цепь подключена между соединенными выводами дросселей и соединенными выводами указанных диодов, отличающийся тем, что преобразователь снабжен третьим диодом, полевым транзистором, третьим и четвертым конденсаторами, вторым, третьим и четвертым резисторами, компаратором, транзисторным ключом, причем компаратор и транзисторный ключ подключены к индивидуальному источнику питания, один силовой вывод полевого транзистора соединен с одним из выводов третьего диода, другой силовой вывод – с соединенными выводами первого и второго диодов и коллектором транзистора транзисторного ключа, а управляющий вывод полевого транзистора соединен с эмиттером транзистора транзисторного ключа, база которого подключена к выходу компаратора, инверсный вход которого соединен с первыми выводами второго и третьего резисторов и третьего конденсатора, второй вывод второго резистора подключен к соединенным выводам дросселей и нагрузочной цепи, второй вывод третьего резистора – к источнику опорного напряжения, второй вывод третьего конденсатора и первые выводы параллельно соединенных четвертых резистора и конденсатора подключены к отрицательному полюсу источника питания компаратора и транзисторного ключа, а вторые выводы четвертых резистора и конденсатора соединены с прямым входом компаратора, при этом трансформатор снабжен дополнительной обмоткой, один вывод которой подключен к другому выводу вторичной обмотки трансформатора, а другой вывод соединен с другим выводом третьего диода.
РИСУНКИ
MM4A – Досрочное прекращение действия патента СССР или патента Российской Федерации на изобретение из-за неуплаты в установленный срок пошлины за поддержание патента в силе
Дата прекращения действия патента: 16.02.2008
Извещение опубликовано: 20.12.2008 БИ: 35/2008
NF4A – Восстановление действия патента СССР или патента Российской Федерации на изобретение
Дата, с которой действие патента восстановлено: 10.05.2009
Извещение опубликовано: 10.05.2009 БИ: 13/2009
‘,>
|
|