|
(21), (22) Заявка: 2005125509/09, 10.08.2005
(24) Дата начала отсчета срока действия патента:
10.08.2005
(46) Опубликовано: 10.02.2007
(56) Список документов, цитированных в отчете о поиске:
RU 2192682 С2, 10.11.2002. RU 2094881 С1, 27.10.1997. RU 2110102 С1, 27.04.1998. US 5764459 A, 09.06.1998. US 5666257 A, 09.09.1997.
Адрес для переписки:
630090, г.Новосибирск, ул. Пирогова, 2, Новосибирский государственный университет, Отдел по защите ИС
|
(72) Автор(ы):
Тимошин Александр Иванович (RU), Дорошкин Александр Александрович (RU), Башкирцев Григорий Петрович (RU)
(73) Патентообладатель(и):
Общество с ограниченной ответственностью “Торнадо Модульные системы” (ООО “Торнадо Модульные системы”) (RU)
|
(54) УСТРОЙСТВО ЗАЩИТЫ КОНТАКТОВ РЕЛЕ ОТ ДУГОВЫХ РАЗРЯДОВ
(57) Реферат:
Изобретение относится к области электроавтоматики, телемеханики и предназначено для защиты контактов реле от дуговых разрядов при замыкании и размыкании цепи постоянного тока. Технический результат – повышение надежности и увеличение срока службы контактов реле. Это достигается за счет того, что последовательно с контактами реле включается IGBT транзистор, работающий в ключевом режиме, между коллектором и эмиттером которого включен защитный стабилитрон, а между затворов и эмиттером транзистора подключен выход драйвера транзистора, обеспечивающего управление им и гальваническую развязку. Обмотка реле и вход драйвера транзистора подключаются к программируемому микропроцессорному устройству, имеющему дискретные выходы, например, программируемому микроконтроллеру. 2 ил.
Изобретение относится к области электроавтоматики, телемеханики и предназначено для защиты контактов реле от дуговых разрядов при замыкании и размыкании цепи постоянного тока.
Для уменьшения повреждения контактов дуговыми разрядами применяются:
– специальные реле с большими контактными промежутками (до 10 мм и более) и высокой скоростью выключения, обеспечиваемой сильными контактными пружинами;
– магнитный обдув контактов, реализуемый установкой постоянного магнита или электромагнита в плоскости контактного промежутка. Магнитное поле препятствует появлению и развитию дуги и эффективно оберегает контакты от обгорания;
– искрогасящие цепи, устанавливаемые параллельно контактам реле или параллельно нагрузке.
Первые два способа гарантируют высокую надежность за счет конструктивных мер при разработке реле. Внешних элементов защиты контактов при этом обычно не требуется, но специальные реле и магнитный обдув контактов достаточно экзотичны, дороги и отличаются большими размерами и солидной мощностью катушки (у реле с большим расстоянием между контактами сильные контактные пружины).
Промышленная электротехника ориентируется на недорогие стандартные реле, поэтому применение искрогасящих цепей является наиболее распространенным способом гашения дуговых разрядов на контактах.
Эффективная защита существенно продлевает жизнь контактов
На практике находят применение следующие эффективные и экономичные схемы:
– RC-цепи;
– обратные диоды;
– варисторы;
– комбинированные схемы, например варистор + RC-цепь.
Защитные цепи можно включать:
– параллельно индуктивной нагрузке;
– параллельно контактам реле;
– параллельно контактам и нагрузке одновременно.
Известна схема искрогашения в виде конденсатора, включенного параллельно защищаемому контакту (Дмитриев B.C., Серганов И.Г. Основы железнодорожной автоматики и телемеханики. Учебник для техникумов ж.д. транспорта. – М.: Транспорт, 1988, с 81.) /1/
Схема устраняет дугу при размыкании контакта. Однако из-за большого тока разряда конденсатора через замыкающийся контакт существенно увеличивается эрозия контакта при замыкании цепи.
Известна схема искрогашения, содержащая искрогасящую цепочку из последовательно соединенных резистора и конденсатора, подключенную параллельно к защищаемому контакту (Дмитриев B.C., Серганов И.Г. Основы железнодорожной автоматики и телемеханики. Учебник для техникумов ж.д. транспорта. – М.: Транспорт, 1988, с.45) /1/.
В этой схеме при большой величине сопротивления резистора существенно уменьшается ток разряда конденсатора на замыкающийся контакт, однако снижается эффективность искрогашения при размыкании цепи. При малой же величине сопротивления резистора сохраняется разрушение контакта при замыкании из-за разрядного тока конденсатора.
Кроме того, данные схемы не обеспечивают размыкания цепи по переменной составляющей тока и беспрепятственно пропускают высокочастотные импульсы.
Известна схема искрогашения (DC circuit breaking spark suppressor device. Патент №US 5764459) /2/, содержащая две последовательные группы контактов. Параллельно первой группе контактов включена искрогасящая цепочка, состоящая из последовательно включенных конденсатора и схемы, состоящей из резистора и дросселя, включенной параллельно с диодом. При этом вторая пара контактов обеспечивает размыкание цепи как по постоянному току, так и по переменной составляющей. Сначала размыкается первая пара контактов, при этом разрядный ток замыкается через искрогасящую цепочку. Вторая группа контактов размыкает цепь нагрузки после того, как в цепи прекратятся все токи. Тем самым исключается искровой разряд между контактами. В то же самое время первая группа контактов замыкает конденсатор через резистор и дроссель, тем самым разряжая конденсатор.
В схемах с индуктивной нагрузкой требуется применение конденсатора большой емкости, рассчитанного на высокое напряжение, что, в свою очередь, приводит к большим габаритам устройства.
Наиболее близким к предлагаемой схеме по техническим признакам является “Устройство для бездуговой коммутации электрической цепи”, патент РФ №2192682 /3/.
Устройство содержит контакты и транзистор со статической индукцией, затвор которого через диод подключен к первой выходной клемме и одному из выводов контактов, а также через параллельно соединенные конденсатор и резистор к другому выводу контактов и истоку транзистора, сток которого соединен с второй выходной клеммой.
Недостатком данного решения является то, что полевой транзистор никак не защищен от бросков напряжения (это может стать причиной выхода его из строя), которые возникают при размыкании цепи с индуктивной нагрузкой и собственно являются причиной образования дуговых разрядов.
Данная схема не обеспечивает полного разрыва цепи. Транзистор при разомкнутом контакте до конца не закрыт, обеспечивая заряд конденсатора. Таким образом, по цепи: клемма, транзистор, резистор, диод, вторая клемма протекает ток в обход разомкнутым контактам. В случае выхода из строя (пробоя) транзистора ток потечет через диод в обход контактов, вызвав ложное включение нагрузки, что может привести к нежелательным последствиям (например, включение мотора, соленоида и т.д.)
Задача изобретения – повышение надежности и увеличение срока службы контактов реле.
Поставленная задача решена за счет того, что последовательно с контактами реле включается IGBT транзистор, работающий в ключевом режиме, между коллектором и эмиттером которого включен защитный стабилитрон, а затвору подключен выход драйвера транзистора, обеспечивающий управление им и гальваническую развязку. Обмотка реле и вход драйвера транзистора подключаются к программируемому микропроцессорному устройству, имеющему дискретные выходы, например, программируемому микроконтроллеру.
Драйвер представляет собой отдельное устройство, обеспечивающее управление высоковольтным мощным транзистором от слаботочного сигнала (Журнал “Компоненты и технологии”, №5, 2003, “Современные драйверы IGBT и мощных полевых транзисторов”) /4/; (Платан электронные компоненты. Каталог 2003 г. Стр.103) /5/.
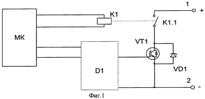
Описание устройства поясняется рисунком, где на фиг.1 приведена принципиальная схема устройства, на фиг.2 – показана временная диаграмма включения и выключения транзистора и обмотки реле.
На фигуре 1 обозначены:
1 – клемма,
2 – клемма,
К1 – обмотка реле,
К1.1 – контакты реле,
VT1 – IGBT транзистор,
VD1 – стабилитрон,
D1 – Драйвер IGBT транзистора,
МК – программируемый микроконтроллер.
Последовательно со схемой включаются не показанные на чертеже последовательно соединенные источник питания и нагрузка, которая соединяется с устройством со стороны первой клеммы. Схема содержит реле К1 с контактами К1.1, один из которых подключен к клемме 1, а другой – к коллектору транзистора VT1. Эмиттер транзистора VT1 соединяется с клеммой 2. Между коллектором и эмиттером транзистора VT1 подключен стабилитрон VD1, между затвором и эмиттером транзистора VT1 подключен выход драйвера транзистора D1. Обмотка реле К1 и вход драйвера транзистора D1 подключаются к программируемому контроллеру МК. В качестве программируемого контроллера можно использовать любое программируемое микропроцессорное устройство, имеющее дискретные выходы.
Предлагаемое устройство работает следующим образом: в начальный момент контакты реле разомкнуты, транзистор закрыт, ток в цепи не течет, напряжение на контактах реле отсутствует. Для включения нагрузки программируемый контроллер сначала включает реле К1. Контакты реле замыкаются, и по причине того, что напряжение на контактах реле отсутствует, дуговой разряд на контактах не образуется. Затем, через определенный интервал времени контроллер, с помощью драйвера D1 открывает транзистор VT1, при этом замыкается цепь нагрузки.
Выключение производится в обратном порядке. Для включения нагрузки программируемый контроллер сначала с помощью драйвера D1 закрывает транзистор VT1 и цепь разрывается. В результате этого возникающая ЭДС самоиндукции нагрузки повышает напряжение на коллекторе транзистора. Для предотвращения выхода из строя транзистора применен стабилитрон, который открывается, пропуская через себя индукционный ток, тем самым ограничивая напряжение ЭДС самоиндукции. После прекращения индукционного тока напряжение на коллекторе транзистора уменьшается до нормального и стабилитрон закрывается. Ток через нагрузку и замкнутые контакты прекращается. После этого программируемый контроллер выключает реле К1 и цепь гальванически размыкается.
В конкретной реализации устройство было выполнено на плате в виде отдельного субмодуля. Драйвер IGBT транзистора включал оптрон, запитанный от отдельного источника питания типа DC/DC-преобразователя.
Субмодули сгруппированы по 16 шт. на модуле – носителе и управляются от одного микроконтроллера.
Устройство применяется в системах телемеханики для управления исполнительными механизмами постоянного тока и позволяет включать нагрузки с высоким током потребления и имеющие большую индуктивную составляющую (напр. электромагниты, пусковые устройства и др.).
Источники информации
1. Дмитриев B.C., Серганов И.Г. Основы железнодорожной автоматики и телемеханики. Учебник для техникумов ж.д. транспорта. – М.: Транспорт, 1988, с.45 и 81.
2. DC circuit breaking spark suppressor device. Патент №US 5764459.
3. Устройство для бездуговой коммутации электрической цепи патент №2192682.
4. Журнал “Компоненты и технологии”, №5, 2003, “Современные драйверы IGBT и мощных полевых транзисторов”.
5. Платан электронные компоненты. Каталог 2003 г. Стр.103
Формула изобретения
Устройство защиты контактов реле от дуговых разрядов, содержащее защищаемые контакты и искрогасящую цепь, отличающееся тем, что искрогасящая цепь включена последовательно защищаемым контактам и состоит из IGBT транзистора, между коллектором и эмиттером которого включен стабилитрон, а к затвору подключен выход драйвера транзистора, обеспечивающий управление им и гальваническую развязку, обмотка реле и вход драйвера транзистора подключаются к программируемому микропроцессорному устройству, имеющему дискретные выходы.
РИСУНКИ
|